ZHCSHY0B March   2018  – June 2018 TS5USBC41

PRODUCTION DATA.  

  1. 特性
  2. 应用
  3. 说明
    1.     Device Images
      1.      简化原理图
  4. 修订历史记录
  5. Pin Configuration and Functions
    1.     Pin Functions
  6. Specifications
    1. 6.1 Absolute Maximum Ratings
    2. 6.2 ESD Ratings
    3. 6.3 Recommended Operating Conditions
    4. 6.4 Thermal Information
    5. 6.5 Electrical Characteristics
    6. 6.6 Dynamic Characteristics
    7. 6.7 Timing Requirements
    8. 6.8 Typical Characteristics
  7. Parameter Measurement Information
  8. Detailed Description
    1. 8.1 Overview
    2. 8.2 Functional Block Diagram
    3. 8.3 Feature Description
      1. 8.3.1 Powered-off Protection
      2. 8.3.2 Overvoltage Protection
    4. 8.4 Device Functional Modes
      1. 8.4.1 Pin Functions
  9. Application and Implementation
    1. 9.1 Application Information
    2. 9.2 Typical Application
      1. 9.2.1 Design Requirements
      2. 9.2.2 Detailed Design Procedure
      3. 9.2.3 Application Curves
  10. 10Power Supply Recommendations
  11. 11Layout
    1. 11.1 Layout Guidelines
    2. 11.2 Layout Example
  12. 12器件和文档支持
    1. 12.1 文档支持
      1. 12.1.1 相关文档
    2. 12.2 接收文档更新通知
    3. 12.3 社区资源
    4. 12.4 商标
    5. 12.5 静电放电警告
    6. 12.6 术语表
  13. 13机械、封装和可订购信息

封装选项

机械数据 (封装 | 引脚)
散热焊盘机械数据 (封装 | 引脚)
订购信息

Parameter Measurement Information

TS5USBC41 scds367_ron.gif
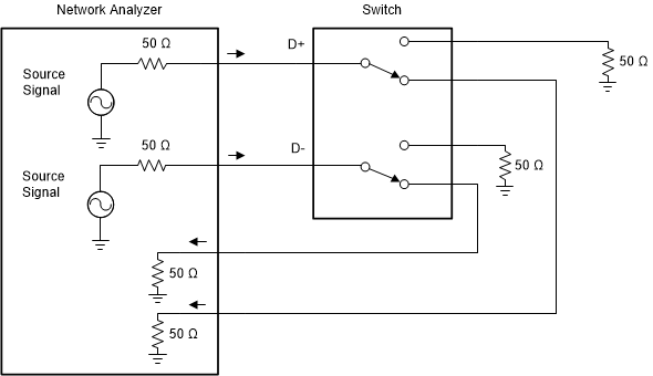
Channel ON, RON = V/ISINK
Figure 5. ON-State Resistance (RON)
TS5USBC41 scds367_off_leakage.gifFigure 6. Off Leakage
TS5USBC41 scds367_on_leakage.gifFigure 7. On Leakage
TS5USBC41 scds372_tsk_switch_timing.gif
All input pulses are supplied by generators having the following characteristics: PRR ≤ 10 MHz, ZO = 50 Ω, tr < 500 ps, tf < 500 ps.
CL includes probe and jig capacitance.
Figure 8. tSWITCH Timing
TS5USBC41 scds372_t_on_t_off_oe_bar.gif
All input pulses are supplied by generators having the following characteristics: PRR = 10 MHz, ZO = 50 Ω, tr < 500 ps, tf < 500 ps.
CL includes probe and jig capacitance.
Figure 9. tON, tOFF for OE
TS5USBC41 scds372_off_isolation.gifFigure 10. Off Isolation
TS5USBC41 scds372_xtalk.gifFigure 11. Cross Talk
TS5USBC41 scds372_bw.gifFigure 12. BW and Insertion Loss
TS5USBC41 scds377_timing_diagram.gifFigure 13. tEN_OVP and tDIS_OVP Timing Diagram
TS5USBC41 scds372_11prr.gif
All input pulses are supplied by generators having the following characteristics: PRR = 240 MHz, ZO = 50 Ω, tr < 500 ps, tf < 500 ps.
CL includes probe and jig capacitance.
Figure 14. tPD
TS5USBC41 scds372_tsk.gif
All input pulses are supplied by generators having the following characteristics: PRR ≤ 10 MHz, ZO = 50 Ω, tr < 500 ps, tf < 500 ps.
CL includes probe and jig capacitance.
Figure 15. tSK