ZHCSHG2E January   2018  – April 2019 TS5MP646

PRODUCTION DATA.  

  1. 特性
  2. 应用
  3. 说明
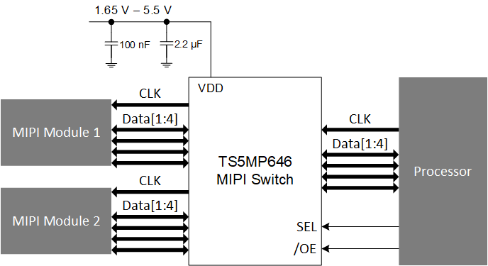
    1.     Device Images
      1.      D-PHY 简化原理图
      2.      C-PHY 简化原理图
  4. 修订历史记录
  5. Pin Configuration and Functions
    1.     Pin Functions
  6. Specifications
    1. 6.1 Absolute Maximum Ratings
    2. 6.2 ESD Ratings
    3. 6.3 Recommended Operating Conditions
    4. 6.4 Thermal Information
    5. 6.5 Electrical Characteristics
    6. 6.6 Typical Characteristics
  7. Parameter Measurement Information
  8. Detailed Description
    1. 8.1 Overview
    2. 8.2 Functional Block Diagram
    3. 8.3 Feature Description
      1. 8.3.1 Powered-Off Protection
      2. 8.3.2 1.8-V Logic Compatible Inputs
      3. 8.3.3 Low Power Disable Mode
    4. 8.4 Device Functional Modes
      1. 8.4.1 Pin Functions
      2. 8.4.2 Low Power Disable Mode
      3. 8.4.3 Switch Enabled Mode
  9. Application and Implementation
    1. 9.1 Application Information
    2. 9.2 Typical Application
      1. 9.2.1 Design Requirements
      2. 9.2.2 Detailed Design Procedure
      3. 9.2.3 Application Curves
        1. 9.2.3.1 MIPI D-PHY Application
        2. 9.2.3.2 MIPI C-PHY Application
  10. 10Power Supply Recommendations
  11. 11Layout
    1. 11.1 Layout Guidelines
    2. 11.2 Layout Example
  12. 12器件和文档支持
    1. 12.1 文档支持
    2. 12.2 接收文档更新通知
    3. 12.3 社区资源
    4. 12.4 商标
    5. 12.5 静电放电警告
    6. 12.6 术语表
  13. 13机械、封装和可订购信息

封装选项

机械数据 (封装 | 引脚)
散热焊盘机械数据 (封装 | 引脚)
订购信息

Device Images

D-PHY 简化原理图

TS5MP646 Simplified_DPHY_schematic.gif

C-PHY 简化原理图

TS5MP646 Simplified_CPHY_schematic.gif