ZHCSHM0E FEBRUARY   2005  – February 2018 TS5A3166

PRODUCTION DATA.  

  1. 特性
  2. 应用
  3. 说明
    1.     简化原理图
  4. 修订历史记录
  5. Pin Configuration and Functions
    1.     Pin Functions
  6. Specifications
    1. 6.1 Absolute Maximum Ratings
    2. 6.2 ESD Ratings
    3. 6.3 Recommended Operating Conditions
    4. 6.4 Thermal Information
    5. 6.5 Electrical Characteristics for 5-V Supply
    6. 6.6 Electrical Characteristics for 3.3-V Supply
    7. 6.7 Electrical Characteristics for 2.5-V Supply
    8. 6.8 Electrical Characteristics for 1.8-V Supply
    9. 6.9 Typical Characteristics
  7. Parameter Measurement Information
  8. Detailed Description
    1. 8.1 Overview
    2. 8.2 Functional Block Diagram
    3. 8.3 Feature Description
    4. 8.4 Device Functional Modes
  9. Application and Implementation
    1. 9.1 Application Information
    2. 9.2 Typical Application
      1. 9.2.1 Design Requirements
      2. 9.2.2 Detailed Design Procedure
      3. 9.2.3 Application Curves
  10. 10Power Supply Recommendations
  11. 11Layout
    1. 11.1 Layout Guidelines
    2. 11.2 Layout Example
  12. 12器件和文档支持
    1. 12.1 器件支持
      1. 12.1.1 器件命名规则
    2. 12.2 社区资源
    3. 12.3 商标
    4. 12.4 静电放电警告
    5. 12.5 Glossary
  13. 13机械、封装和可订购信息

封装选项

机械数据 (封装 | 引脚)
散热焊盘机械数据 (封装 | 引脚)
订购信息

Parameter Measurement Information

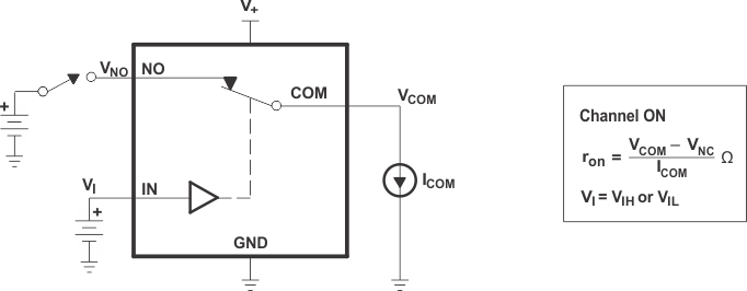
TS5A3166 fig1_cds186.gifFigure 13. ON-State Resistance (ron)
TS5A3166 fig2_cds186.gifFigure 14. OFF-State Leakage Current (ICOM(OFF), INO(OFF), ICOM(PWROFF), INO(PWR(FF))
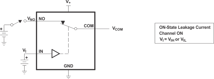
TS5A3166 fig3_cds186.gifFigure 15. ON-State Leakage Current (ICOM(ON), INO(ON))
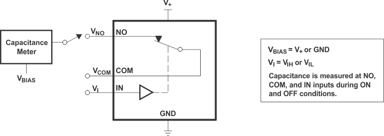
TS5A3166 fig4_cds186.gifFigure 16. Capacitance (CI, CCOM(OFF), CCOM(ON), CNO(OFF), CNO(ON))
TS5A3166 fig5_cds186.gif
All input pulses are supplied by generators having the following characteristics: PRR ≤ 10 MHz, ZO = 50 Ω, tr< 5 ns,
tf< 5 ns.
CL includes probe and jig capacitance.
Figure 17. Turnon (tON) and Turnoff Time (tOFF)
TS5A3166 fig6_cds186.gifFigure 18. Bandwidth (BW)
TS5A3166 fig7_cds186.gifFigure 19. OFF Isolation (OISO)
TS5A3166 fig8_cds186.gif
CL includes probe and jig capacitance.
All input pulses are supplied by generators having the following characteristics: PRR ≤ 10 MHz, ZO = 50 Ω, tr< 5 ns,
tf< 5 ns.
Figure 20. Charge Injection (QC)
TS5A3166 fig9_cds186.gif
CL includes probe and jig capacitance.
Figure 21. Total Harmonic Distortion (THD)