ZHCSHL5C February   2018  – September 2019 TS3USBCA4

PRODUCTION DATA.  

  1. 特性
  2. 应用
  3. 说明
    1.     Device Images
      1.      简化原理图
  4. 修订历史记录
  5. Pin Configuration and Functions
    1.     Pin Functions
  6. Specifications
    1. 6.1  Absolute Maximum Ratings
    2. 6.2  ESD Ratings
    3. 6.3  Recommended Operating Conditions
    4. 6.4  Thermal Information
    5. 6.5  Electrical Characteristics (3 V ≤ VCC ≤ 3.6 V)
    6. 6.6  Electrical Characteristics (2.4 V ≤ VCC ≤ 5.5 V)
    7. 6.7  Switching Characteristics (2.4 V ≤ VCC ≤ 5.5 V)
    8. 6.8  Timing Requirements (3 V ≤ VCC ≤ 3.6 V)
    9. 6.9  Timing Requirements (2.4 V ≤ VCC ≤ 5.5 V)
    10. 6.10 Timing Diagrams
    11. 6.11 Typical Characteristics
  7. Parameter Measurement Information
  8. Detailed Description
    1. 8.1 Overview
    2. 8.2 Functional Block Diagram
    3. 8.3 Feature Description
      1. 8.3.1 Analog Audio Path
      2. 8.3.2 High-Speed Paths
      3. 8.3.3 3-level Input
    4. 8.4 Device Functional Modes
    5. 8.5 Programming
    6. 8.6 Register Maps
      1. 8.6.1 TS3USBCA4 Registers
        1. 8.6.1.1 Revision_ID Register (Offset = 9h) [reset = 0h]
          1. Table 8. Revision_ID Register Field Descriptions
        2. 8.6.1.2 General_1 Register (Offset = Ah) [reset = 0h]
          1. Table 9. General_1 Register Field Descriptions
        3. 8.6.1.3 General_2 Register (Offset = Bh) [reset = 0h]
          1. Table 10. General_2 Register Field Descriptions
  9. Application and Implementation
    1. 9.1 Application Information
    2. 9.2 Typical Application
      1. 9.2.1 Design Requirements
      2. 9.2.2 Detailed Design Procedure
      3. 9.2.3 Application Curves
  10. 10Power Supply Recommendations
  11. 11Layout
    1. 11.1 Layout Guidelines
    2. 11.2 Layout Example
  12. 12器件和文档支持
    1. 12.1 接收文档更新通知
    2. 12.2 支持资源
    3. 12.3 商标
    4. 12.4 静电放电警告
    5. 12.5 Glossary
  13. 13机械、封装和可订购信息

封装选项

机械数据 (封装 | 引脚)
散热焊盘机械数据 (封装 | 引脚)
订购信息

Parameter Measurement Information

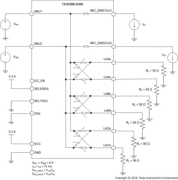
TS3USBCA4 Ron_AGND_Meas_Setup_Fig8-1.gifFigure 7. ON-State Resistance for the Analog Audio GND (RON_AGND)
TS3USBCA4 Ron_HS_Meas_Setup_Fig8-2.gifFigure 8. ON-State Resistance for High-Speed Data Paths (RON_HS)
TS3USBCA4 CON_Meas_Setup_Fig8-3.gifFigure 9. ON-State and OFF-State Output Capacitance for High-Speed Data Paths (CON_HS, COFF_HS)
TS3USBCA4 PSR_Meas_Setup_8-4.gifFigure 10. Power Supply Rejection (PSR)
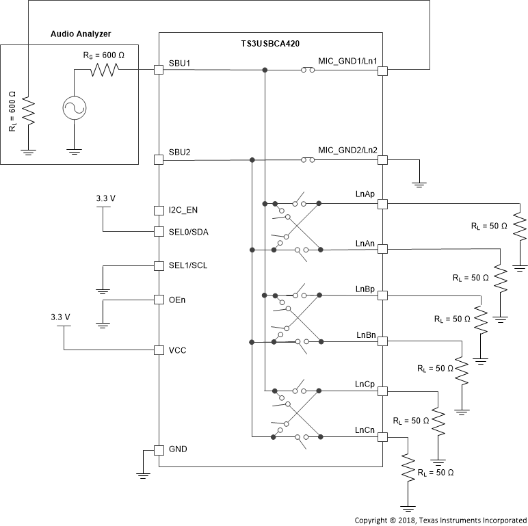
TS3USBCA4 THD_Meas_Setup_Fig8-5.gifFigure 11. Total Harmonic Distortion (THD)
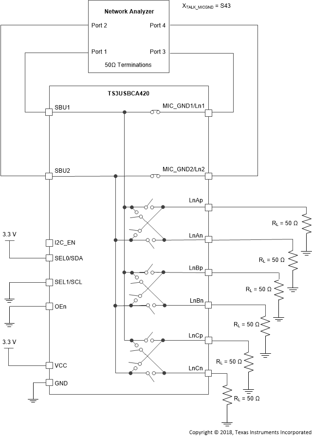
TS3USBCA4 XTALK_Meas_Setup_Fig8-6.gifFigure 12. Crosstalk Between MIC and AGND (XTALKMICGND)
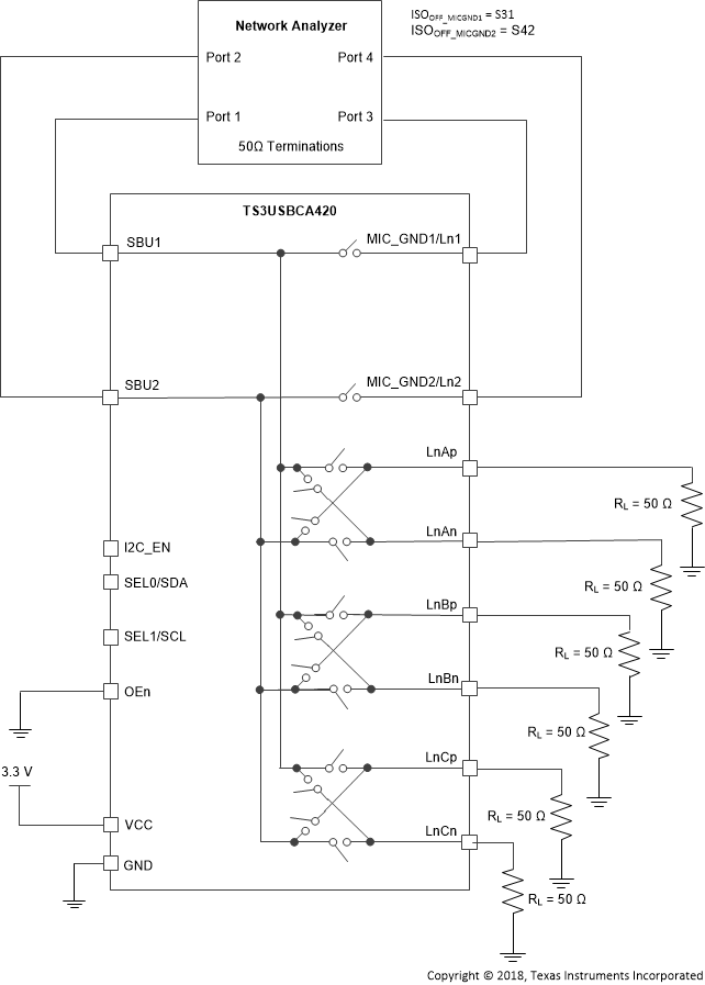
TS3USBCA4 ISO_Meas_Setup_Fig8-7.gifFigure 13. OFF Isolation (ISOOFF_MICGND)
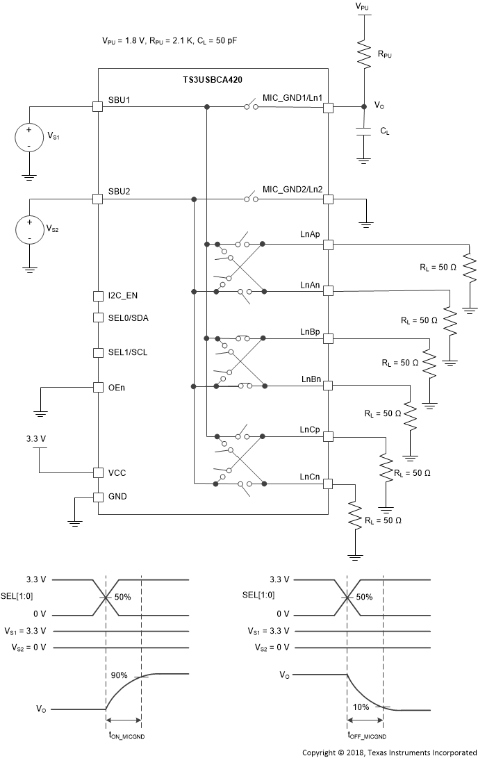
TS3USBCA4 tON_tOFF_Meas_MICGND_Setup_Fig8-8.gifFigure 14. Turn-ON time (tON) and Turn-OFF time (tOFF) for MIC and AGND
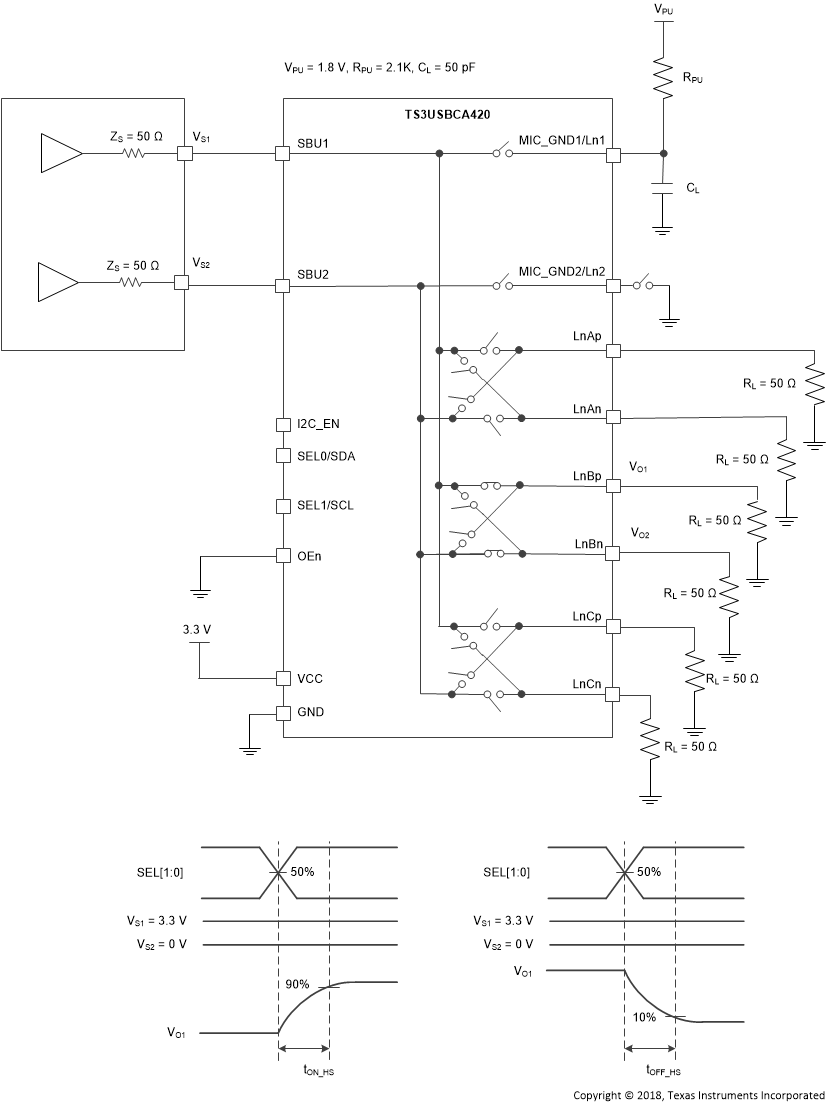
TS3USBCA4 tON_tOFF_HS_Meas_Setup_Fig8-9.gifFigure 15. Turn-ON time (tON) and Turn-OFF time (tOFF) for High-Speed Data Paths
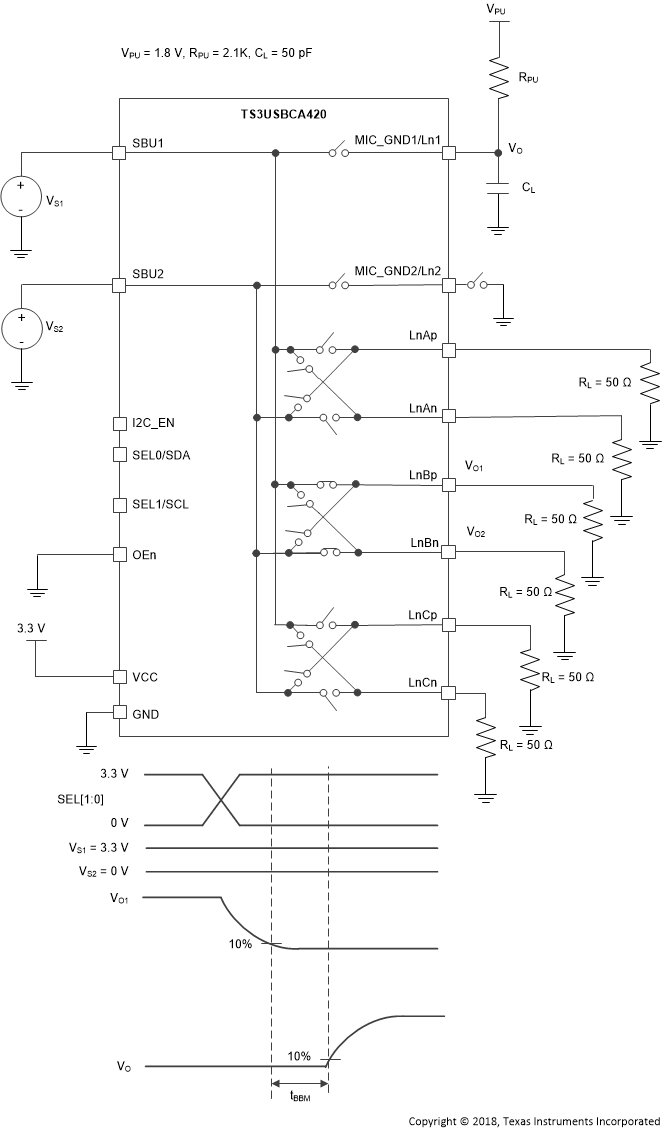
TS3USBCA4 tBBM_Meas_Setup_Fig8-10.gifFigure 16. Break-Before-Make Time (tBBM)