SCDS256A October   2009  – September 2016 TS3USB31E

PRODUCTION DATA.  

  1. Features
  2. Applications
  3. Description
  4. Revision History
  5. Pin Configuration and Functions
  6. Specifications
    1. 6.1 Absolute Maximum Ratings
    2. 6.2 ESD Ratings
    3. 6.3 Recommended Operating Conditions
    4. 6.4 Thermal Information
    5. 6.5 Electrical Characteristics
    6. 6.6 Dynamic Electrical Characteristics
    7. 6.7 Switching Characteristics
  7. Application Information
  8. Parameter Measurement Information
  9. Detailed Description
    1. 9.1 Overview
    2. 9.2 Functional Block Diagram
    3. 9.3 Feature Description
      1. 9.3.1 IOFF Supports Partial Power-Down Mode Operation
    4. 9.4 Device Functional Modes
  10. 10Application and Implementation
    1. 10.1 Application Information
    2. 10.2 Typical Application
      1. 10.2.1 Design Requirements
      2. 10.2.2 Detailed Design Procedure
      3. 10.2.3 Application Curves
  11. 11Power Supply Recommendations
  12. 12Layout
    1. 12.1 Layout Guidelines
    2. 12.2 Layout Example
  13. 13Device and Documentation Support
    1. 13.1 Documentation Support
      1. 13.1.1 Related Documentation
    2. 13.2 Receiving Notification of Documentation Updates
    3. 13.3 Community Resource
    4. 13.4 Trademarks
    5. 13.5 Electrostatic Discharge Caution
    6. 13.6 Glossary
  14. 14Mechanical, Packaging, and Orderable Information

封装选项

机械数据 (封装 | 引脚)
散热焊盘机械数据 (封装 | 引脚)
订购信息

8 Parameter Measurement Information

TS3USB31E pmi18_cds237_SCDS256.gif
1. All input pulses are supplied by generators having the following characteristics: PRR ≤ 10 MHz, ZO = 50 Ω, tr < 5 ns, tf < 5 ns.
2. CL includes probe and jig capacitance.
Figure 4. Turnon (tON) and Turnoff Time (tOFF)
TS3USB31E pmi21a_cds242_SCDS256.gif Figure 5. OFF Isolation (OIRR)
TS3USB31E pmi22_cds242_SCDS256.gif Figure 6. Crosstalk (XTALK)
TS3USB31E pmi10a_cds242_SCDS256.gif Figure 7. Bandwidth (BW)
TS3USB31E prop_delay_cds242.gif Figure 8. Propagation Delay
TS3USB31E skew_cds242.gif Figure 9. Skew Test
TS3USB31E pmi14a_cds242_SCDS256.gif Figure 10. ON-State Resistance (ron)
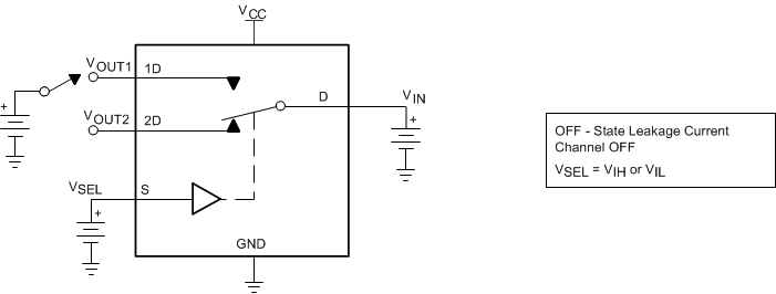
TS3USB31E pmi15_cds242_SCDS256.gif Figure 11. OFF-State Leakage Current
TS3USB31E pmi17a_cds242_SCDS256.gif Figure 12. Capacitance