ZHCSWL7C November   2008  – October 2024 TS3USB221A

PRODUCTION DATA  

  1.   1
  2. 特性
  3. 应用
  4. 说明
  5. Pin Configuration and Functions
  6. Specifications
    1. 5.1  Absolute Maximum Ratings
    2. 5.2  ESD Ratings
    3. 5.3  Recommended Operating Conditions
    4. 5.4  Thermal Information
    5. 5.5  Electrical Characteristics
    6. 5.6  Dynamic Electrical Characteristics, VCC = 3.3V ±10%
    7. 5.7  Dynamic Electrical Characteristics, VCC = 2.5V ±10%
    8. 5.8  Switching Characteristics, VCC = 3.3V ±10%
    9. 5.9  Switching Characteristics, VCC = 2.5V ±10%
    10. 5.10 Typical Characteristics
  7. Parameter Measurement Information
  8. Detailed Description
    1. 7.1 Overview
    2. 7.2 Functional Block Diagram
    3. 7.3 Feature Description
      1. 7.3.1 Low Power Mode
    4. 7.4 Device Functional Modes
  9. Application and Implementation
    1. 8.1 Application Information
    2. 8.2 Typical Application
      1. 8.2.1 Design Requirements
      2. 8.2.2 Detailed Design Procedure
      3. 8.2.3 Application Curves
    3. 8.3 Power Supply Recommendations
    4. 8.4 Layout
      1. 8.4.1 Layout Guidelines
      2. 8.4.2 Layout Example
  10. Device and Documentation Support
    1. 9.1 接收文档更新通知
    2. 9.2 支持资源
    3. 9.3 Trademarks
    4. 9.4 静电放电警告
    5. 9.5 术语表
  11. 10Revision History
  12. 11Mechanical, Packaging, and Orderable Information

封装选项

机械数据 (封装 | 引脚)
散热焊盘机械数据 (封装 | 引脚)
订购信息

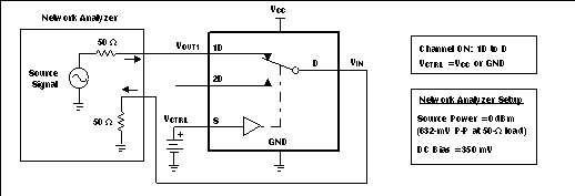
Parameter Measurement Information

TS3USB221A Turn-On
                        (tON) and Turn-Off Time (tOFF) Figure 6-1 Turn-On (tON) and Turn-Off Time (tOFF)
TS3USB221A OFF
                    Isolation (OISO) Figure 6-2 OFF Isolation (OISO)
TS3USB221A Crosstalk
                        (XTALK) Figure 6-3 Crosstalk (XTALK)
TS3USB221A Bandwidth
                    (BW) Figure 6-4 Bandwidth (BW)
TS3USB221A Propagation Delay Figure 6-5 Propagation Delay
TS3USB221A Skew
                    Test Figure 6-6 Skew Test
TS3USB221A ON-State
                    Resistance (ron) Figure 6-7 ON-State Resistance (ron)
TS3USB221A OFF-State
                    Leakage Current Figure 6-8 OFF-State Leakage Current
TS3USB221A Capacitance Figure 6-9 Capacitance