SCDS300E July   2010  – June 2020 TS3USB221A-Q1

PRODUCTION DATA.  

  1. Features
  2. Applications
  3. Description
    1.     Device Images
      1.      Block Diagram
  4. Revision History
  5. Pin Configuration and Functions
    1.     Pin Functions
  6. Specifications
    1. 6.1  Absolute Maximum Ratings
    2. 6.2  ESD Ratings
    3. 6.3  Recommended Operating Conditions
    4. 6.4  Thermal Information
    5. 6.5  Electrical Characteristics
    6. 6.6  Dynamic Electrical Characteristics: VCC = 3.3 V
    7. 6.7  Dynamic Electrical Characteristics: VCC = 2.5 V
    8. 6.8  Switching Characteristics: VCC = 3.3 V
    9. 6.9  Switching Characteristics: VCC = 2.5 V
    10. 6.10 Typical Characteristics
  7. Parameter Measurement Information
  8. Detailed Description
    1. 8.1 Overview
    2. 8.2 Functional Block Diagram
    3. 8.3 Feature Description
      1. 8.3.1 Low Power Mode
    4. 8.4 Device Functional Modes
  9. Application and Implementation
    1. 9.1 Application Information
    2. 9.2 Typical Application
      1. 9.2.1 Design Requirements
      2. 9.2.2 Detailed Design Procedure
      3. 9.2.3 Application Curves
  10. 10Power Supply Recommendations
  11. 11Layout
    1. 11.1 Layout Guidelines
    2. 11.2 Layout Example
  12. 12Device and Documentation Support
    1. 12.1 Receiving Notification of Documentation Updates
    2. 12.2 Community Resource
    3. 12.3 Trademarks
    4. 12.4 Electrostatic Discharge Caution
    5. 12.5 Glossary
  13. 13Mechanical, Packaging, and Orderable Information

封装选项

机械数据 (封装 | 引脚)
散热焊盘机械数据 (封装 | 引脚)
订购信息

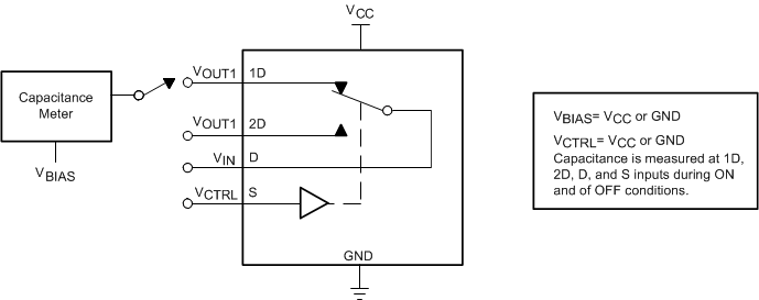
Parameter Measurement Information

TS3USB221A-Q1 pmi18_cds277.gifFigure 6. Turn-On (tON) and Turn-Off Time (tOFF)
TS3USB221A-Q1 pmi21a_cds277.gifFigure 7. OFF Isolation (OISO)
TS3USB221A-Q1 pmi22_cds277.gifFigure 8. Crosstalk (XTALK)
TS3USB221A-Q1 pmi20a_cds277.gifFigure 9. Bandwidth (BW)
TS3USB221A-Q1 prop_delay_cds277.gifFigure 10. Propagation Delay
TS3USB221A-Q1 skew_cds277.gifFigure 11. Skew Test
TS3USB221A-Q1 pmi14a_cds277.gifFigure 12. ON-State Resistance (ron)
TS3USB221A-Q1 pmi15_cds277.gifFigure 13. OFF-State Leakage Current
TS3USB221A-Q1 pmi17a_cds277.gifFigure 14. Capacitance