ZHCSWP3A June   2007  – July 2024 TRS213

PRODUCTION DATA  

  1.   1
  2. 特性
  3. 应用
  4. 说明
  5. Pin Configuration and Functions
  6. Specifications
    1. 5.1  Absolute Maximum Ratings
    2. 5.2  Recommended Operating Conditions
    3. 5.3  Thermal Information
    4. 5.4  Electrical Characteristics
    5. 5.5  Electrical Characteristics, Driver
    6. 5.6  Switching Characteristics, Driver
    7. 5.7  ESD Protection, Driver
    8. 5.8  Electrical Characteristics, Receiver
    9. 5.9  Switching Characteristics, Receiver
    10. 5.10 ESD Protection, Receiver
  7. Parameter Measurement Information
  8. Functional Modes
  9. Application and Implementation
    1. 8.1 Typical Application
  10. Device and Documentation Support
    1. 9.1 接收文档更新通知
    2. 9.2 支持资源
    3. 9.3 商标
    4. 9.4 静电放电警告
    5. 9.5 术语表
  11. 10Revision History
  12. 11Mechanical, Packaging, and Orderable Information

封装选项

机械数据 (封装 | 引脚)
散热焊盘机械数据 (封装 | 引脚)
订购信息

说明

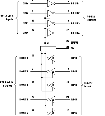
TRS213 器件由四个线路驱动器、五个线路接收器和一个双电荷泵电路组成,具有引脚对引脚(串行端口连接引脚,包括 GND)±15kV ESD 保护。该器件符合 TIA/EIA-232-F 的要求并在异步通信控制器与串行端口连接器之间提供电气接口。电荷泵和四个小型外部电容器支持由单个 5V 电源供电。这些器件以高达 120kbit/s 的数据信号传输速率和最高 30V/µs 的驱动器输出压摆率运行。

TRS213 具有一个低电平有效关断 (SHDN) 和一个高电平有效使能控制 (EN)。在关断模式下,电荷泵会关闭,V+ 被下拉至 VCC、V– 被拉至 GND,且发送器输出被禁用。这通常会将电源电流降低至 1µA。TRS213 的两个接收器在关断期间处于运行状态。

封装信息
器件型号封装(1)封装尺寸(2)
TRS213DB (SSOP)10.2mm x 7.8mm
DW (SOIC)17.9mm x 10.3mm
有关更多信息,请参阅节 11
封装尺寸(长 × 宽)为标称值,并包括引脚(如适用)。


TRS213 逻辑图(正逻辑)逻辑图(正逻辑)