ZHCSFS7B December   2016  – July 2017 TPSM84A22

PRODUCTION DATA.  

  1. 特性
  2. 应用
  3. 说明
  4. 修订历史记录
  5. Pin Configuration and Functions
  6. Specifications
    1. 6.1 Absolute Maximum Ratings
    2. 6.2 ESD Ratings
    3. 6.3 Recommended Operating Conditions
    4. 6.4 Thermal Information
    5. 6.5 Electrical Characteristics
    6. 6.6 Switching Characteristics
    7. 6.7 Package Specifications
    8. 6.8 Typical Characteristics
  7. Detailed Description
    1. 7.1 Overview
    2. 7.2 Functional Block Diagram
    3. 7.3 Feature Description
      1. 7.3.1  Adjusting the Output Voltage (VADJ)
      2. 7.3.2  Input and Output Capacitance
      3. 7.3.3  Transient Response
        1. 7.3.3.1 Transient Response Waveforms
      4. 7.3.4  Oscillator Frequency
      5. 7.3.5  External Clock Syncronization
      6. 7.3.6  Soft Start
      7. 7.3.7  Power Good (PGOOD)
      8. 7.3.8  Gate Driver (VG)
      9. 7.3.9  Startup into Pre-biased Outputs
      10. 7.3.10 Thermal Shutdown
      11. 7.3.11 Overcurrent Protection
      12. 7.3.12 Output Undervoltage/Overvoltage Protection
      13. 7.3.13 Enable (EN)
      14. 7.3.14 Undervoltage Lockout (UVLO)
    4. 7.4 Device Functional Modes
      1. 7.4.1 Active Mode
      2. 7.4.2 Light Load Operation
      3. 7.4.3 Shutdown Mode
  8. Application and Implementation
    1. 8.1 Application Information
    2. 8.2 Typical Application
      1. 8.2.1 Design Requirements
      2. 8.2.2 Detailed Design Procedure
        1. 8.2.2.1 Setting the Output Voltage
        2. 8.2.2.2 Input and Output Capacitance
        3. 8.2.2.3 Power Good (PGOOD)
        4. 8.2.2.4 External VG Voltage
      3. 8.2.3 Application Curves
  9. Power Supply Recommendations
  10. 10Layout
    1. 10.1 Layout Guidelines
    2. 10.2 Layout Examples
    3. 10.3 EMI
  11. 11器件和文档支持
    1. 11.1 文档支持
      1. 11.1.1 相关文档
    2. 11.2 接收文档更新通知
    3. 11.3 社区资源
    4. 11.4 商标
    5. 11.5 静电放电警告
    6. 11.6 Glossary
  12. 12机械、封装和可订购信息

封装选项

机械数据 (封装 | 引脚)
散热焊盘机械数据 (封装 | 引脚)
订购信息

Layout

Layout Guidelines

To achieve optimal electrical and thermal performance, an optimized PCB layout is required. Figure 21 and Figure 23 show typical, top-side PCB layouts. Some considerations for an optimized layout are:

  • Use large copper areas for power planes (VIN, VOUT, and PGND) to minimize conduction loss and thermal stress.
  • When adding input and output ceramic capacitors, place them close to the device pins to minimize high frequency noise.
  • Locate any additional output capacitors between the ceramic capacitors and the load.
  • Keep AGND and PGND separate from one another. The connection is made internal to the device.
  • Place RSET as close as possible to the VADJ pin.
  • Use multiple vias to connect the power planes to internal layers.

Layout Examples

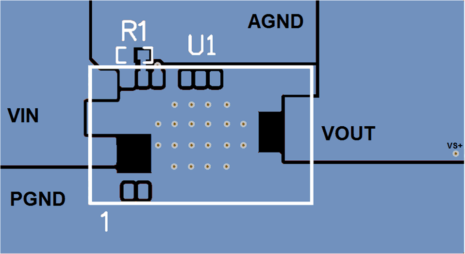
The layout shown in Figure 21 shows the minimum solution size with only a single voltage setting resistor (R1) as the only additional required component. Figure 22 shows a typical internal PCB layer with a trace connecting the VS+ pin to VOUT near the load.

TPSM84A22 ToplayerMin2.gif Figure 21. Minimum Component Layout
TPSM84A22 Innerlayer.gif Figure 22. VS+ Trace on Internal Layer

Figure 23 shows a layout with the placement of additional ceramic input capacitors (C1, C3) and ceramic output capacitors (C2, C4) for designs that require additional ripple reduction or improved transient response. Figure 24 shows a typical internal PCB layer with a trace connecting the VS+ pin to VOUT near the load.

TPSM84A22 Toplayer2.gif Figure 23. Layout with Optional CIN and COUT
TPSM84A22 Innerlayer2.gif Figure 24. VS+ Trace on Internal Layer

EMI

The TPSM84A22 is compliant with EN55022 Class B radiated emissions. Figure 25 to Figure 28 show typical examples of radiated emissions plots for the TPSM84A22. Graphs included show plots of the antenna in the horizontal and vertical positions.

TPSM84A22 A21EMI12Horiz2.gif Figure 25. Radiated Emissions 12-V Input, 1.2-V Output,
10-A Load, Horizontal Antenna
TPSM84A22 A22EMI18Horiz.gif
Figure 27. Radiated Emissions 12-V Input, 1.8-V Output,
10-A Load, Horizontal Antenna
TPSM84A22 A21EMI12Vert2.gif Figure 26. Radiated Emissions 12-V Input, 1.2-V Output,
10-A Load, Vertical Antenna
TPSM84A22 A22EMI18Vert.gif
Figure 28. Radiated Emissions 12-V Input, 1.8-V Output,
10-A Load, Vertical Antenna