ZHCSFS5 December   2016 TPSM84A21

PRODUCTION DATA.  

  1. 降压稳压器
  2. 应用
  3. 说明
  4. 修订历史记录
  5. Pin Configuration and Functions
  6. Specifications
    1. 6.1 Absolute Maximum Ratings
    2. 6.2 ESD Ratings
    3. 6.3 Recommended Operating Conditions
    4. 6.4 Thermal Information
    5. 6.5 Electrical Characteristics
    6. 6.6 Switching Characteristics
    7. 6.7 Package Specifications
    8. 6.8 Typical Characteristics
  7. Detailed Description
    1. 7.1 Overview
    2. 7.2 Functional Block Diagram
    3. 7.3 Feature Description
      1. 7.3.1  Adjusting the Output Voltage (VADJ)
      2. 7.3.2  Input and Output Capacitance
      3. 7.3.3  Transient Response
        1. 7.3.3.1 Transient Response Waveforms
      4. 7.3.4  Oscillator Frequency
      5. 7.3.5  External Clock Syncronization
      6. 7.3.6  Soft Start
      7. 7.3.7  Power Good (PGOOD)
      8. 7.3.8  Gate Driver (VG)
      9. 7.3.9  Startup into Pre-biased Outputs
      10. 7.3.10 Thermal Shutdown
      11. 7.3.11 Overcurrent Protection
      12. 7.3.12 Output Undervoltage/Overvoltage Protection
      13. 7.3.13 Enable (EN)
      14. 7.3.14 Undervoltage Lockout (UVLO)
    4. 7.4 Device Functional Modes
      1. 7.4.1 Active Mode
      2. 7.4.2 Light Load Operation
      3. 7.4.3 Shutdown Mode
  8. Application and Implementation
    1. 8.1 Application Information
    2. 8.2 Typical Application
      1. 8.2.1 Design Requirements
      2. 8.2.2 Detailed Design Procedure
        1. 8.2.2.1 Setting the Output Voltage
        2. 8.2.2.2 Input and Output Capacitance
        3. 8.2.2.3 Power Good (PGOOD)
        4. 8.2.2.4 External VG Voltage
      3. 8.2.3 Application Curves
  9. Power Supply Recommendations
  10. 10Layout
    1. 10.1 Layout Guidelines
    2. 10.2 Layout Examples
  11. 11器件和文档支持
    1. 11.1 文档支持
      1. 11.1.1 相关文档 
    2. 11.2 接收文档更新通知
    3. 11.3 社区资源
    4. 11.4 商标
    5. 11.5 静电放电警告
    6. 11.6 Glossary
  12. 12机械、封装和可订购信息

封装选项

机械数据 (封装 | 引脚)
散热焊盘机械数据 (封装 | 引脚)
订购信息

Layout

Layout Guidelines

To achieve optimal electrical and thermal performance, an optimized PCB layout is required. Figure 20 and Figure 22 show typical, top-side PCB layouts. Some considerations for an optimized layout are:

  • Use large copper areas for power planes (VIN, VOUT, and PGND) to minimize conduction loss and thermal stress.
  • When adding input and output ceramic capacitors, place them close to the device pins to minimize high frequency noise.
  • Locate any additional output capacitors between the ceramic capacitors and the load.
  • Keep AGND and PGND separate from one another. The connection is made internal to the device.
  • Place RSET as close as possible to the VADJ pin.
  • Use multiple vias to connect the power planes to internal layers.

Layout Examples

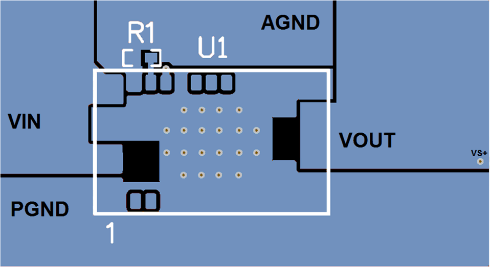
The layout shown in Figure 20 shows the minimum solution size with only a single voltage setting resistor (R1) as the only additional required component. Figure 21 shows a typical internal PCB layer with a trace connecting the VS+ pin to VOUT near the load.

TPSM84A21 ToplayerMin2.gif Figure 20. Minimum Component Layout
TPSM84A21 Innerlayer.gif Figure 21. VS+ Trace on Internal Layer

Figure 22 shows a layout with the placement of additional ceramic input capacitors (C1, C3) and ceramic output capacitors (C2, C4) for designs that require additional ripple reduction or improved transient response. Figure 23 shows a typical internal PCB layer with a trace connecting the VS+ pin to VOUT near the load

TPSM84A21 Toplayer2.gif Figure 22. Layout with Optional CIN and COUT
TPSM84A21 Innerlayer2.gif Figure 23. VS+ Trace on Internal Layer