ZHCSHH6B January   2018  – JANUARY 2019 TPSM846C24

PRODUCTION DATA.  

  1. 特性
  2. 应用
  3. 说明
    1.     Device Images
      1.      简化电路原理图
      2.      效率与输出电流间的关系
  4. 修订历史记录
  5. Pin Configuration and Functions
    1.     Pin Functions
  6. Specifications
    1. 6.1 Absolute Maximum Ratings
    2. 6.2 ESD Ratings
    3. 6.3 Recommended Operating Conditions
    4. 6.4 Thermal Information
    5. 6.5 Electrical Characteristics
    6. 6.6 Switching Characteristics
    7. 6.7 Typical Characteristics (VIN = 12 V)
    8. 6.8 Typical Characteristics (VIN = 5 V)
  7. Detailed Description
    1. 7.1 Overview
    2. 7.2 Functional Block Diagram
    3. 7.3 Feature Description
      1. 7.3.1  Minimum Capacitance Requirements
      2. 7.3.2  Setting the Compensation Network
      3. 7.3.3  Transient Response
      4. 7.3.4  Setting the Output Voltage
      5. 7.3.5  Differential Remote Sense
      6. 7.3.6  Switching Frequency and Synchronization
        1. 7.3.6.1 Setting the Switching Frequency
        2. 7.3.6.2 Synchronization
          1. 7.3.6.2.1 Stand-Alone Device Synchronization
          2. 7.3.6.2.2 Paralleled Devices Synchronization
      7. 7.3.7  Prebiased Output Start-Up
      8. 7.3.8  Power-Good (PGOOD) Indicator
      9. 7.3.9  Linear Regulators BP3 and BP6
      10. 7.3.10 Parallel Application
      11. 7.3.11 Parallel Operation
      12. 7.3.12 Overtemperature Protection
      13. 7.3.13 Overcurrent Protection
      14. 7.3.14 Output Overvoltage and Undervoltage Protection
    4. 7.4 Device Functional Modes
      1. 7.4.1 Active Mode
      2. 7.4.2 Shutdown Mode
  8. Application and Implementation
    1. 8.1 Typical Application
      1. 8.1.1 Design Requirements
      2. 8.1.2 Detailed Design Procedure
        1. 8.1.2.1 Custom Design With WEBENCH® Tools
        2. 8.1.2.2 Setting the Output Voltage
        3. 8.1.2.3 Input and Output Capacitance
        4. 8.1.2.4 Selecting the Compensation Components
        5. 8.1.2.5 Setting the Switching Frequency
        6. 8.1.2.6 Power Good (PGOOD)
        7. 8.1.2.7 ON/OFF Control (EN)
      3. 8.1.3 Application Curves
  9. Power Supply Recommendations
  10. 10Layout
    1. 10.1 Layout Guidelines
    2. 10.2 Layout Example
    3. 10.3 Package Specifications
    4. 10.4 EMI
    5. 10.5 Mounting and Thermal Profile Recommendation
  11. 11器件和文档支持
    1. 11.1 器件支持
      1. 11.1.1 开发支持
        1. 11.1.1.1 使用 WEBENCH® 工具创建定制设计
    2. 11.2 接收文档更新通知
    3. 11.3 社区资源
    4. 11.4 商标
    5. 11.5 静电放电警告
    6. 11.6 术语表
  12. 12机械、封装和可订购信息
    1. 12.1 Tape and Reel Information

封装选项

机械数据 (封装 | 引脚)
散热焊盘机械数据 (封装 | 引脚)
订购信息

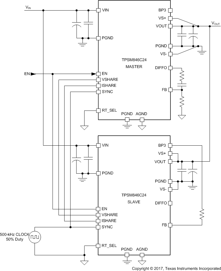
Parallel Application

Two TPSM846C24 devices can be paralleled for increased output current up to 70 A. Multiple connections must be made between the paralleled devices and the component selection is slightly different than for a stand-alone TPSM846C24 device. Figure 16 shows a typical schematic for two TPSM846C24 devices in parallel. Parallel operation can be evaluated using the TPSM846C24DEVM-007 evaluation board.

TPSM846C24 ASegerParallel1.gifFigure 16. TPSM846C24 Parallel