ZHCSHH6B January   2018  – JANUARY 2019 TPSM846C24

PRODUCTION DATA.  

  1. 特性
  2. 应用
  3. 说明
    1.     Device Images
      1.      简化电路原理图
      2.      效率与输出电流间的关系
  4. 修订历史记录
  5. Pin Configuration and Functions
    1.     Pin Functions
  6. Specifications
    1. 6.1 Absolute Maximum Ratings
    2. 6.2 ESD Ratings
    3. 6.3 Recommended Operating Conditions
    4. 6.4 Thermal Information
    5. 6.5 Electrical Characteristics
    6. 6.6 Switching Characteristics
    7. 6.7 Typical Characteristics (VIN = 12 V)
    8. 6.8 Typical Characteristics (VIN = 5 V)
  7. Detailed Description
    1. 7.1 Overview
    2. 7.2 Functional Block Diagram
    3. 7.3 Feature Description
      1. 7.3.1  Minimum Capacitance Requirements
      2. 7.3.2  Setting the Compensation Network
      3. 7.3.3  Transient Response
      4. 7.3.4  Setting the Output Voltage
      5. 7.3.5  Differential Remote Sense
      6. 7.3.6  Switching Frequency and Synchronization
        1. 7.3.6.1 Setting the Switching Frequency
        2. 7.3.6.2 Synchronization
          1. 7.3.6.2.1 Stand-Alone Device Synchronization
          2. 7.3.6.2.2 Paralleled Devices Synchronization
      7. 7.3.7  Prebiased Output Start-Up
      8. 7.3.8  Power-Good (PGOOD) Indicator
      9. 7.3.9  Linear Regulators BP3 and BP6
      10. 7.3.10 Parallel Application
      11. 7.3.11 Parallel Operation
      12. 7.3.12 Overtemperature Protection
      13. 7.3.13 Overcurrent Protection
      14. 7.3.14 Output Overvoltage and Undervoltage Protection
    4. 7.4 Device Functional Modes
      1. 7.4.1 Active Mode
      2. 7.4.2 Shutdown Mode
  8. Application and Implementation
    1. 8.1 Typical Application
      1. 8.1.1 Design Requirements
      2. 8.1.2 Detailed Design Procedure
        1. 8.1.2.1 Custom Design With WEBENCH® Tools
        2. 8.1.2.2 Setting the Output Voltage
        3. 8.1.2.3 Input and Output Capacitance
        4. 8.1.2.4 Selecting the Compensation Components
        5. 8.1.2.5 Setting the Switching Frequency
        6. 8.1.2.6 Power Good (PGOOD)
        7. 8.1.2.7 ON/OFF Control (EN)
      3. 8.1.3 Application Curves
  9. Power Supply Recommendations
  10. 10Layout
    1. 10.1 Layout Guidelines
    2. 10.2 Layout Example
    3. 10.3 Package Specifications
    4. 10.4 EMI
    5. 10.5 Mounting and Thermal Profile Recommendation
  11. 11器件和文档支持
    1. 11.1 器件支持
      1. 11.1.1 开发支持
        1. 11.1.1.1 使用 WEBENCH® 工具创建定制设计
    2. 11.2 接收文档更新通知
    3. 11.3 社区资源
    4. 11.4 商标
    5. 11.5 静电放电警告
    6. 11.6 术语表
  12. 12机械、封装和可订购信息
    1. 12.1 Tape and Reel Information

封装选项

机械数据 (封装 | 引脚)
散热焊盘机械数据 (封装 | 引脚)
订购信息

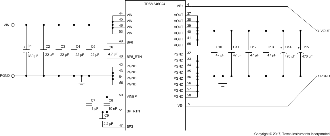
Minimum Capacitance Requirements

For proper operation, the minimum required input capacitance network consists of four 22-µF (or two 47-µF) ceramic capacitors plus a 330-µF bulk capacitor. See capacitors C1 thru C5 in Figure 13. Place the ceramic capacitors as close as possible to the VIN pins. The ground return path of the capacitors must connect to PGND pins 42, 43, 54, and 59 of the TPSM846C24.

The minimum required output capacitance network consists of four 47-µF (or two 100-µF) ceramic capacitors plus two 470-µF, low-ESR polymer capacitors. See capacitors C10 thru C15 in Figure 13. The combined ESR of the polymer capacitors must not be greater than 5 mΩ. Place the ceramic capacitors as close as possible to the VOUT and PGND pins of the module. This minimum network insures good transient response and minimal ripple amplitude. The total amount of output capacitance determines the values of the frequency compensation network. For more details see the Setting the Compensation Network section.

Additionally, the analog power path (VINBP) requires its own bypass network consisting of a 10-nF ceramic capacitor (C8 in Figure 13) and 1-µF ceramic capacitor (C7 in Figure 13) connected directly across pins 50 and 51 of the module. For proper operation, the two internal power supply rails of the module must also be bypassed. The 6.5-V rail (BP6) requires a 4.7-µF ceramic capacitor (C6 in Figure 13) placed across pins 48 and 49 of the module with short, direct traces. The 3.3-V rail (BP3) requires a 2.2-µF ceramic capacitor (C9 in Figure 13) placed very close to pins 47 and 51.

TPSM846C24 ASegerCapSch.gifFigure 13. Required Capacitor Schematic