ZHCSR76 November 2022 TPSM82901
PRODUCTION DATA
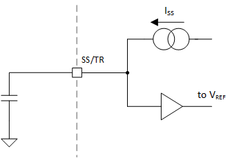
A capacitor connected between SS/TR pin and GND allows a user-programmable start-up slope of the output voltage.
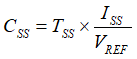
Figure 8-2 Soft-Start Operation Simplified SchematicAn internal constant current source is provided to charge the external capacitance. The capacitor required for a given soft-start ramp time is given by:

where
The fastest achievable typical ramp time is 150 µs even if the external Css capacitance is lower than 680 pF or the pin is open.