ZHCSDK4C September   2014  – January 2020 TPS92638-Q1

PRODUCTION DATA.  

  1. 特性
  2. 应用
  3. 说明
  4. 典型应用原理图
  5. 修订历史记录
  6. Pin Configuration and Functions
    1.     Pin Functions
  7. Specifications
    1. 7.1 Absolute Maximum Ratings
    2. 7.2 ESD Ratings
    3. 7.3 Recommended Operating Conditions
    4. 7.4 Thermal Information
    5. 7.5 Electrical Characteristics
    6. 7.6 Switching Characteristics
    7. 7.7 Typical Characteristics
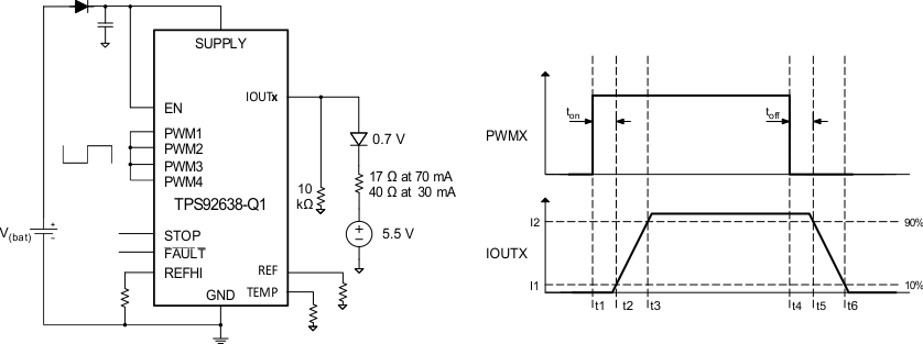
  8. Parameter Measurement Information
  9. Detailed Description
    1. 9.1 Overview
    2. 9.2 Functional Block Diagram
    3. 9.3 Feature Description
      1. 9.3.1 LED Current Setting
      2. 9.3.2 PWM Control
      3. 9.3.3 Fault Diagnostics
        1. 9.3.3.1 Open-Load Detection
      4. 9.3.4 Thermal Foldback
    4. 9.4 Device Functional Modes
  10. 10Application and Implementation
    1. 10.1 Application Information
    2. 10.2 Typical Applications
      1. 10.2.1 PWM Dimming by Bank
        1. 10.2.1.1 Design Requirements
        2. 10.2.1.2 Detailed Design Procedure
        3. 10.2.1.3 Application Performance Plots
      2. 10.2.2 Two Brightness Levels for TAIL and STOP Lights
        1. 10.2.2.1 Design Requirements
        2. 10.2.2.2 Detailed Design Procedure
      3. 10.2.3 PWM Dimming by Modulated Supply
        1. 10.2.3.1 Design Requirements
        2. 10.2.3.2 Design Procedure
      4. 10.2.4 Driving LEDs From a Single Device With Channels in Parallel
        1. 10.2.4.1 Design Requirements
        2. 10.2.4.2 Design Procedure
      5. 10.2.5 Driving LEDs From Multiple Devices With Channels in Parallel
        1. 10.2.5.1 Design Requirements
        2. 10.2.5.2 Design Procedure
  11. 11Power Supply Recommendations
  12. 12Layout
    1. 12.1 Layout Guidelines
    2. 12.2 Layout Example
    3. 12.3 Thermal Information
  13. 13器件和文档支持
    1. 13.1 商标
    2. 13.2 静电放电警告
    3. 13.3 Glossary
  14. 14机械、封装和可订购信息

封装选项

机械数据 (封装 | 引脚)
散热焊盘机械数据 (封装 | 引脚)
订购信息

Parameter Measurement Information

TPS92638-Q1 ParMeas_SLVSCK5.gifFigure 31. TPS92638-Q1 Test Circuit and Waveforms