ZHCSL08C October   2019  – August 2021 TPS8804

PRODUCTION DATA  

  1. 特性
  2. 应用
  3. 说明
  4. Revision History
  5. Pin Configuration and Functions
    1.     Pin Functions
  6. Specifications
    1. 6.1 Absolute Maximum Ratings
    2. 6.2 ESD Ratings
    3. 6.3 Recommended Operating Conditions
    4. 6.4 Thermal Information
    5. 6.5 Electrical Characteristics
    6. 6.6 Typical Characteristics
  7. Detailed Description
    1. 7.1 Overview
    2. 7.2 Functional Block Diagram
    3. 7.3 Feature Description
      1. 7.3.1 System Power-up
      2. 7.3.2 LDO Regulators
        1. 7.3.2.1 Power LDO Regulator
        2. 7.3.2.2 Internal LDO Regulator
        3. 7.3.2.3 Microcontroller LDO Regulator
      3. 7.3.3 Photo Chamber AFE
        1. 7.3.3.1 Photo Input Amplifier
        2. 7.3.3.2 Photo Gain Amplifier
      4. 7.3.4 LED Driver
        1. 7.3.4.1 LED Current Sink
        2. 7.3.4.2 LED Voltage Supply
      5. 7.3.5 Carbon Monoxide Sensor AFE
        1. 7.3.5.1 CO Transimpedance Amplifier
        2. 7.3.5.2 CO Connectivity Test
      6. 7.3.6 SLC Interface Transmitter and Receiver
        1. 7.3.6.1 SLC Transmitter
        2. 7.3.6.2 SLC Receiver
      7. 7.3.7 AMUX
      8. 7.3.8 Analog Bias Block and 8 MHz Oscillator
      9. 7.3.9 Interrupt Signal Alerts
    4. 7.4 Device Functional Modes
      1. 7.4.1 Fault States
        1. 7.4.1.1 MCU LDO Fault
        2. 7.4.1.2 Over-Temperature Fault
    5. 7.5 Programming
    6. 7.6 Register Maps
      1. 7.6.1  REVID Register (Offset = 0h) [reset = 0h]
      2. 7.6.2  STATUS1 Register (Offset = 1h) [reset = 0h]
      3. 7.6.3  STATUS2 Register (Offset = 2h) [reset = 0h]
      4. 7.6.4  MASK Register (Offset = 3h) [reset = 0h]
      5. 7.6.5  CONFIG1 Register (Offset = 4h) [reset = 20h]
      6. 7.6.6  CONFIG2 Register (Offset = 5h) [reset = 0h]
      7. 7.6.7  ENABLE1 Register (Offset = 6h) [reset = 0h]
      8. 7.6.8  ENABLE2 Register (Offset = 7h) [reset = 0h]
      9. 7.6.9  CONTROL Register (Offset = 8h) [reset = 0h]
      10. 7.6.10 GPIO_AMUX Register (Offset = Bh) [reset = 0h]
      11. 7.6.11 COSW Register (Offset = Ch) [reset = 0h]
      12. 7.6.12 CO Register (Offset = Dh) [reset = 0h]
      13. 7.6.13 LEDLDO Register (Offset = Fh) [reset = 0h]
      14. 7.6.14 PH_CTRL Register (Offset = 10h) [reset = 0h]
      15. 7.6.15 LED_DAC_A Register (Offset = 11h) [reset = 0h]
      16. 7.6.16 LED_DAC_B Register (Offset = 12h) [reset = 0h]
  8. Application and Implementation
    1. 8.1 Application Information
    2. 8.2 Typical Application
      1. 8.2.1 Design Requirements
      2. 8.2.2 Detailed Design Procedure
        1. 8.2.2.1 Photo Amplifier Component Selection
        2. 8.2.2.2 LED Driver Component Selection
        3. 8.2.2.3 LED Voltage Supply Selection
        4. 8.2.2.4 Regulator Component Selection
      3. 8.2.3 Application Curves
  9. Power Supply Recommendations
  10. 10Layout
    1. 10.1 Layout Guidelines
      1. 10.1.1 Photo Amplifier Layout
      2. 10.1.2 CO Amplifier Layout
      3. 10.1.3 Ground Plane Layout
    2. 10.2 Layout Example
  11. 11Device and Documentation Support
    1. 11.1 接收文档更新通知
    2. 11.2 支持资源
    3. 11.3 Trademarks
    4. 11.4 静电放电警告
    5. 11.5 术语表
  12. 12Mechanical, Packaging, and Orderable Information

封装选项

机械数据 (封装 | 引脚)
散热焊盘机械数据 (封装 | 引脚)
订购信息

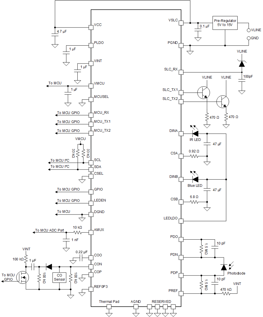
Typical Application

GUID-ADAA2592-07BE-4A7D-9E86-8299E22379E8-low.gif Figure 8-1 Dual-Wave Photoelectric Smoke and CO Detector