ZHCSF73A March   2016  – July 2016 TPS7A89

PRODUCTION DATA.  

  1. 特性
  2. 应用
  3. 说明
  4. 修订历史记录
  5. Pin Configuration and Functions
  6. Specifications
    1. 6.1 Absolute Maximum Ratings
    2. 6.2 ESD Ratings
    3. 6.3 Recommended Operating Conditions
    4. 6.4 Thermal Information
    5. 6.5 Electrical Characteristics
    6. 6.6 Typical Characteristics
  7. Detailed Description
    1. 7.1 Overview
    2. 7.2 Functional Block Diagram
    3. 7.3 Feature Description
      1. 7.3.1 Voltage Regulation Features
        1. 7.3.1.1 DC Regulation
        2. 7.3.1.2 AC and Transient Response
      2. 7.3.2 System Start-Up Features
        1. 7.3.2.1 Programmable Soft-Start (NR/SSx)
        2. 7.3.2.2 Sequencing
          1. 7.3.2.2.1 Enable (ENx)
          2. 7.3.2.2.2 Undervoltage Lockout (UVLOx) Control
          3. 7.3.2.2.3 Active Discharge
        3. 7.3.2.3 Power-Good Output (PGx)
      3. 7.3.3 Internal Protection Features
        1. 7.3.3.1 Foldback Current Limit (ICLx)
        2. 7.3.3.2 Thermal Protection (Tsdx)
    4. 7.4 Device Functional Modes
      1. 7.4.1 Regulation
      2. 7.4.2 Disabled
  8. Application and Implementation
    1. 8.1 Application Information
      1. 8.1.1 External Component Selection
        1. 8.1.1.1 Setting the Output Voltage (Adjustable Operation)
        2. 8.1.1.2 Capacitor Recommendations
        3. 8.1.1.3 Input and Output Capacitor (CINx and COUTx)
        4. 8.1.1.4 Feed-Forward Capacitor (CFFx)
        5. 8.1.1.5 Noise-Reduction and Soft-Start Capacitor (CNR/SSx)
      2. 8.1.2 Start-Up
        1. 8.1.2.1 Circuit Soft-Start Control (NR/SSx)
          1. 8.1.2.1.1 In-Rush Current
        2. 8.1.2.2 Undervoltage Lockout (UVLOx) Control
        3. 8.1.2.3 Power-Good (PGx) Function
      3. 8.1.3 AC and Transient Performance
        1. 8.1.3.1 Power-Supply Rejection Ratio (PSRR)
        2. 8.1.3.2 Channel-to-Channel Output Isolation and Crosstalk
        3. 8.1.3.3 Output Voltage Noise
        4. 8.1.3.4 Optimizing Noise and PSRR
          1. 8.1.3.4.1 Charge Pump Noise
        5. 8.1.3.5 Load Transient Response
      4. 8.1.4 DC Performance
        1. 8.1.4.1 Output Voltage Accuracy (VOUTx)
        2. 8.1.4.2 Dropout Voltage (VDO)
          1. 8.1.4.2.1 Behavior When Transitioning From Dropout Into Regulation
      5. 8.1.5 Reverse Current Protection
      6. 8.1.6 Power Dissipation (PD)
        1. 8.1.6.1 Estimating Junction Temperature
        2. 8.1.6.2 Recommended Area for Continuous Operation (RACO)
    2. 8.2 Typical Application
      1. 8.2.1 Design Requirements
      2. 8.2.2 Detailed Design Procedure
      3. 8.2.3 Application Curves
  9. Power Supply Recommendations
  10. 10Layout
    1. 10.1 Layout Guidelines
      1. 10.1.1 Board Layout
    2. 10.2 Layout Example
  11. 11器件和文档支持
    1. 11.1 器件支持
      1. 11.1.1 开发支持
        1. 11.1.1.1 评估模块
        2. 11.1.1.2 SPICE 模型
      2. 11.1.2 器件命名规则
    2. 11.2 文档支持
      1. 11.2.1 相关文档 
    3. 11.3 接收文档更新通知
    4. 11.4 社区资源
    5. 11.5 商标
    6. 11.6 静电放电警告
    7. 11.7 Glossary
  12. 12机械、封装和可订购信息

封装选项

机械数据 (封装 | 引脚)
散热焊盘机械数据 (封装 | 引脚)
订购信息

7 Detailed Description

7.1 Overview

The TPS7A89 is a monolithic, dual-channel, low-dropout (LDO) regulator. Each channel is low-noise, high-PSRR, and capable of sourcing a 2-A load with 400 mV of maximum dropout. These features make the device a robust solution to solve many challenging problems in generating a clean, accurate power supply.

The various features for each of the TPS7A89 fully independent LDOs simplify using the device in a variety of applications. As detailed in the Functional Block Diagram section, these features are organized into three categories, as shown in Table 1.

Table 1. Features

VOLTAGE REGULATION SYSTEM START-UP INTERNAL PROTECTION
High accuracy Programmable soft-start Foldback current limit
Low-noise, high-PSRR output Sequencing controls Thermal shutdown
Fast transient response Power-good output

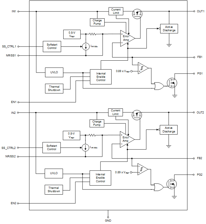
7.2 Functional Block Diagram

TPS7A89 fbd_sbvs248.gif

NOINDENT:

7.3 Feature Description

7.3.1 Voltage Regulation Features

7.3.1.1 DC Regulation

An LDO functions as a class-B amplifier in which the input signal is the internal reference voltage (VREF), as shown in Figure 44. VREF is designed to have a very low-bandwidth at the input to the error amplifier through the use of a low-pass filter (VNR/SSx).

As such, the reference can be considered as a pure dc input signal. The low output impedance of an LDO comes from the combination of the output capacitor and pass element. The pass element also presents a high input impedance to the source voltage when operating as a current source. A positive LDO can only source current because of the class-B architecture.

This device achieves a maximum of 1% output voltage accuracy primarily because of the high-precision band-gap voltage (VBG) that creates VREF. The low dropout voltage (VDO) reduces the thermal power dissipation required by the device to regulate the output voltage at a given current level, thereby improving system efficiency. Combined, these features help make this device a good approximation of an ideal voltage source.

This device replaces two stand-alone power-supplies, and also provides load-to-load isolation. The LDOs can also be put in series (cascaded) to achieve even higher PSRR by connecting the output of one channel to the input of the other channel.

TPS7A89 fd_ldo_classb_sbvs281.gif

NOTE:

VOUTx = VREF × (1 + R1x / R2x).
Figure 44. Simplified Regulation Circuit

7.3.1.2 AC and Transient Response

Each LDO responds quickly to a transient (large-signal response) on the input supply (line transient) or the output current (load transient) resulting from the LDO high-input impedance and low output-impedance across frequency. This same capability also means that each LDO has a high power-supply rejection-ratio (PSRR) and, when coupled with a low internal noise-floor (Vn), the LDO approximates an ideal power supply in ac (small-signal) and large-signal conditions.

The performance and internal layout of the device minimizes the coupling of noise from one channel to the other channel (crosstalk). Good printed circuit board (PCB) layout minimizes the crosstalk.

The choice of external component values optimizes the small- and large-signal response. The NR/SSx capacitor (CNR/SSx) and feed-forward capacitor (CFFx) easily reduce the device noise floor and improve PSRR; see the Optimizing Noise and PSRR section for more information on optimizing the noise and PSRR performance.

7.3.2 System Start-Up Features

In many different applications, the power-supply output must turn-on within a specific window of time to either ensure proper operation of the load or to minimize the loading on the input supply or other sequencing requirements. Each LDO start-up is well-controlled and user-adjustable, solving the demanding requirements faced by many power-supply design engineers in a simple fashion.

7.3.2.1 Programmable Soft-Start (NR/SSx)

Soft-start directly controls the output start-up time and indirectly controls the output current during start-up (in-rush current).

The external capacitor at the NR/SSx pin (CNR/SSx) sets the output start-up time by setting the rise time of the internal reference (VNR/SSx), as shown in Figure 45. SS_CTRLx provides additional control over the rise time of the internal reference by enabling control over the charging current (INR/SSx) for CNR/SSx. The voltage at the SS_CTRLx pin (VSS_CTRLx) must be connected to ground (GND) or VINx.

Note that if CNR/SSx = 0 nF and the SS_CTRLx pin is connected to VINx, then the output voltage overshoots during start-up.

TPS7A89 ai_softstart_sbvs281.gif Figure 45. Simplified Soft-Start Circuit

7.3.2.2 Sequencing

Controlling when a single power supply turns on can be difficult in a power distribution network (PDN) because of the high power levels inherent in a PDN, and the variations between all of the supplies. Control of each channel turn-on and turn-off time is set by the specific channel enable circuit (ENx) and undervoltage lockout circuit (UVLOx), as shown in Figure 46 and Table 2.

TPS7A89 ai_en_circuit_sbvs281.gif Figure 46. Simplified Turn-On Control

Table 2. Sequencing Functionality Table

INPUT VOLTAGE ENABLE STATUS LDO STATUS ACTIVE DISCHARGE POWER-GOOD
VINx ≥ VUVLOx ENx = 1 On Off PGx = 1 when VOUTx ≥ VIT(PGx)
ENx = 0 Off On PGx = 0
VINx < VUVLOx – VHYS ENx = don't care Off On(1) PGx = 0
(1) The active discharge remains on as long as VINx provides enough headroom for the discharge circuit to function.

7.3.2.2.1 Enable (ENx)

The enable signal (VENx) is an active-high digital control that enables the LDO when the enable voltage is past the rising threshold (VENx ≥ VIH(ENx)) and disables the LDO when the enable voltage is below the falling threshold (VENx ≤ VIL(ENx)). The exact enable threshold is between VIH(ENx) and VIL(ENx) because ENx is a digital control. In applications that do not use the enable control, connect ENx to VINx.

7.3.2.2.2 Undervoltage Lockout (UVLOx) Control

The UVLOx circuit responds quickly to glitches on VINx and attempts to disable the output of the device if either of these rails collapse.

As a result of the fast response time of the input supply UVLOx circuit, fast and short line transients well below the input supply UVLOx falling threshold (brownouts) can cause momentary glitches during the edges of the transient. These glitches are typical in most LDOs. The local input capacitance prevents severe brown-outs in most applications; see the Undervoltage Lockout (UVLOx) Control section for more details.

7.3.2.2.3 Active Discharge

When either ENx or UVLOx is low, the device connects a resistor of several hundred ohms from VOUTx to GND, discharging the output capacitance.

Do not rely on the active discharge circuit for discharging large output capacitors when the input voltage drops below the targeted output voltage. Current flows from the output to the input (reverse current) when VOUTx > VINx, which can cause damage to the device (when VOUTx > VINx + 0.3 V); see the Reverse Current Protection section for more details.

7.3.2.3 Power-Good Output (PGx)

The PGx signal provides an easy solution to meet demanding sequencing requirements because PGx signals when the output nears its nominal value. PGx can be used to signal other devices in a system when the output voltage is near, at, or above the set output voltage (VOUTx(Target)). A simplified schematic is shown in Figure 47.

The PGx signal is an open-drain digital output that requires a pullup resistor to a voltage source and is active high. The power-good circuit sets the PGx pin into a high-impedance state to indicate that the power is good.

Using a large feed-forward capacitor (CFFx) delays the output voltage and, because the power-good circuit monitors the FBx pin, the PGx signal can indicate a false positive. A simple solution to this scenario is to use an external voltage detector device, such as the TPS3780; see the Feed-Forward Capacitor (CFFx) section for more information.

TPS7A89 ai_pg_circuit_sbvs281.gif Figure 47. Simplified PGx Circuit

7.3.3 Internal Protection Features

In many applications, fault events can occur that damage devices in the system. Short-circuits and excessive heat are the most common fault events for power supplies. The TPS7A89 implements circuitry for each LDO to protect the device and its load during these events. Continuously operating in these fault conditions or above a junction temperature of 125°C is not recommended because the long-term reliability of the device is reduced.

7.3.3.1 Foldback Current Limit (ICLx)

The internal current limit circuit protects the LDO against short-circuit and excessive load current conditions. The output current decreases (folds back) when the output voltage falls to better protect the device, as described in Figure 20. Each channel features its own independent current limit circuit.

7.3.3.2 Thermal Protection (Tsdx)

The thermal shutdown circuit protects the LDO against excessive heat in the system, either resulting from current limit or high ambient temperature. Each channel features its own independent thermal shutdown circuit.

The output of the LDO turns off when the LDO temperature (junction temperature, TJ) exceeds the rising thermal shutdown temperature (Tsdx). The output turns on again after TJ decreases below the falling thermal shutdown temperature (Tsdx).

A high power dissipation across the device, combined with a high ambient temperature (TA), can cause TJ to be greater than or equal to Tsdx, triggering the thermal shutdown and causing the output to fall to 0 V. The LDO can cycle on and off when thermal shutdown is reached under these conditions.

7.4 Device Functional Modes

Table 3 provides a quick comparison between the regulation and disabled operation.

Table 3. Device Functional Modes Comparison

OPERATING MODE PARAMETER
VINx ENx IOUTx TJ
Regulation(1) VINx > VOUTx(nom) + VDO VENx > VIH(ENx) IOUTx < ICLx TJ < Tsd
Disabled(2) VINx < VUVLOx VENx < VIL(ENx) TJ > Tsd
(1) All table conditions must be met.
(2) The device is disabled when any condition is met.

7.4.1 Regulation

The device regulates the output to the targeted output voltage when all the conditions in Table 3 are met.

7.4.2 Disabled

When disabled, the pass device is turned off, the internal circuits are shutdown, and the output voltage is actively discharged to ground by an internal resistor from the output to ground.