SLVS720F June   2008  – November 2015

PRODUCTION DATA.  

  1. Features
  2. Applications
  3. Description
  4. Revision History
  5. Device Comparison Table
  6. Pin Configuration and Functions
  7. Specifications
    1. 7.1 Absolute Maximum Ratings
    2. 7.2 ESD Ratings
    3. 7.3 Recommended Operating Conditions
    4. 7.4 Thermal Information
    5. 7.5 Electrical Characteristics
    6. 7.6 Typical Characteristics
  8. Detailed Description
    1. 8.1 Overview
    2. 8.2 Functional Block Diagram
    3. 8.3 Feature Description
      1. 8.3.1 Adjustable Operation
      2. 8.3.2 Fixed Operation
      3. 8.3.3 Overload Recovery
      4. 8.3.4 Output Voltage Noise
      5. 8.3.5 Protection Features
    4. 8.4 Device Functional Modes
  9. Application and Implementation
    1. 9.1 Application Information
      1. 9.1.1 Output Capacitance and Transient Response
    2. 9.2 Typical Applications
      1. 9.2.1 Adjustable Output Operation
        1. 9.2.1.1 Design Requirements
        2. 9.2.1.2 Detailed Design Procedure
        3. 9.2.1.3 Application Curve
      2. 9.2.2 Paralleling Regulators for Higher Output Current
        1. 9.2.2.1 Design Requirements
        2. 9.2.2.2 Detailed Design Procedure
        3. 9.2.2.3 Application Curve
  10. 10Power Supply Recommendations
  11. 11Layout
    1. 11.1 Layout Guidelines
    2. 11.2 Layout Example
    3. 11.3 Thermal Considerations
      1. 11.3.1 Calculating Junction Temperature
  12. 12Device and Documentation Support
    1. 12.1 Related Links
    2. 12.2 Community Resources
    3. 12.3 Trademarks
    4. 12.4 Electrostatic Discharge Caution
    5. 12.5 Glossary
  13. 13Mechanical, Packaging, and Orderable Information

封装选项

机械数据 (封装 | 引脚)
散热焊盘机械数据 (封装 | 引脚)
订购信息

1 Features

  • Optimized for Fast Transient Response
  • Output Current: 1.5 A
  • High Output Voltage Accuracy: 1% at 25°C
  • Dropout Voltage: 300 mV
  • Low Noise: 35 μVRMS (10 Hz to 100 kHz)
  • High Ripple Rejection: 68 dB at 1 kHz
  • 1-mA Quiescent Current
  • No Protection Diodes Needed
  • Controlled Quiescent Current in Dropout
  • Fixed Output Voltages: 1.5 V, 1.8 V, 2.5 V, 3.3 V
  • Adjustable Output from 1.21 V to 20 V (TPS7A4501 Only)
  • Less Than 1-μA Quiescent Current in Shutdown
  • Stable With 10-μF Ceramic Output Capacitor
  • Reverse-Battery Protection
  • Reverse Current Protection

2 Applications

  • Industrial
  • Wireless Infrastructure
  • Radio-Frequency Systems

3 Description

The TPS7A45xx devices are low-dropout (LDO) regulators optimized for fast transient response. The device can supply 1.5 A of output current with a dropout voltage of 300 mV. Operating quiescent current is 1 mA, dropping to less than 1 μA in shutdown. Quiescent current is well controlled; it does not rise in dropout as with many other regulators. In addition to fast transient response, the TPS7A45xx regulators have very-low output noise, which makes them ideal for sensitive RF supply applications.

Output voltage range is from 1.21 to 20 V. The TPS7A45xx regulators are stable with output capacitance as low as 10 μF. Small ceramic capacitors can be used without the necessary addition of ESR as is common with other regulators. Internal protection circuitry includes reverse-battery protection, current limiting, thermal limiting, and reverse-current protection. The devices are available in fixed output voltages of 1.5 V, 1.8 V, 2.5 V, 3.3 V, and as an adjustable device with a 1.21-V reference voltage.

Device Information(1)

PART NUMBER PACKAGE BODY SIZE (NOM)
TPS7A45xx SOT-223 (6) 6.50 mm × 7.06 mm
TO-263 (5) 10.16 mm × 15.24 mm
  1. For all available packages, see the orderable addendum at the end of the data sheet.

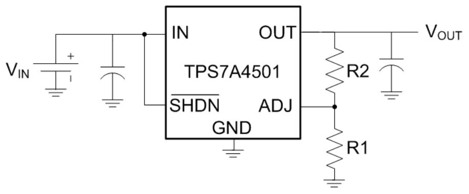
Simplified Schematic

TPS7A4501 TPS7A4515 TPS7A4518 TPS7A4525 TPS7A4533 adjoperation1.gif

Dropout Voltage vs Output Current

TPS7A4501 TPS7A4515 TPS7A4518 TPS7A4525 TPS7A4533 vdo_iout_lvs719.gif