SLVSAF6A June   2011  – January 2016 TPS65835

PRODUCTION DATA.  

  1. Device Overview
    1. 1.1 Features
    2. 1.2 Applications
    3. 1.3 Description
    4. 1.4 Block Diagram
  2. Revision History
  3. Terminal Configuration and Functions
    1. 3.1 Pin Diagram
    2. 3.2 Pin Functions
  4. Specifications
    1. 4.1 Absolute Maximum Ratings
    2. 4.2 ESD Ratings
    3. 4.3 Power-On Hours (POH)
    4. 4.4 Recommended Operating Conditions
    5. 4.5 Thermal Information
    6. 4.6 Electrical Characteristics
    7. 4.7 Quiescent Current
    8. 4.8 Typical Characteristics
  5. Detailed Description
    1. 5.1 Overview
    2. 5.2 Functional Block Diagram
    3. 5.3 Feature Description
      1. 5.3.1 System Operation
        1. 5.3.1.1 System Power Up
        2. 5.3.1.2 System Operation Using Push Button Switch
        3. 5.3.1.3 System Operation Using Slider Switch
      2. 5.3.2 Linear Charger Operation
        1. 5.3.2.1 Battery and TS Detection
        2. 5.3.2.2 Battery Charging
          1. 5.3.2.2.1 Pre-charge
          2. 5.3.2.2.2 Charge Termination
          3. 5.3.2.2.3 Recharge
          4. 5.3.2.2.4 Charge Timers
        3. 5.3.2.3 Charger Status (nCHG_STAT Pin)
      3. 5.3.3 LDO Operation
        1. 5.3.3.1 LDO Internal Current Limit
      4. 5.3.4 Boost Converter Operation
        1. 5.3.4.1 Boost Thermal Shutdown
        2. 5.3.4.2 Boost Load Disconnect
      5. 5.3.5 Full H-Bridge Analog Switches
        1. 5.3.5.1 H-Bridge Switch Control
      6. 5.3.6 Power Management Core Control
        1. 5.3.6.1 SLEEP / Power Control Pin Function
        2. 5.3.6.2 COMP Pin Functionality
        3. 5.3.6.3 SW_SEL Pin Functionality
        4. 5.3.6.4 SWITCH Pin
        5. 5.3.6.5 Slider Switch Behavior
        6. 5.3.6.6 Push-Button Switch Behavior
    4. 5.4 Device Functional Modes
      1. 5.4.1 SLEEP State
      2. 5.4.2 NORMAL Operating Mode
    5. 5.5 MSP430 CORE
      1. 5.5.1 MSP430 Electrical Characteristics
        1. 5.5.1.1  MSP430 Recommended Operating Conditions
        2. 5.5.1.2  Active Mode Supply Current Into VCC Excluding External Current
        3. 5.5.1.3  Typical Characteristics, Active Mode Supply Current (Into VCC)
        4. 5.5.1.4  Low-Power Mode Supply Currents (Into VCC) Excluding External Current
        5. 5.5.1.5  Typical Characteristics, Low-Power Mode Supply Currents
        6. 5.5.1.6  Schmitt-Trigger Inputs, Ports Px
        7. 5.5.1.7  Leakage Current, Ports Px
        8. 5.5.1.8  Outputs, Ports Px
        9. 5.5.1.9  Output Frequency, Ports Px
        10. 5.5.1.10 Typical Characteristics, Outputs
        11. 5.5.1.11 Pin-Oscillator Frequency - Ports Px
        12. 5.5.1.12 Typical Characteristics, Pin-Oscillator Frequency
        13. 5.5.1.13 POR/Brownout Reset (BOR)
        14. 5.5.1.14 Typical Characteristics, POR/Brownout Reset (BOR)
        15. 5.5.1.15 DCO Frequency
        16. 5.5.1.16 Calibrated DCO Frequencies, Tolerance
        17. 5.5.1.17 Wake-Up From Lower-Power Modes (LPM3/4)
        18. 5.5.1.18 Typical Characteristics, DCO Clock Wake-Up Time From LPM3/4
        19. 5.5.1.19 Crystal Oscillator, XT1, Low-Frequency Mode
        20. 5.5.1.20 Internal Very-Low-Power Low-Frequency Oscillator (VLO)
        21. 5.5.1.21 Timer_A
        22. 5.5.1.22 USCI (UART Mode)
        23. 5.5.1.23 USCI (SPI Master Mode)
        24. 5.5.1.24 USCI (SPI Slave Mode)
        25. 5.5.1.25 USCI (I2C Mode)
        26. 5.5.1.26 Comparator_A+
        27. 5.5.1.27 Typical Characteristics - Comparator_A+
        28. 5.5.1.28 10-Bit ADC, Power Supply and Input Range Conditions
        29. 5.5.1.29 10-Bit ADC, Built-In Voltage Reference
        30. 5.5.1.30 10-Bit ADC, External Reference
        31. 5.5.1.31 10-Bit ADC, Timing Parameters
        32. 5.5.1.32 10-Bit ADC, Linearity Parameters
        33. 5.5.1.33 10-Bit ADC, Temperature Sensor and Built-In VMID
        34. 5.5.1.34 Flash Memory
        35. 5.5.1.35 RAM
        36. 5.5.1.36 JTAG and Spy-Bi-Wire Interface
        37. 5.5.1.37 JTAG Fuse
      2. 5.5.2 MSP430 Core Operation
        1. 5.5.2.1 Description
        2. 5.5.2.2 Accessible MSP430 Pins
        3. 5.5.2.3 MSP430 Port Functions and Programming Options
        4. 5.5.2.4 Operating Modes
        5. 5.5.2.5 MSP430x2xx User's Guide
  6. Application and Implementation
    1. 6.1 Application Information
    2. 6.2 Typical Application
      1. 6.2.1 Active Shutter 3D Glasses
        1. 6.2.1.1 Design Requirements
        2. 6.2.1.2 Detailed Design Procedure
          1. 6.2.1.2.1 Boost Converter Application Information
            1. 6.2.1.2.1.1 Setting Boost Output Voltage
            2. 6.2.1.2.1.2 Boost Inductor Selection
            3. 6.2.1.2.1.3 Boost Capacitor Selection
          2. 6.2.1.2.2 Bypassing Default Push-Button SWITCH Functionality
          3. 6.2.1.2.3 MSP430 Programming
            1. 6.2.1.2.3.1 Code To Setup Power Functions
        3. 6.2.1.3 Application Curves
  7. Power Supply Recommendations
  8. Layout
    1. 8.1 Layout Guidelines
    2. 8.2 Layout Example
  9. Device and Documentation Support
    1. 9.1 Device Support
      1. 9.1.1 Third-Party Products Disclaimer
    2. 9.2 Community Resources
    3. 9.3 Trademarks
    4. 9.4 Electrostatic Discharge Caution
    5. 9.5 Glossary
  10. 10Mechanical, Packaging, and Orderable Information
    1. 10.1 Packaging Information

封装选项

机械数据 (封装 | 引脚)
散热焊盘机械数据 (封装 | 引脚)
订购信息

5 Detailed Description

5.1 Overview

The TPS65835 integrates a linear charger, Boost Converter and an MSP430 to create a PMIC for active shutter 3D glasses.

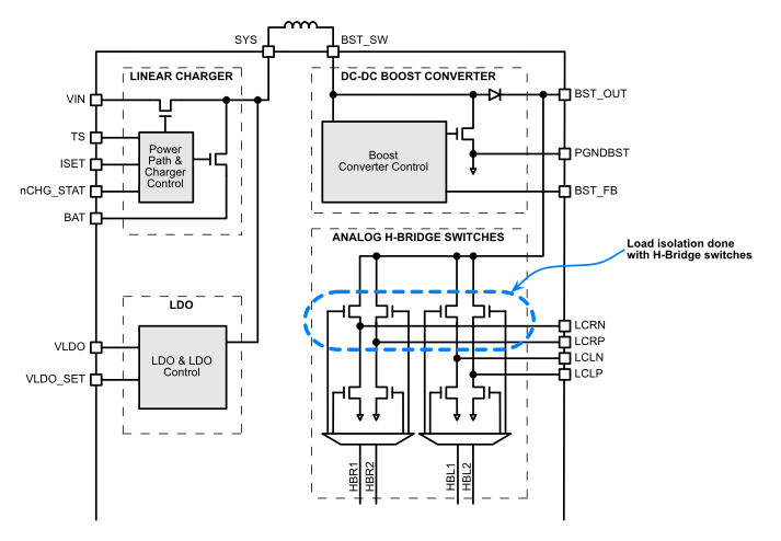
5.2 Functional Block Diagram

TPS65835 TPS65835_System_Block_Diagram.gif Figure 5-1 TPS65835 Simplified Functional Block Diagram

5.3 Feature Description

5.3.1 System Operation

The system must complete the power up routine before it enters normal operating mode. The specific system operation depends on the setting defined by the state of the SW_SEL pin. The details of the system operation for each configuration of the SW_SEL pin are contained in this section.

5.3.1.1 System Power Up

TPS65835 State_Diagram_STARTUP.gif Figure 5-2 System Power Up State Diagram

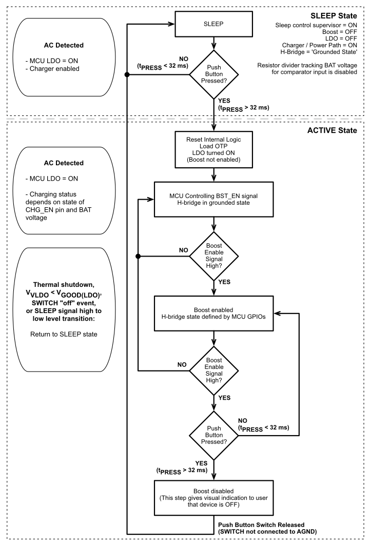
5.3.1.2 System Operation Using Push Button Switch

TPS65835 State_Diagram_PBswitch.gif Figure 5-3 Push Button State Diagram

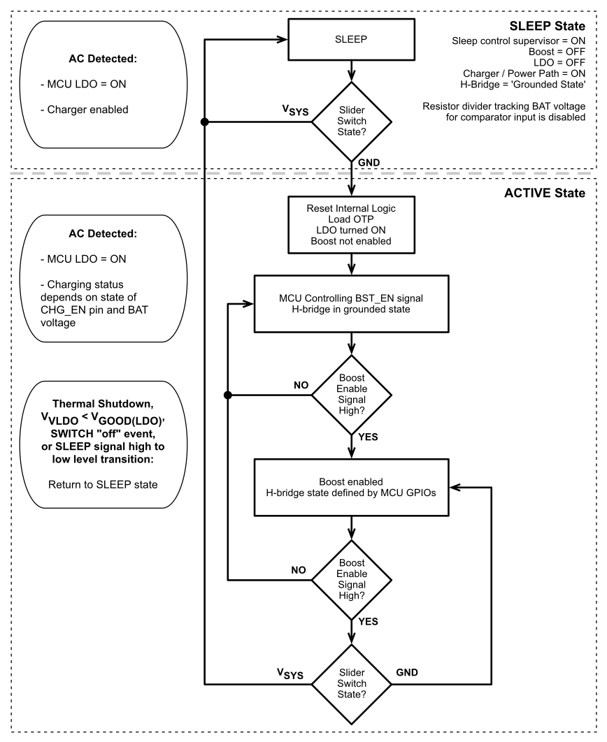
5.3.1.3 System Operation Using Slider Switch

TPS65835 State_Diagram_SLIDEsw.gif Figure 5-4 System Operation Using Slider Switch

5.3.2 Linear Charger Operation

This device has an integrated Li-Ion battery charger and system power path management feature targeted at space-limited portable applications. The architecture powers the system while simultaneously and independently charging the battery. This feature reduces the number of charge and discharge cycles on the battery, allows for proper charge termination, and enables the system to run with a defective or absent battery pack. It also allows instant system turn-on even with a totally discharged battery.

The input power source for charging the battery and running the system can be an AC adapter or USB port connected to the VIN pin as long as the input meets the device operating conditions outlined in this datasheet. The power-path management feature automatically reduces the charging current if the system load increases. Note that the charger input, VIN, has voltage protection up to 28 V.

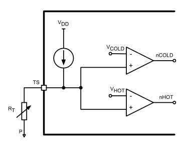
5.3.2.1 Battery and TS Detection

To detect and determine between a good or damaged battery, the device checks for a short circuit on the BAT pin by sourcing IBAT(SC) to the battery and monitoring the voltage on the BAT pin. While sourcing this current if the BAT pin voltage exceeds VBAT(SC), a battery has been detected. If the voltage stays below the VBAT(SC) level, the battery is presumed to be damaged and not safe to charge.

The device will also check for the presence of a 10-kΩ NTC thermistor attached to the TS pin of the device. The check for the NTC thermistor on the TS pin is done much like the battery detection feature described previously. The voltage on the TS pin is compared against a defined level and if it is found to be above the threshold, the NTC thermistor is assumed to be disconnected or not used in the system. To reduce the system quiescent current, the NTC thermistor temperature sensing function is only enabled when the device is charging and when the thermistor has been detected.

TPS65835 TS_block.gif Figure 5-5 Thermistor Detection and Circuit

5.3.2.2 Battery Charging

The battery is charged in three phases: conditioning pre-charge, constant-current fast charge (current regulation), and a constant-voltage tapering (voltage regulation). In all charge phases, an internal control loop monitors the IC junction temperature and reduces the charge current if an internal temperature threshold is exceeded. Figure 5-6 shows what happens in each of the three charge phases:

TPS65835 Battery_Charge_Phases.gif Figure 5-6 Battery Charge Phases

In the pre-charge phase, the battery is charged with the pre-charge current that is scaled to be 10% of the fast-charge current set by the resistor connected to the ISET pin. Once the battery voltage crosses the VLOWV threshold, the battery is charged with the fast-charge current (ICHG). As the battery voltage reaches VBAT(REG), the battery is held at a constant voltage of VBAT(REG) and the charge current tapers off as the battery approaches full charge. When the battery current reaches ITERM, the charger indicates charging is done by making the nCHG_STAT pin high impedance. Note that termination detection is disabled whenever the charge rate is reduced from the set point because of the actions of the thermal loop, the DPM loop, or the VIN(LOWV) loop.

5.3.2.2.1 Pre-charge

The value for the pre-charge current is set to be 10% of the charge current that is set by the external resistor, RISET. Pre-charge current is scaled to lower currents when the charger is in thermal regulation.

5.3.2.2.2 Charge Termination

In the fast charge state, once VBAT ≥ VBAT(REG), the charger enters constant voltage mode. In constant voltage mode, the charge current will taper until termination when the charge current falls below the I(TERM) threshold (typically 10% of the programmed fast charge current). Termination current is not scaled when the charger is in thermal regulation. When the charging is terminated, the nCHG_STAT pin will be high impedance (effectively turning off any LED that is connected to this pin).

5.3.2.2.3 Recharge

Once a charge cycle is complete and termination is reached, the battery voltage is monitored. If VBAT < VBAT(REG) - VRCH, the device determines if the battery has been removed. If the battery is still present, then the recharge cycle begins and will end when VBAT ≥ VBAT(REG).

5.3.2.2.4 Charge Timers

The charger in this device has internal safety timers for the pre-charge and fast charge phases to prevent potential damage to either the battery or the system. The default values for these timers are found as follows: Pre-charge timer = 0.5 hours (30 minutes) and Fast charge timer = 5 hours (300 minutes).

During the fast charge phase, the following events may increase the timer durations:

  1. The system load current activates the DPM loop which reduces the available charging current
  2. The input current is reduced because the input voltage has fallen to VIN(LOW)
  3. The device has entered thermal regulation because the IC junction temperature has exceeded TJ(REG)

During each of these events, the internal timers are slowed down proportionately to the reduction in charging current.

If the pre-charge timer expires before the battery voltage reaches VLOWV, the charger indicates a fault condition.

5.3.2.3 Charger Status (nCHG_STAT Pin)

The nCHG_STAT pin is used to indicate the charger status by an externally connected resistor and LED circuit. The pin is an open drain input and the internal switch is controlled by the logic inside of the charger. This pin may also be connected to a GPIO of the system MCU to indicate charging status. The table below details the status of the nCHG_STAT pin for various operating states of the charger.

Table 5-1 nCHG_STAT Functionality

CHARGING STATUS nCHG_STAT FET / LED
Pre-charge / Fast Charge / Charge Termination ON
Recharge OFF
OVP OFF
SLEEP OFF

5.3.3 LDO Operation

The power management core has a low dropout linear regulator (LDO) with variable output voltage capability. This LDO is used for supplying the microcontroller and may be used to supply either an external IR or RF module, depending on system requirements. The LDO can supply a continuous current of up to 30 mA.

The output voltage (VVLDO) of the LDO is set by the state of the VLDO_SET pin. See Table 5-2 for details on setting the LDO output voltage.

Table 5-2 VLDO_SET Functionality

VLDO_SET STATE VLDO OUTPUT VOLTAGE (VVLDO)
Low (VLDO_SET < VIL(PMIC)) 2.2 V
High (VLDO_SET > VIH(PMIC)) 3.0 V

5.3.3.1 LDO Internal Current Limit

The internal current limit feature helps protect the LDO regulator during fault conditions. During current limit, the output sources a fixed amount of current, defined in the Electrical Characteristics table. The voltage on the output in this stage can not be regulated and will be VOUT = ILIMIT × RLOAD. The pass transistor integrated into the LDO will dissipate power, (VIN - VOUT) × ILIMIT, until the device enters thermal shutdown. In thermal shutdown the device will enter the SLEEP / POWER OFF state which means that the LDO will then be disabled and shut off.

5.3.4 Boost Converter Operation

The boost converter in this device is designed for active shutter 3D glasses. This load is typically a light load where the average current is 2 mA or lower and the peak current out of a battery is limited in operation. This asynchronous boost converter operates with a minimum off time / maximum on time for the integrated low side switch, these values are specified in the Electrical Characteristics table of this datasheet.

The peak output voltage from the boost converter is adjustable and set by using an external resistor divider connected between BST_OUT pin, BST_FB pin, and ground. The peak output voltage is set by choosing resistors for the feedback network such that the voltage on the BST_FB pin is VREF(BST) = 1.2 V. See Section 6.2.1.2.1 for more information on calculating resistance values for this feedback network.

The efficiency curves for various input voltages over the typical 3D glasses load range (2 mA and lower) are shown below. All curves are for a target VOUT of 16 V. For output voltages less than 16 V, a higher efficiency at each operating input voltage should be expected. Note that efficiency is dependent upon the external boost feedback network resistance, the inductor used, and the type of load connected.


TPS65835 TPS65x35_Boost_Efficiency_3p0.png
VIN = 3.0 V VOUT = 16 V
Figure 5-7 Boost Efficiency vs IOUT
TPS65835 TPS65x35_Boost_Efficiency_4p2.png
VIN = 4.2 V VOUT = 16 V
Figure 5-9 Boost Efficiency vs IOUT
TPS65835 TPS65x35_Boost_Efficiency_3p7.png
VIN = 3.7 V VOUT = 16 V
Figure 5-8 Boost Efficiency vs IOUT
TPS65835 TPS65x35_Boost_Efficiency_5p5.png
VIN = 5.5 V VOUT = 16 V
Figure 5-10 Boost Efficiency vs IOUT

5.3.4.1 Boost Thermal Shutdown

An internal thermal shutdown mode is implemented in the boost converter that shuts down the device if the typical junction temperature of 105°C is exceeded. If the device is in thermal shutdown mode, the main switch of the boost is open and the device enters the SLEEP / POWER OFF state.

5.3.4.2 Boost Load Disconnect

When the boost is disabled (BST_EN = LOW), the H-bridge is automatically placed into the OFF state. In the OFF state the high side H-bridge switches are open and the low side switches of the H-bridge are closed. The OFF state grounds and discharges the load, potentially prolonging the life of the LC shutters by eliminating any DC content (see Section 5.3.5.1 for more information regarding the H-bridge states). The disconnection of the load is done with the H-Bridge and can be seen in the next figure (Figure 5-11).

TPS65835 Boost_path.gif Figure 5-11 Boost Load Disconnect

An advantage to this topology for disconnecting the load is that the boost output capacitor is charged to approximately the SYS voltage level, specifically VSYS - VDIODE(BST), when the boost is disabled. This design ensures that there is not a large in-rush current into the boost output capacitor when the boost is enabled. The boost operation efficiency is also increased because there is no load disconnect switch in the boost output path. A load disconnect switch would decrease efficiency because of the resistance that it would introduce.

5.3.5 Full H-Bridge Analog Switches

The TPS65835 has two integrated full H-bridge analog switches that are connected to GPIO ports on the MSP430 and can be controlled by the MSP430 core for various system functions. There is an internal level shifter that manages the input signals to the H-Bridge switches.

5.3.5.1 H-Bridge Switch Control

The H-Bridge switches are controlled by the MSP430 core for system operation - specifically to control charge polarity on the LCD shutters. Depending on the state of the signals from the MSP430 core, the H-Bridge will be put into 4 different states. These states are:

  • OPEN: All Switches Opened
  • CHARGE+: Boost Output Voltage Present on Pins LCLP or LCRP
  • CHARGE-: Boost Output Voltage Present on Pins LCLN or LCRN
  • GROUNDED: High side switches are opened and low side switches are closed

If CHARGE+ state is followed by the CHARGE- state, the voltage across the capacitor connected to the H-Bridge output terminals will be reversed. The system automatically switches to the GROUNDED state when the boost is disabled by the BST_EN pin. For more details, see Section 5.3.1.

Table 5-3 H-Bridge States from Inputs

HBx2 [HBL2 & HBR2] HBx1 [HBL1 & HBR1] H-Bridge STATE
0 0 OPEN
0 1 CHARGE +
1 0 CHARGE -
1 1 GROUNDED
TPS65835 HBridge_States.gif Figure 5-12 H-Bridge States
TPS65835 TPS65x3x_H_Bridge_Scope_Shot_ANNOTATED.gif Figure 5-13 H-Bridge States from Oscilloscope

5.3.6 Power Management Core Control

The power management core is controlled with external pins that can set system behavior by their status along with internal connections to GPIOs from the MSP430. The internal connections to the GPIOs from the MSP430 can be modified through the code implemented in the MSP430.

5.3.6.1 SLEEP / Power Control Pin Function

The internal SLEEP signal between the power management device and the MSP430 can be used to control the power down behavior of the device. This has multiple practical applications such as a watchdog implementation for the communication between the sender (TV) and the receiver (3D glasses) or different required system on and off times; typically when the push-button press timing for an off event is a few seconds in length, programmable by software in the system MCU.

If there is a requirement that the push-button press for system on and off events are different, the SLEEP signal must be set to a logic high value (VSLEEP > VIH(PMIC)) upon system startup. This implementation allows the device to power down the system on the falling edge of the SLEEP signal
(when: VSLEEP < VIL(PMIC)).

TPS65835 TPS65x35_SLEEP_power_off.gif Figure 5-14 SLEEP Signal to Force System Power Off

5.3.6.2 COMP Pin Functionality

The COMP pin is used to output a scaled down voltage level related to the battery voltage for input to the comparator of the MSP430. Applications for this COMP feature could be to generate an interrupt on the MSP430 when the battery voltage drops under a threshold and the device can then be shut down or indicate to the end user with an LED that the battery requires charging.

TPS65835 TPS65835_Comp_Pin.gif Figure 5-15 COMP Pin Internal Connection

Table 5-4 Scaling Resistors for COMP Pin Function (VVLDO = 2.2 V)

SCALING RESISTORS FOR COMP PIN FUNCTION VALUE
RBSCL1 3.0 MΩ
RBSCL2 2.36 MΩ

Table 5-5 Scaling Resistors for COMP Pin Function (VVLDO = 3.0 V)

SCALING RESISTORS FOR COMP PIN FUNCTION VALUE
RBSCL1 3.0 MΩ
RBSCL2 2.48 MΩ

Using the designed values in Table 5-4 or Table 5-5, the voltage on the COMP pin will be: VCOMP = 0.5 × VVLDO + 300 mV. This ensures that the COMP pin voltage will be close to half of the LDO output voltage plus the LDO dropout voltage of the device. The COMP pin can also be used as an input to ADC channel A0 of the integrated MSP430 microcontroller. This is useful if greater measurement accuracy or increased functionality is desired from this function.

5.3.6.3 SW_SEL Pin Functionality

The SW_SEL pin is used to select what type of switch is connected to the SWITCH pin of the device. Selection between a push-button and a slider switch can be made based on the state of this pin.

Table 5-6 SW_SEL Settings

SW_SEL STATE TYPE OF SWITCH SELECTED
Low
(VSW_SEL < VIL(PMIC))
Slider Switch
High
(VSW_SEL > VIH(PMIC))
Push-button

When the push button switch type is selected, the device will debounce the SWITCH input with a 32-ms timer for both the ON and OFF events and either power on or off the device. Using the push-button switch function, the ON and OFF timings are equal; tON = tOFF. If the system requirements are such that the on and off timings should be different, tON ≠ tOFF, then refer to the following section for the correct system setup: Section 6.2.1.2.2.When the slider switch operation is selected, the SWITCH pin must be externally pulled up to the SYS voltage with a resistor and the output connected to the slider switch. When the SWITCH pin is pulled to ground, the device will turn on and enter the power up sequence.

5.3.6.4 SWITCH Pin

The SWITCH pin behavior is defined by the SW_SEL pin (Section 5.3.6.3) which defines the type of switch that is connected to the system; either a slider switch or push-button.

5.3.6.5 Slider Switch Behavior

If a slider switch is connected in the system then the system power state and VLDO output (which powers the internal MSP430) is defined by the state of the slider switch. If the slider is in the off position than the SWITCH pin should be connected to the SYS pin. If the slider is in the on position than the SWITCH pin should be connected to ground. Figure 5-16 details the system operation using the slider switch configuration.

TPS65835 TPS65x35_SWITCH_power_slider.gif Figure 5-16 SWITCH, Slider Power On-Off Behavior

5.3.6.6 Push-Button Switch Behavior

The system is powered on or off by a push-button press after a press that is greater than 32 ms. The following figures (Figure 5-17 and Figure 5-18) show the system behavior and the expected VLDO output during the normal push-button operation where the ON and OFF press timings are the same value,
tON = tOFF.

TPS65835 TPS65x35_SWITCH_power_on.gif Figure 5-17 SWITCH, Push-button Power On Behavior
TPS65835 TPS65x35_SWITCH_power_off.gif Figure 5-18 SWITCH, Push-Button Power Off Behavior

5.4 Device Functional Modes

5.4.1 SLEEP State

If the device is in the SLEEP State or Device IDLE mode, the Sleep control supervisor and the battery charger/power path remain active. The Boost and LDO are disabled.

5.4.2 NORMAL Operating Mode

Once the system completes the power up routine, it enters the normal operating mode. The specific system operation is set by the SW_SEL pin.

5.5 MSP430 CORE

5.5.1 MSP430 Electrical Characteristics

5.5.1.1 MSP430 Recommended Operating Conditions

MIN NOM MAX UNIT
VCC Supply voltage During program execution 1.8 3.6 V
During flash programming/erase 2.2 3.6
VSS Supply voltage 0 V
fSYSTEM Processor frequency (maximum MCLK frequency using the USART module)(1)(2) VCC = 1.8 V,
Duty cycle = 50% ± 10%
dc 6 MHz
VCC = 2.7 V,
Duty cycle = 50% ± 10%
dc 12
VCC = 3.3 V,
Duty cycle = 50% ± 10%
dc 16
(1) The MSP430 CPU is clocked directly with MCLK. Both the high and low phase of MCLK must not exceed the pulse width of the specified maximum frequency.
(2) Modules might have a different maximum input clock specification. See the specification of the respective module in this data sheet.
TPS65835 safe_op_area_las694.gif

NOTE:

Minimum processor frequency is defined by system clock. Flash program or erase operations require a minimum VCC of 2.2 V.
Figure 5-19 Safe Operating Area

5.5.1.2 Active Mode Supply Current Into VCC Excluding External Current

over recommended ranges of supply voltage and operating free-air temperature (unless otherwise noted)(1)(2)
PARAMETER TEST CONDITIONS TA VCC MIN TYP MAX UNIT
IAM,1MHz Active mode (AM) current at 1 MHz fDCO = fMCLK = fSMCLK = 1 MHz,
fACLK = 0 Hz,
Program executes in flash,
BCSCTL1 = CALBC1_1MHZ,
DCOCTL = CALDCO_1MHZ,
CPUOFF = 0, SCG0 = 0, SCG1 = 0,
OSCOFF = 0
2.2 V 230 µA
3 V 330 420
(1) All inputs are tied to 0 V or to VCC. Outputs do not source or sink any current.
(2) The currents are characterized with a Micro Crystal CC4V-T1A SMD crystal with a load capacitance of 9 pF. The internal and external load capacitance is chosen to closely match the required 9 pF.

5.5.1.3 Typical Characteristics, Active Mode Supply Current (Into VCC)

TPS65835 g_iam_vcc_las694.gif Figure 5-20 Active Mode Current vs VCC, TA = 25°C
TPS65835 g_iam_fdco_las694.gif Figure 5-21 Active Mode Current vs DCO Frequency

5.5.1.4 Low-Power Mode Supply Currents (Into VCC) Excluding External Current

over recommended ranges of supply voltage and operating free-air temperature (unless otherwise noted)(1) (2)
PARAMETER TEST CONDITIONS TA VCC MIN TYP MAX UNIT
ILPM0,1MHz Low-power mode 0 (LPM0) current(3) fMCLK = 0 MHz,
fSMCLK = fDCO = 1 MHz,
fACLK = 32768 Hz,
BCSCTL1 = CALBC1_1MHZ,
DCOCTL = CALDCO_1MHZ,
CPUOFF = 1, SCG0 = 0, SCG1 = 0, OSCOFF = 0
25°C 2.2 V 56 µA
ILPM2 Low-power mode 2 (LPM2) current(4) fMCLK = fSMCLK = 0 MHz,
fDCO = 1 MHz,
fACLK = 32768 Hz,
BCSCTL1 = CALBC1_1MHZ,
DCOCTL = CALDCO_1MHZ,
CPUOFF = 1, SCG0 = 0, SCG1 = 1, OSCOFF = 0
25°C 2.2 V 22 µA
ILPM3,LFXT1 Low-power mode 3 (LPM3) current(4) fDCO = fMCLK = fSMCLK = 0 MHz,
fACLK = 32768 Hz,
CPUOFF = 1, SCG0 = 1, SCG1 = 1, OSCOFF = 0
25°C 2.2 V 0.7 1.5 µA
ILPM3,VLO Low-power mode 3 current, (LPM3)(4) fDCO = fMCLK = fSMCLK = 0 MHz,
fACLK from internal LF oscillator (VLO),
CPUOFF = 1, SCG0 = 1, SCG1 = 1, OSCOFF = 0
25°C 2.2 V 0.5 0.7 µA
ILPM4 Low-power mode 4 (LPM4) current(5) fDCO = fMCLK = fSMCLK = 0 MHz,
fACLK = 0 Hz,
CPUOFF = 1, SCG0 = 1, SCG1 = 1, OSCOFF = 1
25°C 2.2 V 0.1 0.5 µA
85°C 0.8 1.7
  1. All inputs are tied to 0 V or to VCC. Outputs do not source or sink any current.
  2. The currents are characterized with a Micro Crystal CC4V-T1A SMD crystal with a load capacitance of 9 pF. The internal and external load capacitance is chosen to closely match the required 9 pF.
  3. Current for brownout and WDT clocked by SMCLK included.
  4. Current for brownout and WDT clocked by ACLK included.
  5. Current for brownout included.

5.5.1.5 Typical Characteristics, Low-Power Mode Supply Currents

over recommended ranges of supply voltage and operating free-air temperature (unless otherwise noted)
TPS65835 g_ilpm3_ta_las694.gif Figure 5-22 LPM3 Current vs Temperature
TPS65835 g_ilpm4_ta_las694.gif Figure 5-23 LPM4 Current vs Temperature

5.5.1.6 Schmitt-Trigger Inputs, Ports Px

over recommended ranges of supply voltage and operating free-air temperature (unless otherwise noted)
PARAMETER TEST CONDITIONS VCC MIN TYP MAX UNIT
VIT+ Positive-going input threshold voltage 0.45 VCC 0.75 VCC V
3 V 1.35 2.25
VIT– Negative-going input threshold voltage 0.25 VCC 0.55 VCC V
3 V 0.75 1.65
Vhys Input voltage hysteresis (VIT+ – VIT–) 3 V 0.3 1 V
RPull Pull-up/pull-down resistor For pull-up: VIN = VSS
For pull-down: VIN = VCC
3 V 20 35 50
CI Input capacitance VIN = VSS or VCC 5 pF

5.5.1.7 Leakage Current, Ports Px

over recommended ranges of supply voltage and operating free-air temperature (unless otherwise noted)
PARAMETER TEST CONDITIONS VCC MIN MAX UNIT
Ilkg(Px.y) High-impedance leakage current  (1) (2) 3 V ±50 nA
(1) The leakage current is measured with VSS or VCC applied to the corresponding pin(s), unless otherwise noted.
(2) The leakage of the digital port pins is measured individually. The port pin is selected for input and the pull-up/pull-down resistor is disabled.

5.5.1.8 Outputs, Ports Px

over recommended ranges of supply voltage and operating free-air temperature (unless otherwise noted)
PARAMETER TEST CONDITIONS VCC MIN TYP MAX UNIT
VOH High-level output voltage I(OHmax) = –6 mA(1) 3 V VCC – 0.3 V
VOL Low-level output voltage I(OLmax) = 6 mA(1) 3 V VSS + 0.3 V
(1) The maximum total current, I(OHmax) and I(OLmax), for all outputs combined should not exceed ±48 mA to hold the maximum voltage drop specified.

5.5.1.9 Output Frequency, Ports Px

over recommended ranges of supply voltage and operating free-air temperature (unless otherwise noted)
PARAMETER TEST CONDITIONS VCC MIN TYP MAX UNIT
fPx.y Port output frequency (with load) Px.y, CL = 20 pF, RL = 1 kΩ(1) (2) 3 V 12 MHz
fPort_CLK Clock output frequency Px.y, CL = 20 pF(2) 3 V 16 MHz
(1) A resistive divider with two 0.5-kΩ resistors between VCC and VSS is used as load. The output is connected to the center tap of the divider.
(2) The output voltage reaches at least 10% and 90% VCC at the specified toggle frequency.

5.5.1.10 Typical Characteristics, Outputs

over recommended ranges of supply voltage and operating free-air temperature (unless otherwise noted)
TPS65835 g_iol_vol_2p2v_las694.gif Figure 5-24 Typical Low-Level Output Current vs Low-Level Output Voltage
TPS65835 g_ioh_voh_2p2v_las694.gif Figure 5-26 Typical High-Level Output Current vs High-Level Output Voltage
TPS65835 g_iol_vol_3v_las694.gif Figure 5-25 Typical Low-Level Output Current vs Low-Level Output Voltage
TPS65835 g_ioh_voh_3v_las694.gif Figure 5-27 Typical High-Level Output Current vs High-Level Output Voltage

5.5.1.11 Pin-Oscillator Frequency – Ports Px

over recommended ranges of supply voltage and operating free-air temperature (unless otherwise noted)
PARAMETER TEST CONDITIONS VCC MIN TYP MAX UNIT
foP1.x Port output oscillation frequency P1.y, CL = 10 pF, RL = 100 kΩ(1)(2) 3 V 1400 kHz
P1.y, CL = 20 pF, RL = 100 kΩ(1)(2) 900
foP2.x Port output oscillation frequency P2.0 to P2.5, CL = 10 pF, RL = 100 kΩ(1)(2) 1800 kHz
P2.0 to P2.5, CL = 20 pF, RL = 100 kΩ(1)(2) 3 V 1000
foP2.6/7 Port output oscillation frequency P2.6 and P2.7, CL = 20 pF, RL = 100 kΩ(1)(2) 3 V 700 kHz
foP3.x Port output oscillation frequency P3.y, CL = 10 pF, RL = 100 kΩ(1)(2) 1800 kHz
P3.y, CL = 20 pF, RL = 100 kΩ(1)(2) 1000
(1) A resistive divider with two 0.5-kΩ resistors between VCC and VSS is used as load. The output is connected to the center tap of the divider.
(2) The output voltage reaches at least 10% and 90% VCC at the specified toggle frequency.

5.5.1.12 Typical Characteristics, Pin-Oscillator Frequency

TPS65835 g_fosc_cload_vcc3_las734.gif
One output active at a time.
Figure 5-28 Typical Oscillating Frequency vs Load Capacitance
TPS65835 g_fosc_cload_vcc2p2_las734.gif
One output active at a time.
Figure 5-29 Typical Oscillating Frequency vs Load Capacitance

5.5.1.13 POR/Brownout Reset (BOR)(1)

over recommended ranges of supply voltage and operating free-air temperature (unless otherwise noted)
PARAMETER TEST CONDITIONS VCC MIN TYP MAX UNIT
VCC(start) See Figure 5-30 dVCC/dt ≤ 3 V/s 0.7 × V(B_IT--) V
V(B_IT–) See Figure 5-30 through Figure 5-32 dVCC/dt ≤ 3 V/s 1.35 V
Vhys(B_IT–) See Figure 5-30 dVCC/dt ≤ 3 V/s 140 mV
td(BOR) See Figure 5-30 2000 µs
t(reset) Pulse length needed at RST/NMI pin to accepted reset internally 2.2 V 2 µs
(1) The current consumption of the brownout module is already included in the ICC current consumption data. The voltage level V(B_IT–) + Vhys(B_IT–)is ≤ 1.8 V.
TPS65835 por_bor_vcc_las694.gif Figure 5-30 POR/Brownout Reset (BOR) vs Supply Voltage

5.5.1.14 Typical Characteristics, POR/Brownout Reset (BOR)

TPS65835 vccdrop_square_las694.gif Figure 5-31 VCC(drop) Level With a Square Voltage Drop to Generate a POR/Brownout Signal
TPS65835 vccdrop_triangle_las694.gif Figure 5-32 VCC(drop) Level With a Triangle Voltage Drop to Generate a POR/Brownout Signal

5.5.1.15 DCO Frequency

over recommended ranges of supply voltage and operating free-air temperature (unless otherwise noted)
PARAMETER TEST CONDITIONS VCC MIN TYP MAX UNIT
VCC Supply voltage RSELx < 14 1.8 3.6 V
RSELx = 14 2.2 3.6
RSELx = 15 3 3.6
fDCO(0,0) DCO frequency (0, 0) RSELx = 0, DCOx = 0, MODx = 0 3 V 0.06 0.14 MHz
fDCO(0,3) DCO frequency (0, 3) RSELx = 0, DCOx = 3, MODx = 0 3 V 0.07 0.17 MHz
fDCO(1,3) DCO frequency (1, 3) RSELx = 1, DCOx = 3, MODx = 0 3 V 0.15 MHz
fDCO(2,3) DCO frequency (2, 3) RSELx = 2, DCOx = 3, MODx = 0 3 V 0.21 MHz
fDCO(3,3) DCO frequency (3, 3) RSELx = 3, DCOx = 3, MODx = 0 3 V 0.30 MHz
fDCO(4,3) DCO frequency (4, 3) RSELx = 4, DCOx = 3, MODx = 0 3 V 0.41 MHz
fDCO(5,3) DCO frequency (5, 3) RSELx = 5, DCOx = 3, MODx = 0 3 V 0.58 MHz
fDCO(6,3) DCO frequency (6, 3) RSELx = 6, DCOx = 3, MODx = 0 3 V 0.54 1.06 MHz
fDCO(7,3) DCO frequency (7, 3) RSELx = 7, DCOx = 3, MODx = 0 3 V 0.80 1.50 MHz
fDCO(8,3) DCO frequency (8, 3) RSELx = 8, DCOx = 3, MODx = 0 3 V 1.6 MHz
fDCO(9,3) DCO frequency (9, 3) RSELx = 9, DCOx = 3, MODx = 0 3 V 2.3 MHz
fDCO(10,3) DCO frequency (10, 3) RSELx = 10, DCOx = 3, MODx = 0 3 V 3.4 MHz
fDCO(11,3) DCO frequency (11, 3) RSELx = 11, DCOx = 3, MODx = 0 3 V 4.25 MHz
fDCO(12,3) DCO frequency (12, 3) RSELx = 12, DCOx = 3, MODx = 0 3 V 4.30 7.30 MHz
fDCO(13,3) DCO frequency (13, 3) RSELx = 13, DCOx = 3, MODx = 0 3 V 6.00 7.8 9.60 MHz
fDCO(14,3) DCO frequency (14, 3) RSELx = 14, DCOx = 3, MODx = 0 3 V 8.60 13.9 MHz
fDCO(15,3) DCO frequency (15, 3) RSELx = 15, DCOx = 3, MODx = 0 3 V 12.0 18.5 MHz
fDCO(15,7) DCO frequency (15, 7) RSELx = 15, DCOx = 7, MODx = 0 3 V 16.0 26.0 MHz
SRSEL Frequency step between range RSEL and RSEL+1 SRSEL = fDCO(RSEL+1,DCO)/fDCO(RSEL,DCO) 3 V 1.35 ratio
SDCO Frequency step between tap DCO and DCO+1 SDCO = fDCO(RSEL,DCO+1)/fDCO(RSEL,DCO) 3 V 1.08 ratio
Duty cycle Measured at SMCLK output 3 V 50%

5.5.1.16 Calibrated DCO Frequencies, Tolerance

over recommended ranges of supply voltage and operating free-air temperature (unless otherwise noted)
PARAMETER TEST CONDITIONS TA VCC MIN TYP MAX UNIT
1-MHz tolerance over temperature(1) BCSCTL1 = CALBC1_1MHZ,
DCOCTL = CALDCO_1MHZ,
calibrated at 30°C and 3 V
0°C to 85°C 3 V –3% ±0.5% 3%
1-MHz tolerance over VCC BCSCTL1 = CALBC1_1MHZ,
DCOCTL = CALDCO_1MHZ,
calibrated at 30°C and 3 V
30°C 1.8 V to 3.6 V –3% ±2% 3%
1-MHz tolerance overall BCSCTL1 = CALBC1_1MHZ,
DCOCTL = CALDCO_1MHZ,
calibrated at 30°C and 3 V
–40°C to 85°C 1.8 V to 3.6 V –6% ±3% 6%
8-MHz tolerance over temperature(1) BCSCTL1 = CALBC1_8MHZ,
DCOCTL = CALDCO_8MHZ,
calibrated at 30°C and 3 V
0°C to 85°C 3 V –3% ±0.5% 3%
8-MHz tolerance over VCC BCSCTL1 = CALBC1_8MHZ,
DCOCTL = CALDCO_8MHZ,
calibrated at 30°C and 3 V
30°C 2.2 V to 3.6 V –3% ±2% 3%
8-MHz tolerance overall BCSCTL1 = CALBC1_8MHZ,
DCOCTL = CALDCO_8MHZ,
calibrated at 30°C and 3 V
–40°C to 85°C 2.2 V to 3.6 V –6% ±3% 6%
12-MHz tolerance over temperature(1) BCSCTL1 = CALBC1_12MHZ,
DCOCTL = CALDCO_12MHZ,
calibrated at 30°C and 3 V
0°C to 85°C 3 V –3% ±0.5% 3%
12-MHz tolerance over VCC BCSCTL1 = CALBC1_12MHZ,
DCOCTL = CALDCO_12MHZ,
calibrated at 30°C and 3 V
30°C 2.7 V to 3.6 V –3% ±2% 3%
12-MHz tolerance overall BCSCTL1 = CALBC1_12MHZ,
DCOCTL = CALDCO_12MHZ,
calibrated at 30°C and 3 V
–40°C to 85°C 2.7 V to 3.6 V –6% ±3% 6%
16-MHz tolerance over temperature(1) BCSCTL1 = CALBC1_16MHZ,
DCOCTL = CALDCO_16MHZ,
calibrated at 30°C and 3 V
0°C to 85°C 3 V –3% ±0.5% 3%
16-MHz tolerance over VCC BCSCTL1 = CALBC1_16MHZ,
DCOCTL = CALDCO_16MHZ,
calibrated at 30°C and 3 V
30°C 3.3 V to 3.6 V –3% ±2% 3%
16-MHz tolerance overall BCSCTL1 = CALBC1_16MHZ,
DCOCTL = CALDCO_16MHZ,
calibrated at 30°C and 3 V
–40°C to 85°C 3.3 V to 3.6 V –6% ±3% 6%
(1) This is the frequency change from the measured frequency at 30°C over temperature.

5.5.1.17 Wake-Up From Lower-Power Modes (LPM3/4)

over recommended ranges of supply voltage and operating free-air temperature (unless otherwise noted)
PARAMETER TEST CONDITIONS VCC MIN TYP MAX UNIT
tDCO,LPM3/4 DCO clock wake-up time from LPM3/4(1) BCSCTL1 = CALBC1_1MHz, DCOCTL = CALDCO_1MHz 3 V 1.5 µs
tCPU,LPM3/4 CPU wake-up time from LPM3/4(2) 1/fMCLK +
tClock,LPM3/4
(1) The DCO clock wake-up time is measured from the edge of an external wake-up signal (e.g., port interrupt) to the first clock edge observable externally on a clock pin (MCLK or SMCLK).
(2) Parameter applicable only if DCOCLK is used for MCLK.

5.5.1.18 Typical Characteristics, DCO Clock Wake-Up Time From LPM3/4

TPS65835 g_tdcowake_fdco_las694.gif Figure 5-33 DCO Wake-Up Time From LPM3 vs DCO Frequency

5.5.1.19 Crystal Oscillator, XT1, Low-Frequency Mode

over recommended ranges of supply voltage and operating free-air temperature (unless otherwise noted)
PARAMETER(1) TEST CONDITIONS VCC MIN TYP MAX UNIT
fLFXT1,LF LFXT1 oscillator crystal frequency, LF mode 0, 1 XTS = 0, LFXT1Sx = 0 or 1 1.8 V to 3.6 V 32768 Hz
fLFXT1,LF,logic LFXT1 oscillator logic level square wave input frequency, LF mode XTS = 0, XCAPx = 0, LFXT1Sx = 3 1.8 V to 3.6 V 10000 32768 50000 Hz
OALF Oscillation allowance for LF crystals XTS = 0, LFXT1Sx = 0,
fLFXT1,LF = 32768 Hz, CL,eff = 6 pF
500
XTS = 0, LFXT1Sx = 0,
fLFXT1,LF = 32768 Hz, CL,eff = 12 pF
200
CL,eff Integrated effective load capacitance, LF mode(2) XTS = 0, XCAPx = 0 1 pF
XTS = 0, XCAPx = 1 5.5
XTS = 0, XCAPx = 2 8.5
XTS = 0, XCAPx = 3 11
Duty cycle LF mode XTS = 0, Measured at P2.0/ACLK,
fLFXT1,LF = 32768 Hz
2.2 V 30% 50% 70%
fFault,LF Oscillator fault frequency, LF mode(4) XTS = 0, XCAPx = 0, LFXT1Sx = 3(3) 2.2 V 10 10000 Hz
(1) To improve EMI on the XT1 oscillator, the following guidelines should be observed.
  • Keep the trace between the device and the crystal as short as possible.
  • Design a good ground plane around the oscillator pins.
  • Prevent crosstalk from other clock or data lines into oscillator pins XIN and XOUT.
  • Avoid running PCB traces underneath or adjacent to the XIN and XOUT pins.
  • Use assembly materials and praxis to avoid any parasitic load on the oscillator XIN and XOUT pins.
  • If conformal coating is used, ensure that it does not induce capacitive/resistive leakage between the oscillator pins.
  • Do not route the XOUT line to the JTAG header to support the serial programming adapter as shown in other documentation. This signal is no longer required for the serial programming adapter.
(2) Includes parasitic bond and package capacitance (approximately 2 pF per pin). Since the PCB adds additional capacitance, it is recommended to verify the correct load by measuring the ACLK frequency. For a correct setup, the effective load capacitance should always match the specification of the used crystal.
(3) Measured with logic-level input frequency but also applies to operation with crystals.
(4) Frequencies below the MIN specification set the fault flag. Frequencies above the MAX specification do not set the fault flag. Frequencies in between might set the flag.

5.5.1.20 Internal Very-Low-Power Low-Frequency Oscillator (VLO)

over recommended ranges of supply voltage and operating free-air temperature (unless otherwise noted)
PARAMETER TA VCC MIN TYP MAX UNIT
fVLO VLO frequency –40°C to 85°C 3 V 4 12 20 kHz
dfVLO/dT VLO frequency temperature drift –40°C to 85°C 3 V 0.5 %/°C
dfVLO/dVCC VLO frequency supply voltage drift 25°C 1.8 V to 3.6 V 4 %/V

5.5.1.21 Timer_A

over recommended ranges of supply voltage and operating free-air temperature (unless otherwise noted)
PARAMETER TEST CONDITIONS VCC MIN TYP MAX UNIT
fTA Timer_A input clock frequency SMCLK, duty cycle = 50% ± 10% fSYSTEM MHz
tTA,cap Timer_A capture timing TA0, TA1 3 V 20 ns

5.5.1.22 USCI (UART Mode)

over recommended ranges of supply voltage and operating free-air temperature (unless otherwise noted)
PARAMETER TEST CONDITIONS VCC MIN TYP MAX UNIT
fUSCI USCI input clock frequency SMCLK, duty cycle = 50% ± 10% fSYSTEM MHz
fmax,BITCLK Maximum BITCLK clock frequency (equals baudrate in MBaud)(1) 3 V 2 MHz
tτ UART receive deglitch time(2) 3 V 50 100 600 ns
(1) The DCO wake-up time must be considered in LPM3/4 for baud rates above 1 MHz.
(2) Pulses on the UART receive input (UCxRX) shorter than the UART receive deglitch time are suppressed. To ensure that pulses are correctly recognized, their width should exceed the maximum specification of the deglitch time.

5.5.1.23 USCI (SPI Master Mode)

over recommended ranges of supply voltage and operating free-air temperature (unless otherwise noted) (see Figure 5-34 and Figure 5-35)
PARAMETER TEST CONDITIONS VCC MIN TYP MAX UNIT
fUSCI USCI input clock frequency SMCLK, duty cycle = 50% ± 10% fSYSTEM MHz
tSU,MI SOMI input data setup time 3 V 75 ns
tHD,MI SOMI input data hold time 3 V 0 ns
tVALID,MO SIMO output data valid time UCLK edge to SIMO valid, CL = 20 pF 3 V 20 ns
TPS65835 t_usci_spi_master_ckph0_las734.gif Figure 5-34 SPI Master Mode, CKPH = 0
TPS65835 t_usci_spi_master_ckph1_las734.gif Figure 5-35 SPI Master Mode, CKPH = 1

5.5.1.24 USCI (SPI Slave Mode)

over recommended ranges of supply voltage and operating free-air temperature (unless otherwise noted) (see Figure 5-36 and Figure 5-37)
PARAMETER TEST CONDITIONS VCC MIN TYP MAX UNIT
tSTE,LEAD STE lead time, STE low to clock 3 V 50 ns
tSTE,LAG STE lag time, Last clock to STE high 3 V 10 ns
tSTE,ACC STE access time, STE low to SOMI data out 3 V 50 ns
tSTE,DIS STE disable time, STE high to SOMI high impedance 3 V 50 ns
tSU,SI SIMO input data setup time 3 V 15 ns
tHD,SI SIMO input data hold time 3 V 10 ns
tVALID,SO SOMI output data valid time UCLK edge to SOMI valid,
CL = 20 pF
3 V 50 75 ns
TPS65835 t_usci_spi_slave_ckph0_las734.gif Figure 5-36 SPI Slave Mode, CKPH = 0
TPS65835 t_usci_spi_slave_ckph1_las734.gif Figure 5-37 SPI Slave Mode, CKPH = 1

5.5.1.25 USCI (I2C Mode)

over recommended ranges of supply voltage and operating free-air temperature (unless otherwise noted) (see Figure 5-38)
PARAMETER TEST CONDITIONS VCC MIN TYP MAX UNIT
fUSCI USCI input clock frequency SMCLK, duty cycle = 50% ± 10% fSYSTEM MHz
fSCL SCL clock frequency 3 V 0 400 kHz
tHD,STA Hold time (repeated) START fSCL ≤ 100 kHz 3 V 4.0 µs
fSCL > 100 kHz 0.6
tSU,STA Setup time for a repeated START fSCL ≤ 100 kHz 3 V 4.7 µs
fSCL > 100 kHz 0.6
tHD,DAT Data hold time 3 V 0 ns
tSU,DAT Data setup time 3 V 250 ns
tSU,STO Setup time for STOP 3 V 4.0 µs
tSP Pulse width of spikes suppressed by input filter 3 V 50 100 600 ns
TPS65835 t_usci_i2c_las734.gif Figure 5-38 I2C Mode Timing

5.5.1.26 Comparator_A+

over recommended ranges of supply voltage and operating free-air temperature (unless otherwise noted)
PARAMETER TEST CONDITIONS VCC MIN TYP MAX UNIT
I(DD)(1) CAON = 1, CARSEL = 0, CAREF = 0 3 V 45 µA
I(Refladder/ RefDiode) CAON = 1, CARSEL = 0, CAREF = 1/2/3,
No load at CA0 and CA1
3 V 45 µA
V(IC) Common–mode input voltage CAON = 1 3 V 0 VCC-1 V
V(Ref025) (Voltage at 0.25 VCC node) / VCC PCA0 = 1, CARSEL = 1, CAREF = 1,
No load at CA0 and CA1
3 V 0.24
V(Ref050) (Voltage at 0.5 VCC node) / VCC PCA0 = 1, CARSEL = 1, CAREF = 2,
No load at CA0 and CA1
3 V 0.48
V(RefVT) See Figure 5-39 and Figure 5-40 PCA0 = 1, CARSEL = 1, CAREF = 3,
No load at CA0 and CA1, TA = 85°C
3 V 490 mV
V(offset) Offset voltage(2) 3 V ±10 mV
Vhys Input hysteresis CAON = 1 3 V 0.7 mV
t(response) Response time
(low-high and high-low)
TA = 25°C, Overdrive 10 mV,
Without filter: CAF = 0
3 V 120 ns
TA = 25°C, Overdrive 10 mV,
With filter: CAF = 1
1.5 µs
(1) The leakage current for the Comparator_A+ terminals is identical to Ilkg(Px.y) specification.
(2) The input offset voltage can be cancelled by using the CAEX bit to invert the Comparator_A+ inputs on successive measurements. The two successive measurements are then summed together.

5.5.1.27 Typical Characteristics – Comparator_A+

TPS65835 g_vrefvt_temp_vcc3v_las695.gif Figure 5-39 V(RefVT) vs Temperature, VCC = 3 V
TPS65835 g_short_res_vin_vcc_las695.gif Figure 5-41 Short Resistance vs VIN/VCC
TPS65835 g_vrefvt_temp_vcc2p2v_las695.gif Figure 5-40 V(RefVT) vs Temperature, VCC = 2.2 V

5.5.1.28 10-Bit ADC, Power Supply and Input Range Conditions

over recommended ranges of supply voltage and operating free-air temperature (unless otherwise noted)(1)
PARAMETER TEST CONDITIONS TA VCC MIN TYP MAX UNIT
VCC Analog supply voltage VSS = 0 V 2.2 3.6 V
VAx Analog input voltage(2) All Ax terminals, Analog inputs selected in ADC10AE register 3 V 0 VCC V
IADC10 ADC10 supply current(3) fADC10CLK = 5.0 MHz,
ADC10ON = 1, REFON = 0, ADC10SHT0 = 1, ADC10SHT1 = 0, ADC10DIV = 0
25°C 3 V 0.6 mA
IREF+ Reference supply current, reference buffer disabled(4) fADC10CLK = 5.0 MHz,
ADC10ON = 0, REF2_5V = 0,
REFON = 1, REFOUT = 0
25°C 3 V 0.25 mA
fADC10CLK = 5.0 MHz,
ADC10ON = 0, REF2_5V = 1,
REFON = 1, REFOUT = 0
0.25
IREFB,0 Reference buffer supply current with ADC10SR  = 0(4) fADC10CLK = 5.0 MHz,
ADC10ON = 0, REFON = 1,
REF2_5V = 0, REFOUT = 1,
ADC10SR  = 0
25°C 3 V 1.1 mA
IREFB,1 Reference buffer supply current with ADC10SR  = 1(4) fADC10CLK = 5.0 MHz,
ADC10ON = 0, REFON = 1,
REF2_5V = 0, REFOUT = 1,
ADC10SR  = 1
25°C 3 V 0.5 mA
CI Input capacitance Only one terminal Ax can be selected at one time 25°C 3 V 27 pF
RI Input MUX ON resistance 0 V ≤ VAx ≤ VCC 25°C 3 V 1000 Ω
  1. The leakage current is defined in the leakage current table with Px.y/Ax parameter.
  2. The analog input voltage range must be within the selected reference voltage range VR+ to VR– for valid conversion results.
  3. The internal reference supply current is not included in current consumption parameter IADC10.
  4. The internal reference current is supplied via terminal VCC. Consumption is independent of the ADC10ON control bit, unless a conversion is active. The REFON bit enables the built-in reference to settle before starting an A/D conversion.

5.5.1.29 10-Bit ADC, Built-In Voltage Reference

over recommended ranges of supply voltage and operating free-air temperature (unless otherwise noted)
PARAMETER TEST CONDITIONS VCC MIN TYP MAX UNIT
VCC,REF+ Positive built-in reference analog supply voltage range IVREF+ ≤ 1 mA, REF2_5V = 0 2.2 V
IVREF+ ≤ 1 mA, REF2_5V = 1 2.9
VREF+ Positive built-in reference voltage IVREF+ ≤ IVREF+max, REF2_5V = 0 3 V 1.41 1.5 1.59 V
IVREF+ ≤ IVREF+max, REF2_5V = 1 2.35 2.5 2.65
ILD,VREF+ Maximum VREF+ load current 3 V ±1 mA
VREF+ load regulation IVREF+ = 500 µA ± 100 µA,
Analog input voltage VAx ≉ 0.75 V,
REF2_5V = 0
3 V ±2 LSB
IVREF+ = 500 µA ± 100 µA,
Analog input voltage VAx ≉ 1.25 V,
REF2_5V = 1
±2
VREF+ load regulation response time IVREF+ = 100 µA→900 µA,
VAx ≉ 0.5 × VREF+,
Error of conversion result ≤ 1 LSB,
ADC10SR = 0
3 V 400 ns
CVREF+ Maximum capacitance at pin VREF+ IVREF+ ≤ ±1 mA, REFON = 1, REFOUT = 1 3 V 100 pF
TCREF+ Temperature coefficient IVREF+ = const with 0 mA ≤ IVREF+ ≤ 1 mA 3 V ±100 ppm/ °C
tREFON Settling time of internal reference voltage to 99.9% VREF IVREF+ = 0.5 mA, REF2_5V = 0,
REFON = 0 → 1
3.6 V 30 µs
tREFBURST Settling time of reference buffer to 99.9% VREF IVREF+ = 0.5 mA,
REF2_5V = 1, REFON = 1,
REFBURST = 1, ADC10SR = 0
3 V 2 µs

5.5.1.30 10-Bit ADC, External Reference

over recommended ranges of supply voltage and operating free-air temperature (unless otherwise noted)(1)
PARAMETER TEST CONDITIONS VCC MIN TYP MAX UNIT
VEREF+ Positive external reference input voltage range (2) VEREF+ > VEREF–,
SREF1 = 1, SREF0 = 0
1.4 VCC V
VEREF– ≤ VEREF+ ≤ VCC – 0.15 V,
SREF1 = 1, SREF0 = 1 (3)
1.4 3
VEREF– Negative external reference input voltage range (4) VEREF+ > VEREF– 0 1.2 V
ΔVEREF Differential external reference input voltage range,
ΔVEREF = VEREF+ – VEREF–
VEREF+ > VEREF– (5) 1.4 VCC V
IVEREF+ Static input current into VEREF+ 0 V ≤ VEREF+ ≤ VCC,
SREF1 = 1, SREF0 = 0
3 V ±1 µA
0 V ≤ VEREF+ ≤ VCC – 0.15 V ≤ 3 V,
SREF1 = 1, SREF0 = 1(3)
3 V 0
IVEREF– Static input current into VEREF– 0 V ≤ VEREF– ≤ VCC 3 V ±1 µA
  1. The external reference is used during conversion to charge and discharge the capacitance array. The input capacitance, CI, is also the dynamic load for an external reference during conversion. The dynamic impedance of the reference supply should follow the recommendations on analog-source impedance to allow the charge to settle for 10-bit accuracy.
  2. The accuracy limits the minimum positive external reference voltage. Lower reference voltage levels may be applied with reduced accuracy requirements.
  3. Under this condition the external reference is internally buffered. The reference buffer is active and requires the reference buffer supply current IREFB. The current consumption can be limited to the sample and conversion period with REBURST = 1.
  4. The accuracy limits the maximum negative external reference voltage. Higher reference voltage levels may be applied with reduced accuracy requirements.
  5. The accuracy limits the minimum external differential reference voltage. Lower differential reference voltage levels may be applied with reduced accuracy requirements.

5.5.1.31 10-Bit ADC, Timing Parameters

over recommended ranges of supply voltage and operating free-air temperature (unless otherwise noted)
PARAMETER TEST CONDITIONS VCC MIN TYP MAX UNIT
fADC10CLK ADC10 input clock frequency For specified performance of ADC10 linearity parameters ADC10SR = 0 3 V 0.45 6.3 MHz
ADC10SR = 1 0.45 1.5
fADC10OSC ADC10 built-in oscillator frequency ADC10DIVx = 0, ADC10SSELx = 0,
fADC10CLK = fADC10OSC
3 V 3.7 6.3 MHz
tCONVERT Conversion time ADC10 built-in oscillator, ADC10SSELx = 0,
fADC10CLK = fADC10OSC
3 V 2.06 3.51 µs
fADC10CLK from ACLK, MCLK, or SMCLK: ADC10SSELx ≠ 0 13 ×
ADC10DIV ×
1/fADC10CLK
tADC10ON Turn-on settling time of the ADC  (1) 100 ns
(1) The condition is that the error in a conversion started after tADC10ON is less than ±0.5 LSB. The reference and input signal are already settled.

5.5.1.32 10-Bit ADC, Linearity Parameters

over recommended ranges of supply voltage and operating free-air temperature (unless otherwise noted)
PARAMETER TEST CONDITIONS VCC MIN TYP MAX UNIT
EI Integral linearity error 3 V ±1 LSB
ED Differential linearity error 3 V ±1 LSB
EO Offset error Source impedance RS < 100 Ω 3 V ±1 LSB
EG Gain error 3 V ±1.1 ±2 LSB
ET Total unadjusted error 3 V ±2 ±5 LSB

5.5.1.33 10-Bit ADC, Temperature Sensor and Built-In VMID

over recommended ranges of supply voltage and operating free-air temperature (unless otherwise noted)
PARAMETER TEST CONDITIONS VCC MIN TYP MAX UNIT
ISENSOR Temperature sensor supply current(1) REFON = 0, INCHx = 0Ah,
TA = 25°C
3 V 60 µA
TCSENSOR ADC10ON = 1, INCHx = 0Ah (2) 3 V 3.55 mV/°C
tSensor(sample) Sample time required if channel 10 is selected (3) ADC10ON = 1, INCHx = 0Ah,
Error of conversion result ≤ 1 LSB
3 V 30 µs
IVMID Current into divider at channel 11 ADC10ON = 1, INCHx = 0Bh 3 V  (4) µA
VMID VCC divider at channel 11 ADC10ON = 1, INCHx = 0Bh,
VMID ≉ 0.5 × VCC
3 V 1.5 V
tVMID(sample) Sample time required if channel 11 is selected (5) ADC10ON = 1, INCHx = 0Bh,
Error of conversion result ≤ 1 LSB
3 V 1220 ns
(1) The sensor current ISENSOR is consumed if (ADC10ON = 1 and REFON = 1) or (ADC10ON = 1 and INCH = 0Ah and sample signal is high). When REFON = 1, ISENSOR is included in IREF+. When REFON = 0, ISENSOR applies during conversion of the temperature sensor input (INCH = 0Ah).
(2) The following formula can be used to calculate the temperature sensor output voltage:
VSensor,typ = TCSensor (273 + T [°C] ) + VOffset,sensor [mV] or
VSensor,typ = TCSensor T [°C] + VSensor(TA = 0°C) [mV]
(3) The typical equivalent impedance of the sensor is 51 kΩ. The sample time required includes the sensor-on time tSENSOR(on).
(4) No additional current is needed. The VMID is used during sampling.
(5) The on-time tVMID(on) is included in the sampling time tVMID(sample); no additional on time is needed.

5.5.1.34 Flash Memory

over recommended ranges of supply voltage and operating free-air temperature (unless otherwise noted)
PARAMETER TEST CONDITIONS VCC MIN TYP MAX UNIT
VCC(PGM/ERASE) Program and erase supply voltage 2.2 3.6 V
fFTG Flash timing generator frequency 257 476 kHz
IPGM Supply current from VCC during program 2.2 V/3.6 V 1 5 mA
IERASE Supply current from VCC during erase 2.2 V/3.6 V 1 7 mA
tCPT Cumulative program time(1) 2.2 V/3.6 V 10 ms
tCMErase Cumulative mass erase time 2.2 V/3.6 V 20 ms
Program/erase endurance 104 105 cycles
tRetention Data retention duration TJ = 25°C 100 years
tWord Word or byte program time (2)  30 tFTG
tBlock, 0 Block program time for first byte or word (2)  25 tFTG
tBlock, 1-63 Block program time for each additional byte or word (2)  18 tFTG
tBlock, End Block program end-sequence wait time (2)  6 tFTG
tMass Erase Mass erase time (2)  10593 tFTG
tSeg Erase Segment erase time (2)  4819 tFTG
(1) The cumulative program time must not be exceeded when writing to a 64-byte flash block. This parameter applies to all programming methods: individual word/byte write and block write modes.
(2) These values are hardwired into the Flash Controller's state machine (tFTG = 1/fFTG).

5.5.1.35 RAM

over recommended ranges of supply voltage and operating free-air temperature (unless otherwise noted)
PARAMETER TEST CONDITIONS MIN MAX UNIT
V(RAMh) RAM retention supply voltage (1) CPU halted 1.6 V
(1) This parameter defines the minimum supply voltage VCC when the data in RAM remains unchanged. No program execution should happen during this supply voltage condition.

5.5.1.36 JTAG and Spy-Bi-Wire Interface

over recommended ranges of supply voltage and operating free-air temperature (unless otherwise noted)
PARAMETER TEST CONDITIONS VCC MIN TYP MAX UNIT
fSBW Spy-Bi-Wire input frequency 2.2 V 0 20 MHz
tSBW,Low Spy-Bi-Wire low clock pulse length 2.2 V 0.025 15 µs
tSBW,En Spy-Bi-Wire enable time
(TEST high to acceptance of first clock edge(1))
2.2 V 1 µs
tSBW,Ret Spy-Bi-Wire return to normal operation time 2.2 V 15 100 µs
fTCK TCK input frequency(2) 2.2 V 0 5 MHz
RInternal Internal pulldown resistance on TEST 2.2 V 25 60 90
(1) Tools accessing the Spy-Bi-Wire interface need to wait for the maximum tSBW,En time after pulling the TEST/SBWCLK pin high before applying the first SBWCLK clock edge.
(2) fTCK may be restricted to meet the timing requirements of the module selected.

5.5.1.37 JTAG Fuse

over recommended ranges of supply voltage and operating free-air temperature (unless otherwise noted)(1)
PARAMETER TEST CONDITIONS MIN MAX UNIT
VCC(FB) Supply voltage during fuse-blow condition TA = 25°C 2.5 V
VFB Voltage level on TEST for fuse blow 6 7 V
IFB Supply current into TEST during fuse blow 100 mA
tFB Time to blow fuse 1 ms
(1) Once the fuse is blown, no further access to the JTAG/Test, Spy-Bi-Wire, and emulation feature is possible, and JTAG is switched to bypass mode.

5.5.2 MSP430 Core Operation

NOTE

For support and specific questions related to the MSP430 in the TPS65835 device, please refer to TI's E2E PMU forum and post relevant questions to the forum at the following link:
TI E2E PMU Forum.

    Please format your posting as follows:

  • Title: TPS65835 "specific topic"
  • Body: Question, with supporting code and oscilloscope screen captures if applicable.

5.5.2.1 Description

The MSP430 integrated into the TPS65835 is from the MSP430x2xx family of ultralow-power microcontrollers. The architecture, combined with five low-power modes is optimized to achieve extended battery life in portable applications. The device features a powerful 16-bit RISC CPU, 16-bit registers, and constant generators that contribute to maximum code efficiency. The digitally controlled oscillator (DCO) allows wake-up from low-power modes to active mode in less than 1␣s. The list of the peripherals and modules included in this MSP430 are as follows:

  • Up to 16 MHz CPU
  • 16 kB Flash Memory
  • 512 B RAM
  • Basic Clock Module
    • Internal Frequencies up to 16 MHz with one Calibrated Frequency
    • Internal Very-Low-Power Low-Frequency (LF) Oscillator
    • 32 kHz Crystal Support
    • External Digital Clock Source
  • 10-Bit ADC
    • 200-ksps Analog-to-Digital (A/D) Converter with Internal Reference, Sample-and-Hold, and Autoscan
  • Comparator A+ (Comp_A+)
    • For Analog Signal Compare Function or Slope Analog-to-Digital (A/D) Conversion
  • Timer0_A3 and Timer1_A3
    • Up to Two 16-Bit Timer_A with Three Capture/Compare Registers
  • Watchdog WDT+
  • USCI A0, Universal Serial Communication Interface
    • Enhanced UART Supporting Auto Baudrate Detection (LIN)
    • IrDA Encoder and Decoder
    • Synchronous SPI
    • I2C
  • USCI B0, Universal Serial Communication Interface
    • Synchronous SPI
    • I2C
  • JTAG / Spy-By-Wire
TPS65835 TPS65835_MSP430_Block_Diagram.gif Figure 5-42 MSP430 Functional Block Diagram

5.5.2.2 Accessible MSP430 Pins

There are a number of internal pins connected between the MSP430 core and the power management core as well as external pins on the MSP430. Internal pins are not available externally but can be controlled by the MSP430 core in various ways. A table describing all available MSP430 pin functions (Table 5-7) along with a block diagram detailing the MSP430 core and the pin connectivity (see Figure 5-42) has been made available.

Table 5-7 Internally Connected Pins: MSP430 to Power Management Core

POWER MANAGEMENT CORE PIN MSP430 CORE PIN FUNCTIONALITY
VLDO AVCC / DVCC Voltage supplied by LDO on power management core, connected to MSP430 power management module
Enabled by SWITCH pin input
COMP P1.0 / A0 / CA0 Scaled down voltage of the BAT pin. Connected to Comparator_A+ channel CA0 or ADC channel A0 of the MSP430
To use COMP and Comp_A+ module function of the MSP430, the pin must be configured properly
DO NOT CONFIGURE THIS PIN AS A GPIO AND PULL THIS PIN UP OR DOWN, THIS WILL INCREASE THE OPERATING CURRENT OF THE DEVICE
BST_EN P3.2 Enable pin for the boost on the power management core, ACTIVE HIGH
CHG_EN P3.1 Enable pin for the charger on the power management core, ACTIVE HIGH
SLEEP P3.0 Can put entire device into SLEEP state dependent upon system events, e.g., extended loss of IR or RF synchronization (1)
HBL1 P2.0 Control pin 1 for left frame of active shutter glasses
HBL2 P2.3 Control pin 2 for left frame of active shutter glasses
HBR1 P2.4 Control pin 1 for right frame of active shutter glasses
HBR2 P2.5 Control pin 2 for right frame of active shutter glasses
(1) Note that the SLEEP signal can not be used to wake the system if it is already in the SLEEP state since the LDO used to power the MSP430 would be disabled in this state.

Table 5-8 Externally Available MSP430 Pins

PIN NAME I/O FUNCTIONALITY
P1.1/
TA0.0/
UCA0RXD/
UCA0SOMI/
A1/
CA1
I/O General-purpose digital I/O pin
Timer0_A, capture: CCI0A input, compare: Out0 output
USCI_A0 receive data input in UART mode
USCI_A0 slave data out/master in SPI mode
ADC10 analog input A1
Comparator_A+, CA1 input
P1.2/
TA0.1/
UCA0TXD/
UCA0SIMO/
A2/
CA2
I/O General-purpose digital I/O pin
Timer0_A, capture: CCI1A input, compare: Out1 output
USCI_A0 transmit data output in UART mode
USCI_A0 slave data in/master out in SPI mode
ADC10 analog input A2
Comparator_A+, CA2 input
P1.3/
ADC10CLK/
A3
VREF-/VEREF-/
CA3/
CAOUT
I/O General-purpose digital I/O pin
ADC10, conversion clock output
ADC10 analog input A3
ADC10 negative reference voltage
Comparator_A+, CA3 input
Comparator_A+, output
P1.4/
SMCLK/
UCB0STE
UCA0CLK/
A4
VREF+/VEREF+/
CA4
TCK
I/O General-purpose digital I/O pin
SMCLK signal output
USCI_B0 slave transmit enable
USCI_A0 clock input/output
ADC10 analog input A4
ADC10 positive reference voltage
Comparator_A+, CA4 input
JTAG test clock, input terminal for device programming and test
P1.5/
TA0.0/
UCB0CLK/
UCA0STE/
A5/
CA5/
TMS
I/O General-purpose digital I/O pin
Timer0_A, compare: Out0 output
USCI_B0 clock input/output
USCI_A0 slave transmit enable
ADC10 analog input A5
Comparator_A+, CA5 input
JTAG test mode select, input terminal for device programming and test
P1.6/
TA0.1/
A6/
CA6/
UCB0SOMI/
UCB0SCL/
TDI/TCLK
I/O General-purpose digital I/O pin
Timer0_A, compare: Out1 output
ADC10 analog input A6
Comparator_A+, CA6 input
USCI_B0 slave out/master in SPI mode
USCI_B0 SCL I2C clock in I2C mode
JTAG test data input or test clock input during programming and test
P1.7/
A7/
CA7/
CAOUT/
UCB0SIMO/
UCB0SDA/
TDO/TDI
I/O General-purpose digital I/O pin
ADC10 analog input A7
Comparator_A+, CA7 input
Comparator_A+, output
USCI_B0 slave in/master out in SPI mode
USCI_B0 SDA I2C data in I2C mode
JTAG test data output terminal or test data input during programming and test(1)
P2.1/
TA1.1
I/O General-purpose digital I/O pin
Timer1_A, capture: CCI1A input, compare: Out1 output
P2.2/
TA1.1
I/O General-purpose digital I/O pin
Timer1_A, capture: CCI1B input, compare: Out1 output
P2.6/
XIN/
TA0.1
I/O General-purpose digital I/O pin
XIN, Input terminal of crystal oscillator
TA0.1, Timer0_A, compare: Out1 output
P2.7/
XOUT
I/O General-purpose digital I/O pin
Output terminal of crystal oscillator(2))
P3.3/
TA1.2
I/O General-purpose digital I/O pin
Timer1_A, compare: Out2 output
P3.5/
TA0.1
I/O General-purpose digital I/O pin
Timer0_A, compare: Out0 output
nRST/
NMI/
SBWTDIO
I Reset
Nonmaskable interrupt input
Spy-Bi-Wire test data input/output during programming and test
TEST/
SBWTCK
I Selects test mode for JTAG pins on Port 1. The device protection fuse is connected to TEST.
Spy-Bi-Wire test clock input during programming and test
DVSS N/A MSP430 ground reference
(1) TDO or TDI is selected via JTAG instruction.
(2) If P2.7 is used as an input, excess current will flow until P2SEL.7 is cleared. This is due to the oscillator output driver connection to this pad after reset.

5.5.2.3 MSP430 Port Functions and Programming Options

This section details the programming options that are available for each of the pins that are accessible on the MSP430.

Table 5-9 Internal MSP430 Pin Functions and Programming Options

PIN NAME
(P_.x)(2)
x FUNCTION MSP430 CONTROL BITS / SIGNALS (1)
P_DIR.x P_SEL.x P_SEL2.x ADC10AE.x
INCH.x=1
CAPD.y
P1.0/ 0 P1.x (I/O) I: 0; O: 1 0 0 0 0
A0/ A0 X X X 1 (y = 0) 0
CA0 CA0 X X X 0 1 (y = 0)
P2.0/ 0 P2.x (I/O), HBL1 internal signal I: 0; O: 1 0 0
TA1.0 Timer1_A3.TA0 1 1 0
P2.3/ 3 P2.x (I/O), HBL2 internal signal I: 0; O: 1 0 0
TA1.0 Timer1_A3.TA0 1 1 0
P2.4/ 4 P2.x (I/O), HBR1 internal signal I: 0; O: 1 0 0
TA1.2 Timer1_A3.TA2 1 1 0
P2.5/ 5 P2.x (I/O), HBR2 internal signal I: 0; O: 1 0 0
TA1.2 Timer1_A3.TA2 1 1 0
P3.0/ 0 P3.x (I/O), SLEEP signal I: 0; O: 1 0 0
TA0.2 Timer0_A3.TA2 1 1 0
P3.1/ 1 P3.x (I/O), CHG_EN signal, ACTIVE HIGH I: 0; O: 1 0 0
TA1.2 Timer1_A3.TA2 1 1 0
P3.2/ 2 P3.x (I/O), BST_EN signal, ACTIVE HIGH I: 0; O: 1 0 0
TA1.2 Timer1_A3.TA2 1 1 0
(1) X = don't care, — = not applicable
(2) Example: To program port P2.0, the appropriate control bits and MSP430 signals would need to be referenced as P2DIR.0, P2SEL.0, and P2SEL2.0.

Table 5-10 External MSP430 Port 1 Functions and Programming Options

PIN NAME
(P1.x)(2)
x FUNCTION MSP430 CONTROL BITS / SIGNALS (1)
P1DIR.x P1SEL.x P1SEL2.x ADC10AE.x
INCH.x=1
CAPD.y
P1.1/ 1 P1.x (I/O) I: 0; O: 1 0 0 0 0
TA0.0/ TA0.0 1 1 0 0 0
TA0.CCI0A 0 1 0 0 0
UCA0RXD/ UCA0RXD from USCI 1 1 0 0
UCA0SOMI/ UCA0SOMI from USCI 1 1 0 0
A1/ A1 X X X 1 (y = 1) 0
CA1/ CA1 X X X 0 1 (y = 1)
Pin Osc Capacitive sensing X 0 1 0 0
P1.2/ 2 P1.x (I/O) I: 0; O: 1 0 0 0 0
TA0.1/ TA0.1 1 1 0 0 0
TA0.CCI1A 0 1 0 0 0
UCA0TXD/ UCA0TXD from USCI 1 1 0 0
UCA0SIMO/ UCA0SIMO from USCI 1 1 0 0
A2/ A2 X X X 1 (y = 2) 0
CA2/ CA2 X X X 0 1 (y = 2)
Pin Osc Capacitive sensing X 0 1 0 0
P1.3/ 3 P1.x (I/O) I: 0; O: 1 0 0 0 0
ADC10CLK/ ADC10CLK 1 1 0 0 0
A3/ A3 X X X 1 (y = 3) 0
VREF-/ VREF- X X X 1 0
VEREF-/ VEREF- X X X 1 0
CA3 CA3 X X X 0 1 (y = 3)
Pin Osc Capacitive sensing X 0 1 0 0
P1.4/ 4 P1.x (I/O) I: 0; O: 1 0 0 0 0
SMCLK/ SMCLK 1 1 0 0 0
UCB0STE/ UCB0STE from USCI 1 1 1 (y = 4) 0
UCA0CLK/ UCA0CLK from USCI 1 1 1 (y = 4) 0
VREF+/ VREF+ X X X 1 0
VEREF+/ VEREF+ X X X 1 0
A4/ A4 X X X 1 (y = 4) 0
CA4/ CA4 X X X 0 1 (y = 4)
TCK/ TCK (JTAG Mode = 1) X X X 0 0
Pin Osc Capacitive sensing X 0 1 0 0
P1.5/ 5 P1.x (I/O) I: 0; O: 1 0 0 0 0
TA0.0/ TA0.0 1 1 0 0 0
UCB0CLK/ UCB0CLK from USCI 1 1 0 0
UCA0STE/ UCA0STE from USCI 1 1 0 0
A5/ A5 X X X 1 (y = 5) 0
CA5/ CA5 X X X 0 1 (y = 5)
TMS/ TMS (JTAG Mode = 1) X X X 0 0
Pin Osc Capacitive sensing X 0 1 0 0
P1.6/ 6 P1.x (I/O) I: 0; O: 1 0 0 0 0
TA0.1/ TA0.1 1 1 0 0 0
UCB0SOMI/ UCB0SOMI from USCI 1 1 0 0
UCB0SCL/ UCB0SCL from USCI 1 1 0 0
A6/ A6 X X X 1 (y = 6) 0
CA6/ CA6 X X X 0 1 (y = 6)
TDI/TCLK/ TDI/TCLK (JTAG Mode = 1) X X X 0 0
Pin Osc Capacitive sensing X 0 1 0 0
P1.7/ 7 P1.x (I/O) I: 0; O: 1 0 0 0 0
UCB0SIMO/ UCB0SIMO from USCI 1 1 0 0
UCB0SDA/ UCB0SDA from USCI 1 1 0 0
A7/ A7 X X X 1 (y = 7) 0
CA7/ CA7 X X X 0 1 (y = 7)
CAOUT/ CAOUT 1 1 0 0 0
TDO/TDI/ TDO/TDI (JTAG Mode = 1) X X X 0 0
Pin Osc Capacitive sensing X 0 1 0 0
(1) X = don't care
(2) Example: To program port P1.1, the appropriate control bits and MSP430 signals would need to be referenced as P1DIR.1, P1SEL.1, and P1SEL2.1.

Table 5-11 External MSP430 Port 2 Functions and Programming Options

PIN NAME
(P2.x)(2)
x FUNCTION MSP430 CONTROL BITS / SIGNALS (1)
P2DIR.x P2SEL.x P2SEL2.x
P2.1/ 1 P2.x (I/O) I: 0; O: 1 0 0
TA1.1/ Timer1_A3.CCI1A 0 1 0
Timer1_A3.TA1 1 1 0
Pin Osc Capacitive sensing X 0 1
P2.2/ 2 P2.x (I/O) I: 0; O: 1 0 0
TA1.1/ Timer1_A3.CCI1B 0 1 0
Timer1_A3.TA1 1 1 0
Pin Osc Capacitive sensing X 0 1
P2.6/ 6 P2.x (I/O) I: 0; O: 1 0 0
XIN/ XIN, LFXT1 Oscillator Input 0 1 0
TA0.1/ Timer0_A3.TA1 1 1 0
Pin Osc Capacitive sensing X 0 1
P2.7/ 7 P2.x (I/O) I: 0; O: 1 0 0
XOUT/ XOUT, LFXT1 Oscillator Output 1 1 0
Pin Osc Capacitive sensing X 0 1
(1) X = don't care
(2) Example: To program port P2.1, the appropriate control bits and MSP430 signals would need to be referenced as P2DIR.1, P2SEL.1, and P2SEL2.1.

Table 5-12 External MSP430 Port 3 Functions and Programming Options

PIN NAME
(P3.x)(2)
x FUNCTION MSP430 CONTROL BITS / SIGNALS (1)
P3DIR.x P3SEL.x P3SEL2.x
P3.3/ 3 P3.x (I/O) I: 0; O: 1 0 0
TA1.1/ Timer1_A3.TA2 1 1 0
Pin Osc Capacitive sensing X 0 1
P3.5/ 5 P3.x (I/O) I: 0; O: 1 0 0
TA1.1/ Timer0_A3.TA2 1 1 0
Pin Osc Capacitive sensing X 0 1
(1) X = don't care
(2) Example: To program port P3.3, the appropriate control bits and MSP430 signals would need to be referenced as P3DIR.3, P3SEL.3, and P3SEL2.3.

5.5.2.4 Operating Modes

The MSP430 has one active mode and five software-selectable low-power modes of operation. An interrupt event can wake up the device from any of the five low-power modes, service the request, and restore back to the low-power mode on return from the interrupt program.

The following six operating modes can be configured by software:

  • Active mode (AM)
    • All clocks are active
  • Low-power mode 0 (LPM0)
    • CPU is disabled
    • ACLK and SMCLK remain active, MCLK is disabled
  • Low-power mode 1 (LPM1)
    • CPU is disabled
    • ACLK and SMCLK remain active, MCLK is disabled
    • DCO's dc-generator is disabled if DCO not used in active mode
  • Low-power mode 2 (LPM2)
    • CPU is disabled
    • MCLK and SMCLK are disabled
    • DCO's dc-generator remains enabled
    • ACLK remains active
  • Low-power mode 3 (LPM3)
    • CPU is disabled
    • MCLK and SMCLK are disabled
    • DCO's dc-generator is disabled
    • ACLK remains active
  • Low-power mode 4 (LPM4)
    • CPU is disabled
    • ACLK is disabled
    • MCLK and SMCLK are disabled
    • DCO's dc-generator is disabled
    • Crystal oscillator is stopped

5.5.2.5 MSP430x2xx User's Guide

To view the user's guide for the MSP430 integrated into this device, see MSP430x2xx Family User's Guide. The list of peripherals found in this MSP430 is listed in the section: Section 5.5.2.1.