SLVSAF6A June   2011  – January 2016 TPS65835

PRODUCTION DATA.  

  1. Device Overview
    1. 1.1 Features
    2. 1.2 Applications
    3. 1.3 Description
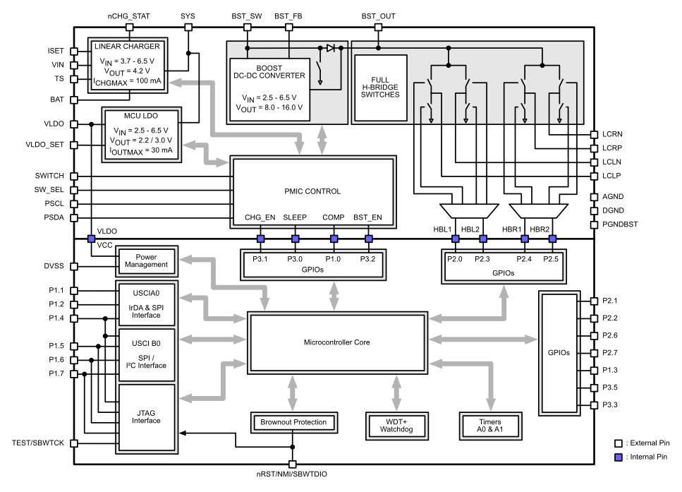
    4. 1.4 Block Diagram
  2. Revision History
  3. Terminal Configuration and Functions
    1. 3.1 Pin Diagram
    2. 3.2 Pin Functions
  4. Specifications
    1. 4.1 Absolute Maximum Ratings
    2. 4.2 ESD Ratings
    3. 4.3 Power-On Hours (POH)
    4. 4.4 Recommended Operating Conditions
    5. 4.5 Thermal Information
    6. 4.6 Electrical Characteristics
    7. 4.7 Quiescent Current
    8. 4.8 Typical Characteristics
  5. Detailed Description
    1. 5.1 Overview
    2. 5.2 Functional Block Diagram
    3. 5.3 Feature Description
      1. 5.3.1 System Operation
        1. 5.3.1.1 System Power Up
        2. 5.3.1.2 System Operation Using Push Button Switch
        3. 5.3.1.3 System Operation Using Slider Switch
      2. 5.3.2 Linear Charger Operation
        1. 5.3.2.1 Battery and TS Detection
        2. 5.3.2.2 Battery Charging
          1. 5.3.2.2.1 Pre-charge
          2. 5.3.2.2.2 Charge Termination
          3. 5.3.2.2.3 Recharge
          4. 5.3.2.2.4 Charge Timers
        3. 5.3.2.3 Charger Status (nCHG_STAT Pin)
      3. 5.3.3 LDO Operation
        1. 5.3.3.1 LDO Internal Current Limit
      4. 5.3.4 Boost Converter Operation
        1. 5.3.4.1 Boost Thermal Shutdown
        2. 5.3.4.2 Boost Load Disconnect
      5. 5.3.5 Full H-Bridge Analog Switches
        1. 5.3.5.1 H-Bridge Switch Control
      6. 5.3.6 Power Management Core Control
        1. 5.3.6.1 SLEEP / Power Control Pin Function
        2. 5.3.6.2 COMP Pin Functionality
        3. 5.3.6.3 SW_SEL Pin Functionality
        4. 5.3.6.4 SWITCH Pin
        5. 5.3.6.5 Slider Switch Behavior
        6. 5.3.6.6 Push-Button Switch Behavior
    4. 5.4 Device Functional Modes
      1. 5.4.1 SLEEP State
      2. 5.4.2 NORMAL Operating Mode
    5. 5.5 MSP430 CORE
      1. 5.5.1 MSP430 Electrical Characteristics
        1. 5.5.1.1  MSP430 Recommended Operating Conditions
        2. 5.5.1.2  Active Mode Supply Current Into VCC Excluding External Current
        3. 5.5.1.3  Typical Characteristics, Active Mode Supply Current (Into VCC)
        4. 5.5.1.4  Low-Power Mode Supply Currents (Into VCC) Excluding External Current
        5. 5.5.1.5  Typical Characteristics, Low-Power Mode Supply Currents
        6. 5.5.1.6  Schmitt-Trigger Inputs, Ports Px
        7. 5.5.1.7  Leakage Current, Ports Px
        8. 5.5.1.8  Outputs, Ports Px
        9. 5.5.1.9  Output Frequency, Ports Px
        10. 5.5.1.10 Typical Characteristics, Outputs
        11. 5.5.1.11 Pin-Oscillator Frequency - Ports Px
        12. 5.5.1.12 Typical Characteristics, Pin-Oscillator Frequency
        13. 5.5.1.13 POR/Brownout Reset (BOR)
        14. 5.5.1.14 Typical Characteristics, POR/Brownout Reset (BOR)
        15. 5.5.1.15 DCO Frequency
        16. 5.5.1.16 Calibrated DCO Frequencies, Tolerance
        17. 5.5.1.17 Wake-Up From Lower-Power Modes (LPM3/4)
        18. 5.5.1.18 Typical Characteristics, DCO Clock Wake-Up Time From LPM3/4
        19. 5.5.1.19 Crystal Oscillator, XT1, Low-Frequency Mode
        20. 5.5.1.20 Internal Very-Low-Power Low-Frequency Oscillator (VLO)
        21. 5.5.1.21 Timer_A
        22. 5.5.1.22 USCI (UART Mode)
        23. 5.5.1.23 USCI (SPI Master Mode)
        24. 5.5.1.24 USCI (SPI Slave Mode)
        25. 5.5.1.25 USCI (I2C Mode)
        26. 5.5.1.26 Comparator_A+
        27. 5.5.1.27 Typical Characteristics - Comparator_A+
        28. 5.5.1.28 10-Bit ADC, Power Supply and Input Range Conditions
        29. 5.5.1.29 10-Bit ADC, Built-In Voltage Reference
        30. 5.5.1.30 10-Bit ADC, External Reference
        31. 5.5.1.31 10-Bit ADC, Timing Parameters
        32. 5.5.1.32 10-Bit ADC, Linearity Parameters
        33. 5.5.1.33 10-Bit ADC, Temperature Sensor and Built-In VMID
        34. 5.5.1.34 Flash Memory
        35. 5.5.1.35 RAM
        36. 5.5.1.36 JTAG and Spy-Bi-Wire Interface
        37. 5.5.1.37 JTAG Fuse
      2. 5.5.2 MSP430 Core Operation
        1. 5.5.2.1 Description
        2. 5.5.2.2 Accessible MSP430 Pins
        3. 5.5.2.3 MSP430 Port Functions and Programming Options
        4. 5.5.2.4 Operating Modes
        5. 5.5.2.5 MSP430x2xx User's Guide
  6. Application and Implementation
    1. 6.1 Application Information
    2. 6.2 Typical Application
      1. 6.2.1 Active Shutter 3D Glasses
        1. 6.2.1.1 Design Requirements
        2. 6.2.1.2 Detailed Design Procedure
          1. 6.2.1.2.1 Boost Converter Application Information
            1. 6.2.1.2.1.1 Setting Boost Output Voltage
            2. 6.2.1.2.1.2 Boost Inductor Selection
            3. 6.2.1.2.1.3 Boost Capacitor Selection
          2. 6.2.1.2.2 Bypassing Default Push-Button SWITCH Functionality
          3. 6.2.1.2.3 MSP430 Programming
            1. 6.2.1.2.3.1 Code To Setup Power Functions
        3. 6.2.1.3 Application Curves
  7. Power Supply Recommendations
  8. Layout
    1. 8.1 Layout Guidelines
    2. 8.2 Layout Example
  9. Device and Documentation Support
    1. 9.1 Device Support
      1. 9.1.1 Third-Party Products Disclaimer
    2. 9.2 Community Resources
    3. 9.3 Trademarks
    4. 9.4 Electrostatic Discharge Caution
    5. 9.5 Glossary
  10. 10Mechanical, Packaging, and Orderable Information
    1. 10.1 Packaging Information

封装选项

机械数据 (封装 | 引脚)
散热焊盘机械数据 (封装 | 引脚)
订购信息

1 Device Overview

1.1 Features

  • Power Management Core
    • Linear Charger
      • Three Charger Phases: Pre-Charge, Fast Charge, and Charge Termination
      • LED Current Sinks for Power Good and Charger Status Indication
    • Low-Dropout Regulator (LDO) Supply for External Modules & Integrated MSP430 Power
    • Boost Converter
      • Adjustable Output Voltage: 8 V to 16 V
    • Full H-Bridge Analog Switches
      • Internally Controlled by MSP430 Core for System Functions
  • MSP430 Core
    • Ultralow Power Consumption
      • Active Mode: 280 µA at 1 MHz, 2.2 V
      • Standby Mode: 0.5 µA
      • Off Mode (RAM Retention): 0.1 µA
    • Five Power-Saving Modes
    • 16-Bit RISC Architecture
    • 16-kB Flash
    • Two 16-Bit Timer_A Modules with Three Capture/Compare Registers
    • 10-Bit 200-ksps A/D Converter with Internal Reference, Sample-and-Hold, and Autoscan
    • Universal Serial Communications Interface, Supports IrDA Encode/Decode and Synchronous SPI
      • Enhanced UART Supporting Auto Baudrate Detection (LIN)
      • IrDA Encoder and Decoder
      • Synchronous SPI
      • I2C
    • Serial Onboard Programming
      • No External Programming Voltage Needed
      • Programmable Code Protection by Security Fuse
    • For Complete Module Descriptions, See the MSP430x2xx Family User's Guide (SLAU144)

1.2 Applications

    Active Shutter 3D Glasses

1.3 Description

The TPS65835 is a power management unit (PMU) for active shutter 3D glasses consisting of a power management core and an MSP430 microcontroller. The power management core has an integrated power path, linear charger, LDO, boost converter, and full H-bridge analog switches for left and right shutter operation in a pair of active shutter 3D glasses. The MSP430 core supports the synchronization and communications from an IR, RF, or other communications module through the integrated universal serial communications and timer interfaces for operation of the H-bridge switches on the power management core.

Device Information(1)

PART NUMBER PACKAGE BODY SIZE (NOM)
TPS65735 VSON (32) 4.00 mm x 4.00 mm
(1) For more information, see Section 10, Mechanical Packaging and Orderable Information.

1.4 Block Diagram

TPS65835 TPS65835_System_Block_Diagram.gif Figure 1-1 TPS65835 Simplified Functional Block Diagram