SLVSAY9F December   2012  – March 2016 TPS65320-Q1

PRODUCTION DATA.  

  1. Features
  2. Applications
  3. Description
  4. Revision History
  5. Pin Configuration and Functions
  6. Specifications
    1. 6.1 Absolute Maximum Ratings
    2. 6.2 ESD Ratings
    3. 6.3 Recommended Operating Conditions
    4. 6.4 Thermal Information
    5. 6.5 Electrical Characteristics
    6. 6.6 Timing Requirements
    7. 6.7 Switching Characteristics
    8. 6.8 Typical Characteristics
  7. Detailed Description
    1. 7.1 Overview
    2. 7.2 Functional Block Diagram
    3. 7.3 Feature Description
      1. 7.3.1 Buck Regulator
        1. 7.3.1.1  Fixed-Frequency PWM Control
        2. 7.3.1.2  Slope Compensation Output
        3. 7.3.1.3  Pulse-Skip Eco-mode™ Control Scheme
        4. 7.3.1.4  Dropout Operation and Bootstrap Voltage (BOOT)
        5. 7.3.1.5  Error Amplifier
        6. 7.3.1.6  Voltage Reference
        7. 7.3.1.7  Adjusting the Output Voltage
        8. 7.3.1.8  Soft-Start and Tracking Pin (SS/TR)
        9. 7.3.1.9  Overload Recovery Circuit
        10. 7.3.1.10 Constant Switching Frequency and Timing Resistor (RT/CLK Pin)
        11. 7.3.1.11 Overcurrent Protection and Frequency Shift
        12. 7.3.1.12 Selecting the Switching Frequency
        13. 7.3.1.13 How to Interface to RT/CLK Pin
        14. 7.3.1.14 Overvoltage Transient Protection
        15. 7.3.1.15 Thermal Shutdown
        16. 7.3.1.16 Small-Signal Model for Loop Response
        17. 7.3.1.17 Simple Small-Signal Model for Peak-Current Mode Control
        18. 7.3.1.18 Small-Signal Model for Frequency Compensation
      2. 7.3.2 LDO Regulator
        1. 7.3.2.1 Charge-Pump Operation
        2. 7.3.2.2 Low-Voltage Tracking
        3. 7.3.2.3 Power-Good Output, nRST
      3. 7.3.3 Enable and Undervoltage Lockout
    4. 7.4 Device Functional Modes
      1. 7.4.1 Modes of Operation
  8. Application and Implementation
    1. 8.1 Application Information
    2. 8.2 Typical Applications
      1. 8.2.1 2.2-MHz Switching Frequency, 9-V to 16-V Input, 5-V Output Buck Regulator, 3.3-V Output LDO Regulator
        1. 8.2.1.1 Design Requirements
        2. 8.2.1.2 Detailed Design Procedure
          1. 8.2.1.2.1  Switching Frequency Selection for the Buck Regulator
          2. 8.2.1.2.2  Output Inductor Selection for the Buck Regulator
          3. 8.2.1.2.3  Output Capacitor Selection for the Buck Regulator
          4. 8.2.1.2.4  Catch Diode Selection for the Buck Regulator
          5. 8.2.1.2.5  Input Capacitor Selection for the Buck Regulator
          6. 8.2.1.2.6  Soft-Start Capacitor Selection for the Buck Regulator
          7. 8.2.1.2.7  Bootstrap Capacitor Selection for the Buck Regulator
          8. 8.2.1.2.8  Output Voltage and Feedback Resistor Selection for the Buck Regulator
          9. 8.2.1.2.9  Frequency Compensation Selection for the Buck Regulator
          10. 8.2.1.2.10 LDO Regulator
          11. 8.2.1.2.11 Power Dissipation
            1. 8.2.1.2.11.1 Power Dissipation Losses of the Buck Regulator
          12. 8.2.1.2.12 Power Dissipation Losses of the LDO Regulator
          13. 8.2.1.2.13 Total Device Power Dissipation Losses and Junction Temperature
        3. 8.2.1.3 Application Curves
      2. 8.2.2 Design Example With 500-kHz Switching Frequency
        1. 8.2.2.1 Design Requirements
        2. 8.2.2.2 Detailed Design Procedure
          1. 8.2.2.2.1 Selecting the Switching Frequency
          2. 8.2.2.2.2 Output Inductor Selection
          3. 8.2.2.2.3 Output Capacitor
          4. 8.2.2.2.4 Compensation
        3. 8.2.2.3 Application Curve
  9. Power Supply Recommendations
  10. 10Layout
    1. 10.1 Layout Guidelines
      1. 10.1.1 Inductor (L)
      2. 10.1.2 Input Filter Capacitors (CI)
      3. 10.1.3 Resistive Feedback Networks
      4. 10.1.4 Traces and Ground Plane
    2. 10.2 Layout Example
  11. 11Device and Documentation Support
    1. 11.1 Device Support
      1. 11.1.1 Third-Party Products Disclaimer
    2. 11.2 Documentation Support
      1. 11.2.1 Related Documentation
    3. 11.3 Community Resource
    4. 11.4 Trademarks
    5. 11.5 Electrostatic Discharge Caution
    6. 11.6 Glossary
  12. 12Mechanical, Packaging, and Orderable Information

封装选项

请参考 PDF 数据表获取器件具体的封装图。

机械数据 (封装 | 引脚)
  • PWP|14
散热焊盘机械数据 (封装 | 引脚)
订购信息

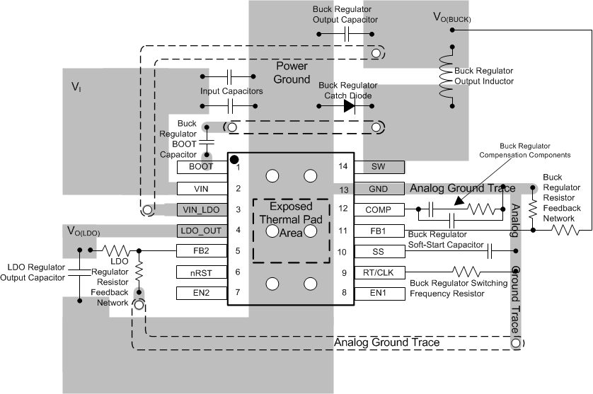
10 Layout

10.1 Layout Guidelines

TI recommends the following guidelines for PCB layout of the TPS65320-Q1 buck regulator. This layout example is based on TPS65320EVM (SLVU691).

10.1.1 Inductor (L)

Use a low-EMI inductor with a ferrite-type shielded core. Other types of inductors can be used; however, these inductors must have low-EMI characteristics and be located away from the low-power traces and components in the circuit.

10.1.2 Input Filter Capacitors (CI)

Locate input ceramic filter capacitors in close proximity to the VIN pin. TI recommends surface-mount (SM) capacitors to minimize lead length and reduce noise coupling.

10.1.3 Resistive Feedback Networks

Route the feedback trace so that it has minimum interaction with any noise sources associated with the switching components. The recommended practice is to ensure the inductor is placed away from the feedback trace to prevent creating an EMI noise source.

10.1.4 Traces and Ground Plane

All power (high-current) traces should be as thick and short as possible. The inductor and output capacitor of the buck regulator should be as close to each other as possible which reduces EMI radiated by the power traces because of high switching currents. In a two-sided PCB, TI recommends having ground planes on both sides of the PCB to help reduce noise and ground loop errors. The ground connection for the input and output capacitors and IC ground should connect to this ground plane. In a multi-layer PCB, the ground plane separates the power plane (where high switching currents and components are) from the signal plane (where the feedback trace and components are) for improved performance. Also, arrange the components such that the switching-current loops curl in the same direction. Place the high-current components such that during conduction the current path is in the same direction which prevents magnetic field reversal caused by the traces between the two half-cycles, and helps reduce radiated EMI.

10.2 Layout Example

TPS65320-Q1 layout_example_slvsay9.gif Figure 25. TPS65320-Q1 Layout Example
TPS65320-Q1 layout_front_slvsay9.gif Figure 26. TPS65320-Q1 Layout Example — Top Side
TPS65320-Q1 layout_back_slvsay9.gif Figure 27. TPS65320-Q1 Layout Example — Bottom Side