SLVS496D SEPTEMBER   2003  – August 2016 TPS65100 , TPS65101 , TPS65105

PRODUCTION DATA.  

  1. Features
  2. Applications
  3. Description
  4. Revision History
  5. Device Options
  6. Pin Configuration and Functions
  7. Specifications
    1. 7.1 Absolute Maximum Ratings
    2. 7.2 ESD Ratings
    3. 7.3 Recommended Operating Conditions
    4. 7.4 Thermal Information
    5. 7.5 Electrical Characteristics
    6. 7.6 Dissipation Ratings
    7. 7.7 Typical Characteristics
  8. Detailed Description
    1. 8.1 Overview
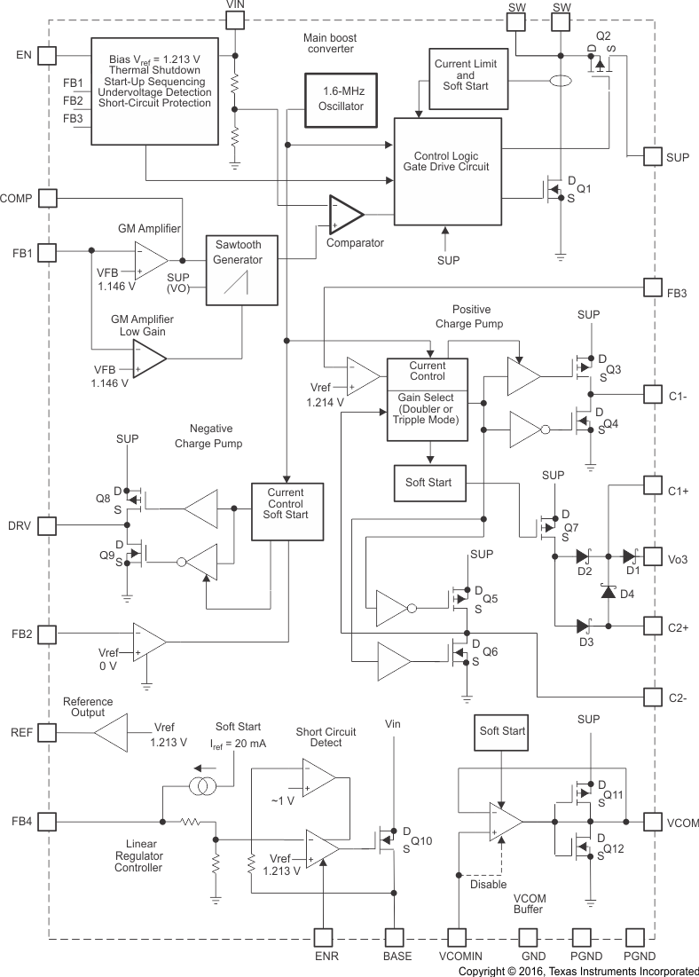
    2. 8.2 Functional Block Diagram
    3. 8.3 Feature Description
      1. 8.3.1  Main Boost Converter
      2. 8.3.2  VCOM Buffer
      3. 8.3.3  Enable and Power-On Sequencing
      4. 8.3.4  Positive Charge Pump
      5. 8.3.5  Negative Charge Pump
      6. 8.3.6  Linear Regulator Controller
      7. 8.3.7  Soft Start
      8. 8.3.8  Fault Protection
      9. 8.3.9  Thermal Shutdown
      10. 8.3.10 Linear Regulator Controller
    4. 8.4 Device Functional Modes
      1. 8.4.1 Enable and Disable
      2. 8.4.2 Fault Mode
        1. 8.4.2.1 Overvoltage Protection
        2. 8.4.2.2 Short-Circuit Protection
  9. Application and Implementation
    1. 9.1 Application Information
    2. 9.2 Typical Applications
      1. 9.2.1 Design Requirements
      2. 9.2.2 Detailed Design Procedure
        1. 9.2.2.1 Boost Converter Design Procedure
          1. 9.2.2.1.1 Inductor Selection
          2. 9.2.2.1.2 Output Capacitor Selection
          3. 9.2.2.1.3 Input Capacitor Selection
          4. 9.2.2.1.4 Rectifier Diode Selection
          5. 9.2.2.1.5 Converter Loop Design and Stability
          6. 9.2.2.1.6 Design Procedure Quick Steps
          7. 9.2.2.1.7 Setting the Output Voltage and Selecting the Feedforward Capacitor
        2. 9.2.2.2 Negative Charge Pump
        3. 9.2.2.3 Positive Charge Pump
        4. 9.2.2.4 VCOM Buffer
      3. 9.2.3 Application Curves
    3. 9.3 System Examples
      1. 9.3.1 Notebook Supply
      2. 9.3.2 Monitor Supply
  10. 10Power Supply Recommendations
  11. 11Layout
    1. 11.1 Layout Guidelines
    2. 11.2 Layout Example
    3. 11.3 Thermal Performance
  12. 12Device and Documentation Support
    1. 12.1 Device Support
      1. 12.1.1 Third-Party Products Disclaimer
    2. 12.2 Documentation Support
      1. 12.2.1 Related Documentation
    3. 12.3 Related Links
    4. 12.4 Receiving Notification of Documentation Updates
    5. 12.5 Community Resource
    6. 12.6 Trademarks
    7. 12.7 Electrostatic Discharge Caution
    8. 12.8 Glossary
  13. 13Mechanical, Packaging, and Orderable Information

封装选项

请参考 PDF 数据表获取器件具体的封装图。

机械数据 (封装 | 引脚)
  • RGE|24
  • PWP|24
散热焊盘机械数据 (封装 | 引脚)
订购信息

8 Detailed Description

8.1 Overview

The TPS6510x series consists of a main boost converter operating with a fixed switching frequency of 1.6 MHz to allow for small external components. The boost converter output voltage VO1 is also the input voltage, connected through the pin SUP, for the positive and negative charge pumps and the bias supply for the VCOM buffer. The linear regulator controller is independent from this system with its own enable pin. This allows the linear regulator controller to continue to operate while the other supply rails are disabled or in shutdown due to a fault condition on one of their outputs. See Functional Block Diagram for more information.

8.2 Functional Block Diagram

TPS65100 TPS65101 TPS65105 fbd_lvs496.gif

8.3 Feature Description

8.3.1 Main Boost Converter

The main boost converter operates with PWM and a fixed switching frequency of 1.6 MHz. The converter uses a unique fast response, voltage mode controller scheme with input voltage feedforward. This achieves excellent line and load regulation (typical is 0.2% A) and allows the use of small external components. To add higher flexibility to the selection of external component values the device uses external loop compensation. Although the boost converter looks like a nonsynchronous boost converter topology operating in discontinuous mode at light load, the TPS6510x series maintains continuous conduction even at light load currents. This is accomplished using the Virtual Synchronous Converter Technology for improved load transient response. This architecture uses an external Schottky diode and an integrated MOSFET in parallel connected between SW and SUP (see the functional block diagram). The integrated MOSFET Q2 allows the inductor current to become negative at light load conditions. For this purpose, a small integrated P-channel MOSFET with typical rDS(on) of around10 Ω is sufficient. When the inductor current is positive, the external Schottky diode with the lower forward voltage conducts the current. This causes the converter to operate with a fixed frequency in continuous conduction mode over the entire load current range. This avoids the ringing on the switch pin as seen with a standard nonsynchronous boost converter and allows a simpler compensation for the boost converter.

8.3.2 VCOM Buffer

VCOMIN is the input of the VCOM buffer. If the VCOM buffer is not required for certain applications, it is possible to shut down the VCOM buffer by statically connecting VCOMIN to ground, reducing the overall quiescent current. The VCOM pin can be left open in this case. The VCOM buffer features soft start avoiding a large voltage drop at VO1 during start-up. During operation the VCOMIN cannot be pulled dynamically to ground.

8.3.3 Enable and Power-On Sequencing

The device has two enable pins. These pins should be terminated and not left floating to prevent unpredictable operation. Pulling the enable pin (EN) high enables the device and starts the power on sequencing with the main boost converter VO1 coming up first then the negative and positive charge pump and the VCOM buffer. If the VCOMIN pin is low, the VCOM buffer remains disabled. The linear regulator has an independent enable pin (ENR). Pulling this pin low disables the regulator, and pulling this pin high enables this regulator.

If the enable pin EN is pulled high, the device starts its power on sequencing. The main boost converter starts up first with its soft start. If the output voltage has reached 91.25% of its output voltage, the negative charge pump comes up next. The negative charge pump starts with a soft start and when the output voltage has reached 91% of the nominal value, the positive charge pump comes up with a soft start. The VCOM buffer is enabled as soon as the positive charge pump has reached its nominal value and VCOMIN is greater than typically 1.0 V. Pulling the enable pin low shuts down the device. Depended on load current and output capacitance, each of the outputs goes down.

8.3.4 Positive Charge Pump

The TPS6510x series has a fully regulated integrated positive charge pump generating VO3. The input voltage for the charge pump is applied to the SUP pin that is equal to the output of the main boost converter VO1. The charge pump is capable of supplying a minimum load current of 20 mA. Depending on the voltage difference between VO1 and VO3 higher load currents are possible.

8.3.5 Negative Charge Pump

The TPS6510x series has a regulated negative charge pump using two external Schottky diodes. The input voltage for the charge pump is applied to the SUP pin that is connected to the output of the main boost converter VO1. The charge pump inverts the main boost converter output voltage and is capable of supplying a minimum load current of 20 mA. Depending on the voltage difference between VO1 and VO1, higher load currents are possible. See Figure 12.

8.3.6 Linear Regulator Controller

The TPS6510x series includes a linear regulator controller to generate a 3.3-V rail which is useful when the system is powered from a 5-V supply. The regulator is independent from the other voltage rails of the device and has its own enable (ENR). Since most of the systems require this voltage rail to come up first it is recommended to use a R-C delay on EN. This delays the start-up of the main boost converter which will reduce the inrush current as well. If the linear regulator is not used then it is recommended to pull ENR pin to GND and to pull BASE and FB4 pin to VIN.

8.3.7 Soft Start

The main boost converter as well as the charge pumps, linear regulator, and VCOM buffer have an internal soft start. This avoids heavy voltage drops at the input voltage rail or at the output of the main boost converter VO1 during start-up caused by high inrush currents. See Figure 10 and Figure 11. During soft start of the main boost converter VO1 the internal current limit threshold is increased in three steps. The device starts with the first step where the current limit is set to 2/5 of the typical current limit (2/5 of 2.3A) for 1024 clock cycles then increased to 3/5 of the current limit for 1024 clock cycles and the 3rd step is the full current limit. The TPS65101 has an extended soft-start time where each step is 2048 clock cycles.

8.3.8 Fault Protection

All the outputs of the TPS65100 and TPS65105 have short-circuit detection where the device enters shutdown. The TPS65101, as an exception, does not enter shutdown in case one of the outputs falls below its power good threshold. The main boost converter has overvoltage and undervoltage protection. If the output voltage VO1 rises above the overvoltage protection threshold of typically 5% of VO1, then the device stops switching but remains operational. When the output voltage falls below this threshold again, then the converter continues operation. When the output voltage falls below power good threshold of typically 8.75% of VO1, in case of a short-circuit condition, then the TPS65100 and TPS65105 goes into shutdown. Because there is a direct pass from the input to the output through the diode, the short-circuit condition remains. If this condition needs to be avoided, a fuse at the input or an output disconnect using a single transistor and resistor is required. The negative and positive charge pumps have an undervoltage lockout to protect the LCD panel of possible latch-up conditions in case of a short-circuit condition or faulty operation. When the negative output voltage is typically above 9.5% of its output voltage (closer to ground), then the device enters shutdown. When the positive charge pump output voltage VO3 is below 8% typical of its output voltage, then the device goes into shutdown as well.

See the fault protection thresholds section in the Electrical Characteristics table. The device can be enabled again by toggling the enable pin EN below 0.4 V or by cycling the input voltage below the undervoltage threshold of 2.2 V. The linear regulator reduces the output current to typical 20 mA under a short-circuit condition when the output voltage is typically < 1 V. See the Functional Block Diagram. The linear regulator does not go into shutdown under a short-circuit condition.

8.3.9 Thermal Shutdown

A thermal shutdown is implemented to prevent damage due to excessive heat and power dissipation. Typically, the thermal shutdown threshold is 160°C. If this temperature is reached, the device goes into shutdown. The device can be enabled by toggling the enable pin to low and back to high or by cycling the input voltage to GND and back to VI again.

8.3.10 Linear Regulator Controller

The TPS6510x series includes a linear regulator controller to generate a 3.3-V rail when the system is powered from a 5-V supply. Because an external NPN transistor is required, the input voltage of the TPS6510x series applied to VI needs to be higher than the output voltage of the regulator. To provide a minimum base drive current of 13.5 mA, a minimum internal voltage drop of 500 mV from VI to V(BASE) is required.

This can be translated into a minimum input voltage on VI for a certain output voltage as Equation 1 shows:

Equation 1. VI(min)= VO4 + VBE + 0.5 V

The base drive current together with the hFE of the external transistor determines the possible output current. Using a standard NPN transistor like the BCP68 allows an output current of 1 A and using the BCP54 allows a load current of 337 mA for an input voltage of 5 V. Other transistors can be used as well depending on the required output current, power dissipation, and PCB space. The device is stable with a 4.7-µF ceramic output capacitor. Larger output capacitor values can be used to improve the load transient response when higher load currents are required.

8.4 Device Functional Modes

8.4.1 Enable and Disable

VI ≥ VIT+: When the input voltage is above the undervoltage lockout threshold, the device is turned on and the power-on sequencing starts.

VI ≤ VIT-: When the input voltage is below the undervoltage lockout threshold, the device turns off and all functions are disabled.

8.4.2 Fault Mode

8.4.2.1 Overvoltage Protection

VO1 > 105% of VO1 (typical): device stops switching but remains operational. When the output falls below this threshold, the converter continues operation.

8.4.2.2 Short-Circuit Protection

VO1 < 91.25% of VO1 (typical): device goes into shutdown. Because there is a direct pass from input to output through the diode, the short-circuit condition remains. A fuse at the input or an output disconnect can avoid this condition.

VO2 < 91% of VO2 (typical): device goes into shutdown. The device can be enabled by toggling the enable pin (EN) below 0.4 V or by cycling the input voltage below VIT-.

VO3 < 92% of VO3 (typical): device goes into shutdown. The device can be enabled by toggling the enable pin (EN) below 0.4 V or by cycling the input voltage below VIT-.

VO4 < 1 V (typical): linear regulator reduces output current to typical 20 mA. It does not go into shutdown.