ZHCSA37B August   2012  – August 2019 TPS63036

PRODUCTION DATA.  

  1. 特性
  2. 应用
  3. 说明
    1.     Device Images
      1.      T48 路多路复用 LC6948
      2.      效率与输出电流间的关系
  4. 修订历史记录
  5. Pin Configuration and Functions
    1.     Pin Functions
  6. Specifications
    1. 6.1 Absolute Maximum Ratings
    2. 6.2 ESD Ratings
    3. 6.3 Recommended Operating Conditions
    4. 6.4 Thermal Information
    5. 6.5 Electrical Characteristics
    6. 6.6 Typical Characteristics
  7. Detailed Description
    1. 7.1 Overview
    2. 7.2 Functional Block Diagram
    3. 7.3 Feature Description
      1. 7.3.1 Device Enable
      2. 7.3.2 Overvoltage Protection
      3. 7.3.3 Undervoltage Lockout
      4. 7.3.4 Overtemperature Protection
    4. 7.4 Device Functional Modes
      1. 7.4.1 Soft-Start and Short Circuit Protection
      2. 7.4.2 Buck-Boost Operation
      3. 7.4.3 Control Loop
      4. 7.4.4 Power-Save Mode and Synchronization
  8. Application and Implementation
    1. 8.1 Application Information
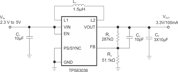
    2. 8.2 Typical Application
      1. 8.2.1 Design Requirements
      2. 8.2.2 Detailed Design Procedure
        1. 8.2.2.1 Inductor Selection
        2. 8.2.2.2 Capacitor Selection
          1. 8.2.2.2.1 Input Capacitor
          2. 8.2.2.2.2 Output Capacitor
        3. 8.2.2.3 Setting the Output Voltage
        4. 8.2.2.4 Current Limit
      3. 8.2.3 Application Curves
  9. Power Supply Recommendations
  10. 10Layout
    1. 10.1 Layout Guidelines
    2. 10.2 Layout Example
    3. 10.3 Thermal Considerations
  11. 11器件和文档支持
    1. 11.1 器件支持
      1. 11.1.1 第三方产品免责声明
    2. 11.2 社区资源
    3. 11.3 商标
    4. 11.4 静电放电警告
    5. 11.5 Glossary
  12. 12机械、封装和可订购信息

封装选项

机械数据 (封装 | 引脚)
散热焊盘机械数据 (封装 | 引脚)
订购信息

Typical Application

TPS63036 appvalue-lcd.gif
Figure 4. Typical Operating Circuit