ZHCSDE4A December 2014 – February 2015 TPS62184
PRODUCTION DATA.
NOTE
Information in the following applications sections is not part of the TI component specification, and TI does not warrant its accuracy or completeness. TI’s customers are responsible for determining suitability of components for their purposes. Customers should validate and test their design implementation to confirm system functionality.
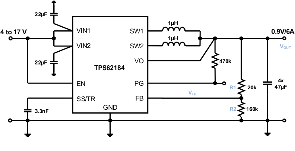
The TPS62184 is a switched mode step-down converter, able to convert a 4-V to 17-V input voltage into a 0.9-V to 3.5-V output voltage, providing up to 6 A. It needs a minimum amount of external components. Apart from the LC output filter and the input capacitors only an optional pull-up resistor for Power Good (PG) and a small capacitor for adjustable soft start are used. To adjust the output voltage, an resistive divider is needed.
Figure 8. Typical 4-V to 17-V Input, 0.9-V Output Converter
The design guideline provides a component selection to operate the device within the recommended operating conditions. The component selection is given as follows:
| REFERENCE NAME | DESCRIPTION / VALUE | MANUFACTURER(1) |
|---|---|---|
| TPS62184YZF | 2 phase step down converter, 2 x 3 mm WCSP | Texas Instruments |
| L1, L2 | Inductor XFL4020-102ME, 1 µH ±20%, 4 x 4 x 2.1 mm | Coilcraft |
| CIN | Ceramic capacitor GRM21BR61E226ME44, 2 x 22 µF, 25 V, X5R, 0805 | muRata |
| COUT | Ceramic capacitor GRM21BR60J476ME15, 4 x 47 µF, 6.3 V, X5R, 0805 | muRata |
| CSS | Ceramic capacitor, 3.3 nF | Standard |
| R1 | Chip resistor, value depending on VOUT | Standard |
| R2 | Chip resistor, value depending on VOUT | Standard |
| R3 | Chip resistor, 470 kΩ, 0603, 1/16 W, 1% | Standard |
The output voltage of the TPS62184 is programmed using an external resistive divider. While the voltage at the FB pin is regulated to 0.8 V, the output voltage range is specified from 0.9 up to 3.5 V. The value of the output voltage is set by selection of the resistive divider (from VOUT to FB to AGND) from Equation 9.

The current through those resistors contributes to the light load efficiency, which makes larger resistor values beneficial. However, to get sufficient noise immunity a minimum current of 5 µA is recommended. Using this, the resistor values are calculated by converting Equation 9 as follows:

Inserting the R2 value in Equation 11, R1 can be obtained.

Calculating for VOUT = 1.0 V gives R1 = 40 kΩ and R2=160 kΩ.
In case the FB pin gets opened or an over voltage appears at the output, an internal clamp limits the output voltage to about 7.4 V.
Since the TPS62184 is compensated internally, it is optimized for a range of external component values, which is specified below. Table 2 and Table 3 are used to simplify the output filter component selection.
| 2 x 47 µF | 4 x 47 µF | 6 x 47 µF | 8 x 47 µF | |
|---|---|---|---|---|
| 0.47 µH | ||||
| 1.0 µH | √ | √ | √ | √ |
| 1.5 µH |
| 2 x 47 µF | 4 x 47 µF | 6 x 47 µF | 8 x 47 µF | |
|---|---|---|---|---|
| 0.68 µH | ||||
| 1.0 µH | √ | √ | ||
| 1.5 µH |
For the output capacitors, a voltage rating of 6.3 V and an X5R dielectric are chosen. If space allows for higher voltage rated capacitors in larger case sizes, the dc bias effect is lowered and the effective capacitance value increases.
The TPS62184 is designed to work with two inductors of 1 µH nominal. Inductors have to be selected for adequate saturation current and a low dc resistance (DCR). The minimum inductor current rating IL(min) that is needed under static load conditions is calculated using Equation 12 and Equation 13. A current imbalance of 10% at most is incorporated.


This calculation gives the minimum saturation current of the inductor needed and an additional margin of about 20% is recommended to cover dynamic overshoot due to load transients. The maximum current limit can be reached during strong load transient or overload condition. To avoid device over stress due to inductor saturation in this case, the inductor rating must be as high as the max. current limit of 5A.
For low profile solutions, the physical inductor size and the power losses have to be traded off. Smallest solution size (for example with chip inductors) are less efficient than bigger inductors with lower losses due to lower DCR and/or core losses. The following inductors have been tested with the TPS62184:
| TYPE | INDUCTANCE [µH] | CURRENT RATING MIN/TYP [A] (1) | DCR MAX [mΩ] | DIMENSIONS (LxBxH) [mm] | MANUFACTURER(2) |
|---|---|---|---|---|---|
| DFE252012P-1R0M | 1 ±20% | 4.3/4.8 | 42 | 2.5 x 2.0 x 1.2 | TOKO |
| PIFE32251B-1R0MS | 1 ±20% | 4.2/4.7 | 42 | 3.2 x 2.5 x 1.2 | CYNTEC |
| PIME031B-1R0MS | 1 ±20% | 4.5/5.4 | 55 | 3.7 x 3.3 x 1.2 | CYNTEC |
| IHLP1212AB-11 | 1 ±20% | /5.0 | 37.5 | 3.6 x 3.0 x 1.2 | VISHAY |
| IHLP1212AE-11 | 1 ±20% | /5.3 | 33 | 3.6 x 3.0 x 1.5 | VISHAY |
| 744 373 24 010 | 1 ±20% | />9 | 27 | 4.0 x 4.5 x 1.8 | WUERTH |
| XAL4020-102ME_ | 1 ±20% | /8.7 | 14.6 | 4.0 x 4.0 x 2.1 | COILCRAFT |
The TPS62184 is not designed to operate with only one inductor.
The TPS62184 provides an output voltage range of 0.9 V to 3.5 V. While stability is a critical criteria for the output filter selection, the output capacitor value also determines transient response behavior, ripple and accuracy of VOUT. Table 5 gives recommendations to achieve various transient design targets using 1-µH inductors and small sized output capacitors (see Table 1).
| OUTPUT VOLTAGE [V] | LOAD STEP [A] | (NOMINAL) CAPACITOR VALUE(1) | TYPICAL TRANSIENT RESPONSE ACCURACY | |
|---|---|---|---|---|
| ±mV | ±% | |||
| 0.9(2) | 2-6-2(3) | 4 x 47 µF | 90 | 10 |
| 6 x 47 µF | 70 | 8 | ||
| 1.8 | 2-6-2(3) | 2 x 47 µF | 150 | 8 |
| 4 x 47 µF | 120 | 7 | ||
| 8 x 47 µF | 90 | 5 | ||
| 3.3 | 2-6-2(3) | 2 x 47 µF | 170 | 5 |
| 4 x 47 µF | 135 | 4 | ||
| 8 x 47 µF | 100 | 3 | ||
The architecture of the TPS62184 allows the use of tiny ceramic output capacitors with low equivalent series resistance (ESR). These capacitors provide low output voltage ripple and are recommended. To keep its low resistance up to high frequencies and to get narrow capacitance variation with temperature, it is recommended to use X7R or X5R dielectrics. Using even higher values than demanded for stability and transient response has further advantages like smaller voltage ripple and tighter dc output accuracy in Power Save Mode.
The input current of a buck converter is pulsating. Therefore, a low ESR input capacitor is required to prevent large voltage transients and provide peak currents. The recommended value for most applications is 2 x 22 µF, split between the VIN1 and VIN2 inputs and placed as close as possible to these pins and PGND pins. If additional capacitance is needed, it can be added as bulk capacitance. To ensure proper operation, the effective capacitance at the VIN pins must not fall below 2 x 2 µF (close) + 10 µF bulk (effective capacitances).
Low ESR multilayer ceramic capacitors are recommended for best filtering. Increasing with input voltage, the dc bias effect reduces the nominal capacitance value significantly. To decrease input ripple current further, larger values of input capacitors can be used.
The TPS62184 provides a user programmable soft start time. A constant current source of 5 µA, internally connected to the SS/TR pin, allows control of the startup slope by connecting a capacitor to this pin. The current source charges the capacitor and the soft start time is given by:

where CSS is the soft-start capacitance required at the SS/TR pin and tss is the resulting soft-start ramp time.
The SS/TR pin should not be left floating and a minimum capacitance of 220 pF is recommended. Using Equation 14, and inserting tSS = 750 µs, a value of 3 nF is calculated. 3.3 nF is chosen as a standard value for this example.
The TPS62184 provides a very accurate EN threshold voltage. This can be used to switch on the device according to a VIN or another voltage level by using a resistive divider as shown below. The values of REN1 and REN2, needed to set EN = High at a specific VIN can be calculated according to Kirchhoff's laws, shown in Equation 15 and used in the following example:

Figure 9. Resistive Divider for Controlled EN Threshold
For a typical 8-V input rail, the device turn on target value is set to 5.5 V. The current through the resistive divider is set to 10 µA, which indicates a total resistance of about 800 kΩ. Appropriate standard resistor values, fitting Equation 15, are REN1 = 680 kΩ and REN2 = 150 kΩ. As a result, the device switches on, when VIN has reached 5.5 V and the current through the divider is 9.6 µA. The device switches off at a threshold of 0.9 V. Using Equation 15 again, this case gives a level of VIN = 5.0 V.
Figure 30 to Figure 33 show thresholds and appropriate device behavior with a startup time of about 800 µs.
VIN = 12 V, VOUT = 3.3 V, TA = 25°C, (unless otherwise noted)

| VOUT = 3.3V |

| VOUT = 1.8V |

| VOUT = 0.9V |


| VOUT = 0.9V | ||

| VOUT = 0.9V | ||

| VOUT = 0.9V | ||

| IOUT = 3 A | VOUT = 0.9V | |

| COUT = 6 x 47 µF | VOUT = 0.9V | |

| VOUT = 0.9V | ||

| VIN = 5.5 V (Rising), VIN = 5.0 V (Falling) | ||

| VIN = 5.5 V (Rising) | ||

| VOUT = 3.3V |

| VOUT = 1.8V |

| VOUT = 0.9V |


| VOUT = 3.3V | ||

| VOUT = 0.9V | ||

| VOUT = 0.9V | ||

| IOUT = 50 mA | VOUT = 0.9V | |

| COUT = 6 x 47 µF | VOUT = 0.9V | |

| VOUT = 0.9V | ||


| VIN = 5.0 V (Falling) | ||
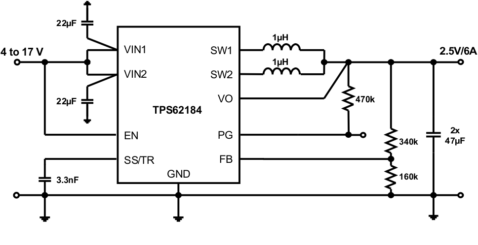
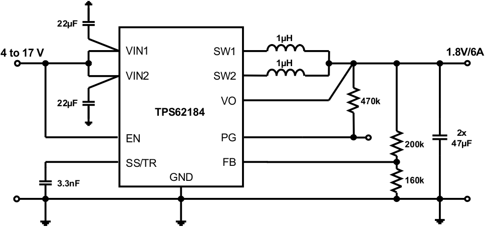
Based on Figure 8, the schematics shown in Figure 34 through Figure 38 show different output voltage divider values to get different VOUT. Another design target is to have about 5-µA current through the divider.
The values for the voltage divider are derived using the procedure given in Programming the Output Voltage. While Equation 10 and Equation 11 are used to calculate R2 and R1, the values are aligned with standard resistor values.
Figure 34. 1.0-V/6-A Power Supply
Figure 35. 1.2-V/6-A Power Supply
Figure 36. 1.8-V/6-A Power Supply
Figure 37. 2.5-V/6-A Power Supply
Figure 38. 3.3-V/6-A Power Supply