ZHCSCQ4B August   2014  – May 2017 TPS62180 , TPS62182

PRODUCTION DATA.  

  1. 特性
  2. 应用
  3. 说明
  4. 修订历史记录
  5. Device Comparison Table
  6. Pin Configuration and Functions
  7. Specifications
    1. 7.1 Absolute Maximum Ratings
    2. 7.2 ESD Ratings
    3. 7.3 Recommended Operating Conditions
    4. 7.4 Thermal Information
    5. 7.5 Electrical Characteristics
    6. 7.6 Typical Characteristics
  8. Detailed Description
    1. 8.1 Overview
    2. 8.2 Functional Block Diagram
    3. 8.3 Feature Description
      1. 8.3.1 Enable / Shutdown (EN)
      2. 8.3.2 Soft Start / Tracking (SS/TR)
      3. 8.3.3 Power Good (PG)
      4. 8.3.4 Undervoltage Lockout (UVLO)
      5. 8.3.5 Thermal Shutdown
    4. 8.4 Device Functional Modes
      1. 8.4.1 Pulse Width Modulation (PWM) Operation
      2. 8.4.2 Power Save Mode (PSM) Operation
      3. 8.4.3 Minimum Duty Cycle and 100% Mode Operation
      4. 8.4.4 Automatic Efficiency Enhancement (AEE)
      5. 8.4.5 Phase-Shifted Operation
      6. 8.4.6 Current Limit, Current Balancing, and Short Circuit Protection
      7. 8.4.7 Tracking
      8. 8.4.8 Operation with Fixed VOUT
  9. Application and Implementation
    1. 9.1 Application Information
    2. 9.2 Typical Applications
      1. 9.2.1 Typical TPS62180 Application
        1. 9.2.1.1 Design Requirements
        2. 9.2.1.2 Detailed Design Procedure
          1. 9.2.1.2.1 Custom Design With WEBENCH® Tools
          2. 9.2.1.2.2 Programming the Output Voltage
          3. 9.2.1.2.3 Output Filter Selection
          4. 9.2.1.2.4 Inductor Selection
          5. 9.2.1.2.5 Output Capacitor Selection
          6. 9.2.1.2.6 Input Capacitor Selection
          7. 9.2.1.2.7 Soft Start Capacitor Selection
        3. 9.2.1.3 Application Performance Curves
      2. 9.2.2 TPS62180 Low Profile Solution
        1. 9.2.2.1 Design Requirements
        2. 9.2.2.2 Detailed Design Procedure
          1. 9.2.2.2.1 Inductor
          2. 9.2.2.2.2 Input and Output Capacitors
          3. 9.2.2.2.3 Soft Start Capacitor
          4. 9.2.2.2.4 Using the Accurate EN Threshold
        3. 9.2.2.3 Application Performance Curves
    3. 9.3 TPS62180 Output Voltage Application Examples
      1. 9.3.1 Application Schematic Examples
      2. 9.3.2 Design Requirements
      3. 9.3.3 External Component Selection
  10. 10Power Supply Recommendations
  11. 11Layout
    1. 11.1 Layout Guidelines
      1. 11.1.1 PCB Layout
    2. 11.2 Layout Example
  12. 12器件和文档支持
    1. 12.1 器件支持
      1. 12.1.1 Third-Party Products Disclaimer
    2. 12.2 相关链接
    3. 12.3 商标
    4. 12.4 静电放电警告
    5. 12.5 Glossary
  13. 13机械、封装和可订购信息

封装选项

机械数据 (封装 | 引脚)
散热焊盘机械数据 (封装 | 引脚)
订购信息

Application and Implementation

NOTE

Information in the following applications sections is not part of the TI component specification, and TI does not warrant its accuracy or completeness. TI’s customers are responsible for determining suitability of components for their purposes. Customers should validate and test their design implementation to confirm system functionality.

Application Information

The TPS62180/2 are switched mode step-down converters, able to convert a 4-V to 15-V input voltage into a lower 0.9-V to 6-V output voltage, providing up to 6 A. It needs a minimum amount of external components. Apart from the LC output filter and the input capacitors only an optional pull-up resistor for Power Good (PG) and a small capacitor for adjustable soft start are used. The TPS62180 with an adjustable output voltage needs an additional resistive divider to set the output voltage level.

Typical Applications

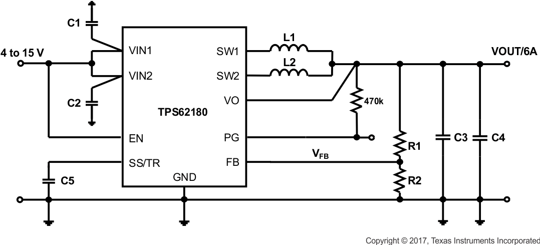
Typical TPS62180 Application

TPS62180 TPS62182 SLVSBB8_typapp_adj.gif Figure 10. Typical 4-V to 15-V Input, 6A Converter

spacing

Design Requirements

The design guideline provides a component selection to operate the device within the recommended operating conditions. The component selection is given in Table 2 and gives a total solution size of about 99 mm2 with a maximum height of 2.1 mm:

spacing

Table 2. Components Used for Application Characteristics

REFERENCE NAME DESCRIPTION / VALUE MANUFACTURER
TPS62180YZF 2 phase step down converter, 2 x 3 mm WCSP Texas Instruments
L1, L2 Inductor XFL4020-102ME, 1 µH ±20%, 4 x 4 x 2.1 mm Coilcraft
C1, C2 Ceramic capacitor GRM21BR61E226ME44, 2 x 22 µF, 25 V, X5R, 0805 muRata
C3, C4 Ceramic capacitor GRM21BR60J476ME15, 2 x 47 µF, 6.3 V, X5R, 0805 muRata
C5 Ceramic capacitor, 3.3 nF Standard
R1 Chip resistor, value depending on VOUT Standard
R2 Chip resistor, value depending on VOUT Standard
R3 Chip resistor, 470 kΩ, 0603, 1/16 W, 1% Standard

Detailed Design Procedure

Custom Design With WEBENCH® Tools

Click here to create a custom design using the TPS62180 device with the WEBENCH® Power Designer.

  1. Start by entering the input voltage (VIN), output voltage (VOUT), and output current (IOUT) requirements.
  2. Optimize the design for key parameters such as efficiency, footprint, and cost using the optimizer dial.
  3. Compare the generated design with other possible solutions from Texas Instruments.

The WEBENCH Power Designer provides a customized schematic along with a list of materials with real-time pricing and component availability.

In most cases, these actions are available:

  • Run electrical simulations to see important waveforms and circuit performance
  • Run thermal simulations to understand board thermal performance
  • Export customized schematic and layout into popular CAD formats
  • Print PDF reports for the design, and share the design with colleagues

Get more information about WEBENCH tools at www.ti.com/WEBENCH.

Programming the Output Voltage

The output voltage of the TPS62180 is programmed using an external resistive divider. While the voltage at the FB pin is regulated to 0.8 V, the output voltage range is specified from 0.9 up to 6 V. The value of the output voltage is set by selection of the resistive divider (from VOUT to FB to AGND) from Equation 9.

spacing

Equation 9. TPS62180 TPS62182 SLVSBB8_eqvout.gif

spacing

The current through those resistors contributes to the light load efficiency, which makes larger resistor values beneficial. However, to get sufficient noise immunity these values should not be oversized. Using this, the resistor values are calculated by converting Equation 9 as follows:

spacing

Equation 10. TPS62180 TPS62182 SLVSBB8_eqvoutR2.gif

spacing

Inserting the R2 value in Equation 11, R1 can be obtained.

spacing

Equation 11. TPS62180 TPS62182 SLVSBB8_eqvoutR1.gif

spacing

Calculating for VOUT = 3.3 V gives R1 = 500 kΩ. Using standard resistor values R1 = 470 kΩ and R2 = 150 kΩ are chosen.

For applications requiring lowest current consumption, the use of fixed output voltage options is recommended. Using the TPS62182, the FB pin can be left floating, but it is recommended to connect it to AGND which decreases thermal resistance.

In case the FB pin of the adjustable output voltage version gets opened or an over voltage appears at the output, an internal clamp limits the output voltage to about 7.4 V.

Output Filter Selection

Since the TPS6218x is compensated internally, it is optimized for a range of external component values, which is specified below. Table 3 and Table 4 are used to simplify the output filter component selection. Checked cells represent combinations that are proven for stability by simulation and lab test. Further combinations should be checked for each individual application.

Table 3. Recommended LC Output Filter Combinations for VOUT ≥ 1.8 V(1)

2 x 47 µF 4 x 47 µF 6 x 47 µF 8 x 47 µF
0.47 µH
1.0 µH
1.5 µH
The values in the table are the nominal values of inductors and ceramic capacitors. The effective capacitance can vary by +20 and –60%.

Table 4. Recommended LC Output Filter Combinations for VOUT < 1.8 V(1)

2 x 47 µF 4 x 47 µF 6 x 47 µF 8 x 47 µF
0.68 µH
1.0 µH
1.5 µH
The values in the table are nominal values of inductors and ceramic capacitors. The effective capacitance can vary by +20 and –40%.

For the output capacitors, a voltage rating of 6.3 V and an X5R dielectric are chosen. If space allows for higher voltage rated capacitors in larger case sizes, the dc bias effect is lowered and the effective capacitance value increases.

Inductor Selection

The TPS6218x is designed to work with two inductors of 1 µH nominal. They have to be selected for adequate saturation current and a low dc resistance (DCR). The minimum inductor current rating IL(min) that is needed under static load conditions is calculated using Equation 12 and Equation 13. A current imbalance of 10% at most is incorporated.

spacing

Equation 12. TPS62180 TPS62182 SLVSBB8_eqilmax.gif

spacing

spacing

Equation 13. TPS62180 TPS62182 SLVSBB8_eqiripplemax.gif

spacing

This calculation gives the minimum saturation current of the inductor needed and an additional margin of about 20% is recommended to cover dynamic overshoot due to load transients. For low profile solutions, the physical inductor size and the power losses have to be traded off. Smallest solution size (for example with chip inductors) are less efficient than bigger inductors with lower losses due to lower DCR and/or core losses. The following inductors have been tested with the TPS6218x:

Table 5. List of Inductors

TYPE INDUCTANCE [µH] CURRENT RATING MIN/TYP [A] (1) DCR MAX [mΩ] DIMENSIONS (LxBxH) [mm] MANUFACTURER
DFE201612E-1R0M 1 ±20% 4.0/4.4 48 2.0 x 1.6 x 1.2 TOKO
DFE252012F-1R0M 1 ±20% 4.7/5.3 40 2.5 x 2.0 x 1.2 TOKO
DFE252012P-1R0M 1 ±20% 3.8/4.5 42 2.5 x 2.0 x 1.2 TOKO
PIFE32251B-1R0MS 1 ±20% 4.2/4.7 42 3.2 x 2.5 x 1.2 CYNTEC
PIME031B-1R0MS 1 ±20% 4.5/5.4 55 3.7 x 3.3 x 1.2 CYNTEC
PISB25201T-1R0MS 1 ±20% 3.6/3.9 62 2.5 x 2.0 x 1.0 CYNTEC
IHLP1212AB-11 1 ±20% /5.0 37.5 3.6 x 3.0 x 1.2 VISHAY
IHLP1212AE-11 1 ±20% /5.3 33 3.6 x 3.0 x 1.5 VISHAY
XFL4015-122ME_ 1.2±20% /4.5 20.7 4.0 x 4.0 x 1.5 COILCRAFT
XFL4020-102ME_ 1 ±20% /5.4 11.9 4.0 x 4.0 x 2.1 COILCRAFT
TFM201610-GHM 1 ±20% 3.6/3.8 60 2.0 x 1.6 x 1.0 TDK
TFM252010-GHM 1 ±20% 3.5/4.0 56 2.5 x 2.0 x 1.0 TDK
ISAT at 30% drop of inductance (ΔIL/IL).

The TPS6218x is not designed to operate with only one inductor.

Output Capacitor Selection

The TPS6218x provides a wide output voltage range of 0.9 V to 6 V. While stability is a critical criteria for the output filter selection, the output capacitor value also determines transient response behavior, ripple and accuracy of VOUT. Table 6 gives recommendations to achieve various transient design targets using 1-µH inductors and small sized output capacitors (see Table 2).

Table 6. Recommended Output Capacitor Values

OUTPUT VOLTAGE [V] LOAD STEP [A] (NOMINAL) CAPACITOR VALUE(3) TYPICAL TRANSIENT RESPONSE ACCURACY
±mV ±%
0.9(2) 2-6-2(1) 4 x 47 µF 90 10
6 x 47 µF 70 8
1.8 2-6-2(1) 2 x 47 µF 150 8
4 x 47 µF 120 7
8 x 47 µF 90 5
3.3 2-6-2(1) 2 x 47 µF 170 5
4 x 47 µF 135 4
8 x 47 µF 100 3
The transient load step is tested with 1-µs/step rising/falling slopes.
For output voltages < 1.8V an additional feedforward capacitor of 82pF, parallel to R1 is recommended to increase stability margin at heavy load steps.
Ceramic capacitors have a dc bias effect where the effective capacitance differs significantly from the nominal value, depending on package size, voltage rating and dielectric material.

spacing

The architecture of the TPS6218x allows the use of tiny ceramic output capacitors with low equivalent series resistance (ESR). These capacitors provide low output voltage ripple and are recommended. To keep its low resistance up to high frequencies and to get narrow capacitance variation with temperature, it is recommended to use X7R or X5R dielectrics. Using even higher values than demanded for stability and transient response has further advantages like smaller voltage ripple and tighter dc output accuracy in Power Save Mode.

Input Capacitor Selection

The input current of a buck converter is pulsating. Therefore, a low ESR input capacitor is required to prevent large voltage transients and provide peak currents. The recommended value for most applications is 2 x 22 µF, split between the VIN1 and VIN2 inputs and placed as close as possible to these pins and PGND pins. If additional capacitance is needed, it can be added as bulk capacitance. To ensure proper operation, the effective capacitance at the VIN pins must not fall below 2 x 2 µF (close) + 10 µF bulk (effective capacitances).

Low ESR multilayer ceramic capacitors are recommended for best filtering. Increasing with input voltage, the dc bias effect reduces the nominal capacitance value significantly. To decrease input ripple current further, larger values of input capacitors can be used.

Soft Start Capacitor Selection

The TPS6218x provides a user programmable soft start time. A constant current source of 5 µA, internally connected to the SS/TR pin, allows control of the startup slope by connecting a capacitor to this pin. The current source charges the capacitor and the soft start time is given by:

spacing

Equation 14. TPS62180 TPS62182 SLVSBB8_eqssramp.gif

spacing

where CSS is the soft-start capacitance required at the SS/TR pin and tss is the resulting soft-start ramp time.

spacing

The SS/TR pin should not be left floating and a minimum capacitance of 220 pF is recommended. Using Equation 14, and inserting tSS = 750 µs, a value of 3 nF is calculated. 3.3 nF is chosen as a standard value for this example.

Application Performance Curves

VIN = 12 V, VOUT = 3.3 V, TA = 25°C, (unless otherwise noted)

TPS62180 TPS62182 SLVSBB8_efficiency_6.0iout.gif
VOUT = 6 V
Figure 11. Efficiency vs Load Current
TPS62180 TPS62182 SLVSBB8_efficiency_3.3iout.gif
VOUT = 3.3 V
Figure 13. Efficiency vs Load Current
TPS62180 TPS62182 SLVSBB8_efficiency_1.8iout.gif
VOUT = 1.8 V
Figure 15. Efficiency vs Load Current
TPS62180 TPS62182 SLVSBB8_efficiency_0.9iout.gif
VOUT = 0.9 V
Figure 17. Efficiency vs Load Current
TPS62180 TPS62182 SLVSBB8_loadreg.gif
Figure 19. Output Voltage vs Output Current (Load regulation)
TPS62180 TPS62182 SLVSBB8_IOUTmax_3.3V.gif
Figure 21. Maximum Output Current vs Input Voltage
TPS62180 TPS62182 SLVSBB8_stuplow.gif
Figure 23. Startup into 33 Ω (100 mA)
TPS62180 TPS62182 SLVSBB8_stuphigh.gif
Figure 25. Startup into 0.5 Ω (6.6 A)
TPS62180 TPS62182 SLVSBB8_PWMtyp.gif
IOUT = 3 A
Figure 27. Typical Operation (PWM)
TPS62180 TPS62182 SLVSBB8_loadtran_0-4.gif
Figure 29. Load Transient Response (PSM-PWM)
TPS62180 TPS62182 SLVSBB8_loadtran_1-6_6x47.gif
VOUT = 1.8 V COUT = 6x47 µF
Figure 31. Transient Response to a load step of 1-6A (1A/µs)
TPS62180 TPS62182 SLVSBB8_overload_long.gif
RLOAD = 0.33 Ω
Figure 33. HICCUP at Overload Condition
TPS62180 TPS62182 SLVSBB8_short_long.gif
Figure 35. HICCUP at Short Circuit
TPS62180 TPS62182 SLVSBB8_SOA.gif
Figure 37. Maximum Ambient Temperature
TPS62180 TPS62182 SLVSBB8_efficiency_6.0vin.gif
VOUT = 6 V
Figure 12. Efficiency vs Input Voltage
TPS62180 TPS62182 SLVSBB8_efficiency_3.3vin.gif
VOUT = 3.3 V
Figure 14. Efficiency vs Input Voltage
TPS62180 TPS62182 SLVSBB8_efficiency_1.8vin.gif
VOUT = 1.8 V
Figure 16. Efficiency vs Input Voltage
TPS62180 TPS62182 SLVSBB8_efficiency_0.9vin.gif
VOUT = 0.9 V
Figure 18. Efficiency vs Input Voltage
TPS62180 TPS62182 SLVSBB8_linereg.gif
Figure 20. Output Voltage vs Input Voltage (Line regulation)
TPS62180 TPS62182 SLVSBB8_fswtyp.gif
Figure 22. Switching Frequency vs Output Current
TPS62180 TPS62182 SLVSBB8_stupmed.gif
Figure 24. Startup into 1 Ω (3.3 A)
TPS62180 TPS62182 SLVSBB8_discharge.gif
Figure 26. Output Discharge (No load)
TPS62180 TPS62182 SLVSBB8_PSMtyp.gif
IOUT = 100 mA
Figure 28. Typical Operation (PSM)
TPS62180 TPS62182 SLVSBB8_loadtran_2-6.gif
Figure 30. Load Transient Response (PWM-PWM)
TPS62180 TPS62182 SLVSBB8_loadtran_1-6_6x47_82p.gif
VOUT = 1.8 V COUT = 6x47 µF additional CFF = 82 pF
Figure 32. Transient Response to a load step of 1-6A (1A/µs)
TPS62180 TPS62182 SLVSBB8_overload_short.gif
RLOAD = 0.33 Ω
Figure 34. HICCUP at Overload Condition
TPS62180 TPS62182 SLVSBB8_short_short.gif
Figure 36. HICCUP at Short Circuit

space

TPS62180 Low Profile Solution

This design example is based on Figure 10 again, providing a very small (see Figure 38) and low profile solution, using low profile inductors.

Design Requirements

The input parameters used for this design are given in Table 7 and give a total solution size of about 72mm2, using inductors with a maximum height of 1.2 mm:

space

Table 7. Components Used for Application Characteristics

REFERENCE NAME DESCRIPTION / VALUE MANUFACTURER
TPS62180YZF 2 phase step down converter, 2 x 3 mm WCSP Texas Instruments
L1, L2 Inductor DFE252012P, 1 µH ±20%, 2.5 x 2 x 1.2 mm Toko
CIN Ceramic capacitor GRM21BR61E226ME44, 2 x 22 µF, 25 V, X5R, 0805 muRata
COUT Ceramic capacitor GRM21BR60J476ME15, 2 x 47 µF, 6.3 V, X5R, 0805 muRata
CSS Ceramic capacitor, 10 nF Standard
R1 Chip resistor, value depending on VOUT Standard
R2 Chip resistor, value depending on VOUT Standard
R3 Chip resistor, 470 kΩ, 0603, 1/16 W, 1% Standard

space

Detailed Design Procedure

As opposed to the previous example, the solution size, including height, is limited and the soft start time is longer. This is achieved by using smaller inductors, as well as using a different soft start capacitor.

Inductor

Using Table 5, the 1-µH DFE252012P is chosen with dimensions of 2.5 x 2.0 x 1.2 mm. The larger DCR of 42 mΩ maximum causes some efficiency drop (see comparison below).

space

TPS62180 TPS62182 SLVSBB8_DEF252012_size.gif
Figure 38. Ultra Small Solution Size
TPS62180 TPS62182 SLVSBB8_eff_comp_ind.gif
Figure 39. Efficiency vs Inductor Size/Type

space

Input and Output Capacitors

Since electrical design parameters are unchanged, the same values as chosen in the previous example are used for these capacitors.

Soft Start Capacitor

Using Equation 14 again, and inserting tSS = 2.5 ms gives a capacitance of 10 nF, which is chosen.

Using the Accurate EN Threshold

The TPS6218x provides a very accurate EN threshold voltage. This can be used to switch on the device according to a VIN or another voltage level by using a resistive divider as shown below.

space

TPS62180 TPS62182 SLVSBB8_EN.gif Figure 40. Resistive Divider for Controlled EN Threshold

space

The values of REN1 and REN2, needed to set EN = High at a specific VIN can be calculated according to Kirchhoff's laws, shown in Equation 15 and used in the following example:

space

Equation 15. TPS62180 TPS62182 SLVSBB8_eqEN.gif

space

For a typical 8-V input rail, the device turn on target value is set to 5.5 V. The current through the resistive divider is set to 10 µA, which indicates a total resistance of about 800 kΩ. Appropriate standard resistor values, fitting Equation 15, are REN1 = 680 kΩ and REN2 = 150 kΩ. As a result, the device switches on, when VIN has reached 5.5 V and the current through the divider is 9.6 µA. The device switches off at a threshold of 0.9 V. Using Equation 15 again, this case gives a level of VIN = 5.0 V.

Figure 47 to Figure 50 show thresholds and appropriate device behavior with a startup time of about 800 µs.

Application Performance Curves

VIN = 12 V, VOUT = 3.3 V, TA = 25°C, (unless otherwise noted)

TPS62180 TPS62182 SLVSBB8_DEF252012_efficiency_3.3iout.gif
Figure 41. Efficiency vs Load Current
TPS62180 TPS62182 SLVSBB8_DEF252012_PWMtyp.gif
VIN = 8 V, IOUT = 4 A
Figure 43. Typical Operation (PWM)
TPS62180 TPS62182 SLVSBB8_DEF252012_loadtran_0-4.gif
Figure 45. Load Transient Response (PSM-PWM)
TPS62180 TPS62182 SLVSBB8_ENrisefall.gif
VIN = 5.5 V (Rising), VIN = 5.0 V (Falling)
Figure 47. Accurate EN Threshold
TPS62180 TPS62182 SLVSBB8_ENrise.gif
VIN = 5.5 V (Rising)
Figure 49. Accurate EN Threshold
TPS62180 TPS62182 SLVSBB8_DEF252012_efficiency_3.3vin.gif
Figure 42. Efficiency vs Input Voltage
TPS62180 TPS62182 SLVSBB8_stup_10n.gif
CSS = 10 nF
Figure 44. Startup into 1 Ω (3.3 A)
TPS62180 TPS62182 SLVSBB8_DEF252012_loadtran_2-6.gif
Figure 46. Load Transient Response (PWM-PWM)
TPS62180 TPS62182 SLVSBB8_ENthreshold.gif
Figure 48. Accurate EN Threshold Showing VOUT
TPS62180 TPS62182 SLVSBB8_ENfall.gif
VIN = 5.0 V (Falling)
Figure 50. Accurate EN Threshold

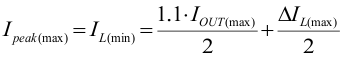
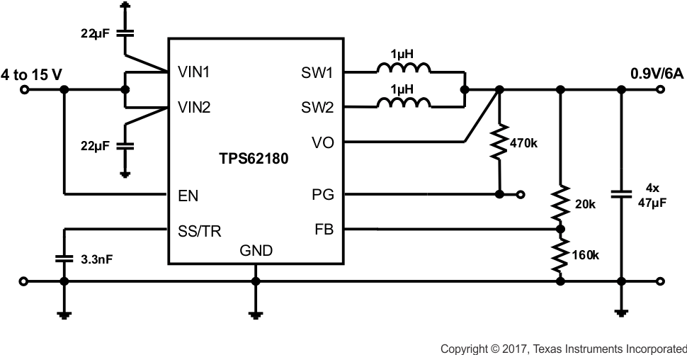
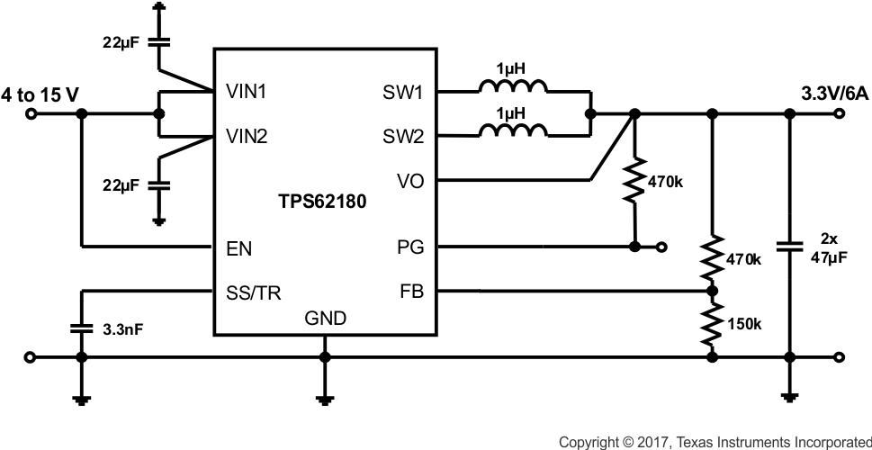
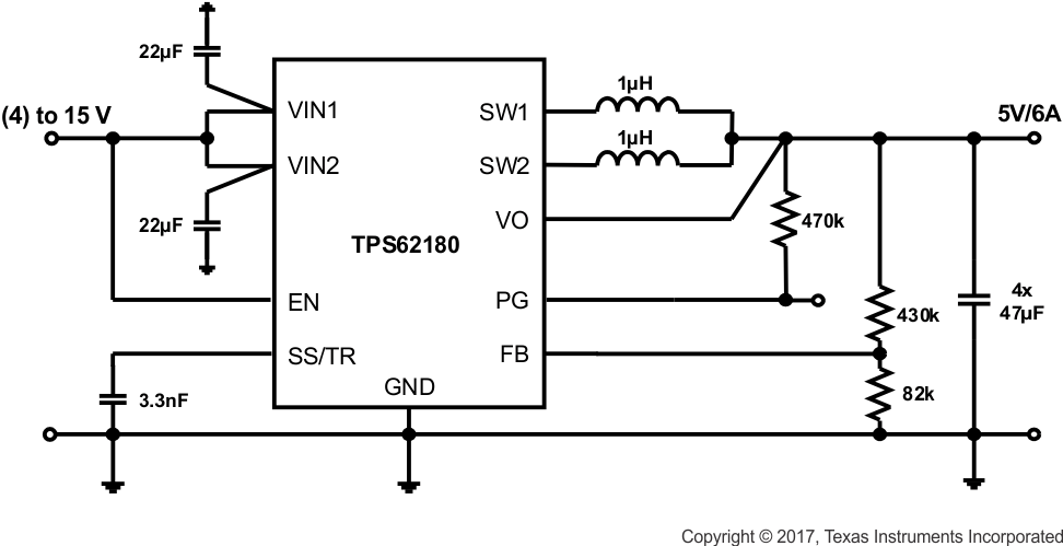
TPS62180 Output Voltage Application Examples

This section provides typical schematics for commonly used output voltage values.

Application Schematic Examples

space

TPS62180 TPS62182 SLVSBB8_typapp_0.9V.gif Figure 51. 0.9-V/6-A Power Supply

space

TPS62180 TPS62182 SLVSBB8_typapp_1.8V.gif Figure 52. 1.8-V/6-A Power Supply

space

TPS62180 TPS62182 SLVSBB8_typapp_3.3V.gif Figure 53. 3.3-V/6-A Power Supply

space

TPS62180 TPS62182 SLVSBB8_typapp_5V.gif Figure 54. 5-V/6-A Power Supply

Design Requirements

Based on Figure 10, the schematics shown in Figure 51 through Figure 54 show different output voltage divider values to get different VOUT. Another design target is to have about 5-µA current through the divider.

External Component Selection

The values for the voltage divider are derived using the procedure given in Programming the Output Voltage. While Equation 10 and Equation 11 are used to calculate R2 and R1, the values are aligned with standard resistor values.