SLVS294F September   2000  – August 2015 TPS62000 , TPS62002 , TPS62003 , TPS62004 , TPS62005 , TPS62006 , TPS62007 , TPS62008

PRODUCTION DATA.  

  1. Features
  2. Applications
  3. Description
  4. Revision History
  5. Device Comparison Table
  6. Pin Configuration and Functions
  7. Specifications
    1. 7.1 Absolute Maximum Ratings
    2. 7.2 ESD Ratings
    3. 7.3 Recommended Operating Conditions
    4. 7.4 Thermal Information
    5. 7.5 Electrical Characteristics
    6. 7.6 Typical Characteristics
  8. Detailed Description
    1. 8.1 Overview
    2. 8.2 Functional Block Diagram
    3. 8.3 Feature Description
      1. 8.3.1 Low Noise Antiringing Switch
      2. 8.3.2 Enable
      3. 8.3.3 Undervoltage Lockout
      4. 8.3.4 Power Good Comparator
    4. 8.4 Device Functional Modes
      1. 8.4.1 Soft Start
      2. 8.4.2 Synchronization, Power Save Mode, and Forced PWM Mode
      3. 8.4.3 100% Duty Cycle Operation
      4. 8.4.4 No Load Operation
  9. Application and Implementation
    1. 9.1 Application Information
    2. 9.2 Typical Application
      1. 9.2.1 Design Requirements
      2. 9.2.2 Detailed Design Procedure
        1. 9.2.2.1 Inductor Selection
        2. 9.2.2.2 Output Capacitor Selection
        3. 9.2.2.3 Input Capacitor Selection
      3. 9.2.3 Application Curves
    3. 9.3 System Examples
      1. 9.3.1 Standard 5-V to 3.3-V/600-mA Conversion; High Efficiency
      2. 9.3.2 Single Li-ion to 2.5-V/600-mA Using Ceramic Capacitors Only
      3. 9.3.3 Single Li-ion to 1.8 V/300 mA; Smallest Solution Size
      4. 9.3.4 Dual Cell NiMH or NiCd to 1.2 V/200 mA; Smallest Solution Size
      5. 9.3.5 Dynamic Output Voltage Programming As Used in Low Power DSP Applications
  10. 10Power Supply Recommendations
  11. 11Layout
    1. 11.1 Layout Guidelines
    2. 11.2 Layout Example
  12. 12Device and Documentation Support
    1. 12.1 Device Support
      1. 12.1.1 Third-Party Products Disclaimer
    2. 12.2 Community Resources
    3. 12.3 Related Links
    4. 12.4 Trademarks
    5. 12.5 Electrostatic Discharge Caution
    6. 12.6 Glossary
  13. 13Mechanical, Packaging, and Orderable Information

封装选项

请参考 PDF 数据表获取器件具体的封装图。

机械数据 (封装 | 引脚)
  • DGS|10
散热焊盘机械数据 (封装 | 引脚)
订购信息

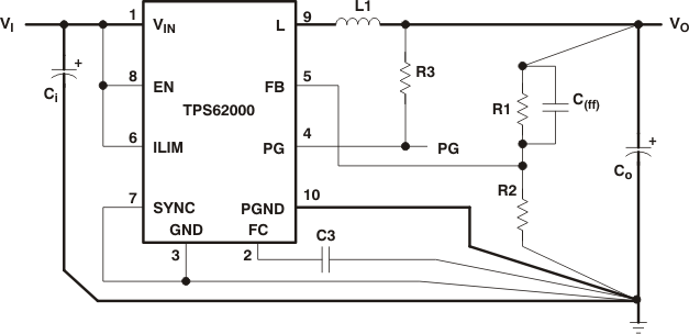
11 Layout

11.1 Layout Guidelines

As for all switching power supplies, the layout is an important step in the design especially at high peak currents and switching frequencies. If the layout is not carefully done, the regulator might show stability problems as well as EMI problems.

Therefore, use wide and short traces for the main current paths as indicted in bold in Figure 19. The input capacitor should be placed as close as possible to the IC pins as well as the inductor and output capacitor. Place the bypass capacitor, C3, as close as possible to the FC pin. The analog ground, GND, and the power ground, PGND, need to be separated. Use a common ground node as shown in Figure 19 to minimize the effects of ground noise.

11.2 Layout Example

TPS62000 TPS62001 TPS62002 TPS62003 TPS62004 TPS62005 TPS62006 TPS62007 TPS62008 layout_lvs294.gifFigure 19. Layout Diagram