ZHCSEP0C October   2015  – February 2021 TPS61193

PRODUCTION DATA  

  1. 特性
  2. 应用
  3. 说明
  4. Revision History
  5. Pin Configuration and Functions
  6. Specifications
    1. 6.1  Absolute Maximum Ratings
    2. 6.2  ESD Ratings
    3. 6.3  Recommended Operating Conditions
    4. 6.4  Thermal Information
    5. 6.5  Electrical Characteristics (1) (1)
    6. 6.6  Internal LDO Electrical Characteristics
    7. 6.7  Protection Electrical Characteristics
    8. 6.8  Current Sinks Electrical Characteristics
    9. 6.9  PWM Brightness Control Electrical Characteristics
    10. 6.10 Boost and SEPIC Converter Characteristics
    11. 6.11 Logic Interface Characteristics
    12. 6.12 Typical Characteristics
  7. Detailed Description
    1. 7.1 Overview
    2. 7.2 Functional Block Diagram
    3. 7.3 Feature Description
      1. 7.3.1 Integrated DC-DC Converter
      2. 7.3.2 Internal LDO
      3. 7.3.3 LED Current Sinks
        1. 7.3.3.1 Output Configuration
        2. 7.3.3.2 Current Setting
        3. 7.3.3.3 Brightness Control
      4. 7.3.4 Protection and Fault Detections
        1. 7.3.4.1 Adaptive DC-DC Voltage Control and Functionality of LED Fault Comparators
        2. 7.3.4.2 Overview of the Fault/Protection Schemes
    4. 7.4 Device Functional Modes
      1. 7.4.1 Device States
  8. Application and Implementation
    1. 8.1 Application Information
    2. 8.2 Typical Applications
      1. 8.2.1 Typical Application for 3 LED Strings
        1. 8.2.1.1 Design Requirements
        2. 8.2.1.2 Detailed Design Procedure
          1. 8.2.1.2.1 Inductor Selection
          2. 8.2.1.2.2 Output Capacitor Selection
          3. 8.2.1.2.3 Input Capacitor Selection
          4. 8.2.1.2.4 LDO Output Capacitor
          5. 8.2.1.2.5 Diode
        3. 8.2.1.3 Application Curves
      2. 8.2.2 SEPIC Mode Application
        1. 8.2.2.1 Design Requirements
        2. 8.2.2.2 Detailed Design Procedure
          1. 8.2.2.2.1 Inductor
          2. 8.2.2.2.2 Diode
          3. 8.2.2.2.3 Capacitor C1
        3. 8.2.2.3 Application Curves
  9. Power Supply Recommendations
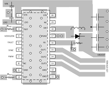
  10. 10Layout
    1. 10.1 Layout Guidelines
    2. 10.2 Layout Example
  11. 11Device and Documentation Support
    1. 11.1 Device Support
      1. 11.1.1 Development Support
    2. 11.2 Documentation Support
      1. 11.2.1 Related Documentation
    3. 11.3 接收文档更新通知
    4. 11.4 支持资源
    5. 11.5 Trademarks
    6. 11.6 静电放电警告
    7. 11.7 术语表
  12. 12Mechanical, Packaging, and Orderable Information

封装选项

机械数据 (封装 | 引脚)
散热焊盘机械数据 (封装 | 引脚)
订购信息

Layout Example

GUID-CD776334-1D35-4336-8F20-0666051AD595-low.gifFigure 10-1 TPS61193 Boost Layout