ZHCSDK2B March   2015  – March 2017 TPS61177A

PRODUCTION DATA.  

  1. 特性
  2. 应用范围
  3. 说明
  4. 修订历史记录
  5. Pin Configuration and Functions
  6. Specifications
    1. 6.1 Absolute Maximum Ratings
    2. 6.2 ESD Ratings
    3. 6.3 Recommended Operating Conditions
    4. 6.4 Thermal Information
    5. 6.5 Electrical Characteristics
    6. 6.6 I2C Timing Requirements
    7. 6.7 Typical Characteristics
  7. Detailed Description
    1. 7.1 Overview
    2. 7.2 Functional Block Diagram
    3. 7.3 Feature Description
      1. 7.3.1  Supply Voltage
      2. 7.3.2  Boost Regulator
      3. 7.3.3  Programmable Switch Frequency and Slew Rate
      4. 7.3.4  LED Current Sinks
      5. 7.3.5  Enable and Start-Up Timing
      6. 7.3.6  Input Undervoltage Protection (UVLO)
      7. 7.3.7  Overvoltage Protection (OVP)
      8. 7.3.8  Current-Sink Open Protection
      9. 7.3.9  Overcurrent Protection
      10. 7.3.10 Thermal Protection
    4. 7.4 Device Functional Modes
      1. 7.4.1 Mode Selection
      2. 7.4.2 Analog and PWM Mixed Dimming Mode
      3. 7.4.3 Analog Dimming Mode
      4. 7.4.4 Direct PWM Dimming
    5. 7.5 Programming
      1. 7.5.1 Configuration Parameters
    6. 7.6 Register Maps
      1. 7.6.1  MODE (A0h)
      2. 7.6.2  CS (A1h)
      3. 7.6.3  UVLO (A2h)
      4. 7.6.4  FREQ (A3h)
      5. 7.6.5  SR (A4h)
      6. 7.6.6  ILIM (A5h)
      7. 7.6.7  Control (FFh)
      8. 7.6.8  Example - Writing to a Single RAM Register
      9. 7.6.9  Example - Writing to Multiple RAM Registers
      10. 7.6.10 Example - Saving Contents of all RAM Registers to E2PROM
      11. 7.6.11 Example - Reading from a Single RAM Register
      12. 7.6.12 Example - Reading from a Single E2PROM Register
      13. 7.6.13 Example - Reading from Multiple RAM Registers
      14. 7.6.14 Example - Reading from Multiple E2PROM Registers
  8. Application and Implementation
    1. 8.1 Application Information
      1. 8.1.1 CS Pin Unused
      2. 8.1.2 Brightness Dimming Control
    2. 8.2 Typical Application
      1. 8.2.1 Design Requirements
      2. 8.2.2 Detailed Design Procedure
        1. 8.2.2.1 Inductor Selection
        2. 8.2.2.2 Output Capacitor Selection
      3. 8.2.3 Application Curves
  9. Power Supply Recommendations
  10. 10Layout
    1. 10.1 Layout Guidelines
    2. 10.2 Layout Example
  11. 11器件和文档支持
    1. 11.1 器件支持
      1. 11.1.1 Third-Party Products Disclaimer
    2. 11.2 社区资源
    3. 11.3 商标
    4. 11.4 静电放电警告
    5. 11.5 Glossary
  12. 12机械、封装和可订购信息

封装选项

机械数据 (封装 | 引脚)
散热焊盘机械数据 (封装 | 引脚)
订购信息

特性

  • 2.5V 至 24V 输入电压范围
  • 39V 最大输出电压
  • 集成 1.8A、40V 金属氧化物半导体场效应晶体管 (MOSFET)
  • 450kHz 至 1.2MHz 可编程开关频率
  • 为白色发光二极管 (WLED) 提供电压的自适应升压输出
  • 100Hz 至 25kHz 宽输入脉宽调制 (PWM) 调光频率范围
  • 1% 最小调光占空比
  • 小型外部组件
  • 集成环路补偿
  • 六路最高 30mA 的灌电流
  • 1% 电流匹配(典型值)
  • 输入 PWM 毛刺脉冲滤波器
  • PWM 亮度接口控制
  • 三种调光方法可供选择,包括直接 PWM 调光、模拟调光以及模拟和 PWM 混合调光
  • 内置 WLED 开路保护
  • 热关断

应用范围

  • 笔记本和平板电脑显示屏背光
  • 患者监测仪
  • 医疗显示屏
  • HMI
  • 测试和测量设备

说明

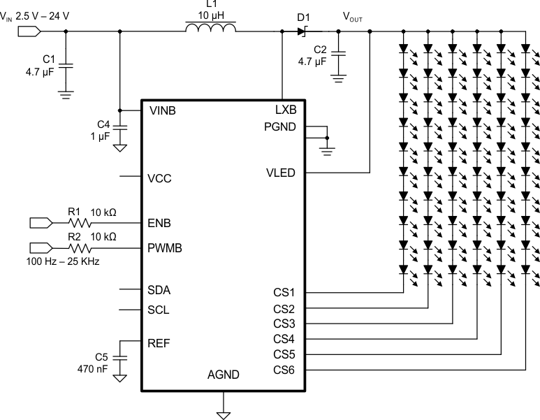
TPS61177A 器件可为笔记本 LCD 背光提供高度集成的白色 LED (WLED) 驱动器解决方案。该器件内置高效升压稳压器,稳压器集成有 1.8A、40V 功率 MOSFET。六个灌电流稳压器提供了高精度的电流调节和匹配。该器件总共可支持 72 个 WLED。此外,升压输出还可自动地将其电压调节至 WLED 正向电压以优化效率。

TPS61177A 支持模拟调光、模拟和 PWM 混合调光以及直接 PWM 调光三种方法。在模拟调光模式下,各 CS 电流将根据 PWMB 引脚上的占空比信息线性变化。在模拟和 PWM 混合调光模式下,输入 PWM 占空比信息将转换成模拟信号,以在 25% 至 100% 的亮度区域线性控制 WLED 电流。该器件还可在模拟电流低至 25% 时增加 PWM 调光。电流低于 25% 后,模拟信号会转换成 PWM 占空比信息以控制 WLED 电流的导通或关断并求取低至 1% 的 WLED 电流的平均值。增加 PWM 调光的频率与 PWMB 引脚上的输入 PWM 频率相同。TPS61177A 还支持直接 PWM 调光方法,在直接 PWM 调光模式下,将根据 PWM 输入信号同步导通或关断 WLED 电流。

器件信息(1)

器件型号 封装 封装尺寸(标称值)
TPS61177A VQFN (20) 3.50mm x 3.50mm
  1. 如需了解所有可用封装,请参阅产品说明书末尾的可订购产品附录。

典型应用 - 模拟和 PWM 混合模式

TPS61177A typical_application_slvsbo0.gif