SLVS431C june   2002  – September 2015 TPS61130 , TPS61131

PRODUCTION DATA.  

  1. Features
  2. Applications
  3. Description
  4. Revision History
  5. Available Output Voltage Options
  6. Pin Configuration and Functions
  7. Specifications
    1. 7.1 Absolute Maximum Ratings
    2. 7.2 ESD Ratings
    3. 7.3 Recommended Operating Conditions
    4. 7.4 Thermal Information
    5. 7.5 Electrical Characteristics
    6. 7.6 Typical Characteristics
  8. Parameter Measurement Information
  9. Detailed Description
    1. 9.1 Overview
    2. 9.2 Functional Block Diagram
    3. 9.3 Feature Description
      1. 9.3.1 Controller Circuit
      2. 9.3.2 Synchronous Rectifier
      3. 9.3.3 Device Enable
      4. 9.3.4 Undervoltage Lockout
      5. 9.3.5 Soft-Start
      6. 9.3.6 Power Good
      7. 9.3.7 Low Battery Detector Circuit—LBI/LBO
      8. 9.3.8 Low-EMI Switch
    4. 9.4 Device Functional Modes
      1. 9.4.1 Power Save Mode
      2. 9.4.2 LDO
      3. 9.4.3 LDO Enable
  10. 10Application and Implementation
    1. 10.1 Application Information
    2. 10.2 Typical Applications
      1. 10.2.1 Typical Application Circuit for Adjustable Output Voltage Option
        1. 10.2.1.1 Design Requirements
        2. 10.2.1.2 Detailed Design Procedure
          1. 10.2.1.2.1 Programming the Output Voltage
            1. 10.2.1.2.1.1 DC-DC Converter
          2. 10.2.1.2.2 LDO
          3. 10.2.1.2.3 Programming the LBI/LBO Threshold Voltage
          4. 10.2.1.2.4 Inductor Selection
          5. 10.2.1.2.5 Capacitor Selection
            1. 10.2.1.2.5.1 Input Capacitor
            2. 10.2.1.2.5.2 Flying Capacitor DC-DC Converter
            3. 10.2.1.2.5.3 Output Capacitor DC-DC Converter
            4. 10.2.1.2.5.4 Small Signal Stability
            5. 10.2.1.2.5.5 Output Capacitor LDO
        3. 10.2.1.3 Application Curves
      2. 10.2.2 Solution for Maximum Output Power
      3. 10.2.3 Low Profile Solution, Maximum Height 1.8 mm
      4. 10.2.4 Single Output Using LDO as Filter
      5. 10.2.5 Dual Input Power Supply Solution
  11. 11Power Supply Recommendations
  12. 12Layout
    1. 12.1 Layout Guidelines
    2. 12.2 Layout Example
    3. 12.3 Thermal Consideration
  13. 13Device and Documentation Support
    1. 13.1 Device Support
      1. 13.1.1 Third-Party Products Disclaimer
    2. 13.2 Related Links
    3. 13.3 Community Resource
    4. 13.4 Trademarks
    5. 13.5 Electrostatic Discharge Caution
    6. 13.6 Glossary
  14. 14Mechanical, Packaging, and Orderable Information

封装选项

机械数据 (封装 | 引脚)
散热焊盘机械数据 (封装 | 引脚)
订购信息

12 Layout

12.1 Layout Guidelines

For all switching power supplies, the layout is an important step in the design, especially at high peak currents and high switching frequencies. If the layout is not carefully done, the regulator could show stability problems as well as EMI problems. Therefore, use wide and short traces for the main current path and for the power ground tracks. The input capacitor, output capacitor, and the inductor must be placed as close as possible to the device. Use a common ground node for power ground and a different one for control ground to minimize the effects of ground noise. Connect these ground nodes at any place close to one of the ground pins of the device.

The feedback divider must be placed as close as possible to the control ground pin of the device. To lay out the control ground, TI recommends using short traces as well, separated from the power ground traces. This avoids ground shift problems, which can occur due to superimposition of power ground current and control ground current.

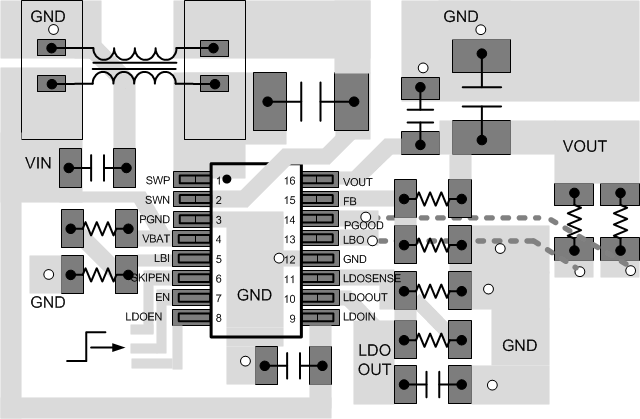
12.2 Layout Example

TPS61130 TPS61131 TPS61132 layout_slvs431.gif

12.3 Thermal Consideration

Implementation of integrated circuits in low-profile and fine-pitch surface-mount packages typically requires special attention to power dissipation. Many system-dependent issues such as thermal coupling, airflow, added heat sinks and convection surfaces, and the presence of other heat-generating components affect the power-dissipation limits of a given component.

Follow these three basic approaches for enhancing thermal performance.

  • Improving the power dissipation capability of the PCB design.
  • Improving the thermal coupling of the component to the PCB.
  • Introducing airflow in the system.

The maximum recommended junction temperature (TJ) of the TPS6113x devices is 150°C. The thermal resistance of the 16-pin TSSOP package (PW) is RΘJA = 100.5 °C/W. The 16-pin VQFN package (RSA) with exposed thermal pad has a thermal resistance of RΘJA = 33.9°C/W, if the thermal pad is soldered and the board layout is optimized. Specified regulator operation is assured to a maximum ambient temperature TA of 85°C. Therefore, the maximum power dissipation is about 647 mW for the TSSOP (PW) package and 1917 mW for the VQFN (RSA) package. More power can be dissipated if the maximum ambient temperature of the application is lower (see Equation 11).

Equation 11. TPS61130 TPS61131 TPS61132 Q_PDmax_LVS431.gif

If designing for a lower junction temperature of 125°C, which TI recommends, maximum heat dissipation is lower. Using the above Equation 11 results in 1917-mW power dissipation for the RSA package and 647 mW for the PW package.