ZHCSDB3 January 2015 TPS61093-Q1
PRODUCTION DATA.
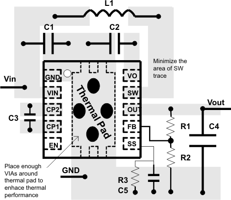
As for all switching power supplies, especially those running at high switching frequency and high currents, layout is an important design step. If layout is not carefully done, the regulator could suffer from instability as well as noise problems. To maximize efficiency, switch rise and fall times are very fast. To prevent radiation of high frequency noise (e.g., EMI), proper layout of the high frequency switching path is essential. Minimize the length and area of all traces connected to the SW pin and always use a ground plane under the switching regulator to minimize interplane coupling. The high current path including the switch and output capacitor contains nanosecond rise and fall times and should be kept as short as possible. The input capacitor needs not only to be close to the VIN pin, but also to the GND pin in order to reduce input supply ripple.

The maximum IC junction temperature should be restricted to 125°C under normal operating conditions. This restriction limits the power dissipation of the TPS61093-Q1. Calculate the maximum allowable dissipation, PD(max), and keep the actual dissipation less than or equal to PD(max). The maximum-power-dissipation limit is determined using the following equation:

where
The TPS61093-Q1 comes in a thermally enhanced SON package. This package includes a thermal pad that improves the thermal capabilities of the package. The RθJA of the SON package greatly depends on the PCB layout and thermal pad connection. The thermal pad must be soldered to the analog ground on the PCB. Using thermal vias underneath the thermal pad.