SLVS484C June 2003 – December 2014 TPS61090 , TPS61091 , TPS61092
PRODUCTION DATA.
请参考 PDF 数据表获取器件具体的封装图。
As for all switching power supplies, the layout is an important step in the design, especially at high peak currents and high switching frequencies. If the layout is not carefully done, the regulator could show stability problems as well as EMI problems. Therefore, use wide and short traces for the main current path and for the power ground tracks. The input capacitor, output capacitor, and the inductor should be placed as close as possible to the IC. Use a common ground node for power ground and a different one for control ground to minimize the effects of ground noise. Connect these ground nodes at any place close to one of the ground pins of the IC.
The feedback divider should be placed as close as possible to the control ground pin of the IC. To lay out the control ground, it is recommended to use short traces as well, separated from the power ground traces. This avoids ground shift problems, which can occur due to superimposition of power ground current and control ground current.
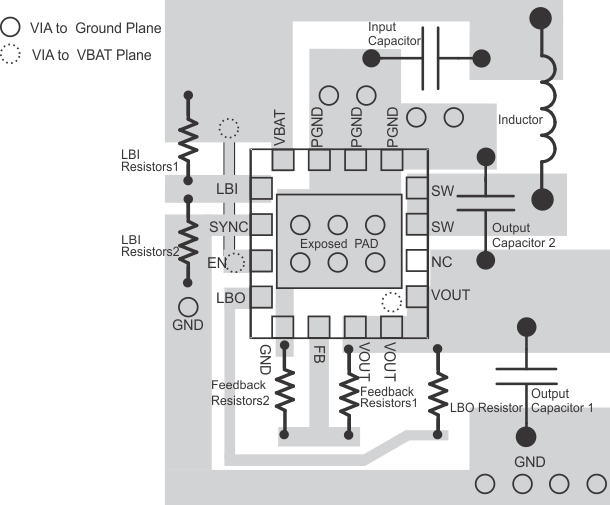
Figure 23. Layout Example Schematic
Implementation of integrated circuits in low-profile and fine-pitch surface-mount packages typically requires special attention to power dissipation. Many system-dependent issues such as thermal coupling, airflow, added heat sinks and convection surfaces, and the presence of other heat-generating components affect the power-dissipation limits of a given component.
Three basic approaches for enhancing thermal performance are listed below.
The maximum junction temperature (TJ) of the TPS6109x devices is 150°C. The thermal resistance of the 16-pin QFN PowerPAD package (RSA) isRΘJA = 38.1 °C/W, if the PowerPAD is soldered and the board layout is optimized. Specified regulator operation is assured to a maximum ambient temperature TA of 85°C. Therefore, the maximum power dissipation is about 1700 mW. More power can be dissipated if the maximum ambient temperature of the application is lower.

If designing for a lower junction temperature of 125°C, which is recommended, maximum heat dissipation is lower. Using the above equation (8) results in 1050 mW power dissipation.