ZHCSDP8D May   2015  – August 2021 TPS61088

PRODUCTION DATA  

  1. 特性
  2. 应用
  3. 说明
  4. Revision History
  5. Pin Configuration and Functions
  6. Specifications
    1. 6.1 Absolute Maximum Ratings
    2. 6.2 ESD Ratings
    3. 6.3 Recommended Operating Conditions
    4. 6.4 Thermal Information
    5. 6.5 Electrical Characteristics
    6. 6.6 Typical Characteristics
  7. Detailed Description
    1. 7.1 Overview
    2. 7.2 Functional Block Diagram
    3. 7.3 Feature Description
      1. 7.3.1 Enable and Start-up
      2. 7.3.2 Undervoltage Lockout (UVLO)
      3. 7.3.3 Adjustable Switching Frequency
      4. 7.3.4 Adjustable Peak Current Limit
      5. 7.3.5 Overvoltage Protection
      6. 7.3.6 Thermal Shutdown
    4. 7.4 Device Functional Modes
      1. 7.4.1 Operation
        1. 7.4.1.1 PWM Mode
        2. 7.4.1.2 PFM Mode
  8. Application and Implementation
    1. 8.1 Application Information
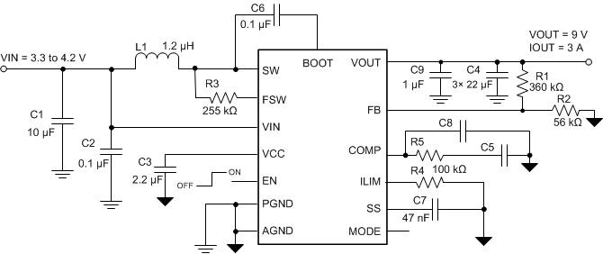
    2. 8.2 Typical Application
      1. 8.2.1 Design Requirements
      2. 8.2.2 Detailed Design Procedure
        1. 8.2.2.1 Custom Design with WEBENCH Tools
        2. 8.2.2.2 Setting Switching Frequency
        3. 8.2.2.3 Setting Peak Current Limit
        4. 8.2.2.4 Setting Output Voltage
        5. 8.2.2.5 Inductor Selection
        6. 8.2.2.6 Input Capacitor Selection
        7. 8.2.2.7 Output Capacitor Selection
        8. 8.2.2.8 Loop Stability
      3. 8.2.3 Application Curves
  9. Power Supply Recommendations
  10. 10Layout
    1. 10.1 Layout Guidelines
    2. 10.2 Layout Example
    3. 10.3 Thermal Considerations
  11. 11Device and Documentation Support
    1. 11.1 Device Support
      1. 11.1.1 第三方产品免责声明
      2. 11.1.2 Development Support
        1. 11.1.2.1 Custom Design with WEBENCH Tools
    2. 11.2 接收文档更新通知
    3. 11.3 支持资源
    4. 11.4 Trademarks
    5. 11.5 Electrostatic Discharge Caution
    6. 11.6 术语表
  12. 12Mechanical, Packaging, and Orderable Information

封装选项

机械数据 (封装 | 引脚)
散热焊盘机械数据 (封装 | 引脚)
订购信息

Typical Application

GUID-5BA1ECE4-2B60-4A07-A759-F61F9F087444-low.gifFigure 8-1 TPS61088 3.3 V to 9-V/3-A Output Converter