ZHCSIC0A September   2018  – November 2018 TPS61088-Q1

PRODUCTION DATA.  

  1. 特性
  2. 应用
  3. 说明
    1.     Device Images
      1.      典型应用电路
  4. 修订历史记录
  5. (说明 (续))
  6. Pin Configuration and Functions
    1.     Pin Functions
  7. Specifications
    1. 7.1 Absolute Maximum Ratings
    2. 7.2 ESD Ratings
    3. 7.3 Recommended Operating Conditions
    4. 7.4 Thermal Information
    5. 7.5 Electrical Characteristics
    6. 7.6 Typical Characteristics
  8. Detailed Description
    1. 8.1 Overview
    2. 8.2 Functional Block Diagram
    3. 8.3 Feature Description
      1. 8.3.1 Enable and Start-up
      2. 8.3.2 Undervoltage Lockout (UVLO)
      3. 8.3.3 Adjustable Switching Frequency
      4. 8.3.4 Adjustable Peak Current Limit
      5. 8.3.5 Overvoltage Protection
      6. 8.3.6 Thermal Shutdown
    4. 8.4 Device Functional Modes
      1. 8.4.1 Operation
        1. 8.4.1.1 PWM Mode
        2. 8.4.1.2 PFM Mode
  9. Application and Implementation
    1. 9.1 Application Information
    2. 9.2 Typical Application
      1. 9.2.1 Design Requirements
      2. 9.2.2 Detailed Design Procedure
        1. 9.2.2.1 Custom Design with WEBENCH Tools
        2. 9.2.2.2 Setting Switching Frequency
        3. 9.2.2.3 Setting Peak Current Limit
        4. 9.2.2.4 Setting Output Voltage
        5. 9.2.2.5 Inductor Selection
        6. 9.2.2.6 Input Capacitor Selection
        7. 9.2.2.7 Output Capacitor Selection
        8. 9.2.2.8 Loop Stability
      3. 9.2.3 Application Curves
  10. 10Power Supply Recommendations
  11. 11Layout
    1. 11.1 Layout Guidelines
    2. 11.2 Layout Example
    3. 11.3 Thermal Considerations
  12. 12器件和文档支持
    1. 12.1 器件支持
      1. 12.1.1 第三方产品免责声明
      2. 12.1.2 开发支持
        1. 12.1.2.1 使用 WEBENCH 工具创建定制设计
    2. 12.2 接收文档更新通知
    3. 12.3 社区资源
    4. 12.4 商标
    5. 12.5 静电放电警告
    6. 12.6 术语表
  13. 13机械、封装和可订购信息

封装选项

机械数据 (封装 | 引脚)
散热焊盘机械数据 (封装 | 引脚)
订购信息

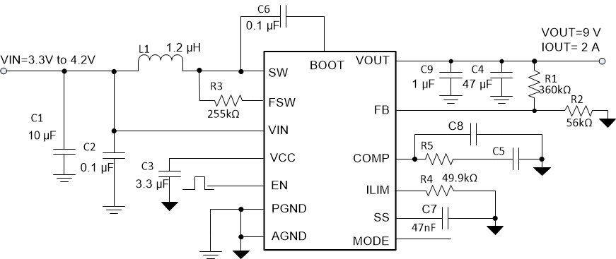
Typical Application

TPS61088-Q1 TYP_APP_UPDATE.gifFigure 13. TPS61088-Q1 3.3 V to 9-V/3-A Output Converter