SLVS888C December   2008  – October 2015 TPS60150

PRODUCTION DATA.  

  1. Features
  2. Applications
  3. Description
  4. Revision History
  5. Pin Configuration and Functions
  6. Specifications
    1. 6.1 Absolute Maximum Ratings
    2. 6.2 ESD Ratings
    3. 6.3 Recommended Operating Conditions
    4. 6.4 Thermal Information
    5. 6.5 Electrical Characteristics
    6. 6.6 Typical Characteristics
  7. Detailed Description
    1. 7.1 Overview
    2. 7.2 Functional Block Diagram
    3. 7.3 Feature Description
      1. 7.3.1 Enable
      2. 7.3.2 Undervoltage Lockout
      3. 7.3.3 Thermal Shutdown Protection
    4. 7.4 Device Functional Modes
      1. 7.4.1 Soft Start
      2. 7.4.2 Normal Mode and Skip Mode Operation
      3. 7.4.3 Short Circuit Protection
  8. Application and Implementation
    1. 8.1 Application Information
    2. 8.2 Typical Application
      1. 8.2.1 USB On the Go Circuitry
        1. 8.2.1.1 Design Requirements
        2. 8.2.1.2 Detailed Design Procedure
          1. 8.2.1.2.1 Capacitor Selection
        3. 8.2.1.3 Application Curves
      2. 8.2.2 System Example
  9. Power Supply Recommendations
  10. 10Layout
    1. 10.1 Layout Guidelines
    2. 10.2 Layout Example
  11. 11Device and Documentation Support
    1. 11.1 Community Resources
    2. 11.2 Trademarks
    3. 11.3 Electrostatic Discharge Caution
    4. 11.4 Glossary
  12. 12Mechanical, Packaging, and Orderable Information

封装选项

机械数据 (封装 | 引脚)
散热焊盘机械数据 (封装 | 引脚)
订购信息

8 Application and Implementation

NOTE

Information in the following applications sections is not part of the TI component specification, and TI does not warrant its accuracy or completeness. TI’s customers are responsible for determining suitability of components for their purposes. Customers should validate and test their design implementation to confirm system functionality.

8.1 Application Information

Most of today’s battery-powered portable electronics allow and/or require data transfer with a PC. One of the fastest data transfer protocols is through USB On-the-Go (OTG). As Figure 7 shows, the USB OTG circuitry in the portable device requires a 5-V power rail and up to 140 mA of current. The TPS60150 device may be used to provide a 5-V power rail in a battery powered system.

8.2 Typical Application

8.2.1 USB On the Go Circuitry

TPS60150 otg_cir_lvs888.gif Figure 7. Application Circuit for OTG System

8.2.1.1 Design Requirements

The design guideline provides a component selection to operate the device within the Recommended Operating Conditions.

8.2.1.2 Detailed Design Procedure

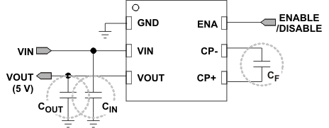
8.2.1.2.1 Capacitor Selection

For minimum output voltage ripple, the output capacitor (COUT) should be a surface-mount ceramic capacitor. Tantalum capacitors generally have a higher effective series resistance (ESR) and may contribute to higher output voltage ripple. Leaded capacitors also increase ripple due to the higher inductance of the package itself. To achieve the best operation with low input voltage and high load current, the input and flying capacitors (CIN and CF, respectively) should also be surface-mount ceramic types.

TPS60150 caps_lvs888.gif Figure 8. Capacitors

Generally, CFLY can be calculated using Equation 2.

Equation 2. TPS60150 eq_qchg_lvs888.gif

Both equation should be same, TPS60150 eq_inline_lvs888.gif

Equation 3. TPS60150 eq_cfly_lvs888.gif

If ILOAD = 140 mA, f = 1.5 MHZ, and ΔVCFLY = 100 mV, the minimum value of the flying capacitor should be 1 μF.

Output capacitance, COUT, is also strongly related to output ripple voltage and loop stability,

Equation 4. TPS60150 eq_ripple_lvs888.gif

The minimum output capacitance for all output levels is 2.2 μF due to control stability. Larger ceramic capacitors or low ESR capacitors can be used to lower the output ripple voltage.

Table 1. Suggested Capacitors (Input, Output, and Flying Capacitor)

VALUE DIELECTRIC MATERIAL PACKAGE SIZE RATED VOLTAGE
4.7 μF X5R or X7R 0603 10 V
2.2 μF X5R or X7R 0603 10 V

The efficiency of the charge pump regulator varies with the output voltage, the applied input voltage and the load current.

Use Equation 5 and Equation 6 to calculate the approximate efficiency in normal operating mode is given by:

Equation 5. TPS60150 eq_eff_lvs888.gif
Equation 6. TPS60150 eq_eff2_lvs888.gif

8.2.1.3 Application Curves

TPS60150 vo_io_lvs888.gif Figure 9. Output Voltage vs Output Current
TPS60150 eff_vi_lvs888.gif Figure 11. Efficiency vs Input Voltage
TPS60150 load2_res_lvs888.gif Figure 13. Load Transient Response
VIN = 3.6 V, IO = 60 mA to 100 mA
TPS60150 orip_skip2_lvs888.gif Figure 15. Output Ripple Voltage (Skip Mode)
VIN = 3.6 V, IO = 0 mA
TPS60150 lt_lvs888.gif Figure 17. Output Ripple (Normal Mode)
VIN = 3.6 V, IO = 100 mA
TPS60150 pwr2_on_lvs888.gif Figure 19. Power On
VIN = 3.6 V, IO = 100 mA
TPS60150 en2_disable_lvs888.gif Figure 21. Enable / Disable
VIN = 3.6 V, IO = 100 mA
TPS60150 vo2_io_lvs888.gif Figure 10. Output Voltage vs Input Voltage
TPS60150 load_res_lvs888.gif Figure 12. Load Transient Response
VIN = 2.7 V, IO = 30 mA to 50 mA
TPS60150 orip_skip_lvs888.gif Figure 14. Output Ripple Voltage (Skip Mode)
VIN = 2.7 V, IO = 0 mA
TPS60150 out_ripp_lvs888.gif Figure 16. Output Ripple Voltage (Normal Mode)
VIN = 2.7 V, IO = 50 mA
TPS60150 pwr_on_lvs888.gif Figure 18. Power On
VIN = 2.7 V, IO = 50 mA
TPS60150 en_disable_lvs888.gif Figure 20. Enable / Disable
VIN = 2.7 V, IO = 50 mA
TPS60150 tds_oper_lvs888.gif Figure 22. Thermal Shutdown Operation
VIN = 5.5 V, RLOAD= 20 Ω

8.2.2 System Example

Low-cost portable electronics with small LCD displays require a low-cost solution for providing the WLED backlight. As shown in Figure 23, the TPS60150 device can also be used to drive several WLEDs in parallel, with the help of ballast resistors.

TPS60150 dvr_white_led_lvs888.gif Figure 23. Application Circuit for Driving White LEDs