ZHCSLZ0 September   2020 TPS562202

PRODUCTION DATA  

  1. 特性
  2. 应用
  3. 说明
  4. 修订历史记录
  5. 器件比较表
  6. 引脚配置和功能
    1.     引脚功能
  7. 规格
    1. 7.1 绝对最大额定值
    2. 7.2 ESD 等级
    3. 7.3 建议运行条件
    4. 7.4 热性能信息
    5. 7.5 电气特性
    6. 7.6 典型特性
  8. 详细说明
    1. 8.1 概述
    2. 8.2 功能模块图
    3. 8.3 特性说明
      1. 8.3.1 自适应导通时间控制和 PWM 运行
      2. 8.3.2 Eco-mode 控制
      3. 8.3.3 软启动和预偏置软启动
      4. 8.3.4 电流保护
      5. 8.3.5 欠压闭锁 (UVLO) 保护
      6. 8.3.6 热关断
    4. 8.4 器件功能模式
      1. 8.4.1 正常运行
      2. 8.4.2 Eco-mode 运行
      3. 8.4.3 待机运行
  9. 应用和实施
    1. 9.1 应用信息
    2. 9.2 典型应用
      1. 9.2.1 设计要求
      2. 9.2.2 详细设计过程
        1. 9.2.2.1 输出电压电阻器选择
        2. 9.2.2.2 输出滤波器选择
        3. 9.2.2.3 输入电容器选型
        4. 9.2.2.4 自举电容器选型
      3. 9.2.3 应用曲线
  10. 10电源相关建议
  11. 11布局
    1. 11.1 布局指南
    2. 11.2 布局示例
  12. 12器件和文档支持
    1. 12.1 接收文档更新通知
    2. 12.2 支持资源
    3. 12.3 商标
    4. 12.4 静电放电警告
    5. 12.5 术语表
  13. 13机械、封装和可订购信息

封装选项

机械数据 (封装 | 引脚)
散热焊盘机械数据 (封装 | 引脚)
订购信息

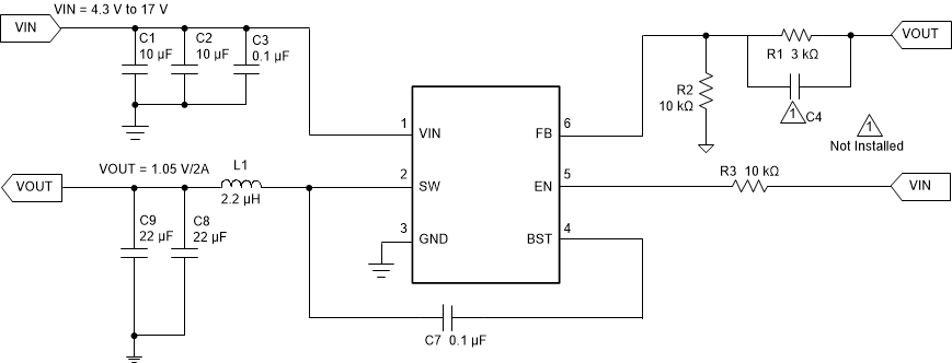
典型应用

图 9-1 中的应用原理图是为了满足之前的要求而编制的。本电路作为评估模块 (EVM) 提供。以下各节介绍了设计过程。

图 9-1 所示为 TPS562202 4.3V 到 17V 输入、1.05V 输出转换器原理图。

GUID-20200814-CA0I-KVS2-QGMM-41DRMVRKMZJZ-low.gif图 9-1 1.05V、2A 参考设计