SLVSB14B October   2011  – February 2016 TPS54821

PRODUCTION DATA.  

  1. Features
  2. Applications
  3. Description
  4. Revision History
  5. Pin Configuration and Functions
  6. Specifications
    1. 6.1 Absolute Maximum Ratings
    2. 6.2 ESD Ratings
    3. 6.3 Recommended Operating Conditions
    4. 6.4 Thermal Information
    5. 6.5 Electrical Characteristics
    6. 6.6 Typical Characteristics
  7. Detailed Description
    1. 7.1 Overview
    2. 7.2 Functional Block Diagram
    3. 7.3 Feature Description
      1. 7.3.1 Fixed Frequency PWM Control
      2. 7.3.2 Continuous Current Mode Operation (CCM)
      3. 7.3.3 VIN and Power VIN Pins (VIN and PVIN)
      4. 7.3.4 Voltage Reference
      5. 7.3.5 Adjusting the Output Voltage
      6. 7.3.6 Safe Start-up into Pre-Biased Outputs
      7. 7.3.7 Error Amplifier
      8. 7.3.8 Slope Compensation
    4. 7.4 Device Functional Modes
      1. 7.4.1  Enable and Adjusting Undervoltage Lockout
      2. 7.4.2  Adjustable Switching Frequency and Synchronization (RT/CLK)
      3. 7.4.3  Adjustable Switching Frequency (RT Mode)
      4. 7.4.4  Synchronization (CLK mode)
      5. 7.4.5  Slow Start (SS/TR)
      6. 7.4.6  Power Good (PWRGD)
      7. 7.4.7  Bootstrap Voltage (BOOT) and Low Dropout Operation
      8. 7.4.8  Sequencing (SS/TR)
      9. 7.4.9  Output Overvoltage Protection (OVP)
      10. 7.4.10 Overcurrent Protection
      11. 7.4.11 Thermal Shutdown
      12. 7.4.12 Small Signal Model for Loop Response
      13. 7.4.13 Simple Small Signal Model for Peak Current Mode Control
      14. 7.4.14 Small Signal Model for Frequency Compensation
  8. Application and Implementation
    1. 8.1 Application Information
    2. 8.2 Typical Application
      1. 8.2.1 Design Parameters
      2. 8.2.2 Design Guide - Step-By-Step Design Procedure
        1. 8.2.2.1  Typical Application Schematic
        2. 8.2.2.2  Operating Frequency
        3. 8.2.2.3  Output Inductor Selection
        4. 8.2.2.4  Output Capacitor Selection
        5. 8.2.2.5  Input Capacitor Selection
        6. 8.2.2.6  Slow Start Capacitor Selection
        7. 8.2.2.7  Bootstrap Capacitor Selection
        8. 8.2.2.8  Under Voltage Lockout Set Point
        9. 8.2.2.9  Output Voltage Feedback Resistor Selection
          1. 8.2.2.9.1 Minimum Output Voltage
        10. 8.2.2.10 Compensation Component Selection
        11. 8.2.2.11 Fast Transient Considerations
      3. 8.2.3 Application Curves
  9. Power Supply Recommendations
  10. 10Layout
    1. 10.1 PCB Layout Guidelines
    2. 10.2 Layout Example
      1. 10.2.1 Estimated Circuit Area
  11. 11Device and Documentation Support
    1. 11.1 Trademarks
    2. 11.2 Electrostatic Discharge Caution
    3. 11.3 Glossary
  12. 12Mechanical, Packaging, and Orderable Information

封装选项

机械数据 (封装 | 引脚)
散热焊盘机械数据 (封装 | 引脚)
订购信息

10 Layout

10.1 PCB Layout Guidelines

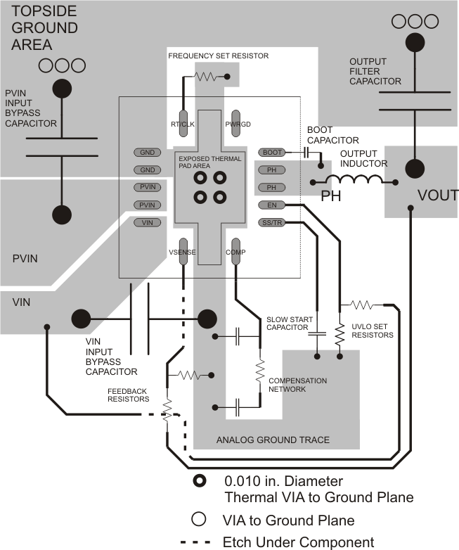
Layout is a critical portion of good power supply design. See Figure 45 for a PCB layout example. The top layer contains the main power traces for VIN, VOUT, and VPHASE. Also on the top layer are connections for the remaining pins of the TPS54821 and a large top side area filled with ground. The top layer ground area should be connected to the internal ground layer(s) using vias at the input bypass capacitor, the output filter capacitor and directly under the TPS54821 device to provide a thermal path from the exposed thermal pad land to ground. The GND pin should be tied directly to the power pad under the IC and the power pad. For operation at full rated load, the top side ground area together with the internal ground plane, must provide adequate heat dissipating area. There are several signals paths that conduct fast changing currents or voltages that can interact with stray inductance or parasitic capacitance to generate noise or degrade the power supplies performance. To help eliminate these problems, the PVIN pin should be bypassed to ground with a low ESR ceramic bypass capacitor with X5R or X7R dielectric. Care should be taken to minimize the loop area formed by the bypass capacitor connections, the PVIN pins, and the ground connections. The VIN pin must also be bypassed to ground using a low ESR ceramic capacitor with X5R or X7R dielectric. Make sure to connect this capacitor to the quite analog ground trace rather than the power ground trace of the PVIn bypass capacitor. Since the PH connection is the switching node, the output inductor should be located close to the PH pins, and the area of the PCB conductor minimized to prevent excessive capacitive coupling. The output filter capacitor ground should use the same power ground trace as the PVIN input bypass capacitor. Try to minimize this conductor length while maintaining adequate width. The small signal components should be grounded to the analog ground path as shown. The RT/CLK pin is sensitive to noise so the RT resistor should be located as close as possible to the IC and routed with minimal lengths of trace. The additional external components can be placed approximately as shown. It may be possible to obtain acceptable performance with alternate PCB layouts, however this layout has been shown to produce good results and is meant as a guideline.

Land pattern and stencil information is provided in the data sheet addendum. The dimension and outline information is for the standard RHL (S-PVQFN-N14) package. There may be slight differences between the provided data and actual lead frame used on the TPS54821RHL package.

10.2 Layout Example

TPS54821 pcb_layout_lvs949.gif Figure 45. PCB Layout
TPS54821 smpcb_layout_lvs949.gif Figure 46. Ultra-Small PCB Layout Using TPS54821 (PMP4854-2)

10.2.1 Estimated Circuit Area

The estimated printed circuit board area for the components used in the design of Figure 29 is 0.58 in2 (374mm2). This area does not include test points or connectors.