ZHCSBT5C October   2013  – January 2017 TPS54541

PRODUCTION DATA.  

  1. 特性
  2. 应用
  3. 说明
  4. 修订历史记录
  5. Pin Configuration and Functions
  6. Specifications
    1. 6.1 Absolute Maximum Ratings
    2. 6.2 ESD Ratings
    3. 6.3 Recommended Operating Conditions
    4. 6.4 Thermal Information
    5. 6.5 Electrical Characteristics
    6. 6.6 Timing Requirements
    7. 6.7 Switching Requirements
    8. 6.8 Typical Characteristics
  7. Detailed Description
    1. 7.1 Overview
    2. 7.2 Functional Block Diagram
    3. 7.3 Feature Description
      1. 7.3.1  Fixed-Frequency PWM Control
      2. 7.3.2  Slope Compensation Output Current
      3. 7.3.3  Pulse Skip Eco-mode
      4. 7.3.4  Low Dropout Operation and Bootstrap Voltage (BOOT)
      5. 7.3.5  Error Amplifier
      6. 7.3.6  Adjusting the Output Voltage
      7. 7.3.7  Enable and Adjusting Undervoltage Lockout
      8. 7.3.8  Soft-Start/Tracking Pin (SS/TR)
      9. 7.3.9  Sequencing
      10. 7.3.10 Constant Switching Frequency and Timing Resistor (RT/CLK) Pin)
      11. 7.3.11 Synchronization to RT/CLK Pin
      12. 7.3.12 Maximum Switching Frequency
      13. 7.3.13 Accurate Current Limit Operation
      14. 7.3.14 Power Good (PWRGD Pin)
      15. 7.3.15 Overvoltage Protection
      16. 7.3.16 Thermal Shutdown
      17. 7.3.17 Small-Signal Model for Loop Response
      18. 7.3.18 Simple Small-Signal Model for Peak-Current-Mode Control
      19. 7.3.19 Small Signal Model for Frequency Compensation
    4. 7.4 Device Functional Modes
  8. Application and Implementation
    1. 8.1 Application Information
    2. 8.2 Typical Applications
      1. 8.2.1 Buck Converter for 6-V to 42-V Input and 3.3-V at 5-A Output
        1. 8.2.1.1 Design Requirements
        2. 8.2.1.2 Detailed Design Procedure
          1. 8.2.1.2.1  Custom Design with WEBENCH® Tools
          2. 8.2.1.2.2  Selecting the Switching Frequency
          3. 8.2.1.2.3  Output Inductor Selection (LO)
          4. 8.2.1.2.4  Output Capacitor
          5. 8.2.1.2.5  Catch Diode
          6. 8.2.1.2.6  Input Capacitor
          7. 8.2.1.2.7  Slow-Start Capacitor
          8. 8.2.1.2.8  Bootstrap Capacitor Selection
          9. 8.2.1.2.9  Undervoltage Lockout Set Point
          10. 8.2.1.2.10 Output Voltage and Feedback Resistors Selection
          11. 8.2.1.2.11 Compensation
          12. 8.2.1.2.12 Power Dissipation Estimate
          13. 8.2.1.2.13 Safe Operating Area
          14. 8.2.1.2.14 Discontinuous Conduction Mode and Eco-mode Boundary
        3. 8.2.1.3 Application Curves
      2. 8.2.2 Inverting Buck-Boost Topology for Positive Input to Negative Output
      3. 8.2.3 Split-Rail Topology for Positive Input to Negative and Positive Output
  9. Power Supply Recommendations
  10. 10Layout
    1. 10.1 Layout Guidelines
    2. 10.2 Layout Example
    3. 10.3 Estimated Circuit Area
  11. 11器件和文档支持
    1. 11.1 器件支持
      1. 11.1.1 Third-Party Products Disclaimer
      2. 11.1.2 开发支持
    2. 11.2 文档支持
      1. 11.2.1 相关文档 
      2. 11.2.2 《使用 WEBENCH® 工具定制设计方案》
    3. 11.3 接收文档更新通知
    4. 11.4 社区资源
    5. 11.5 商标
    6. 11.6 静电放电警告
    7. 11.7 Glossary
  12. 12机械、封装和可订购信息

封装选项

机械数据 (封装 | 引脚)
散热焊盘机械数据 (封装 | 引脚)
订购信息

Detailed Description

Overview

The TPS54541 is a 42-V 5-A, step-down (buck) regulator with an integrated high-side n-channel MOSFET. The device implements constant-frequency current-mode control which reduces output capacitance and simplifies external frequency compensation. The wide switching frequency range of 100 to 2500 kHz allows for either efficiency or size optimization when selecting the output filter components. The switching frequency is adjusted using a resistor to ground connected to the RT/CLK pin. The device has an internal phase-locked loop (PLL) connected to the RT/CLK pin that synchronizes the power switch turn-on to a falling edge of an external clock signal.

The TPS54541 device has a default input start-up voltage of 4.3 V typical. The EN pin adjusts the input-voltage undervoltage-lockout (UVLO) threshold with two external resistors. An internal-pullup current source enables operation when the EN pin is floating. The operating current is 152 μA under a no-load condition when not switching. When the device is disabled, the supply current is 2 μA.

The integrated 87-mΩ high-side MOSFET supports high-efficiency power-supply designs capable of delivering 5 A of continuous current to a load. The gate-drive bias voltage for the integrated high-side MOSFET is supplied by a bootstrap capacitor connected from the BOOT to SW pins. The TPS54541 device reduces the external component count by integrating the bootstrap recharge diode. The BOOT pin capacitor voltage is monitored by a UVLO circuit which turns off the high-side MOSFET when the BOOT to SW voltage falls below a preset threshold. An automatic BOOT capacitor recharge circuit allows the TPS54541 device to operate at high duty cycles approaching 100%. Therefore, the maximum output voltage is near the minimum input supply voltage of the application. The minimum output voltage is the internal 0.8-V feedback reference.

Output overvoltage transients are minimized by an overvoltage protection (OVP) comparator. When the OVP comparator is activated, the high-side MOSFET turns off and remains off until the output voltage is less than 106% of the desired output voltage.

The SS/TR (soft-start/tracking) pin minimizes inrush currents or provides power-supply sequencing during power up. A small value capacitor must be connected to the pin to adjust the soft-start time. A resistor divider can be connected to the pin for critical power supply sequencing requirements. The SS/TR pin is discharged before the output powers up. This discharging ensures a repeatable restart after an overtemperature fault, UVLO fault, or a disabled condition. When the overload condition is removed, the soft-start circuit controls the recovery from the fault output level to the nominal regulation voltage. A frequency-foldback circuit reduces the switching frequency during startup and overcurrent fault conditions to help maintain control of the inductor current.

Functional Block Diagram

TPS54541 fbd_SLVSC60.gif

Feature Description

Fixed-Frequency PWM Control

The TPS54541 device uses fixed-frequency peak-current-mode control with adjustable switching frequency. The output voltage is compared through external resistors connected to the FB pin to an internal voltage reference by an error amplifier. An internal oscillator initiates the turn-on of the high-side power switch. The error amplifier output at the COMP pin controls the high-side power switch current. When the high-side MOSFET switch current reaches the threshold level set by the COMP voltage, the power switch turns off. The COMP pin voltage increases and decreases as the output current increases and decreases. The device implements current limiting by clamping the COMP pin voltage to a maximum level. The pulse skipping Eco-mode is implemented with a minimum voltage clamp on the COMP pin.

Slope Compensation Output Current

The TPS54541 device adds a compensating ramp to the MOSFET switch current-sense signal. This slope compensation prevents sub-harmonic oscillations at duty cycles greater than 50%. The peak current limit of the high-side switch is not affected by the slope compensation and remains constant over the full duty-cycle range.

Pulse Skip Eco-mode

The TPS54541 device operates in a pulse-skipping Eco-mode at light-load currents to improve efficiency by reducing switching and gate drive losses. If the output voltage is within regulation and the peak switch current at the end of any switching cycle is below the pulse-skipping current threshold, the device enters Eco-mode. The pulse-skipping current threshold is the peak switch-current level corresponding to a nominal COMP voltage of 600 mV.

When in Eco-mode, the COMP pin voltage is clamped at 600 mV and the high-side MOSFET is inhibited. Because the device is not switching, the output voltage begins to decay. The voltage-control loop responds to the falling output voltage by increasing the COMP pin voltage. The high-side MOSFET is enabled and switching resumes when the error amplifier lifts COMP above the pulse skipping threshold. The output voltage recovers to the regulated value, and COMP eventually falls below the Eco-mode pulse-skipping threshold at which time the device again enters Eco-mode. The internal PLL remains operational when in Eco-mode. When operating at light load currents in Eco-mode, the switching transitions occur synchronously with the external clock signal.

During Eco-mode operation, the TPS54541 device senses and controls peak switch current, not the average load current. Therefore the load current at which the device enters Eco-mode is dependent on the output inductor value. As the load current approaches zero, the device enters a pulse skip mode during which it draws only 152-μA input quiescent current. The circuit in Figure 46 enters Eco-mode at about 18-mA output current and with no external load has an average input current of 260 µA.

Low Dropout Operation and Bootstrap Voltage (BOOT)

The TPS54541 device provides an integrated bootstrap voltage regulator. A small capacitor between the BOOT and SW pins provides the gate-drive voltage for the high-side MOSFET. The BOOT capacitor refreshes when the high-side MOSFET is off and the external low-side diode conducts. The recommended value of the BOOT capacitor is 0.1 μF. TI recommends a ceramic capacitor with an X7R or X5R grade dielectric with a voltage rating of 10 V or higher for stable performance over temperature and voltage.

When operating with a low voltage difference from input to output, the high-side MOSFET of the TPS54541 device operates at 100% duty cycle as long as the BOOT to SW pin voltage is greater than 2.1 V. When the voltage from BOOT to SW drops below 2.1 V, the high-side MOSFET turns off and an integrated low-side MOSFET pulls SW low to recharge the BOOT capacitor. To reduce the losses of the small low-side MOSFET at high output voltages, the low-side MOSFET is disabled at 24-V output and re-enabled when the output reaches 21.5 V.

Because the gate-drive current sourced from the BOOT capacitor is small, the high-side MOSFET remains on for many switching cycles before the MOSFET turns off to refresh the capacitor. Thus the effective duty cycle of the switching regulator can be high, approaching 100%. The effective duty cycle of the converter during dropout is mainly influenced by the voltage drops across the power MOSFET, the inductor resistance, the low-side diode voltage, and the printed circuit-board resistance.

The start and stop voltage for a typical 5-V output application is shown in Figure 25 where the input voltage is plotted versus load current. The start voltage is defined as the input voltage required to regulate the output within 1% of nominal. The stop voltage is defined as the input voltage at which the output drops by 5% or where switching stops.

During high duty-cycle (low dropout) conditions, the inductor current ripple increases when the BOOT capacitor recharges resulting in an increase in output voltage ripple. Increased ripple occurs when the off-time required to recharge the BOOT capacitor is longer than the high-side off-time associated with cycle-by-cycle PWM control.

At heavy loads, the minimum input voltage must increase to ensure a monotonic start-up. Use Equation 1 to calculate the minimum input voltage for this condition.

Equation 1. VOmax = Dmax × (VVINmin – IOmax × RDS(on) + Vd) – Vd – IOmax × Rdc

where

  • Dmax ≥ 0.9
  • Vd = forward drop of the catch diode
  • RDS(on) = 1 / (–0.3 × VB2SW2 + 3.577 × VB2SW – 4.246)
    • VB2SW = VBOOT + Vd
    • VBOOT = (1.41 × VVIN – 0.554 – Vd × ƒSW – 1.847 × 103 × IB2SW) / (1.41 + ƒSW)
    • IB2SW = 100 × 10-6 A

Error Amplifier

The TPS54541 voltage-regulation loop is controlled by a transconductance error amplifier. The error amplifier compares the FB pin voltage to the lower of the internal soft-start voltage or the internal 0.8-V voltage reference. The transconductance (gm) of the error amplifier is 350 μA/V during normal operation. During soft-start operation, the transconductance is reduced to 78 μA/V and the error amplifier is referenced to the internal soft-start voltage.

The frequency-compensation components (capacitor, series resistor, and capacitor) connect between the error amplifier output COMP pin and GND pin.

Adjusting the Output Voltage

The internal voltage reference produces a precise 0.8-V ±1% voltage reference over the operating temperature and voltage range by scaling the output of a bandgap-reference circuit. A resistor divider from the output node to the FB pin sets the output voltage. Using 1% tolerance or better divider resistors is recommended. Select the low-side resistor RLS for the desired divider current and use Equation 2 to calculate RHS. To improve efficiency at light loads consider using larger value resistors. However, if the values are too high, the regulator is more susceptible to noise and voltage errors from the FB input current could become noticeable.

Equation 2. TPS54541 eq1_rhs_slvsc57.gif

Enable and Adjusting Undervoltage Lockout

The TPS54541 device enables when the VIN pin voltage rises above 4.3 V and the EN pin voltage exceeds the enable threshold of 1.2 V. The TPS54541 device disables when the VIN pin voltage falls below 4 V or when the EN pin voltage is below 1.2 V. The EN pin has an internal pullup current source, I1, of 1.2 μA enabling operation of the TPS54541 device when the EN pin floats.

If an application requires a higher UVLO threshold, use the circuit shown in Figure 26 to adjust the input voltage UVLO with two external resistors. When the EN pin voltage exceeds 1.2 V, an additional 3.4 μA of hysteresis current, IHYS, is sourced out of the EN pin. When the EN pin is pulled below 1.2 V, the 3.4-μA IHYS current is removed. This additional current facilitates adjustable input-voltage UVLO hysteresis. Use Equation 3 to calculate RUVLO1 for the desired UVLO hysteresis voltage. Use Equation 4 to calculate RUVLO2 for the desired VIN start voltage.

In applications designed to start at relatively low input voltages (that is, from 4.5 to 9 V) and withstand high input voltages (for example, 40 V), the EN pin can experience a voltage greater than the absolute maximum voltage of 8.4 V during the high input-voltage condition. To avoid exceeding this voltage when using the EN resistors, the EN pin is clamped internally with a 5.8-V Zener diode capable of sinking up to 150 μA.

Equation 3. TPS54541 q_uvlo1_lvsbb4.gif
Equation 4. TPS54541 q_uvlo2_lvsbb4.gif
TPS54541 adj_uv_loclout_slvsc57.gif Figure 26. Adjustable Undervoltage Lockout (UVLO)
TPS54541 adj_uv_lock2_slvsc57.gif Figure 27. Internal EN Pin Clamp

Soft-Start/Tracking Pin (SS/TR)

The TPS54541 device effectively uses the lower voltage of the internal voltage reference or the SS/TR pin voltage as the reference voltage of the power supply and regulates the output accordingly. A capacitor on the SS/TR pin to ground implements a soft-start time. The TPS54541 device has an internal pullup current source of 1.7 μA that charges the external soft-start capacitor. The calculations for the soft start time (10% to 90%) are shown in Equation 5. The voltage reference (VREF) is 0.8 V and the soft-start current (ISS) is 1.7μA. The soft-start capacitor should remain lower than 0.47 μF and greater than 0.47 nF.

Equation 5. TPS54541 eq6_ss_slvsc57.gif

At power up, the TPS54541 device does not begin switching until the soft start pin is discharged to less than 54 mV to ensure a proper power-up, see Figure 28.

Also, during normal operation, the TPS54541 device stops switching, the SS/TR must discharge to 54 mV, and, when the VIN UVLO is exceeded, the EN pin must pull below 1.2 V, otherwise a thermal shutdown event occurs.

The FB voltage follows the SS/TR pin voltage with a 42-mV offset up to 85% of the internal voltage reference. When the SS/TR voltage is greater than 85% on the internal reference voltage the offset increases as the effective system reference transitions from the SS/TR voltage to the internal voltage reference (see Figure 23). The SS/TR voltage ramps linearly until clamped at 2.7 V typically as shown in Figure 28.

TPS54541 fig030_SLVSBO1.gif Figure 28. Operation of SS/TR Pin when Starting

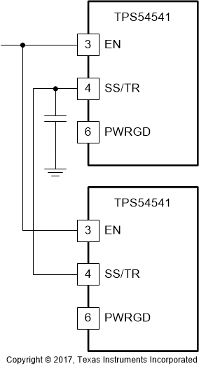
Sequencing

Many of the common power supply sequencing methods are implemented using the SS/TR, EN, and PWRGD pins. The sequential method is implemented using an open-drain output of a power on the reset pin of another device. The sequential method is illustrated in Figure 29 using two TPS54541 devices. The power good is connected to the EN pin on the TPS54541 device which enables the second power supply once the primary supply reaches regulation. If needed, a 1-nF ceramic capacitor on the EN pin of the second power supply provides a 1-ms startup delay. Figure 30 shows the results of Figure 29.

spacer

TPS54541 startup_seq_slvsc57.gif Figure 29. Schematic for Sequential Startup Sequence
TPS54541 fig032_SLVSBO1.gif Figure 30. Sequential Startup using EN and PWRGD
TPS54541 schematic_startup_slvsc57.gif Figure 31. Schematic for Ratiometric Startup Sequence
TPS54541 fig034_SLVSBO1.gif Figure 32. Ratiometric Startup Using Coupled SS/TR pins

Figure 31 shows a method for ratiometric start-up sequence by connecting the SS/TR pins together. The regulator outputs ramp up and reach regulation at the same time. When calculating the soft-start time the pullup current source must be doubled in Equation 5. Figure 32 shows the results of Figure 31.

TPS54541 simul_startup_slvsc57.gif Figure 33. Schematic for Ratiometric and Simultaneous Startup Sequence

Ratiometric and simultaneous power-supply sequencing are implemented by connecting the resistor network of R1 and R2 shown in Figure 33 to the output of the power supply that must be tracked or another voltage reference source. Using Equation 6 and Equation 7, calculate the tracking resistors to initiate the VOUT2 slightly before, after or at the same time as VOUT1. Equation 8 is the voltage difference between VOUT1 and VOUT2 at the 95% of nominal output regulation.

The ΔV variable is 0 V for simultaneous sequencing. To minimize the effect of the inherent SS/TR to FB offset (VSSoffset) in the soft-start circuit and the offset created by the pullup-current source (ISS) and tracking resistors, the VSSoffset and ISS are included as variables in the equations.

To design a ratio-metric start-up in which the VOUT2 voltage is slightly greater than the VOUT1 voltage when VOUT2 reaches regulation, use a negative number in Equation 6 through Equation 8 for ΔV. Equation 8 results in a positive number for applications which the VOUT2 is slightly lower than VOUT1 when VOUT2 regulation is achieved.

Because the SS/TR pin must be pulled below 54 mV before starting after an EN, UVLO, or thermal shutdown fault, careful selection of the tracking resistors ensures that the device restarts after a fault. The calculated R1 value from Equation 6 must be greater than the value calculated in Equation 9 to ensure the device recovers from a fault.

As the SS/TR voltage becomes more than 85% of the nominal reference voltage, the VSSoffset becomes larger as the soft-start circuits gradually hands-off the regulation reference to the internal voltage reference. The SS/TR pin voltage must be greater than 1.5 V for a complete handoff to the internal voltage reference as shown in Figure 23.

Equation 6. TPS54541 eq7_slvsc57.gif
Equation 7. TPS54541 eq8_slvsc57.gif
Equation 8. TPS54541 eq9_slvsc57.gif
Equation 9. TPS54541 eq10_slvsc57.gif
TPS54541 fig036_SLVSBO1.gif
Figure 34. Ratiometric Startup with Tracking Resistors
TPS54541 fig038_SLVSBO1.gif
Figure 36. Simultaneous Startup With Tracking Resistor
TPS54541 fig037_SLVSBO1.gif
Figure 35. Ratiometric Startup with Tracking Resistors

Constant Switching Frequency and Timing Resistor (RT/CLK) Pin)

The switching frequency of the TPS54541 device is adjustable over a wide range from 100 to 2500 kHz by placing a resistor between the RT/CLK pin and GND pin. The RT/CLK pin voltage is typically 0.5 V and must have a resistor to ground to set the switching frequency. To determine the timing resistance for a given switching frequency, use Equation 10 or Equation 11 or the curves in Figure 5 and Figure 6. To reduce the solution size typically set the switching frequency as high as possible. Consider the tradeoffs of the conversion efficiency, maximum input voltage, and minimum controllable on time. The minimum controllable on time is typically 135 ns, which limits the maximum operating frequency in applications with high input to output step-down ratios. The maximum switching frequency is also limited by the frequency-foldback circuit. A more detailed discussion of the maximum switching frequency is provided in the next section.

Equation 10. TPS54541 eq6_RT_lvsbb4.gif

Equation 11. TPS54541 eq7_fsw_lvsbb4.gif

Synchronization to RT/CLK Pin

The RT/CLK pin can receive a frequency synchronization signal from an external system clock. To implement this synchronization feature, connect a square wave to the RT/CLK pin through either circuit network shown in Figure 37. The square wave applied to the RT/CLK pin must switch lower than 0.5 V and higher than 2.0 V and have a pulsewidth greater than 15 ns. The synchronization frequency range is 160 to 2300 kHz. The rising edge of the SW synchronizes to the falling edge of RT/CLK pin signal. Design the external synchronization circuit such that the default-frequency set resistor connects from the RT/CLK pin to ground when the synchronization signal is off. When using a low impedance signal source, the frequency set resistor connects in parallel with an AC-coupling capacitor to a termination resistor (for example, 50 Ω) as shown in Figure 37. The two resistors in the series provide the default-frequency-setting resistance when the signal source is turned off. The sum of the resistance sets the switching frequency close to the external CLK frequency. AC-coupling the synchronization signal through a 10-pF ceramic capacitor to RT/CLK pin is recommended.

The first time the RT/CLK is pulled above the PLL threshold, the TPS54541 device switches from the RT-resistor free-running frequency mode to the PLL-synchronized mode. The internal 0.5-V voltage source is removed and the RT/CLK pin becomes high impedance as the PLL begins to lock onto the external signal. The switching frequency can be higher or lower than the frequency set with the RT/CLK resistor. The device transitions from the resistor mode to the PLL mode and locks onto the external clock frequency within 78 µs. During the transition from the PLL mode to the resistor programmed mode, the switching frequency falls to 150 kHz and then increases or decreases to the resistor programmed frequency when the 0.5-V bias voltage is reapplied to the RT/CLK resistor.

The switching frequency is divided by 8, 4, 2, and 1 as the FB pin voltage ramps from 0 to 0.8 V. The device implements a digital frequency foldback enables synchronization to an external clock during normal startup and fault conditions. Figure 38, Figure 39 and Figure 40 show the device synchronized to an external system clock in continuous conduction mode (CCM), discontinuous conduction (DCM), and pulse skip mode (Eco-Mode).

SPACER

TPS54541 syn_sys_clk_slvsc57.gif Figure 37. Synchronizing to a System Clock
TPS54541 fig40_CCM_plot_slvsbo1.gif
Figure 38. Plot of Synchronizing in CCM
TPS54541 fig42_CCM_plot_slvsbo1.gif
Figure 40. Plot of Synchronizing in Eco-mode
TPS54541 fig41_CCM_plot_slvsbo1.gif
Figure 39. Plot of Synchronizing in DCM

Maximum Switching Frequency

To protect the converter in overload conditions at higher switching frequencies and input voltages, the TPS54541 device implements a frequency foldback. The oscillator frequency is divided by 1, 2, 4, and 8 as the FB pin voltage falls from 0.8 V to 0 V. The TPS54541 device uses a digital frequency foldback to enable synchronization to an external clock during normal startup and fault conditions. During short-circuit events, the inductor current can exceed the peak current-limit because of the high-input voltage and the minimum controllable on time. When the output voltage is forced low by the shorted load, the inductor current decreases slowly during the switch off time. The frequency foldback effectively increases the off time by increasing the period of the switching cycle providing more time for the inductor current to ramp down.

With a maximum frequency-foldback ratio of 8, there is a maximum frequency at which the inductor current is controlled by frequency-foldback protection. Equation 13 calculates the maximum switching frequency at which the inductor current remains under control when VOUT is forced to VOUT(SC). The selected operating frequency must not exceed the calculated value.

Equation 12 calculates the maximum switching-frequency limitation set by the minimum controllable on time and the input to output step-down ratio. Setting the switching frequency above this value causes the regulator to skip switching pulses to achieve the low duty cycle required to regulate the output voltage at maximum input voltage.

Equation 12. TPS54541 q_7_fswshift_slvsc57.gif
Equation 13. TPS54541 q_6_fswskip_slvsc57.gif

where (for Equation 12 and Equation 13)

  • IO = output current
  • ICL = current limit
  • Rdc = inductor resistance
  • VIN = maximum input voltage
  • VOUT = output voltage
  • VOUT(SC) = output voltage during short
  • Vd = diode voltage drop
  • RDS(on) = switch on resistance
  • tON = controllable on time
  • ƒDIV = frequency divide equals (1, 2, 4, or 8)

Accurate Current Limit Operation

The TPS54541 device implements peak current-mode control in which the COMP pin voltage controls the peak current of the high-side MOSFET. A signal proportional to the high-side switch current and the COMP pin voltage are compared each cycle. When the peak switch current intersects the COMP control voltage, the high-side switch turns off. During overcurrent conditions that pull the output voltage low, the error amplifier increases switch current by driving the COMP pin high. The error amplifier output is clamped internally at a level, which sets the peak switch current limit. The TPS54541 device provides an accurate current limit threshold with a typical current limit delay of 60 ns. With smaller inductor values, the delay results in a higher peak inductor current. The relationship between the inductor value and the peak inductor current is shown in Figure 41.

TPS54541 Currect_limit_delay_lvsbb4.gif Figure 41. Current Limit Delay

Power Good (PWRGD Pin)

The PWRGD pin is an open-drain output. When the FB pin is between 93% and 106% of the internal voltage reference the PWRGD pin is de-asserted and the pin floats. A pull-up resistor of 1 kΩ to a voltage source that is 5.5 V or less is recommended. A higher pullup resistance reduces the amount of current drawn from the pullup voltage source when the PWRGD pin is asserted low. A lower pullup resistance reduces the switching noise seen on the PWRGD signal. The PWRGD is in a defined state once the VIN input voltage is greater than 2 V but with reduced current sinking capability. The PWRGD achieves full current sinking capability as VIN input voltage approaches 3 V.

The PWRGD pin is pulled low when the FB is lower than 90% or greater than 108% of the nominal internal reference voltage. If the UVLO or thermal shutdown are asserted or the EN pin pulled low, the PWRGD is pulled low.

Overvoltage Protection

The TPS54541 device incorporates an output overvoltage-protection (OVP) circuit to minimize voltage overshoot when recovering from output fault conditions or strong unload transients in designs with low-output capacitance. For example, when the power supply output is overloaded the error amplifier compares the actual output voltage to the internal reference voltage. If the FB pin voltage is lower than the internal reference voltage for a considerable time, the output of the error amplifier increases to a maximum voltage corresponding to the peak current limit threshold. When the overload condition is removed, the regulator output rises and the error amplifier output transitions to the normal operating level. In some applications, the power-supply output voltage increases faster than the response of the error amplifier output resulting in an output overshoot.

The OVP feature minimizes output overshoot when using a low-value output capacitor by comparing the FB pin voltage to the rising OVP threshold which is nominally 108% of the internal voltage reference. If the FB pin voltage is greater than the rising OVP threshold, the high-side MOSFET immediately disables to minimize output overshoot. When the FB voltage drops below the falling OVP threshold which is nominally 106% of the internal voltage reference, the high-side MOSFET resumes normal operation.

Thermal Shutdown

The TPS54541 device provides an internal thermal shutdown to protect the device when the junction temperature exceeds 176°C. The high-side MOSFET stops switching when the junction temperature exceeds the thermal trip threshold. When the die temperature falls below 164°C, the device reinitiates the power-up sequence controlled by discharging the SS/TR pin.

Small-Signal Model for Loop Response

Figure 42 shows a simplified equivalent model for the TPS54541 control loop which can be simulated to check the frequency response and dynamic load response. The error amplifier is a transconductance amplifier with a gmEA of 350 μA/V. The error amplifier is modeled using an ideal voltage-controlled current source. The resistor RO and capacitor CO model the open-loop gain and frequency response of the amplifier. The 1-mV AC-voltage source between the nodes a and b effectively breaks the control loop for the frequency response measurements. Plotting c/a provides the small signal response of the frequency compensation. Plotting a/b provides the small signal response of the overall loop. The dynamic loop response is evaluated by replacing RL with a current source with the appropriate load-step amplitude and step rate in a time-domain analysis. This equivalent model is only valid for CCM operation.

TPS54541 ss_loop_res_lvsbn0.gif Figure 42. Small-Signal Model for Loop Response

Simple Small-Signal Model for Peak-Current-Mode Control

Figure 43 describes a simple small-signal model used to design the frequency compensation. The TPS54541 power stage is approximated by a voltage-controlled current source (duty-cycle modulator) supplying current to the output capacitor and load resistor. Equation 14 shows the control to output transfer function. The control to output transfer function consists of a DC gain, one dominant pole, and one equivalent-series-resistor (ESR) zero. The quotient of the change in switch current and the change in COMP pin voltage (node c in Figure 42) is the power stage transconductance, gmPS. The gmPS for the TPS54541 device is 17 A/V. The low-frequency gain of the power stage is the product of the transconductance and the load resistance as shown in Equation 15.

As the load current increases and decreases, the low-frequency gain decreases and increases, respectively. This variation with the load may seem problematic, but the dominant pole moves with the load current (see Equation 16). The combined effect is highlighted by the dashed line in the right half of Figure 43. As the load current decreases, the gain increases and the pole frequency lowers, keeping the 0-dB crossover frequency the same with varying load conditions. The type of output capacitor chosen determines whether the ESR zero has a profound effect on the frequency compensation design. Using high ESR aluminum electrolytic capacitors can reduce the number of frequency compensation components required to stabilize the overall loop because the phase margin is increased by the ESR zero of the output capacitor (see Equation 17).

TPS54541 peak_cur_lvs795.gif
Figure 43. Simple Small-Signal Model and Frequency Response for Peak Current-Mode Control
Equation 14. TPS54541 q_voovervc_slvsc57.gif
Equation 15. TPS54541 eq15_lvs795.gif
Equation 16. TPS54541 q_fp_slvsc57.gif
Equation 17. TPS54541 q_fz_slvsc57.gif

Small Signal Model for Frequency Compensation

The TPS54541 device uses a transconductance amplifier for the error amplifier and supports three of the commonly-used frequency compensation circuits. Figure 44 shows compensation circuits Type 2A, Type 2B, and Type 1 . Type 2 circuits are typically implemented in high-bandwidth power-supply designs using low-ESR output capacitors. The Type 1 circuit is implemented with power-supply designs with high-ESR aluminum electrolytic or tantalum capacitors. Equation 18 and Equation 19 relate the frequency response of the amplifier to the small signal model in Figure 44. The open-loop gain and bandwidth are modeled using the RO and CO shown in Figure 44. See Figure 44 for a design example using a Type 2A network with a low-ESR output capacitor.

Equation 18 through Equation 27 are provided as references. An alternative is to use WEBENCH® software tools to create a design based on the power-supply requirements (go to www.ti.com/WEBENCH for more information).

TPS54541 f_comp_slvsc57.gif Figure 44. Types of Frequency Compensation
TPS54541 typ_2a_2b_lvs795.gif Figure 45. Frequency Response of the Type 2A and Type 2B Frequency Compensation
Equation 18. TPS54541 q18_slvsc57.gif
Equation 19. TPS54541 eq19_lvs919.gif
Equation 20. TPS54541 q_ea_slvsc57.gif
Equation 21. TPS54541 eq21_slvsc57.gif
Equation 22. TPS54541 eq22_slvsc57.gif
Equation 23. TPS54541 q_p1_lvs795.gif
Equation 24. TPS54541 q_z1_lvs795.gif
Equation 25. TPS54541 eq25_slvsc57.gif
Equation 26. TPS54541 eq26_slvsc57.gif
Equation 27. TPS54541 eq27_slvsc57.gif

Device Functional Modes

TI designed the TPS54541 to operate with input voltages above 4.5 V. When the VIN voltage is above the 4.3-V typical rising UVLO threshold and the EN voltage is above the 1.2-V typical threshold, the device is active. If the VIN voltage falls below the typical 4-V UVLO turnoff threshold, the device stops switching. If the EN voltage falls below the 1.2-V threshold, the device stops switching and enters shutdown mode with a low-supply current of 2 µA typical.

The TPS54541 operates in CCM when the output current is enough to keep the inductor current above 0 A at the end of each switching period. As a non-synchronous converter, the device enters DCM at low-output currents when the inductor current falls to 0 A before the end of a switching period. At very-low output current, the COMP voltage drops to the pulse-skipping threshold and the device operates in a pulse-skipping Eco-mode. In this mode, the high-side MOSFET does not switch every switching period. This operating mode reduces power loss, while regulating the output voltage. For more information on Eco-mode, see the Pulse Skip Eco-mode section.