ZHCSJ36 November   2018 TPS543C20A

PRODUCTION DATA.  

  1. 特性
  2. 应用
  3. 说明
    1.     Device Images
      1.      简化原理图
  4. 修订历史记录
  5. Device Comparison Table
  6. Pin Configuration and Functions
    1.     Pin Functions
  7. Specifications
    1. 7.1 Absolute Maximum Ratings
    2. 7.2 ESD Ratings
    3. 7.3 Recommended Operating Conditions
    4. 7.4 Thermal Information
    5. 7.5 Electrical Characteristics
    6. 7.6 Typical Characteristics
  8. Detailed Description
    1. 8.1 Overview
    2. 8.2 Functional Block Diagram
    3. 8.3 Feature Description
    4. 8.4 Device Functional Modes
      1. 8.4.1  Soft-Start Operation
      2. 8.4.2  Input and VDD Undervoltage Lockout (UVLO) Protection
      3. 8.4.3  Power Good and Enable
      4. 8.4.4  Voltage Reference
      5. 8.4.5  Prebiased Output Start-up
      6. 8.4.6  Internal Ramp Generator
        1. 8.4.6.1 Ramp Selections
      7. 8.4.7  Switching Frequency
      8. 8.4.8  Clock Sync Point Selection
      9. 8.4.9  Synchronization and Stackable Configuration
      10. 8.4.10 Dual-Phase Stackable Configurations
        1. 8.4.10.1 Configuration 1: Master Sync Out Clock-to-Slave
        2. 8.4.10.2 Configuration 2: Master and Slave Sync to External System Clock
      11. 8.4.11 Operation Mode
      12. 8.4.12 API/Body Brake
      13. 8.4.13 Sense and Overcurrent Protection
        1. 8.4.13.1 Low-Side MOSFET Overcurrent Protection
        2. 8.4.13.2 High-Side MOSFET Overcurrent Protection
      14. 8.4.14 Output Overvoltage and Undervoltage Protection
      15. 8.4.15 Overtemperature Protection
      16. 8.4.16 RSP/RSN Remote Sense Function
      17. 8.4.17 Current Sharing
      18. 8.4.18 Loss of Synchronization
  9. Application and Implementation
    1. 9.1 Application Information
    2. 9.2 Typical Application: TPS543C20A Stand-alone Device
      1. 9.2.1 Design Requirements
      2. 9.2.2 Detailed Design Procedure
        1. 9.2.2.1 Custom Design With WEBENCH® Tools
        2. 9.2.2.2 Switching Frequency Selection
        3. 9.2.2.3 Inductor Selection
        4. 9.2.2.4 Input Capacitor Selection
        5. 9.2.2.5 Bootstrap Capacitor Selection
        6. 9.2.2.6 BP Pin
        7. 9.2.2.7 R-C Snubber and VIN Pin High-Frequency Bypass
        8. 9.2.2.8 Output Capacitor Selection
          1. 9.2.2.8.1 Response to a Load Transient
          2. 9.2.2.8.2 Ramp Selection Design to Ensure Stability
      3. 9.2.3 Application Curves
    3. 9.3 System Example
      1. 9.3.1 Two-Phase Stackable
        1. 9.3.1.1 Application Curves
  10. 10Power Supply Recommendations
  11. 11Layout
    1. 11.1 Layout Guidelines
    2. 11.2 Layout Example
    3. 11.3 Package Size, Efficiency and Thermal Performance
  12. 12器件和文档支持
    1. 12.1 器件支持
      1. 12.1.1 开发支持
        1. 12.1.1.1 使用 WEBENCH® 工具创建定制设计
      2. 12.1.2 文档支持
        1. 12.1.2.1 相关文档
    2. 12.2 接收文档更新通知
    3. 12.3 社区资源
    4. 12.4 商标
    5. 12.5 静电放电警告
    6. 12.6 术语表
  13. 13机械、封装和可订购信息

封装选项

机械数据 (封装 | 引脚)
散热焊盘机械数据 (封装 | 引脚)
订购信息

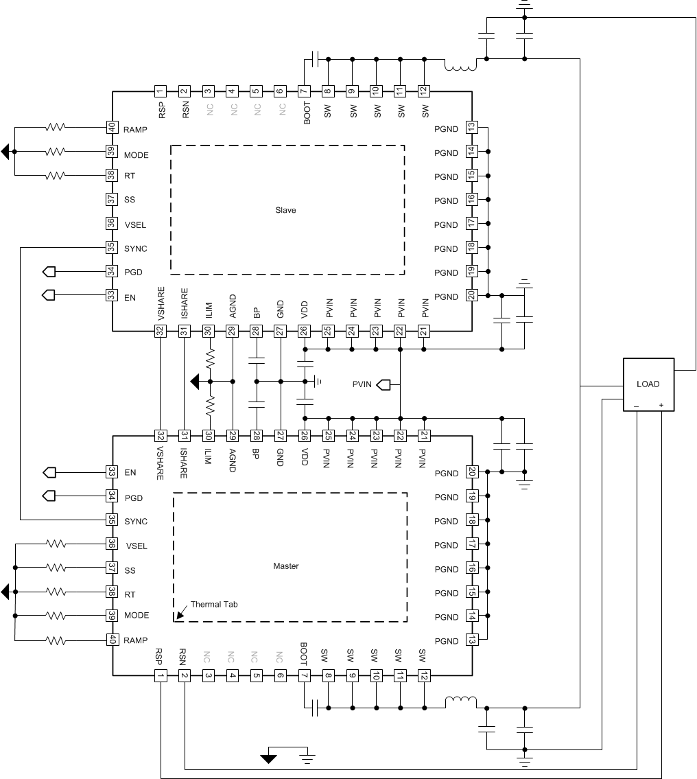
Two-Phase Stackable

TPS543C20A sluscd4_2_phase_stackable.gifFigure 33. 2-Phase Stackable

See Synchronization and Stackable Configuration section.