ZHCSJ42 December   2018 TPS54340B

PRODUCTION DATA.  

  1. 特性
  2. 应用
  3. 说明
    1.     Device Images
      1.      简化原理图
      2.      效率与负载电流间的关系
  4. 修订历史记录
  5. Pin Configuration and Functions
    1.     Pin Functions
  6. Specifications
    1. 6.1 Absolute Maximum Ratings
    2. 6.2 ESD Ratings
    3. 6.3 Recommended Operating Conditions
    4. 6.4 Thermal Information
    5. 6.5 Electrical Characteristics
    6. 6.6 Timing Requirements
    7. 6.7 Typical Characteristics
  7. Detailed Description
    1. 7.1 Overview
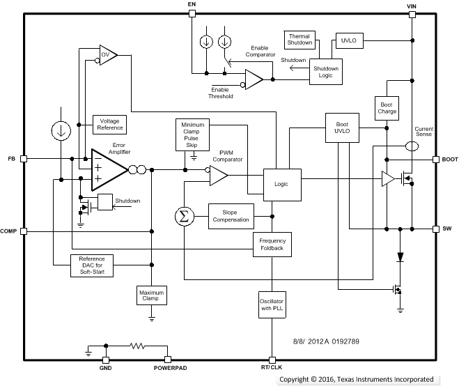
    2. 7.2 Functional Block Diagram
    3. 7.3 Feature Description
      1. 7.3.1  Fixed Frequency PWM Control
      2. 7.3.2  Slope Compensation Output Current
      3. 7.3.3  Pulse Skip Eco-mode
      4. 7.3.4  Low Dropout Operation and Bootstrap Voltage (BOOT)
      5. 7.3.5  Error Amplifier
      6. 7.3.6  Adjusting the Output Voltage
      7. 7.3.7  Enable and Adjusting Undervoltage Lockout
      8. 7.3.8  Internal Soft Start
      9. 7.3.9  Constant Switching Frequency and Timing Resistor (RT/CLK) pin)
      10. 7.3.10 Accurate Current Limit Operation and Maximum Switching Frequency
      11. 7.3.11 Synchronization to RT/CLK pin
      12. 7.3.12 Overvoltage Protection
      13. 7.3.13 Thermal Shutdown
      14. 7.3.14 Small Signal Model for Loop Response
      15. 7.3.15 Simple Small Signal Model for Peak-Current-Mode Control
      16. 7.3.16 Small Signal Model for Frequency Compensation
    4. 7.4 Device Functional Modes
      1. 7.4.1 Operation with VIN ≤ 4.5 V (Minimum VIN)
      2. 7.4.2 Operation with EN Control
  8. Application and Implementation
    1. 8.1 Application Information
    2. 8.2 Typical Application: Buck Converter
      1. 8.2.1 Design Requirements
      2. 8.2.2 Detailed Design Procedures
        1. 8.2.2.1  Custom Design with WEBENCH® Tools
        2. 8.2.2.2  Selecting the Switching Frequency
        3. 8.2.2.3  Output Inductor Selection (LO)
        4. 8.2.2.4  Output Capacitor
        5. 8.2.2.5  Catch Diode
        6. 8.2.2.6  Input Capacitor
        7. 8.2.2.7  Bootstrap Capacitor Selection
        8. 8.2.2.8  Undervoltage Lockout Setpoint
        9. 8.2.2.9  Output Voltage and Feedback Resistors Selection
        10. 8.2.2.10 Minimum VIN
        11. 8.2.2.11 Compensation
        12. 8.2.2.12 Discontinuous Conduction Mode and Eco-mode Boundary
        13. 8.2.2.13 Power Dissipation
      3. 8.2.3 Application Curves
    3. 8.3 Other Applications
      1. 8.3.1 Inverting Power
      2. 8.3.2 Split-Rail Power Supply
  9. Power Supply Recommendations
  10. 10Layout
    1. 10.1 Layout Guidelines
    2. 10.2 Layout Example
      1. 10.2.1 Estimated Circuit Area
  11. 11器件和文档支持
    1. 11.1 器件支持
      1. 11.1.1 第三方产品免责声明
      2. 11.1.2 使用 WEBENCH® 工具定制设计方案
    2. 11.2 接收文档更新通知
    3. 11.3 社区资源
    4. 11.4 商标
    5. 11.5 静电放电警告
  12. 12机械、封装和可订购信息

封装选项

机械数据 (封装 | 引脚)
散热焊盘机械数据 (封装 | 引脚)
订购信息

Functional Block Diagram

TPS54340B fbd_slvsbx7.gif