ZHCSF67 July 2016 TPS54335-2A
PRODUCTION DATA.
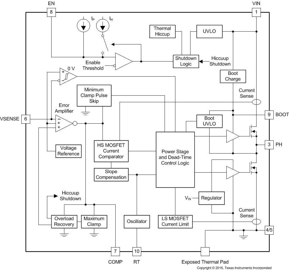
The device is a 28-V, 3-A, synchronous step-down (buck) converter with two integrated n-channel MOSFETs. To improve performance during line and load transients the device implements a constant-frequency, peak current-mode control which reduces output capacitance and simplifies external frequency-compensation design.
The device has been designed for safe monotonic startup into pre-biased loads. The device has a typical default startup voltage of 4 V. The EN pin has an internal pullup-current source that can provide a default condition when the EN pin is floating for the device to operate. The total operating current for the device is 310 µA (typical) when not switching and under no load. When the device is disabled, the supply current is less than 5 μA.
The integrated 128-mΩ and 84-mΩ MOSFETs allow for high-efficiency power-supply designs with continuous output currents up to 3 A.
The device reduces the external component count by integrating the boot recharge diode. The bias voltage for the integrated high-side MOSFET is supplied by a capacitor between the BOOT and PH pins. The boot capacitor voltage is monitored by an UVLO circuit and turns off the high-side MOSFET when the voltage falls below a preset threshold. The output voltage can be stepped down to as low as the 0.8-V reference voltage.
The device minimizes excessive output overvoltage transients by taking advantage of the overvoltage power-good comparator. When the regulated output voltage is greater than 106% of the nominal voltage, the overvoltage comparator is activated, and the high-side MOSFET is turned off and masked from turning on until the output voltage is lower than 104%.
The TPS54335–2A device has a wide switching frequency of 50 kHz to 1500 kHz which allows for efficiency and size optimization when selecting the output filter components. The internal 2-ms soft-start time is implemented to minimize inrush currents.
The device uses a fixed-frequency, peak current-mode control. The output voltage is compared through external resistors on the VSENSE pin to an internal voltage reference by an error amplifier which drives the COMP pin. An internal oscillator initiates the turn on of the high-side power switch. The error amplifier output is compared to the current of the high-side power switch. When the power-switch current reaches the COMP voltage level the high-side power switch is turned off and the low-side power switch is turned on. The COMP pin voltage increases and decreases as the output current increases and decreases. The device implements a current-limit by clamping the COMP pin voltage to a maximum level and also implements a minimum clamp for improved transient-response performance.
The device monitors the peak switch current of the high-side MOSFET. When the peak switch current is lower than 0.5 A (typical), the device stops switching to boost the efficiency until the peak switch current again rises higher than 0.5 A (typical).
The voltage-reference system produces a precise ±1.5% voltage-reference over temperature by scaling the output of a temperature-stable bandgap circuit.
The output voltage is set with a resistor divider from the output node to the VSENSE pin. Using divider resistors with 1% tolerance or better is recommended. Begin with a value of 10 kΩ for the upper resistor divider, R1, and use Equation 1 to calculate the value of R2. Consider using larger value resistors to improve efficiency at light loads. If the values are too high then the regulator is more susceptible to noise and voltage errors from the VSENSE input current are noticeable.
The EN pin provides electrical on and off control of the device. When the EN pin voltage exceeds the threshold voltage, the device begins operation. If the EN pin voltage is pulled below the threshold voltage, the regulator stops switching and enters the low-quiescent (IQ) state.
The EN pin has an internal pullup-current source which allows the user to float the EN pin to enable the device. If an application requires control of the EN pin, use open-drain or open-collector output logic to interface with the pin.
The device implements internal undervoltage-lockout (UVLO) circuitry on the VIN pin. The device is disabled when the VIN pin voltage falls below the internal VIN UVLO threshold. The internal VIN UVLO threshold has a hysteresis of 180 mV.
If an application requires a higher UVLO threshold on the VIN pin, then the EN pin can be configured as shown in Figure 15. When using the external UVLO function, setting the hysteresis at a value greater than 500 mV is recommended.
The EN pin has a small pullup-current, Ip, which sets the default state of the pin to enable when no external components are connected. The pullup current is also used to control the voltage hysteresis for the UVLO function because it increases by Ih when the EN pin crosses the enable threshold. Use Equation 2, and Equation 3 to calculate the values of R1 and R2 for a specified UVLO threshold.
Figure 15. Adjustable VIN Undervoltage Lockout
where
where
The device has a transconductance amplifier as the error amplifier. The error amplifier compares the VSENSE voltage to the lower of the internal soft-start voltage or the internal 0.8-V voltage reference. The transconductance of the error amplifier is 1300 μA/V (typical). The frequency compensation components are placed between the COMP pin and ground.
The device adds a compensating ramp to the signal of the switch current. This slope compensation prevents subharmonic oscillations as the duty cycle increases. The available peak inductor current remains constant over the full duty-cycle range.
The device has been designed to prevent the low-side MOSFET from discharging a pre-biased output. During monotonic pre-biased startup, both high-side and low-side MOSFETs are not allowed to be turned on until the internal soft-start voltage is higher than VSENSE pin voltage.
The device has an integrated boot regulator. The boot regulator requires a small ceramic capacitor between the BOOT and PH pins to provide the gate-drive voltage for the high-side MOSFET. The boot capacitor is charged when the BOOT pin voltage is less than the VIN voltage and when the BOOT-PH voltage is below regulation. The value of this ceramic capacitor should be 0.1 μF. A ceramic capacitor with an X7R or X5R grade dielectric with a voltage rating of 10 V or higher is recommended because of the stable characteristics over temperature and voltage. When the voltage between BOOT and PH pins drops below the BOOT-PH UVLO threshold, which is 2.1 V (typical), the high-side MOSFET turns off and the low-side MOSFET turns on, allowing the boot capacitor to recharge.
The device incorporates an output overvoltage-protection (OVP) circuit to minimize output voltage overshoot. For example, when the power-supply output is overloaded, the error amplifier compares the actual output voltage to the internal reference voltage. If the VSENSE pin voltage is lower than the internal reference voltage for a considerable time, the output of the error amplifier demands maximum output current. When the condition is removed, the regulator output rises and the error-amplifier output transitions to the steady-state voltage. In some applications with small output capacitance, the power-supply output voltage can respond faster than the error amplifier which leads to the possibility of an output overshoot. The OVP feature minimizes the overshoot by comparing the VSENSE pin voltage to the OVP threshold. If the VSENSE pin voltage is greater than the OVP threshold, the high-side MOSFET is turned off which prevents current from flowing to the output and minimizes output overshoot. When the VSENSE voltage drops lower than the OVP threshold, the high-side MOSFET is allowed to turn on at the next clock cycle.
The device is protected from overcurrent conditions by cycle-by-cycle current limiting on both the high-side MOSFET and the low-side MOSFET.
The device implements current mode control which uses the COMP pin voltage to control the turn off of the high-side MOSFET and the turn on of the low-side MOSFET on a cycle-by-cycle basis. During each cycle, the switch current and the current reference generated by the COMP pin voltage are compared. When the peak switch current intersects the current reference the high-side switch turns off.
While the low-side MOSFET is turned on, the conduction current is monitored by the internal circuitry. During normal operation the low-side MOSFET sources current to the load. At the end of every clock cycle, the low-side MOSFET sourcing current is compared to the internally set low-side sourcing current-limit. If the low-side sourcing current-limit is exceeded, the high-side MOSFET does not turn on and the low-side MOSFET stays on for the next cycle. The high-side MOSFET turns on again when the low-side current is below the low-side sourcing current-limit at the start of a cycle.
The low-side MOSFET can also sink current from the load. If the low-side sinking current-limit is exceeded the low-side MOSFET turns off immediately for the remainder of that clock cycle. In this scenario, both MOSFETs are off until the start of the next cycle.
Furthermore, if an output overload condition (as measured by the COMP pin voltage) occurs for more than the hiccup wait time, which is programmed for 512 switching cycles, the device shuts down and restarts after the hiccup time of 16384 cycles. The hiccup mode helps to reduce the device power dissipation under severe overcurrent conditions.
The internal thermal-shutdown circuitry forces the device to stop switching if the junction temperature exceeds 175°C typically. When the junction temperature drops below 165°C typically, the internal thermal-hiccup timer begins to count. The device reinitiates the power-up sequence after the built-in thermal-shutdown hiccup time (32768 cycles) is over.
Figure 16 shows an equivalent model for the device control loop which can be modeled in a circuit-simulation program to check frequency and transient responses. The error amplifier is a transconductance amplifier with a gm of 1300 μA/V. The error amplifier can be modeled using an ideal voltage-controlled current source. The resistor, Roea (3.07 MΩ), and capacitor, Coea (20.7 pF), model the open-loop gain and frequency response of the error amplifier. The 1-mV AC-voltage source between the nodes a and b effectively breaks the control loop for the frequency response measurements. Plotting ac-c and c-b show the small-signal responses of the power stage and frequency compensation respectively. Plotting a-b shows the small-signal response of the overall loop. The dynamic loop response can be checked by replacing the load resistance, RL, with a current source with the appropriate load-step amplitude and step rate in a time-domain analysis.
Figure 16. Small-Signal Model For Loop Response
Figure 17 is a simple small-signal model that can be used to understand how to design the frequency compensation. The device power stage can be approximated to a voltage-controlled current-source (duty-cycle modulator) supplying current to the output capacitor and load resistor. The control-to-output transfer function is shown in Equation 4 and consists of a DC gain, one dominant pole and one ESR zero. The quotient of the change in switch current and the change in the COMP pin voltage (node c in Figure 16) is the power-stage transconductance (gmps) which is 8 A/V for the device. The DC gain of the power stage is the product of gmps and the load resistance, RL, with resistive loads as shown in Equation 5. As the load current increases, the DC gain decreases. This variation with load may seem problematic at first glance, but fortunately the dominant pole moves with the load current (see Equation 6). The combined effect is highlighted by the dashed line in Figure 18. As the load current decreases, the gain increases and the pole frequency lowers, keeping the 0-dB crossover frequency the same for the varying load conditions which makes designing the frequency compensation easier.
Figure 17. Simplified Small-Signal Model for Peak Current-Mode Control
Figure 18. Simplified Frequency Response for Peak Current-Mode Control
where
where
where
The device uses a transconductance amplifier for the error amplifier and readily supports two of the commonly used Type II compensation circuits and a Type III frequency compensation circuit, as shown in Figure 19. In Type 2A, one additional high frequency pole, C6, is added to attenuate high frequency noise. In Type III, one additional capacitor, C11, is added to provide a phase boost at the crossover frequency. See Designing Type III Compensation for Current Mode Step-Down Converters (SLVA352) for a complete explanation of Type III compensation.
The following design guidelines are provided for advanced users who prefer to compensate using the general method. The following equations only apply to designs whose ESR zero is above the bandwidth of the control loop which is usually true with ceramic output capacitors.
Figure 19. Types of Frequency Compensation
The general design guidelines for device loop compensation are as follows:
where

The device is designed to operate with input voltages above 4.5 V. The typical VIN UVLO threshold is 4V and if VIN falls below this threshold the device stops switching. If the EN pin voltage is above EN threshold the device becomes active when the VIN pin passes the UVLO threshold. .
The enable threshold is 1.2-V typical. If the EN pin voltage is below this threshold the device does not switch even though the Vin is above the UVLO threshold. The IC quiescent current is reduced in this state. Once the EN is above the threshold with VIN above UVLO threshold the device is active again and the soft-start sequence is initiated.
The enable threshold is 1.2-V typical. If the EN pin voltage is below this threshold the device does not switch even though the VIN is above the UVLO threshold. The device's quiescent current is reduced in this state. Once the EN is above the threshold with VIN above UVLO threshold the device is active again and the soft-start sequence is initiated.