SLVS416C February 2002 – January 2015 TPS54311 , TPS54312 , TPS54313 , TPS54314 , TPS54315 , TPS54316
PRODUCTION DATA.
NOTE
Information in the following applications sections is not part of the TI component specification, and TI does not warrant its accuracy or completeness. TI’s customers are responsible for determining suitability of components for their purposes. Customers should validate and test their design implementation to confirm system functionality.
The TPS5431x devices are 3-V to 6-V integrated FET synchronous buck converters. They are used to convert a DC input voltage on the VIN pins to a lower output voltage at 3 A maximum output current.
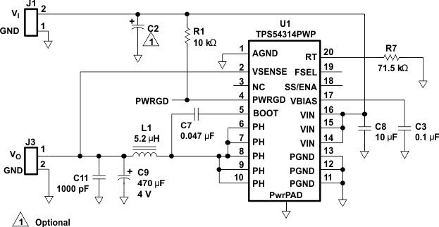
Figure 10 shows the schematic diagram for a typical TPS54314 application. The TPS54314 (U1) can provide up to 3 A of output current at a nominal output voltage of 1.8 V. For proper thermal performance, the PowerPAD underneath the TPS54314 integrated circuit needs to be soldered to the printed circuit board.
Figure 10. TPS54314 Schematic
The design requirements for this example are listed in Table 3.
| DESIGN PARAMETER | EXAMPLE VALUE | |||
|---|---|---|---|---|
| DC Input Voltage Range | 3 V – 6 V | |||
| DC Output Voltage | 1.8 V | |||
| DC Output Current Range | 0 – 3 A | |||
| Output Voltage Ripple | 20 mV | |||
| Load Transient Output Deviation | ±80 mV | |||
The values for the components used in this design example were selected using the SWIFT designer software tool. SWIFT designer provides a complete design environment for developing dc-dc converters using the TPS54314, or other devices in the SWIFT product family. Additional design information is available at www.ti.com.
The input to the circuit is a nominal 5 VDC, applied at J1. The optional input filter (C2) is a 220-µF POSCAP capacitor, with a maximum allowable ripple current of 3 A. C8 is the decoupling capacitor for the TPS54314 and must be located as close to the device as possible.
The output voltage of the converter is fed directly into the VSENSE pin of the TPS54314. The TPS54314 is internally compensated to provide stability of the output under varying line and load conditions.
In the application circuit, a 700 kHz operating frequency is selected by leaving FSEL open and connecting a 71.5 kΩ resistor between the RT pin and AGND. Different operating frequencies may be selected by varying the value of R3 using Equation 4:

Alternately, a preset operating frequency of 350 kHz or 550 kHz can be selected by leaving RT open and connecting the FSEL pin to AGND or VIN respectively.
The output filter is composed of a 5.2-µH inductor and 470-µF capacitor. The inductor is a low-DC resistance (16-mΩ) type, Sumida CDRH104R−5R2. The capacitor used is a 4-V POSCAP with a maximum ESR of 40 mΩ.
The output filter components work with the internal compensation network to provide a stable closed loop response for the converter.
Figure 11. Efficiency vs Load Current
Figure 13. Loop Response
Figure 15. Load Transient Response
Figure 17. Ambient Temperature vs Load Current
Figure 12. Output Voltage vs Load Current
Figure 14. Output Ripple Voltage
Figure 16. Start-Up Waveforms