ZHCSJK8F December   2001  – April 2019 TPS54310

PRODUCTION DATA.  

  1. 特性
  2. 应用
  3. 说明
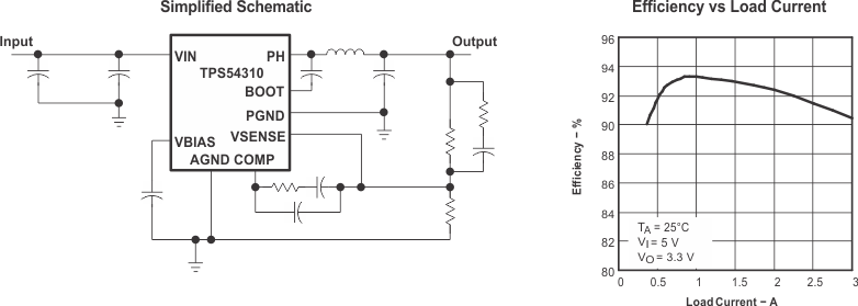
    1.     Device Images
  4. 修订历史记录
  5. Device Comparison Table
  6. Pin Configuration and Functions
    1.     Pin Functions
  7. Specifications
    1. 7.1 Absolute Maximum Ratings
    2. 7.2 ESD Ratings
    3. 7.3 Recommended Operating Conditions
    4. 7.4 Thermal Information
    5. 7.5 Dissipation Ratings
    6. 7.6 Electrical Characteristics
    7. 7.7 Typical Characteristics
  8. Detailed Description
    1. 8.1 Overview
    2. 8.2 Functional Block Diagram
    3. 8.3 Feature Description
      1. 8.3.1  Undervoltage Lockout (UVLO)
      2. 8.3.2  Slow Start and Enable (SS/ENA)
      3. 8.3.3  VBIAS Regulator (VBIAS)
      4. 8.3.4  Voltage Reference
      5. 8.3.5  Oscillator and PWM Ramp
      6. 8.3.6  Error Amplifier
      7. 8.3.7  PWM Control
      8. 8.3.8  Dead-Time Control and MOSFET Drivers
      9. 8.3.9  Overcurrent Protection
      10. 8.3.10 Thermal Shutdown
      11. 8.3.11 Powergood (PWRGD)
    4. 8.4 Device Functional Modes
      1. 8.4.1 Continuous Conduction Mode
      2. 8.4.2 Switching Frequency Configuration
  9. Application and Implementation
    1. 9.1 Application Information
    2. 9.2 Typical Application
      1. 9.2.1 Design Requirements
      2. 9.2.2 Detailed Design Procedure
        1. 9.2.2.1 Input Voltage
        2. 9.2.2.2 Feedback Circuit
        3. 9.2.2.3 Setting the Output Voltage
        4. 9.2.2.4 Operating Frequency
        5. 9.2.2.5 Output Filter
      3. 9.2.3 Application Curves
  10. 10Power Supply Recommendations
  11. 11Layout
    1. 11.1 Layout Guidelines
    2. 11.2 Layout Example
  12. 12器件和文档支持
    1. 12.1 相关直流/直流产品
    2. 12.2 接收文档更新通知
    3. 12.3 社区资源
    4. 12.4 商标
    5. 12.5 静电放电警告
    6. 12.6 术语表
  13. 13机械、封装和可订购信息

封装选项

机械数据 (封装 | 引脚)
散热焊盘机械数据 (封装 | 引脚)
订购信息

Device Images

TPS54310 sch_graph_lvs412.gif