ZHCSG03A December 2016 – January 2017 TPS54260-EP
PRODUCTION DATA.
NOTE
Information in the following applications sections is not part of the TI component specification, and TI does not warrant its accuracy or completeness. TI’s customers are responsible for determining suitability of components for their purposes. Customers should validate and test their design implementation to confirm system functionality.
The TPS54260 dc-dc converter is designed to provide up to a 2.5-A output from an input voltage source of 3.5 V to 60 V. The high-side MOSFET is incorporated inside the TPS54260 package along with the gate drive circuitry. The low drain-to-source on resistance of the MOSFET allows the TPS54260 to achieve high efficiencies and helps keep the junction temperature low at high-output currents. The compensation components are external to the integrated circuit (IC), and an external divider allows for an adjustable output voltage. Additionally, the TPS54260 provides adjustable slow-start and undervoltage lockout inputs.
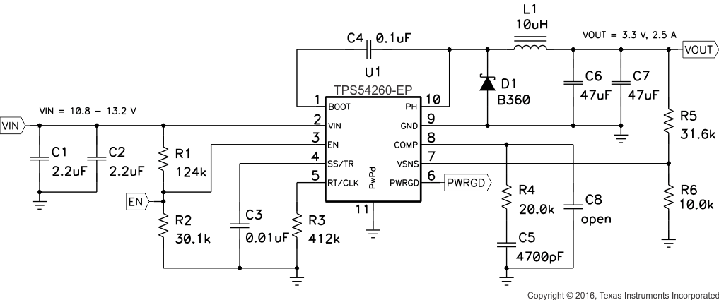
Figure 46. 3.3-V Output TPS54260-EP Design Example
This example details the design of a high frequency switching regulator design using ceramic output capacitors. A few parameters must be known in order to start the design process. These parameters are typically determined at the system level. For this example, use the following known parameters:
| DESIGN PARAMETER | EXAMPLE VALUE |
|---|---|
| Output voltage | 3.3 V |
| Transient response 0- to 1.5-A load step | ΔVout = 3% |
| Maximum output current | 2.5 A |
| Input voltage | 12-V nominal, 10.8 V to 13.2 V |
| Output voltage ripple | 1% of Vout |
| Start input voltage (rising VIN) | 6 V |
| Stop input voltage (falling VIN) | 5.5 V |
The first step is to decide on a switching frequency for the regulator. Typically, the user chooses the highest switching frequency possible because it produces the smallest solution size. The high switching frequency allows for lower valued inductors and smaller output capacitors compared to a power supply that switches at a lower frequency. The switching frequency that can be selected is limited by the minimum on-time of the internal power switch, the input voltage and the output voltage and the frequency shift limitation.
Equation 8 and Equation 9 must be used to find the maximum switching frequency for the regulator, choose the lower value of the two equations. Switching frequencies higher than these values result in pulse skipping or the lack of overcurrent protection during a short circuit.
The typical minimum on time, tonmin, is 135 ns for the TPS54260-EP. For this example, the output voltage is 3.3 V and the maximum input voltage is 13.2 V, which allows for a maximum switch frequency up to 2247 kHz when including the inductor resistance, on resistance output current and diode voltage in Equation 8. To ensure overcurrent runaway is not a concern during short circuits in your design use Equation 9 or the solid curve in Figure 29 to determine the maximum switching frequency. With a maximum input voltage of 13.2 V, assuming a diode voltage of 0.7 V, inductor resistance of 26 mΩ, switch resistance of 200 mΩ, a current limit value of 3.5 A and a short circuit output voltage of 0.2 V. The maximum switching frequency is approximately 4449 kHz.
For this design, a much lower switching frequency of 300 kHz is used. To determine the timing resistance for a given switching frequency, use Equation 7 or the curve in Figure 28.
The switching frequency is set by resistor R3 shown in Figure 46 For 300 kHz operation a 412 kΩ resistor is required.
To calculate the minimum value of the output inductor, use Equation 28.
KIND is a coefficient that represents the amount of inductor ripple current relative to the maximum output current.
The inductor ripple current is filtered by the output capacitor. Therefore, choosing high inductor ripple currents impact the selection of the output capacitor because the output capacitor must have a ripple current rating equal to or greater than the inductor ripple current. In general, the inductor ripple value is at the discretion of the designer; however, the following guidelines may be used.
For designs using low ESR output capacitors such as ceramics, a value as high as KIND = 0.3 may be used. When using higher ESR output capacitors, KIND = 0.2 yields better results. Because the inductor ripple current is part of the PWM control system, the inductor ripple current should always be greater than 150 mA for dependable operation. In a wide input voltage regulator, it is best to choose an inductor ripple current on the larger side. This allows the inductor to still have a measurable ripple current with the input voltage at its minimum.
For this design example, use KIND = 0.3 and the minimum inductor value is calculated to be 11 μH. For this design, a nearest standard value was chosen: 10 μH. For the output filter inductor, it is important that the RMS current and saturation current ratings not be exceeded. The RMS and peak inductor current can be found from Equation 30 and Equation 31.
For this design, the RMS inductor current is 2.51 A and the peak inductor current is 2.913 A. The chosen inductor is a Coilcraft MSS1038-103NLB . It has a saturation current rating of 4.52 A and an RMS current rating of 4.05 A.
As the equation set demonstrates, lower ripple currents reduce the output voltage ripple of the regulator but require a larger value of inductance. Selecting higher ripple currents increase the output voltage ripple of the regulator but allow for a lower inductance value.
The current flowing through the inductor is the inductor ripple current plus the output current. During power up, faults or transient load conditions, the inductor current can increase above the calculated peak inductor current level calculated above. In transient conditions, the inductor current can increase up to the switch current limit of the device. For this reason, the most conservative approach is to specify an inductor with a saturation current rating equal to or greater than the switch current limit rather than the peak inductor current.




There are three primary considerations for selecting the value of the output capacitor. The output capacitor determines the modulator pole, the output voltage ripple, and how the regulators responds to a large change in load current. The output capacitance needs to be selected based on the more stringent of these three criteria.
The desired response to a large change in the load current is the first criteria. The output capacitor needs to supply the load with current when the regulator can not. This situation would occur if there are desired hold-up times for the regulator where the output capacitor must hold the output voltage above a certain level for a specified amount of time after the input power is removed. The regulator also temporarily is not able to supply sufficient output current if there is a large, fast increase in the current needs of the load such as transitioning from no load to a full load. The regulator usually needs two or more clock cycles for the control loop to see the change in load current and output voltage and adjust the duty cycle to react to the change. The output capacitor must be sized to supply the extra current to the load until the control loop responds to the load change. The output capacitance must be large enough to supply the difference in current for 2 clock cycles while only allowing a tolerable amount of droop in the output voltage. Equation 32 shows the minimum output capacitance necessary to accomplish this.
Where ΔIout is the change in output current, ƒsw is the regulators switching frequency and ΔVout is the allowable change in the output voltage. For this example, the transient load response is specified as a 3% change in Vout for a load step from 1.5 A to 2.5 A (full load). For this example, ΔIout = 2.5 – 1.5 = 1 A and ΔVout = 0.03 × 3.3 = 0.099 V. Using these numbers gives a minimum capacitance of 67 μF. This value does not take the ESR of the output capacitor into account in the output voltage change. For ceramic capacitors, the ESR is usually small enough to ignore in this calculation. Aluminum electrolytic and tantalum capacitors have higher ESR that should be taken into account.
The catch diode of the regulator can not sink current so any stored energy in the inductor produces an output voltage overshoot when the load current rapidly decreases, see Figure 47. The output capacitor must also be sized to absorb energy stored in the inductor when transitioning from a high-load current to a lower load current. The excess energy that gets stored in the output capacitor increases the voltage on the capacitor. The capacitor must be sized to maintain the desired output voltage during these transient periods. Equation 33 is used to calculate the minimum capacitance to keep the output voltage overshoot to a desired value. Where L is the value of the inductor, IOH is the output current under heavy load, IOL is the output under light load, Vf is the final peak output voltage, and Vi is the initial capacitor voltage. For this example, the worst case load step is from 2.5 A to 1.5 A. The output voltage increases during this load transition and the stated maximum in our specification is 3% of the output voltage. This makes Vf = 1.03 × 3.3 = 3.399. Vi is the initial capacitor voltage which is the nominal output voltage of 3.3 V. Using these numbers in Equation 33 yields a minimum capacitance of 60 μF.
Equation 34 calculates the minimum output capacitance needed to meet the output voltage ripple specification. Where fsw is the switching frequency, Voripple is the maximum allowable output voltage ripple, and Iripple is the inductor ripple current. Equation 34 yields 12 μF.
Equation 35 calculates the maximum ESR an output capacitor can have to meet the output voltage ripple specification. Equation 35 indicates the ESR should be less than 36 mΩ.
The most stringent criteria for the output capacitor is 67 μF of capacitance to keep the output voltage in regulation during an load transient.
Additional capacitance de-ratings for aging, temperature and dc bias should be factored in which increases this minimum value. For this example, 2 × 47-μF, 10-V ceramic capacitors with 3 mΩ of ESR is used. The derated capacitance is 72.4 µF, above the minimum required capacitance of 67 µF.
Capacitors generally have limits to the amount of ripple current they can handle without failing or producing excess heat. An output capacitor that can support the inductor ripple current must be specified. Some capacitor data sheets specify the Root Mean Square (RMS) value of the maximum ripple current. Equation 36 can be used to calculate the RMS ripple current the output capacitor needs to support. For this application, Equation 36 yields 238 mA.





The TPS54260-EP requires an external catch diode between the PH pin and GND. The selected diode must have a reverse voltage rating equal to or greater than Vinmax. The peak current rating of the diode must be greater than the maximum inductor current. The diode should also have a low-forward voltage. Schottky diodes are typically a good choice for the catch diode due to their low-forward voltage. The lower the forward voltage of the diode, the higher the efficiency of the regulator.
Typically, the higher the voltage and current ratings the diode has, the higher the forward voltage is. Although the design example has an input voltage up to 13.2 V, a diode with a minimum of 60-V reverse voltage is selected.
For the example design, the B360B-13-F Schottky diode is selected for its lower forward voltage and it comes in a larger package size which has good thermal characteristics over small devices. The typical forward voltage of the B360B-13-F is 0.7 V.
The diode must also be selected with an appropriate power rating. The diode conducts the output current during the off-time of the internal power switch. The off-time of the internal switch is a function of the maximum input voltage, the output voltage, and the switching frequency. The output current during the off-time is multiplied by the forward voltage of the diode which equals the conduction losses of the diode. At higher switch frequencies, the ac losses of the diode need to be taken into account. The ac losses of the diode are due to the charging and discharging of the junction capacitance and reverse recovery. Equation 37 is used to calculate the total power dissipation, conduction losses plus ac losses, of the diode.
The B360B-13-F has a junction capacitance of 200 pF. Using Equation 37, the selected diode dissipates 1.32 W.
If the power supply spends a significant amount of time at light load currents or in sleep mode consider using a diode which has a low-leakage current and slightly higher forward voltage drop.

The TPS54260-EP requires a high-quality ceramic, type X5R or X7R, input decoupling capacitor of at least 3 μF of effective capacitance and in some applications a bulk capacitance. The effective capacitance includes any dc bias effects. The voltage rating of the input capacitor must be greater than the maximum input voltage. The capacitor must also have a ripple current rating greater than the maximum input current ripple of the TPS54260-EP. The input ripple current can be calculated using Equation 38.
The value of a ceramic capacitor varies significantly overtemperature and the amount of dc bias applied to the capacitor. The capacitance variations due to temperature can be minimized by selecting a dielectric material that is stable overtemperature. X5R and X7R ceramic dielectrics are usually selected for power regulator capacitors because they have a high capacitance to volume ratio and are fairly stable overtemperature. The output capacitor must also be selected with the dc bias taken into account. The capacitance value of a capacitor decreases as the dc bias across a capacitor increases.
For this example design, a ceramic capacitor with at least a 60 V voltage rating is required to support the maximum input voltage. Common standard ceramic capacitor voltage ratings include 4 V, 6.3 V, 10 V, 16 V, 25 V, 50 V or 100 V so a 100-V capacitor should be selected. For this example, two 2.2-μF, 100-V capacitors in parallel have been selected. Table 2 shows a selection of high-voltage capacitors. The input capacitance value determines the input ripple voltage of the regulator. The input voltage ripple can be calculated using Equation 39. Using the design example values, Ioutmax = 2.5 A, Cin = 4.4 μF, ƒsw = 300 kHz, yields an input voltage ripple of 206 mV and a rms input ripple current of 1.15 A.


| VENDOR | VALUE (μF) | EIA Size | VOLTAGE | DIALECTRIC | COMMENTS |
|---|---|---|---|---|---|
| Murata | 1 to 2.2 | 1210 | 100 V | X7R | GRM32 series |
| 1 to 4.7 | 50 V | ||||
| 1 | 1206 | 100 V | GRM31 series | ||
| 1 to 2.2 | 50 V | ||||
| Vishay | 1 10 1.8 | 2220 | 50 V | VJ X7R series | |
| 1 to 1.2 | 100 V | ||||
| 1 to 3.9 | 2225 | 50 V | |||
| 1 to 1.8 | 100 V | ||||
| TDK | 1 to 2.2 | 1812 | 100 V | C series C4532 | |
| 1.5 to 6.8 | 50 V | ||||
| 1 to 2.2 | 1210 | 100 V | C series C3225 | ||
| 1 to 3.3 | 50 V | ||||
| AVX | 1 to 4.7 | 1210 | 50 V | X7R dielectric series | |
| 1.0 | 100 V | ||||
| 1 to 4.7 | 1812 | 50 V | |||
| 1 to 2.2 | 100 V |
The slow-start capacitor determines the minimum amount of time it takes for the output voltage to reach its nominal programmed value during power up. This is useful if a load requires a controlled voltage slew rate. This is also used if the output capacitance is large and would require large amounts of current to quickly charge the capacitor to the output voltage level. The large currents necessary to charge the capacitor may make the TPS54260-EP reach the current limit or excessive current draw from the input power supply may cause the input voltage rail to sag. Limiting the output voltage slew rate solves both of these problems.
The slow-start time must be long enough to allow the regulator to charge the output capacitor up to the output voltage without drawing excessive current. Equation 40 can be used to find the minimum slow-start time, tss, necessary to charge the output capacitor, Cout, from 10% to 90% of the output voltage, Vout, with an average slow-start current of Issavg. In the example, to charge the effective output capacitance of 72.4 µF up to 3.3 V while only allowing the average output current to be 1 A would require a 0.19-ms slow-start time.
Once the slow-start time is known, the slow-start capacitor value can be calculated using Equation 6. For the example circuit, the slow-start time is not too critical because the output capacitor value is 2 × 47 μF which does not require much current to charge to 3.3 V. The example circuit has the slow-start time set to an arbitrary value of 3.5 ms which requires a 8.75-nF slow-start capacitor. For this design, the next larger standard value of 10 nF is used.

A 0.1-μF ceramic capacitor must be connected between the BOOT and PH pins for proper operation. TI recommends to use a ceramic capacitor with X5R or better grade dielectric. The capacitor should have a 10 V or higher voltage rating.
The UVLO can be adjusted using an external voltage divider on the EN pin of the TPS54260-EP. The UVLO has two thresholds, one for power up when the input voltage is rising and one for power down or brown outs when the input voltage is falling. For the example design, the supply should turn on and start switching once the input voltage increases above 6 V (enabled). After the regulator starts switching, it should continue to do so until the input voltage falls below 5.5 V (UVLO stop).
The programmable UVLO and enable voltages are set using the resistor divider of R1 and R2 between Vin and ground to the EN pin. Equation 2 through Equation 3 can be used to calculate the resistance values necessary. For the example application, a 124 kΩ between Vin and EN (R1) and a 30.1 kΩ between EN and ground (R2) are required to produce the 6-V and 5.5-V start and stop voltages.
The voltage divider of R5 and R6 is used to set the output voltage. For the example design, 10 kΩ was selected for R6. Using Equation 1, R5 is calculated as 31.25 kΩ. The nearest standard 1% resistor is 31.6 kΩ. Due to current leakage of the VSENSE pin, the current flowing through the feedback network should be greater than 1 μA in order to maintain the output voltage accuracy. This requirement makes the maximum value of R2 equal to 800 kΩ. Choosing higher resistor values decrease quiescent current and improve efficiency at low output currents but may introduce noise immunity problems.
There are several methods used to compensate dc/dc regulators. The method presented here is easy to calculate and ignores the effects of the slope compensation that is internal to the device. Because the slope compensation is ignored, the actual cross over frequency is usually lower than the cross over frequency used in the calculations. This method assumes the crossover frequency is between the modulator pole and the ESR zero and the ESR zero is at least 10 times greater the modulator pole. Use SwitcherPro software for a more accurate design.
To get started, the modulator pole, fpmod, and the ESR zero, ƒz1 must be calculated using Equation 41 and Equation 42. For Cout, use a derated value of 40 μF. Use equations Equation 43 and Equation 44, to estimate a starting point for the crossover frequency, ƒco, to design the compensation. For the example design, ƒpmod is 1206 Hz and fzmod is 530.5 kHz. Equation 43 is the geometric mean of the modulator pole and the ESR zero and Equation 44 is the mean of modulator pole and the switching frequency. Equation 43 yields 25.3 kHz and Equation 44 gives 13.4 kHz. Use the lower value of Equation 43 or Equation 44 for an initial crossover frequency. For this example, a higher fco is desired to improve transient response. the target fco is 35 kHz. Next, the compensation components are calculated. A resistor in series with a capacitor is used to create a compensating zero. A capacitor in parallel to these two components forms the compensating pole.




To determine the compensation resistor, R4, use Equation 45. Assume the power stage transconductance, gmps, is 10.5 A/V. The output voltage, Vo, reference voltage, VREF, and amplifier transconductance, gmea, are 3.3 V, 0.8 V and 310 μA/V, respectively. R4 is calculated to be 20.2 kΩ, use the nearest standard value of 20 kΩ. Use Equation 46 to set the compensation zero to the modulator pole frequency. Equation 46 yields 4740 pF for compensating capacitor C5, a 4700 pF is used for this design.


A compensation pole can be implemented if desired using an additional capacitor C8 in parallel with the series combination of R4 and C5. Use the larger value of Equation 47 and Equation 48 to calculate the C8, to set the compensation pole. C8 is not used for this design example.


With an input voltage of 12 V, the power supply enters discontinuous mode when the output current is less than 337 mA. The power supply enters Eco-mode control scheme when the output current is lower than 5 mA.
The input current draw at no load is 392 μA.
The following formulas show how to estimate the IC power dissipation under continuous conduction mode (CCM) operation. These equations should not be used if the device is working in discontinuous conduction mode (DCM).
The power dissipation of the IC includes conduction loss (Pcon), switching loss (Psw), gate drive loss (Pgd) and supply current (Pq).




where
So

For given TA,
For given TJMAX = 150°C
There are additional power losses in the regulator circuit due to the inductor ac and dc losses, the catch diode and trace resistance that impact the overall efficiency of the regulator.
| VIN = 12 V | VOUT = 3.3 V | ƒsw = 300 kHz |
| VIN = 12 V | VOUT = 3.3 V | ƒsw = 300 kHz |
| VIN = 12 V | VOUT = 3.3 V | ƒsw = 300 kHz |
| VIN = 12 V | VOUT = 3.3 V | IOUT = 2.5 A |
| VIN = 12 V | VOUT = 3.3 V | ƒsw = 300 kHz |
| IOUT = 2.5 A |