ZHCSI10E September   2009  – September 2018 TPS54218

PRODUCTION DATA.  

  1. 特性
  2. 应用
  3. 说明
    1.     Device Images
      1.      简化原理图
      2.      效率与输出电流间的关系
  4. 修订历史记录
  5. Pin Configuration and Functions
    1.     Pin Functions
  6. Specifications
    1. 6.1 Absolute Maximum Ratings
    2. 6.2 ESD Ratings
    3. 6.3 Recommended Operating Conditions
    4. 6.4 Thermal Information
    5. 6.5 Electrical Characteristics
    6. 6.6 Typical Characteristics
  7. Detailed Description
    1. 7.1 Overview
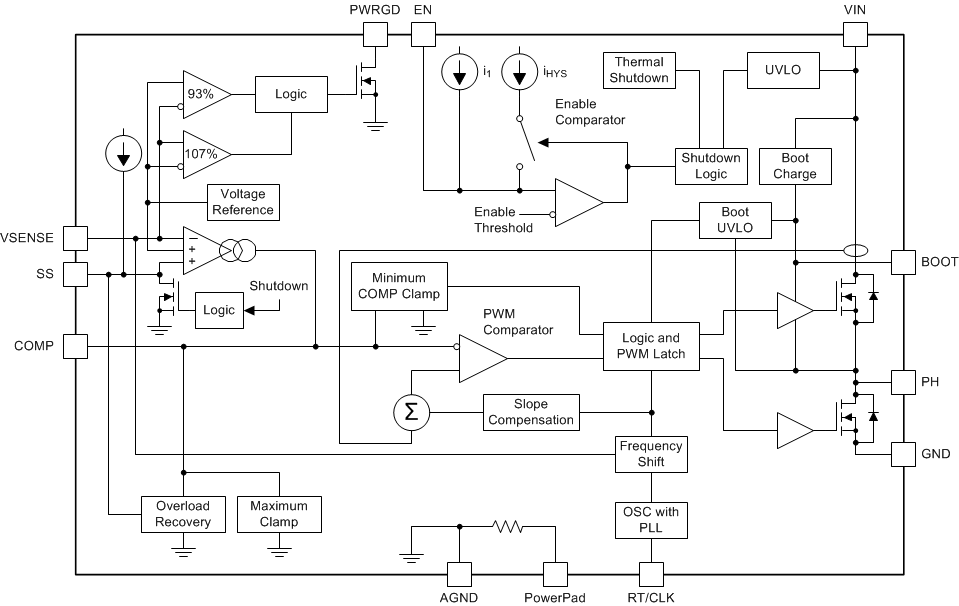
    2. 7.2 Functional Block Diagram
    3. 7.3 Feature Description
      1. 7.3.1  Fixed Frequency PWM Control
      2. 7.3.2  Slope Compensation and Output Current
      3. 7.3.3  Bootstrap Voltage (Boot) and Low Dropout Operation
      4. 7.3.4  Error Amplifier
      5. 7.3.5  Voltage Reference
      6. 7.3.6  Adjusting the Output Voltage
      7. 7.3.7  Enable and Adjusting Undervoltage Lockout
      8. 7.3.8  Soft-Start Pin
      9. 7.3.9  Sequencing
      10. 7.3.10 Constant Switching Frequency and Timing Resistor (RT/CLK Pin)
      11. 7.3.11 Overcurrent Protection
      12. 7.3.12 Frequency Shift
      13. 7.3.13 Reverse Overcurrent Protection
      14. 7.3.14 Synchronize Using the RT/CLK Pin
      15. 7.3.15 Power Good (PWRGD Pin)
      16. 7.3.16 Overvoltage Transient Protection
      17. 7.3.17 Thermal Shutdown
    4. 7.4 Device Functional Modes
      1. 7.4.1 Small Signal Model for Loop Response
      2. 7.4.2 Simple Small Signal Model for Peak Current Mode Control
      3. 7.4.3 Small Signal Model for Frequency Compensation
  8. Application and Implementation
    1. 8.1 Application Information
    2. 8.2 Typical Application
      1. 8.2.1 Design Requirements
      2. 8.2.2 Detailed Design Procedure
        1. 8.2.2.1  Step One: Select the Switching Frequency
        2. 8.2.2.2  Step Two: Select the Output Inductor
        3. 8.2.2.3  Step Three: Choose the Output Capacitor
        4. 8.2.2.4  Step Four: Select the Input Capacitor
        5. 8.2.2.5  Step Five: Minimum Load DC COMP Voltage
        6. 8.2.2.6  Step Six: Choose the Soft-Start Capacitor
        7. 8.2.2.7  Step Seven: Select the Bootstrap Capacitor
        8. 8.2.2.8  Step Eight: Undervoltage Lockout Threshold
        9. 8.2.2.9  Step Nine: Select Output Voltage and Feedback Resistors
          1. 8.2.2.9.1 Output Voltage Limitations
        10. 8.2.2.10 Step 10: Select Loop Compensation Components
        11. 8.2.2.11 Power Dissipation Estimate
      3. 8.2.3 Application Curves
  9. Power Supply Recommendations
  10. 10Layout
    1. 10.1 Layout Guidelines
    2. 10.2 Layout Example
  11. 11器件和文档支持
    1. 11.1 器件支持
      1. 11.1.1 使用 WEBENCH® 工具创建定制设计方案
      2. 11.1.2 开发支持
    2. 11.2 商标
    3. 11.3 静电放电警告
    4. 11.4 术语表
  12. 12机械、封装和可订购信息

封装选项

机械数据 (封装 | 引脚)
散热焊盘机械数据 (封装 | 引脚)
订购信息

Functional Block Diagram

TPS54218 fbd_slvs974.gif