ZHCS169D May 2011 – July 2016 TPS54062
PRODUCTION DATA.
NOTE
以下 应用 部分的信息不属于 TI 组件规范,TI 不担保其准确性和完整性。客户应负责确定 TI 组件是否适用于其应用。客户应验证并测试其设计是否能够实现,以确保系统功能。
TPS54062 是一款 60V、50mA 降压稳压器,集成了高侧和低侧 MOSFET。该器件通常将较高的直流电压转换为低值直流电压,输出电流最高可达 50mA。示例 应用 包括:低功耗待机或偏置电压电源、由 4mA 至 20mA 电流回路供电的传感器、工业过程控制、计量以及安保系统或高效高压线性稳压器的替代设备。按照以下设计流程为 TPS54062 选择合适的组件值。该流程所示为高开关频率稳压器设计。上述计算可通过 Excel 电子表格工具 SLVC364 完成。此外,可以使用 WEBENCH 软件生成完整设计。WEBENCH 软件采用一种迭代设计过程,通过访问综合元件数据库生成设计。
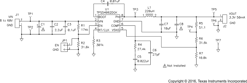
Figure 20. 应用电路原理图
本示例详细介绍了使用陶瓷输出电容的连续导通模式 (CCM) 开关稳压器设计过程。如果需要低输出电流设计,请参见 DCM 应用。在开始该设计过程前必须了解一些参数。这些参数通常在系统层面确定。对于该示例,我们将从下列已知参数入手:
| 输出电压 | 3.3V |
| 0mA 至 50mA 负载阶跃瞬态响应 | ΔVOUT = 4% |
| 最大输出电流 | 50mA |
| 输入电压 | 24V(标称值)8V 至 60V |
| 输出电压纹波 | VOUT 的 0.5% |
| 启动输入电压(VIN 上升) | 7.88V |
| 停止输入电压(VIN 下降) | 6.66V |
第一步是确定稳压器开关频率。用户通常希望尽量选择最高开关频率,从而获得尺寸最小的解决方案。与开关频率较低的电源相比,较高的开关频率支持使用低值电感以及小型输出电容。可供选择的开关频率受到以下参数限制:内部电源开关的最短导通时间、输入电压和输出电压以及频移限制。
必须使用Equation 5 和Equation 6 找出稳压器的最高开关频率,选择两公式中的较小值。开关频率高于上述值将导致脉冲跳跃或在短路时缺乏过流保护。TPS54062 的最短导通时间 (tonmin) 为 130ns(典型值)。该示例的输出电压为 3.3V,最高输入电压为 60V,当包含Equation 5 或Equation 6 中的电感电阻、导通电阻和二极管电压时,支持的开关频率最高可达 400kHz。为了避免在设计过程中考虑发生短路时的过流失控问题,请根据Equation 6 确定最大开关频率。最高输入电压选择 60V,电感电阻为 3.7Ω,高侧开关电阻为 2.3Ω,低侧开关电阻为 1.1Ω,电流限值选择 120mA,短路输出电压等于 0.1V。
两种情况下的最高开关频率均为 400kHz,因此使用 400kHz 开关频率。请根据Equation 4 确定给定开关频率对应的定时电阻。开关频率通过Figure 20 所示的电阻 R3 进行设置。通过计算得出的 R3 为 298kΩ。使用阻值为 301kΩ 的标准电阻。
最小输出电感的计算:使用Equation 7。KIND 系数表示与最大输出电流相关的电感纹波电流。电感纹波电流将通过输出电容进行滤波。因此,选择高电感器纹波电流将影响输出电容的选择,原因是输出电容的额定纹波电流必须大于等于电感纹波电流。一般而言,设计人员可以自行决定电感纹波值,但应遵循以下准则。TI 通常建议使用介于 0.2 至 0.4 之间的 KIND。然而,对于使用低 ESR 输出电容(例如陶瓷电容)和低输出电流的设计,KIND 应为 1。在宽输入电压稳压器中,建议根据较大一侧选择电感纹波电流。这允许电感在最低输入电压条件下仍能提供可测量纹波电流。该设计示例采用的 KIND = 0.8,计算得出的最小电感为 195µH。本设计选择近似标准值 220µH。对于输出滤波电感而言,至关重要的是不得超出额定 RMS 电流和饱和电流。RMS 电流和峰值电感电流可根据Equation 9 和Equation 10 进行计算。
对于该设计,RMS 电感电流为 50mA,峰值电感电流为 68mA。选用 Coilcraft LPS4018-224ML 电感。该电感的额定饱和电流为 235mA,额定 RMS 电流为 200mA。如公式组所示,纹波电流较低将导致稳压器输出电压纹波下降,但需要使用数值更大的电感。选择较高纹波电流将提升稳压器的输出电压纹波,但允许使用低值电感。流经电感的电流为电感纹波电流外加输出电流。在上电、故障或瞬态负载条件下,电感电流可能超出上文计算得出的峰值。在瞬态条件下,电感电流能够升至器件的开关电流限值。基于该原因,最为保守的方法是规定电感的额定饱和电流(而非峰值电感电流)大于等于器件的开关电流限值。




选择输出电容值时,主要考虑三点。输出电容将决定调制器极点、输出电压纹波以及稳压器响应负载电流显著变化的方式。输出电容应根据比上述三项指标更为严苛的标准进行选择。第一项标准是稳压器针对负载电流显著变化作出的相应。当稳压器不能为负载供电时,输出电容需要向负载提供电流。出现这种情况的条件是稳压器的保持时间符合要求,在此期间,移除输入电源后,输出电容必须在规定时间内使输出电压保持在某一水平之上。如果负载电流需要在短时间内显著提升(例如由空载状态转换至满载状态),稳压器也将暂时无法提供足够的输出电流。稳压器通常需要在不少于两个控制回路时钟周期内观察负载电流和输出电压变化,进而通过调节占空比进行响应。选择输出电容值时应将以下注意事项纳入考量范围:输出电容在控制回路响应负载变化前需要向负载额外提供电流。输出电容必须足够大,从而填补 2 个时钟周期内的电流差,同时输出电压仅允许下降可容许值。Equation 14 所示为实现该目标所需的最小输出电容。其中 ΔIout 为输出电流增量,ƒsw 为稳压器开关频率,ΔVout 为允许的输出电压增量。
对于该示例,当负载电流由 0A(空载)跃升至 50mA(满载)时,瞬态负载响应的额定变化量为 4%。该示例中的 ΔIOUT = 0.05 - 0 = 0.05,而 ΔVOUT = 0.04 × 3.3 = 0.132。
使用这些数值得出的最小电容为 1.89µF。该值未将输出电容 ESR 纳入输出电压变化的考量范围。对于陶瓷电容,其 ESR 足够小,在计算过程中可以忽略不计。铝制电解电容和钽电容的 ESR 较高,在计算过程中应纳入考量范围。稳压器的低侧 FET 模拟二极管,无法灌入电流,因此当负载电流快速下降后,电感储存的所有能量将产生输出电压过冲,请参见Figure 26。选择输出电容时还必须考虑当负载电流由高到低进行转换时,输出电容将吸收电感储存的能量。输出电容中储存的过剩能量将提升电容电压。选取的电容值必须保证稳压器所需的输出电压在这些瞬态过程中恒定不变。使用Equation 13 计算最小电容,从而保持输出电压过冲处于理想值。其中 LO 为电感值,IOH 为重载条件下的输出电流,IOL 为轻载条件下的输出电流,VF 为最终峰值输出电压,Vi 为初始电容电压。对于该示例,极端条件下的负载电流由 50mA 骤降至 0A。在上述负载转换过程中,输出电压上升,技术规范中叙述的最大值为输出电压的 4%。得出的 VF = 1.04 × 3.3 = 3.432V。Vi 为初始电容电压,即 3.3V 标称输出电压。将上述数值带入Equation 14 得出的最小电容为 0.619µF。
Equation 12 计算必须符合输出电压纹波规范的最小输出电容。其中 fSW 为开关频率,VRIPPLE 为允许的最大输出电压纹波,IRIPPLE 为电感纹波电流。根据Equation 13 计算得出的最小输出电容等于 0.671µF。根据Equation 15 计算最大 ESR 输出电容,其值必须符合输出电压纹波规范。Equation 15 指出 ESR 应该小于 0.466Ω。
输出电容最为严格的标准值为 1.89µF,以在负载瞬态过程中保持输出电压处于稳压状态。
因老化、温度及直流偏置而产生的附加电容降额应纳入考量范围,输出电容的最小值应在上述情况下有所提升。该示例中采用 ESR 为 0.003Ω 的 10µF、10V、X5R 陶瓷电容。电容一般将纹波电流限制在处理电流时不会导致故障或过热的范围内。必须指定一个支持电感纹波电流的输出电容。部分电容数据表指定了最大纹波电流的均方根 (RMS) 值。
根据Equation 11 可计算输出电容需要支持的 RMS 纹波电流。对于该应用,根据Equation 11 计算得出的结果为 10.23mA。





TPS54062 需要使用有效电容不低于 1µF 的 X5R 或 X7R 型优质陶瓷输入去耦电容,而在某些 应用中 需要使用大容量电容。有效电容包括所有直流偏置产生的影响。输入电容的额定电压必须高于最高输入电压。此外,电容的 RMS 电流额定值必须高于 TPS54062 的最大 RMS 输入电流。输入 RMS 电流可以根据Equation 16 进行计算。陶瓷电容值随温度和针对其施加的直流偏置的不同而显著变化。通过选用具有温度稳定性的介电材料能够最大程度降低温度变化导致的电容变化。电源稳压器的电容通常选用 X5R 和 X7R 陶瓷介电材料,原因是其电容体积比较高并具有极强温度稳定性。选择输出电容时还应考虑直流偏置电压产生的影响。电容值随电容两端直流偏置电压的上升而下降。该示例设计要求使用额定电压不低于 100V 的陶瓷电容,从而支持最高输入电压。输入电容值决定了稳压器的输入纹波电压。输入电压纹波可以根据Equation 17 的变形进行计算。
采用设计示例参数值,Ioutmax = 50mA、CIN = 2.2µF、ƒSW = 400kHz 计算得出的输入电压纹波为 14.2mV,RMS 输入纹波电流为 24.6mA。


BOOT 和 PH 引脚之间必须连接一个 0.01µF 陶瓷电容,以确保正常运行。TI 建议使用 X5R 或更优等级电介质的陶瓷电容。电容的额定电压应不低于 10V。
欠压锁定 (UVLO) 可通过 TPS54062 EN 引脚上的外部分压器进行调节。UVLO 具有两个阈值:一个用于在输入电压升高时上电,另一个用于在输入电压下降时断电或节能。该示例设计中的电源处于开启状态并在输入电压升至 7.88V 以上(使能)后进行切换。稳压器在切换开始后应继续保持原状态,直至输入电压降至 6.66V 以下(UVLO 停止)。可编程 UVLO 和使能电压通过 Vin 和 EN 引脚接地端之间的电阻分压器进行设置。根据Equation 2 至Equation 3 可计算所需电阻。该示例应用要求 Vin 与 EN 之间连接 174kΩ 电阻,EN 与接地端之间连接 31.6kΩ 电阻,旨在产生 7.88V 和 6.66V 启动和停止电压。
对于该示例设计,RLS 选择 10kΩ。根据Equation 1 计算得出的 RHS 等于 31.25kΩ。最为接近的 1% 标准电阻为 31.6kΩ。
提供多种方法补偿 DC-DC 稳压器。此处介绍的方法易于计算,忽略了器件内部的斜率补偿效果。由于忽略了斜率补偿,实际分频频率通常小于计算过程使用的值。该方法假设分频频率介于调制器极点和 ESR 零点之间,ESR 零点应至少为调制器极点的 10 倍。使用 SwitcherPro™软件进行更为精确的设计。
开始设计前,必须根据Equation 18 和Equation 19 计算调制器极点 (fpole) 以及 ESR 零点 (fzero)。对于 Cout,使用的降额值为 8.9µF。根据Equation 20 和Equation 21 估算分频频率的起始点 (fco),从而设计补偿。该示例设计中的 fpole 等于 271Hz,fzero 等于 5960kHz。
Equation 20 为调制器极点和 ESR 零点的几何平均数,Equation 21 为调制器极点和开关频率的几何平均数。Equation 20 的计算结果为 40.29kHz,而Equation 21 的计算结果为 7.36kHz。使用接近Equation 20 或Equation 21 二者中较小值的频率作为初始分频频率。
该示例中的 fco 等于 7.8kHz。下一步计算补偿组件值。使用一个与电容串联的电阻创建补偿零点。与两组件并联的电容构成补偿极点。
为了确定补偿电阻 R4,请使用Equation 22。假设功率级跨导 (gmps) 为 0.65 A/V。输出电压 (Vo)、基准电压 (VREF) 和误差放大器跨导 (gmea) 分别为 3.3V、0.8V 和 102µs。
计算得出的 R4 为 27.1kΩ,选取最为接近的 27.4 标准电阻。根据Equation 23 设置调制器极点频率的零点补偿。根据Equation 23 得出的补偿电容 C5 等于 0.0214µF,因此电路板中应用 0.022µF 电容。使用Equation 24 和Equation 25 中的较大值计算设置补偿极点的 C6。根据Equation 25 得出 C6 等于 29pF,因此使用最为接近的 27pF 标准值。








Figure 21. 效率与输出电流间的关系
Figure 23. 增益与相位间的关系
Figure 25. 输出电压与输出电流间的关系
Figure 27. 线路瞬态
Figure 29. 以 VIN 启动
Figure 31. CCM 中的输入纹波
Figure 33. DCM 中的输出纹波
Figure 35. 输出纹波跳跃
Figure 22. 效率与输出电流间的关系
Figure 24. 静态电流与输入电压间的关系
Figure 26. 负载瞬态
Figure 28. 以 ENA 启动
Figure 30. DCM 中的输入纹波
Figure 32. 输入纹波跳跃
Figure 34. CCM 中的输出纹波
Figure 36. DCM 应用原理图
本示例详细介绍了使用陶瓷输出电容的低输出电流、固定开关稳压器设计过程。在开始该设计过程前必须了解一些参数。这些参数通常在系统层面确定。对于该示例,我们将从下列已知参数入手:
| 输出电压 | 3.3V |
| 0mA 至 15mA 负载阶跃瞬态响应 | ΔVOUT = 4% |
| 最大输出电流 | 10mA |
| 最小输出电流 | 3mA |
| 输入电压 | 24V(标称值)10V 至 40V |
| 输出电压纹波 | VOUT 的 0.5% |
| 开关频率 | 100kHz |
| 启动输入电压(VIN 上升) | 9V |
| 停止输入电压(VIN 下降) | 8V |
最理想的情况是电源高效运行并且其开关频率在输出电流较低时恒定不变。开关频率固定的电源提供可以预测的输出电压纹波及噪声。对于低输出电流源,按照传统连续导通模式 (CCM) 设计方法计算得出的输出电感较大。采用 CCM 电感将导致电源尺寸较大或影响高值直流电阻效率,替代方法是电源采用断续导通模式 (DCM)。按照以下流程计算组件值,从而设计一款以断续导通模式运行的电源。电源以 DCM 运行产生低输出电流的优势包括:开关频率固定、输出电感较低以及电感的直流电阻较低。使用频移和跳频公式估计最高开关频率。
TPS54062 设计 用于 需要工作频率固定不变且输出电压纹波在低输出电流条件下较低的应用,因此 TPS54062 在轻载条件下不支持脉冲跳跃模式。由于该器件提供的受控导通时间最短,因此电源在一定输出电流条件下将发生脉冲跳跃。为了确保电源在应用的输出电流处不发生脉冲跳跃,选取的电感值应大于最小值。根据Equation 26 的计算结果,在最低负载条件下维持固定开关频率所需的最小电感为 0.9mH。由于该公式基于理想状态,未考虑损耗,因此假设最短受控轻载导通时间 (tonminll) 为 350ns。为了维持以 DCM 运行,电感大小和输出电流应保持在最大值以下。使用Equation 27 计算得出的最大电感为 1.42mH。选择伍尔特电子 (Wurth Elektronik) 的 744062102 电感。如果需要以 CCM 运行,使用先前的设计流程。
使用Equation 28,确保在输出电流最大时不超出高侧电源开关的最小电流限值。计算得出的峰值电流为 23.9mA,低于 134mA 电流限制。为了确定电感和输出电容的 RMS 电流,需要计算占空比。降压稳压器在 DCM 状态下的占空比 (D1) 根据Equation 29 进行计算。D1 属于高侧电源开关导通时开关周期的一部分,计算结果为 0.1153。D2 属于低侧电源开关导通时开关周期的一部分,计算结果为 0.7253。
根据Equation 31 和Equation 32 计算得出的电感和输出电容 RMS 电流分别为 12.8mA 和 7.6mA。选择额定值高于 RMS 计算值的组件。使用Equation 33 至Equation 35 计算输出电容并选取最大值,VRIPPLE 为稳态电压纹波,而 ΔV 为瞬态电压变化。计算得出的最低输出电容为 1.5µF。因老化、温度及直流偏置而产生的附加电容降额应纳入考量范围,输出电容的最小值应在上述情况下有所提升。该示例中采用 ESR 为 5mΩ 的 22µF、6.3V、X7R 陶瓷电容。为了提供低输出纹波电源,请使用 ESR 较低的电容。根据Equation 36 估算输入电容的最大 ESR。根据Equation 37 和Equation 38 估算输入电容的 RMS 电流和电容。计算得出的 RMS 电流为 3.7mA,电容为 0.2µF。该示例使用 1µF 100V/X7R 陶瓷电容。













此处介绍的方法易于计算,涵盖器件内部的斜率补偿效果。该方法假设分频频率介于调制器极点和 ESR 零点之间,ESR 零点应至少为调制器极点的 10 倍。输出组件确定后,使用以下公式关闭反馈回路。当电流模式受控的电源以 DCM 模式运行时,其传递函数含有一个 ESR 零点和极点,如Equation 39 所示。为了计算电流模式功率级增益,分别根据Equation 40 和Equation 41 先后计算 Kdcm(DCM 增益)与 Fm(调制器增益)。Kdcm 和 Fm 分别为 26.3 和 1.34。根据Equation 42 和Equation 43 计算极点和 ESR 零点。极点和零点分别为 67Hz 和 2MHz。使用Equation 44 或Equation 45 二者中的较小值作为分频频率起始点。Equation 44 为功率级极点和 ESR 零点的几何平均数,Equation 45 为功率级极点和开关频率的几何平均数。根据Equation 45 选定的分频频率选为 2.5kHz。
为了确定补偿电阻 RCOMP,请使用Equation 46。假设功率级跨导 (gmps) 为 0.65A/V。输出电压 (VO)、基准电压 (VREF) 和误差放大器跨导 (gmea) 分别为 3.3V、0.8V 和 102µs。计算得出的 RCOMP 为 32.7kΩ,选取最为接近的 32.4kΩ 标准电阻。根据Equation 47 设置调制器极点频率的零点补偿。根据Equation 47 得出的补偿电容 CCOMP 等于 139nF,因此电路板中应用 330nF 电容。使用Equation 48 和Equation 49 中的较大值计算设置补偿极点的 CPOLE。根据Equation 49 得出 C6 等于 98pF,因此使用最为接近的 100pF 标准值。











Figure 37. 效率与输出电流间的关系
Figure 39. 增益与相位间的关系
Figure 38. 效率与输出电流间的关系
Figure 40. 输出电压与输出电流间的关系
Figure 41. 静态电流与输入电压间的关系
Figure 43. 空载瞬态
Figure 45. 以 VIN 启动
Figure 47. 以 VIN 预偏置启动
Figure 49. CCM 下的输入和输出纹波
Figure 42. 负载瞬态
Figure 44. 以 ENA 启动
Figure 46. 以 ENA 预偏置启动
Figure 48. DCM 下的输入和输出纹波