ZHCSDV0B June   2015  – February 2017 TPS53647

PRODUCTION DATA.  

  1. 特性
  2. 应用范围
  3. 说明
  4. 修订历史记录
  5. Pin Configuration and Functions
  6. Specifications
    1. 6.1 Absolute Maximum Ratings
    2. 6.2 Handling Ratings
    3. 6.3 Recommended Operating Conditions
    4. 6.4 Thermal Information
    5. 6.5 Electrical Characteristics
    6. 6.6 I/O Timing Requirements
    7. 6.7 Switching Characteristics
    8. 6.8 Typical Characteristics
  7. Detailed Description
    1. 7.1 Overview
    2. 7.2 Functional Block Diagram
    3. 7.3 Feature Description
      1. 7.3.1  V3R3 LDO
      2. 7.3.2  PWM Operation
      3. 7.3.3  Current Sense and IMON Calculation
      4. 7.3.4  Setting the Load-Line (DROOP)
      5. 7.3.5  Load Transitions
      6. 7.3.6  Overshoot Reduction (OSR)
      7. 7.3.7  Undershoot Reduction (USR)
      8. 7.3.8  AutoBalance™ Current Sharing
      9. 7.3.9  Phase Overlap
      10. 7.3.10 VID
      11. 7.3.11 PWM and SKIP Signals
      12. 7.3.12 TSEN (Thermal Sense) Pin
      13. 7.3.13 RESET Function
      14. 7.3.14 Input UVLO
      15. 7.3.15 V5 Pin Undervoltage Lockout (UVLO)
      16. 7.3.16 Output Undervoltage Protection (UVP)
      17. 7.3.17 Overvoltage Protection (OVP)
      18. 7.3.18 Overcurrent Limit (OCL) and Overcurrent Protection (OCP)
      19. 7.3.19 Over Temperature Protection (OTP)
      20. 7.3.20 VR_HOT and VR_FAULT Indication
    4. 7.4 Device Functional Modes
    5. 7.5 Programming
      1. 7.5.1 User Selections
        1. 7.5.1.1  Switching Frequency
        2. 7.5.1.2  IMAX Information
        3. 7.5.1.3  Boot Voltage
        4. 7.5.1.4  Per-Phase Overcurrent Limit (OCL) Level
        5. 7.5.1.5  Overshoot Reduction (OSR) and Undershoot Reduction (USR) Levels
        6. 7.5.1.6  Slew Rate Selection
        7. 7.5.1.7  Mode Selections
        8. 7.5.1.8  Soft Start Slew Rate and PMBus Addresses
        9. 7.5.1.9  Ramp Selection
        10. 7.5.1.10 Maximum Active Phase Numbers
        11. 7.5.1.11 Pinstrap Mode Settings
        12. 7.5.1.12 NVM Default Settings
        13. 7.5.1.13 4-Phase Application
      2. 7.5.2 Supported Protections and Fault Reports
      3. 7.5.3 Supported PMBus Address and Commands Summary
        1. 7.5.3.1 Address Selection
        2. 7.5.3.2 Commands Summary
    6. 7.6 Register Maps
      1. 7.6.1 PMBus Description
        1. 7.6.1.1 PMBus General
        2. 7.6.1.2 PMBus Connections
        3. 7.6.1.3 Supported Data Formats
        4. 7.6.1.4 PMBus Command Format
      2. 7.6.2 PMBus Functionality
        1. 7.6.2.1 PMBus Address
        2. 7.6.2.2 Pin Strap Settings
        3. 7.6.2.3 Supported PMBus Commands
          1. 7.6.2.3.1  OPERATION (01h)
          2. 7.6.2.3.2  ON_OFF_CONFIG (02h)
          3. 7.6.2.3.3  CLEAR_FAULTS (03h)
          4. 7.6.2.3.4  WRITE_PROTECT (10h)
          5. 7.6.2.3.5  STORE_DEFAULT_ALL (11h)
          6. 7.6.2.3.6  RESTORE_DEFAULT_ALL (12h)
          7. 7.6.2.3.7  CAPABILITY (19h)
          8. 7.6.2.3.8  VOUT_MODE (20h)
          9. 7.6.2.3.9  VOUT_COMMAND (21h)
          10. 7.6.2.3.10 VOUT_MAX (24h)
          11. 7.6.2.3.11 VOUT_MARGIN_HIGH (25h)
          12. 7.6.2.3.12 VOUT_MARGIN_LOW (26h)
          13. 7.6.2.3.13 IOUT_CAL_OFFSET (39h)
          14. 7.6.2.3.14 VOUT_OV_FAULT_RESPONSE (41h)
          15. 7.6.2.3.15 VOUT_UV_FAULT_RESPONSE (45h)
          16. 7.6.2.3.16 IOUT_OC_FAULT_LIMIT (46h)
          17. 7.6.2.3.17 IOUT_OC_FAULT_RESPONSE (47h)
          18. 7.6.2.3.18 IOUT_OC_WARN_LIMIT (4Ah)
          19. 7.6.2.3.19 OT_FAULT_LIMIT (4Fh)
          20. 7.6.2.3.20 OT_FAULT_RESPONSE (50h)
          21. 7.6.2.3.21 OT_WARN_LIMIT (51h)
          22. 7.6.2.3.22 VIN_OV_FAULT_LIMIT (55h)
          23. 7.6.2.3.23 IIN_OC_FAULT_LIMIT (5Bh)
          24. 7.6.2.3.24 IIN_OC_FAULT_RESPONSE (5Ch)
          25. 7.6.2.3.25 IIN_OC_WARN_LIMIT (5Dh)
          26. 7.6.2.3.26 STATUS_BYTE (78h)
          27. 7.6.2.3.27 STATUS_WORD (79h)
          28. 7.6.2.3.28 STATUS_VOUT (7Ah)
          29. 7.6.2.3.29 STATUS_IOUT (7Bh)
          30. 7.6.2.3.30 STATUS_INPUT (7Ch)
          31. 7.6.2.3.31 STATUS_TEMPERATURE (7Dh)
          32. 7.6.2.3.32 STATUS_CML (7Eh)
          33. 7.6.2.3.33 STATUS_MFR_SPECIFIC (80h)
          34. 7.6.2.3.34 READ_VIN (88h)
          35. 7.6.2.3.35 READ_IIN (89h)
          36. 7.6.2.3.36 READ_VOUT (8Bh)
          37. 7.6.2.3.37 READ_IOUT (8Ch)
          38. 7.6.2.3.38 READ_TEMPERATURE_1 (8Dh)
          39. 7.6.2.3.39 READ_POUT (96h)
          40. 7.6.2.3.40 READ_PIN (97h)
          41. 7.6.2.3.41 PMBus_REVISION (98h)
          42. 7.6.2.3.42 MFR_ID (99h)
          43. 7.6.2.3.43 MFR_MODEL (9Ah)
          44. 7.6.2.3.44 MFR_REVISION (9Bh)
          45. 7.6.2.3.45 MFR_DATE (9Dh)
          46. 7.6.2.3.46 MFR_VOUT_MIN (A4h)
          47. 7.6.2.3.47 MFR_SPECIFIC_00 (Per-Phase Overcurrent Limit) (D0h)
          48. 7.6.2.3.48 MFR_SPECIFIC_01 (Telemetry Averaging Time) (D1h)
          49. 7.6.2.3.49 MFR_SPECIFIC_04 (Read VOUT) (D4h)
          50. 7.6.2.3.50 MFR_SPECIFIC_05 (VOUT Trim) (D5h)
          51. 7.6.2.3.51 MFR_SPECIFIC_07 (Additional Function Bits) (D7h)
          52. 7.6.2.3.52 MFR_SPECIFIC_08 (Droop) (D8h)
          53. 7.6.2.3.53 MFR_SPECIFIC_09 (OSR/USR) (D9h)
          54. 7.6.2.3.54 MFR_SPECIFIC_10 (Maximum Operating Current) (DAh)
          55. 7.6.2.3.55 MFR_SPECIFIC_11 (VBOOT) (DBh)
          56. 7.6.2.3.56 MFR_SPECIFIC_12 (Switching Frequency and TRISE) (DCh)
          57. 7.6.2.3.57 MFR_SPECIFIC_13 (Slew Rate and Other Operation Modes) (DDh)
          58. 7.6.2.3.58 MFR_SPECIFIC_14 (Ramp Height) (DEh)
          59. 7.6.2.3.59 MFR_SPECIFIC_15 (Dynamic Phase Shedding Thresholds) (DFh)
          60. 7.6.2.3.60 MFR_SPECIFIC_16 (VIN UVLO) (E0h)
          61. 7.6.2.3.61 MFR_SPECIFIC_20 (Maximum Operational Phase Number) (E4h)
          62. 7.6.2.3.62 MFR_SPECIFIC_22 ( VOUT_UV_FAULT_threshold) (E6h)
          63. 7.6.2.3.63 MFR_SPECIFIC_44 (DEVICE_CODE) (FCh)
  8. Application and Implementation
    1. 8.1 Application Information
    2. 8.2 Typical Application
      1. 8.2.1 Design Requirements
      2. 8.2.2 Detailed Design Procedure
        1. 8.2.2.1  Select the Switching Frequency
        2. 8.2.2.2  Set the Maximum Output Current (IMAX)
        3. 8.2.2.3  Select the Soft-Start Slew Rate
        4. 8.2.2.4  Select the Operation Mode
        5. 8.2.2.5  Choose Inductor
        6. 8.2.2.6  Select the Per-Phase Valley Current Limit And Ramp Level
        7. 8.2.2.7  Set the Load-Line
        8. 8.2.2.8  Set the BOOT Voltage
        9. 8.2.2.9  Set OSR/USR Thresholds to Improve Load Transient Performance
        10. 8.2.2.10 Digital Current Monitor (IMON) Gain and Filter Setting
        11. 8.2.2.11 Compensation Design
        12. 8.2.2.12 Set PMBus Addresses
        13. 8.2.2.13 Programming the Device with the PMBus
      3. 8.2.3 Application Curves
  9. Power Supply Recommendations
  10. 10Layout
    1. 10.1 Layout Guidelines
      1. 10.1.1 Schematic Review Checklist
      2. 10.1.2 PCB Design Guidelines
        1. 10.1.2.1 Layer Stack-up, 8-Layer PCB as example
        2. 10.1.2.2 Current Sensing Lines
        3. 10.1.2.3 Feedback Voltage Sensing Lines
        4. 10.1.2.4 PWM Lines
        5. 10.1.2.5 Power Chain Symmetry
        6. 10.1.2.6 Placing Analog Signal Components
        7. 10.1.2.7 Grounding Recommendations
        8. 10.1.2.8 TI Smart Power Stage CSD95372BQ5MC
          1. 10.1.2.8.1 Electrical Performance
          2. 10.1.2.8.2 Thermal Performance
          3. 10.1.2.8.3 Sensing Performance
        9. 10.1.2.9 Power Delivery and Power Density
    2. 10.2 Layout Example
  11. 11器件和文档支持
    1. 11.1 器件支持
      1. 11.1.1 Third-Party Products Disclaimer
      2. 11.1.2 开发支持
    2. 11.2 文档支持
      1. 11.2.1 相关文档
    3. 11.3 接收文档更新通知
    4. 11.4 社区资源
    5. 11.5 商标
    6. 11.6 静电放电警告
    7. 11.7 Glossary
  12. 12机械、封装和可订购信息

封装选项

机械数据 (封装 | 引脚)
散热焊盘机械数据 (封装 | 引脚)
订购信息

Detailed Description

Overview

The TPS53647 device is a DCAP+ mode adaptive on-time controller.

The output voltage is set using a DAC that outputs a reference in accordance with the 8-bit VID code defined in Table 1. In adaptive on-time converters, the controller varies the on-time as a function of input and output voltage to maintain a nearly constant frequency during steady-state conditions. In conventional voltage-mode constant on-time converters, each cycle begins when the output voltage crosses to a fixed reference level. However, in the TPS53647 device, the cycle begins when the current feedback reaches an error voltage level which corresponds to the amplified voltage difference between the DAC voltage and the feedback output voltage with droop. In the case of multi-phase operations, the current feedback from all the phases is summed, and is amplified using the ISUM pin to adjust the load-line. Also zero-load line operation can be easily configured with external resistor or internal NVM selection.

Functional Block Diagram

TPS53647 fbd_slusc39.gif

Feature Description

V3R3 LDO

V3R3 is an LDO output generated from V5. It is used as internal digital circuit supply and 1-uF to 4.7-uF ceramic decoupling capacitor to GND pin is recommended.

When V5 exceeds VV5UVLOH (4.25 V typically), V3R3 begins to ramp up. The startup time for V3R3 is approximately 600 µs as shown in Figure 7.

TPS53647 v3r3_startup_slusc39.gif Figure 7. V3R3 Startup Waveform

After V3R3 has reached its operational level, the TPS53647 begins to initialize the internal circuit and reads the pinstrap configurations. This pinstrap reading completes in approximately 1.2 ms, and can communicate to the PMBus 1.5 ms after V3R3 powers up.

NOTE

This device does not require a high ENABLE signal in order for the V3R3 LDO to start up.

Use V3R3 as pull-up voltage for CSPx (to disable phases), ENABLE, VR_RDY, VR_HOT, and VR_FAULT. Because the V3R3 maximum current capability is approximately 5 mA, choose pull-up resistances carefully.

Directly tie CSP4, CSP3, or CSP2 to the V3R3 pin according to Table 3 to disable the corresponding phase.

PWM Operation

As shown in the Functional Block Diagram, in 4-phase continuous conduction mode, the device operates as described in Figure 8.

TPS53647 dcap_waveforms_slusc39.gif Figure 8. D-CAP+ Mode Basic Waveforms

Starting with the condition that the high-side FETs are off and the low-side FETs are on, the summed current feedback (VISUM) is higher than the summed error amplifier output (VCOMP) and the internal ramp signal (VRAMP). ISUM falls until it hits VCOMP+VRAMP, which contains a component of the output ripple voltage. The PWM comparator senses where the two waveforms cross and triggers the on-time generator. This generates the internal SW_CLK. Each SW_CLK corresponds to one switching ON pulse for one phase.

In case of single-phase operation, every SW_CLK generates a switching pulse on the same phase. Also, VISUM corresponds to just a single-phase inductor current.

In case of multi-phase operation, the SW_CLK gets distributed to each of the phases in a cycle. This approach of using the summed inductor current and cyclically distributing the ON pulses to each phase automatically gives the required interleaving of 360 / n, where n is the number of phases.

Current Sense and IMON Calculation

The TPS53647 device provides independent channels of current feedback for every phase to increase the system accuracy and reduce the dependence of circuit performance on layout compared to an externally summed architecture. The current sensing signals are from TI smart power stages (at 5mV/A) (ex: CSD95372BQ5MC) and are already temperature-compensated. The pins CSP1, CSP2, CSP3, and CSP4 are used for the individual phases of the phase current sensing.

The sensed currents are then summed together and generate a current output to IMON pin. A resistor is connected to IMON pin to generate the VIMON voltage.

Equation 1. TPS53647 q_vimon2_slusc39.gif

where

  • VCSPx is the voltage of CSPx pin
  • n is the number of active phases
  • RIMON is the value of resistor between the IMON pin and GND in kΩ

Then the VIMON voltage translates to a digital IMON reading as shown in Equation 2.

Equation 2. TPS53647 q_imon_slusc39.gif

where

  • 0.85 is the voltage correlated to IMAX

When VIMON is 0.85 V, the IMON reading should be equal to IMAX.

The digital IMON then can be reported to the system by using PMBus command READ_IOUT.

Setting the Load-Line (DROOP)

TPS53647 loadline_droop_slusc39.gif Figure 9. Load Line

A resistor between the ISUM pin and the VREF pin sets the load line in non-zero load line mode.

Equation 3. TPS53647 q_vdroop_slusc39.gif

where

  • gM(isum) is the gain of the internal ISUM amplifier, (500 µS typical)
  • RISUM is the value of resistor between the ISUM pin and the VREF pin to adjust the load line
  • RCS is the effective current sense resistance of TI smart power stages, (5 mΩ for CSD95372BQ5MC)
  • IOUT is the load current

A desired zero load-line can be implemented by putting a 0 Ω between ISUM and VREF pins or by shorting the ISUM and VREF pins directly.

Load Transitions

When there is a sudden load increase, the output voltage immediately drops. The TPS53647 device reacts to this drop in a rising voltage on the COMP pin. This rise forces the PWM pulses to come in sooner and more frequently which causes the inductor current to rapidly increase. As the inductor current reaches the new load current, the device reaches a steady-state operating condition and the PWM switching resumes the steady-state frequency.

When there is a sudden load release, the output voltage flies high. The TPS53647 device reacts to this rise in a falling voltage on the COMP pin. This drop forces the PWM pulses to be delayed until the inductor current reaches the new load current. At that point, the switching resumes and steady-state switching continues.

Please note in Figure 10 and Figure 11, the ripples on VOUT, VRAMP, and VCOMP voltages are not shown for simplicity.

TPS53647 load_insertion_slusc39.gif Figure 10. Load Insertion
TPS53647 load_release_slusc39.gif Figure 11. Load Release

Overshoot Reduction (OSR)

The problem of overshoot in low duty-cycle synchronous buck converters is well known, and results from the output inductor having a small voltage (VOUT) with which to respond to a transient load release.

For simplicity, Figure 12 shows a single phase converter. In an ideal converter, with typical input voltage of 12 V and a 1.0-V output, the inductor has 11.0 V (12 V – 1.0 V) to respond to a transient load increase, but only 1.0 V to respond once the load releases.

TPS53647 sync_converter_slusc39.gif Figure 12. Representative Schematic of Synchronous Buck Converter Circuit

With the Overshoot Reduction (OSR) feature enabled, when the summed voltage of VOUT and VDROOP exceeds the DAC voltage VDAC by the OSR value specified in the Electrical Characteristics table, the PWM pulses immediately become tri-state to turn off both the high-side and low-side FETs. When the low-side FETs are turned OFF, the energy in the inductor is partially dissipated by the body diodes. Please note the ON pulse width can be also truncated immediately regardless of the load transient timing, and this feature can further reduce the overshoot when compared to the conventional constant on-time controllers as shown in Figure 13 .

TPS53647 osr_pwm_slusc39.gif Figure 13. Performance for a Load Transient Release with OSR Enabled

Undershoot Reduction (USR)

When the transient load increase becomes quite large, it becomes difficult to meet the energy demanded by the load especially at lower input voltages. Then it is necessary to quickly increase the energy in the inductors during the transient load increase. This is achieved in TPS53647 by enabling pulse overlapping. In order to maintain the interleaving of the multi-phase configuration and yet be able to have pulse-overlapping during load-insertion, the Undershoot Reduction (USR) mode is entered only when necessary. This mode is entered when the difference between DAC voltage and the summed voltage of VOUT and VDROOP exceeds the USR voltage level specified in the Electrical Characteristics table.

The waveforms in Figure 14 indicate the performance with USR. It can be seen that it is possible to eliminate undershoot by enabling USR. This allows reduced output capacitance to be used and still meets the specification.

When the transient condition is over, the interleaving of the phases is resumed.

TPS53647 usr_slusc39.gif Figure 14. Performance for a Load Transient Step-up With USR Enabled

AutoBalance™ Current Sharing

The basic mechanism for current sharing is to sense the average phase current, then adjust the pulse width of each phase to equalize the current in each phase as shown in Figure 15. The PWM comparator (not shown) starts a pulse when the feedback voltage meets the reference. The VIN voltage charges Ct(on) through Rt(on). The pulse terminates when the voltage at Ct(on) matches the on-time reference, which normally equals the DAC voltage (VDAC).

The circuit operates in the following fashion. First assume that the 5-µs averaged value from each phase current are equal. In this case, the PWM modulator terminates at VDAC, and the normal pulse width is delivered to the system. If instead, I1 > IAVG, then an offset is subtracted from VDAC, and the pulse width for Phase 1 is shortened to reduce the phase current in Phase 1 for balancing. If I1 < IAVG, then a longer pulse is generated to increase the phase current in Phase 1 to achieve current balancing.

TPS53647 autobalance_ishare_slusc39.gif Figure 15. AutoBalance Current Sharing Circuit Detail

Phase Overlap

During steady state operation, the on-pulses of each phase cannot overlap. Overlapping limits the duty cycle of the application. The duty cycle of the converter cannot exceed 1/n (where n is the phase number). The device allows phase overlapping during a transient period, during the USR trigger period.

VID

The DAC voltage VDAC can be changed according to Table 1.

The slew rate for a change is set by the resistor at SLEW-MODE pin, as defined in the Electrical Characteristics table.

Table 1. VID Table

VID Hex
VALUE
VR12.0 VOLTAGE
(V)
VR12.5 VOLTAGE
(V)
00 0 0
01 0.25 0.50
02 0.255 0.51
03 0.26 0.52
04 0.265 0.53
05 0.27 0.54
06 0.275 0.55
07 0.28 0.56
08 0.285 0.57
09 0.29 0.58
0A 0.295 0.59
0B 0.30 0.60
0C 0.305 0.61
0D 0.31 0.62
0E 0.315 0.63
0F 0.32 0.64
10 0.325 0.65
11 0.33 0.66
12 0.335 0.67
13 0.34 0.68
14 0.345 0.69
15 0.35 0.70
16 0.355 0.71
17 0.36 0.72
18 0.365 0.73
19 0.37 0.74
1A 0.375 0.75
1B 0.38 0.76
1C 0.385 0.77
1D 0.39 0.78
1E 0.395 0.79
1F 0.40 0.80
20 0.405 0.81
21 0.41 0.82
22 0.415 0.83
23 0.42 0.84
24 0.425 0.85
25 0.43 0.86
26 0.435 0.87
27 0.44 0.88
28 0.445 0.89
29 0.45 0.90
2A 0.455 0.91
2B 0.46 0.92
2C 0.465 0.93
2D 0.47 0.94
2E 0.475 0.95
2F 0.48 0.96
30 0.485 0.97
31 0.49 0.98
32 0.495 0.99
33 0.50 1.00
34 0.505 1.01
35 0.51 1.02
36 0.515 1.03
37 0.52 1.04
38 0.525 1.05
39 0.53 1.06
3A 0.535 1.07
3B 0.54 1.08
3C 0.545 1.09
3D 0.55 1.10
3E 0.555 1.11
3F 0.56 1.12
40 0.565 1.13
41 0.57 1.14
42 0.575 1.15
43 0.58 1.16
44 0.585 1.17
45 0.59 1.18
46 0.595 1.19
47 0.60 1.20
48 0.605 1.21
49 0.61 1.22
4A 0.615 1.23
4B 0.62 1.24
4C 0.625 1.25
4D 0.63 1.26
4E 0.635 1.27
4F 0.64 1.28
50 0.645 1.29
51 0.65 1.30
52 0.655 1.31
53 0.66 1.32
54 0.665 1.33
55 0.67 1.34
56 0.675 1.35
57 0.68 1.36
58 0.685 1.37
59 0.69 1.38
5A 0.695 1.39
5B 0.70 1.40
5C 0.705 1.41
5D 0.71 1.42
5E 0.715 1.43
5F 0.72 1.44
60 0.725 1.45
61 0.73 1.46
62 0.735 1.47
63 0.74 1.48
64 0.745 1.49
65 0.75 1.50
66 0.755 1.51
67 0.76 1.52
68 0.765 1.53
69 0.77 1.54
6A 0.775 1.55
6B 0.78 1.56
6C 0.785 1.57
6D 0.79 1.58
6E 0.795 1.59
6F 0.80 1.60
70 0.805 1.61
71 0.81 1.62
72 0.815 1.63
73 0.82 1.64
74 0.825 1.65
75 0.83 1.66
76 0.835 1.67
77 0.84 1.68
78 0.845 1.69
79 0.85 1.70
7A 0.855 1.71
7B 0.86 1.72
7C 0.865 1.73
7D 0.87 1.74
7E 0.875 1.75
7F 0.88 1.76
80 0.885 1.77
81 0.89 1.78
82 0.895 1.79
83 0.90 1.80
84 0.905 1.81
85 0.91 1.82
86 0.915 1.83
87 0.92 1.84
88 0.925 1.85
89 0.93 1.86
8A 0.935 1.87
8B 0.94 1.88
8C 0.945 1.89
8D 0.95 1.90
8E 0.955 1.91
8F 0.96 1.92
90 0.965 1.93
91 0.97 1.94
92 0.975 1.95
93 0.98 1.96
94 0.985 1.97
95 0.99 1.98
96 0.995 1.99
97 1.00 2.00
98 1.005 2.01
99 1.01 2.02
9A 1.015 2.03
9B 1.02 2.04
9C 1.025 2.05
9D 1.03 2.06
9E 1.035 2.07
9F 1.04 2.08
A0 1.045 2.09
A1 1.05 2.10
A2 1.055 2.11
A3 1.06 2.12
A4 1.065 2.13
A5 1.07 2.14
A6 1.075 2.15
A7 1.08 2.16
A8 1.085 2.17
A9 1.09 2.18
AA 1.095 2.19
AB 1.10 2.20
AC 1.105 2.21
AD 1.11 2.22
AE 1.115 2.23
AF 1.12 2.24
B0 1.125 2.25
B1 1.13 2.26
B2 1.135 2.27
B3 1.14 2.28
B4 1.145 2.29
B5 1.15 2.30
B6 1.155 2.31
B7 1.16 2.32
B8 1.165 2.33
B9 1.17 2.34
BA 1.175 2.35
BB 1.18 2.36
BC 1.185 2.37
BD 1.19 2.38
BE 1.195 2.39
BF 1.20 2.40
C0 1.205 2.41
C1 1.21 2.42
C2 1.215 2.43
C3 1.22 2.44
C4 1.225 2.45
C5 1.23 2.46
C6 1.235 2.47
C7 1.24 2.48
C8 1.245 2.49
C9 1.25 2.50
CA 1.255 n/a
CB 1.26 n/a
CC 1.265 n/a
CD 1.27 n/a
CE 1.275 n/a
CF 1.28 n/a
D0 1.285 n/a
D1 1.29 n/a
D2 1.295 n/a
D3 1.30 n/a
D4 1.305 n/a
D5 1.31 n/a
D6 1.315 n/a
D7 1.32 n/a
D8 1.325 n/a
D9 1.33 n/a
DA 1.335 n/a
DB 1.34 n/a
DC 1.345 n/a
DD 1.35 n/a
DE 1.355 n/a
DF 1.36 n/a
E0 1.365 n/a
E1 1.37 n/a
E2 1.375 n/a
E3 1.38 n/a
E4 1.385 n/a
E5 1.39 n/a
E6 1.395 n/a
E7 1.40 n/a
E8 1.405 n/a
E9 1.41 n/a
EA 1.415 n/a
EB 1.42 n/a
EC 1.425 n/a
ED 1.43 n/a
EE 1.435 n/a
EF 1.44 n/a
F0 1.445 n/a
F1 1.45 n/a
F2 1.455 n/a
F3 1.46 n/a
F4 1.465 n/a
F5 1.47 n/a
F6 1.475 n/a
F7 1.48 n/a
F8 1.485 n/a
F9 1.49 n/a
FA 1.495 n/a
FB 1.50 n/a
FC 1.505 n/a
FD 1.51 n/a
FE 1.515 n/a
FF 1.52 n/a

PWM and SKIP Signals

The PWM and SKIP-NVM signals are output from the controller to drive the TI smart power stages. Both signals are 3.3-V logic based. The PWM signal is logic high to turn on the high-side MOSFET and logic low to turn on the low-side MOSFET. When both high-side and low-side MOSFETs are expected to be OFF, the PWM signal is driven to tri-state condition (1.7 V). The SKIP-NVM pin is asserted low during the soft-start period.

TSEN (Thermal Sense) Pin

TI smart power stage (ex: CSD95372BQ5MC) senses the die temperature and sends out the temperature information as a voltage through the TAO pin. In a multi-phase application, the TAO pin of the TI smart power stages are connected and then tied to the TSEN pin of the TPS53647 device. In this case, the device reports the temperature of the hottest power stage. The reported temperature can be calculated as shown in Equation 4.

Equation 4. TPS53647 q_temp_slusc39.gif

where

  • TEMP is the sensed temperature in °C
  • VTSEN is the voltage at TSEN pin

NOTE

The maximum temperature that can be sensed is 127.9 °C. If the TSEN voltage (VTSEN ) is higher than the voltage associated to 127.9 °C, the device continues to report 127.9 °C.

TSEN signal is also used as an indicator for power stage fault. When an internal fault occurs in the TI smart power stage (CSD95372BQ5MC), the power stage pulls the TAO pin high. In the default configuration, if the TSEN voltage is higher than 2.5 V, the TPS53647 device senses the fault and turns off both the high-side and the low-side MOSFETS. There is also an option to disable power stage fault as described in MFR_SPECIFIC_07[3].

TPS53647 tempsense_slusc39.gif Figure 16. Temperature Sense

RESET Function

During adaptive voltage scaling (AVS) operation, the voltage may become falsely adjusted to be out of ASIC operating range. The RESET function returns the voltage to the VBOOT voltage. When the voltage is out of ASIC operating range, the ASIC issues a RESET signal to the TPS53647 device, as shown in Figure 17. The device senses this signal and after a delay of greater than 1 µs, it sets an internal RESET_FAULT signal and sets VOUT_COMMAND to VBOOT. The device pulls the output voltage to the VBOOT level with the slew rate set by SLEW-MODE pin, as shown in Figure 18.

When the RESET pin signal goes high, the internal RESET_FAULT signal goes low.

TPS53647 reset_delay_schem_slusc39.gif Figure 17. RESET Pin Connection
TPS53647 reset_delay_wave_slusc39.gif Figure 18. Reset Function

Input UVLO

The TPS53647 device continuously monitors the input voltage through the VIN pin. If the input voltage is lower than the UVLO low threshold, the device turns off. If VIN rises higher than the UVLO high threshold, the controller turns on again (if both V5 and ENABLE are high). The hysteresis is approximately 1.05 V.

Table 2. Input Undervoltage Lockout (UVLO)

VIN UVLO SETTING TURN-ON VOLTAGE (V) TURN-OFF VOLTAGE (V)
MFR_SPEC_16[1:0] = 00 4.5 3.5
MFR_SPEC_16[1:0] = 01 (Default) 7.25 6.25
MFR_SPEC_16[1:0] = 10 9.0 8.0
MFR_SPEC_16[1:0] = 11 10.3 9.3

V5 Pin Undervoltage Lockout (UVLO)

The TPS53647 device also monitors V5 pin voltage. If the voltage is lower than VV5UVLOL (4.05 V typical), the controller turns off. If V5 voltage comes back to be higher than VV5UVLOH (4.25 V typical), the controller turns back on (if both VIN and ENABLE are high).

Output Undervoltage Protection (UVP)

The output undervoltage protection in the TPS53647 device is called tracking UVP. When the output voltage drops below (VDAC–VDROOP–VRDYL), the controller drives the PWM into a tri-state condition so that both high-side and low-side MOSFETs turn off. After a hiccup delay (22-ms typical), the device attempts to restart to VBOOT voltage. If the UVP condition continues, the UVP occurs again and the process repeats.

Overvoltage Protection (OVP)

The OVP condition is detected when the output voltage VOUT > VDAC + tracking OVP offset (VOVPT5 for VR12.5 or VOVPT0 for VR12.0) , which is called tracking OVP. In this case the controller drives the VR_RDY pin to inactive (low state) and drives all PWM signals to logic low which turns on the low-side MOSFET to discharge the output. However the OVP threshold is blanked during a VDAC change. In order to continually protect the load, there is second OVP level (fixed OVP). The second OVP level is fixed at VOVPH5 (VR12.5) or VOVPH0 (VR12.0) is active during VDAC change. If the fixed OVP condition is detected, the device drives the VR_RDY pin to inactive (logic low) and drives the PWM signals to logic low in order to turn on the low-side MOSFET. The controller remains in this state until the ENABLE or V5 is re-cycled.

When ENABLE is low, and output voltage is higher than VOVPFP (2.75 V typical), the OVP condition is detected, which is called Pre-bias OVP. The device then drives the PWM signals to logic low. The device latches the pre-bias OVP. The latch can be cleared only by recycling V5.

Overcurrent Limit (OCL) and Overcurrent Protection (OCP)

The TPS53647 device includes a valley-current-based limit function by using a per-phase OCL comparator. A resistor connected between the OCL-R pin and the VREF pin generates the OCL comparison threshold.

Using the valley current limit, the OCL current level can be selected using Equation 5. To set the per-phase OCL threshold, subtract half of the ripple current from the maximum average current and select the OCL threshold specified in the table equal or slight lower than IOCL.

Equation 5. TPS53647 q_iocl_lusbz3.gif

where

  • K is the maximum operating margin percentage
  • n is the number of active phases
  • IRIPPLE is the ripple current

This instantaneous current sense voltage VCSPx is compared to the OCL threshold. If the current sense voltage at OCL comparator goes above the OCL threshold, the device delays the next ON pulse until the current sense voltage drops below the OCL threshold. In this case, the output voltage continues to drop until the UVP threshold is reached.

Another overcurrent protection (OCP) is based on the current sensed through IMON pin of the device. When the digitized IMON is higher than OC_FAULT_LIMIT (1.25× IMAX by default), the controller turns off both high-side and low-side MOSFETS and enters into hiccup mode until the overcurrent condition is removed.

Over Temperature Protection (OTP)

When the sensed temperature through TSEN pin is higher than the over temperature fault threshold OTPTHLD(125°C by default), the controller turns off high-side and low-side MOSFETS. The power stages cool down and TSEN voltage drops. When the sensed temperature is 15°C (OTPHYS) lower than the over temperature fault threshold, the controller restarts to the VBOOT voltage.

VR_HOT and VR_FAULT Indication

When the sensed temperature is higher than the maximim temperature specification TMAX, (110°C by default), the device pulls the VR_HOT pin low. This adjustment provides a warning signal to the load.

NOTE

Only the PMBus interface can establish the maximum temperature (TMAX) setting. NVM does not store this setting.

VR_FAULT is used as an indication of severe fault. VR_FAULT wil be pulled low when the below fault occurs:

  • Input Overcurrent Fault
  • Over Temperature Fault
  • Overvoltage Fault
  • Power Stage Fault (VTSEN> 2.5V)

Device Functional Modes

Table 3. Maximum Operating Phase Numbers

CSP1 CSP2 CSP3 CSP4 MAXIMUM ACTIVE
PHASES
IOUT1 V3R3 n/a n/a 1
IOUT1 IOUT2 V3R3 n/a 2
IOUT1 IOUT2 IOUT3 V3R3 3
IOUT1 IOUT2 IOUT3 IOUT4 4

Programming

User Selections

When SKIP-NVM pin is connected to GND with ≤ 20-kΩ resistor, the resistors connected to O-USR, F-IMAX, SLEW-MODE, OCL-R, VBOOT and ADDR-TRISE determine the associated configurations. If SKIP-NVM pin is connected to GND with ≥ 100-kΩ resistor, these configurations are determined by NVM settings. Please note the address setting is determined only by the resistors on the ADDR-TRISE pin and cannot be set by NVM. When the V3R3 pin powers up, the following information is latched for normal operations, and can be changed via the PMBus interface. The Electrical Characteristics table defines the values of the selections.

In general, the NVM provides more selection than pinstrap configurations. For example, pinstrap for switching frequency offers 3-bit, 8 selections, which correlates to MFR_SPEC_12<6:4>. Alternatively, NVM provides 4-bit, 16 selections.

Switching Frequency

The resistor from F-IMAX pin to GND sets the switching frequency from 300 kHz to 1 MHz. See the Electrical Characteristics table for the resistor settings corresponding to each frequency selection. Please note that the operating frequency is a quasi-fixed frequency in the sense that the ON time is fixed based on the input voltage (at the VIN pin) and output voltage (set by VID). The OFF time varies based on various factors such as load and power-stage components.

IMAX Information

The max current information of the load(IMAX) can be set by the voltage on the F-IMAX pin. See the Electrical Characteristics table for the details. The default OCP fault trigger level is 125% of IMAX.

Boot Voltage

The boot voltage is the controller voltage at start-up to before any output voltage change by the VOUT_COMMAND. If there is no further output voltage adjustment, the output voltage remains at the boot voltage level.

The resistor from the VBOOT pin to GND and the voltage level on this pin set 7 high bits of the boot voltage. The lowest bit is set by the ADDR-TRISE pin. See the Electrical Characteristics table for the resistor settings corresponding to boot voltage selections.

Per-Phase Overcurrent Limit (OCL) Level

The resistor from the OCL-R pin to GND and the voltage level on this pin set the per-phase OCL level. See the Electrical Characteristics table for the details.

Overshoot Reduction (OSR) and Undershoot Reduction (USR) Levels

The resistor from the O-USR pin to GND and the voltage on O-USR pin set the OSR and USR levels. See the Electrical Characteristics table for details.

Slew Rate Selection

The VOUT change slew rate is set by the resistor from the SLEW-MODE pin to GND. See the Electrical Characteristics table for details.

Mode Selections

The TPS53647 device supports different operating modes, including VR12.0/VR12.5, phase interleaving mode, dynamic phase shedding, and zero load-line. The voltage on SLEW-MODE pin sets the desired operating modes.

Soft Start Slew Rate and PMBus Addresses

The resistor from the ADDR-TRISE pin to GND and the voltage on ADDR-TRISE pin set the slew rate of soft start and the address of PMBus interface. See the Electrical Characteristics table for details.

Ramp Selection

The internal ramp can be set by the voltage on the OCL-R pin. See the Electrical Characteristics table for details.

Maximum Active Phase Numbers

The maximum active phase numbers can be selected by connecting CSP2, CSP3 or CSP4 to the V3R3. See Table 3 for details. The device latches this configuration when V3R3 powers up.

Pinstrap Mode Settings

summarizes the functions controlled with pin-strap resistors. For details of each setting please refer to the Electrical Characteristics table. For more information on VID encoding see the VID section.

Table 4. Pinstrap Mode Summary

FUNCTION PIN DESCRIPTION
NAME NO.
Slew Rate SLEW-MODE 29 Voltage divider to VREF pin.

A pin-strap resistor (RSLEW-MODE) connected between this pin and GND sets one of eight possible slew rates.

Mode SLEW-MODE 29 The voltage level (VSLEW-MODE) sets 4-bit operation modes.

-Bit 7 for DAC mode (1 for VR12.0; 0 for VR12.5).

-Bit 6 for the 4-phase interleaving mode (1 for 1/3 and 2/4 two phase interleaving; 0 for 4 phase interleaving individually).

-Bit 4 for enabling dynamic phase add or drop (1 for enable; 0 for disable).

-Bit 3 sets zero load-line (1 for zero load-line; 0 for non-zero load-line)

The device latches these settings when V3R3 powers up.

Overshoot reduction O-USR 30 Voltage divider to VREF pin.

A pin-strap resistor (RO-USR) connected between this pin and GND selects 1 of 7 OSR thresholds or OFF.

Undershoot reduction O-USR 30 The voltage level (VO-USR) sets 1 of 7 USR levels or OFF.

The device latches these settings when V3R3 powers up.

Voltage boot VBOOT 31 Voltage divider to VREF pin.

A pin-strap resistor (RVBOOT) connected between this pin and GND sets 3 bits (B[3:1]).

The voltage level (VBOOT) sets 4 bits (B[7:4]). The total 7 bit sets 7 of 8 bits of VID of VBOOT(B[7:1]).

The device latches these settings when V3R3 powers up.

ADDR-TRISE 28 Voltage divider to VREF pin.

A pin-strap resistor (RADDR-TRISE) connected between this pin and GND sets 3-bits.

-Bit 2 and Bit 1 set the rise slew rate (TRISE).

-Bit 0 Selects the LSB of BOOT voltage.

The voltage (VADDR-TRISE) sets 4 bits PMBus address.

The device latches these settings when V3R3 powers up.

Rise slew rate ADDR-TRISE 28 Voltage divider to VREF pin.

A pin-strap resistor (RADDR-TRISE) connected between this pin and GND sets 3-bits.

-Bit 2 and Bit 1 set the rise slew rate (TRISE).

-Bit 0 Selects the LSB of BOOT voltage.

-The voltage (VADDR-TRISE) sets 4 bits PMBus address.

The device latches these settings when V3R3 powers up

Frequency F-IMAX 32 Voltage divider to VREF pin.

A pin-strap resistor (RF-IMAX) connected between this pin and GND sets the operating frequency of the controller.

Current limit F-IMAX 32 The voltage level (VF-IMAX) sets the maximum operating current of the converter.

The IMAX value is an 8-bit A/D where VF-IMAX = VVREF × IMAX / 255.

Both are latched at V3R3 power-up.
Overcurrent limit OCL-R 1 Voltage divider to VREF pin.

A pin-strap resistor (ROCL-R) connected between this pin and GND and the voltage level (VOCL-R) selects one of 16 OCL levels (per phase current-limit).

Ramp OCL-R 1 VOCL-R sets one of four RAMP levels.

The device latches these settings when the V3R3 pin powers up.

NVM Default Settings

Table 5 lists the default settings in NVM where the shaded rows denote register functions that are configured by associated pins in pinstrap mode.

Table 5. NVM Default Settings

REGISTER FUNCTION DEFAULT VALUES
bit 7 bit 6 bit 5 bit 4 bit 3 bit 2 bit 1 bit 0
MFR_SPECIFIC_13 [2:0] Slew Rate 0 0 1
MFR_SPECIFIC_13 [7:3] Mode 1 0 0 0 1
MFR_SPECIFIC_09 [2:0] OSR 1 1 1
MFR_SPECIFIC_09 [6:4] USR 1 1 1
MFR_SPECIFIC_11 [7:0] VBOOT 1 0 0 1 0 1 1 1
MFR_SPECIFIC_12 [1:0] TRISE 0 0
MFR_SPECIFIC_12[7:4] Frequency 0 0 1 0
MFR_SPECIFIC_10 [7:0] IMAX 0 1 1 1 1 0 0 0
MFR_SPECIFIC_00 [3:0] OCL 1 0 0 0
MFR_SPECIFIC_14[2:0] RAMP 1 1 0
MFR_SPECIFIC_07 [0] Soft-start slew rate 0
MFR_SPECIFIC_07 [1] OSR_TRISTATE 0
MFR_SPECIFIC_07 [2] SLEW_FAST 0
MFR_SPECIFIC_16 [1:0] VIN UVLO 0 1
MFR_SPECIFIC_15 [3] DPS_TH_LOW 0
MFR_SPECIFIC_15 [2:0] DPS_TH_HIGH 0 0 1
MFR_SPECIFIC_22 [2:0] UV OFFSET 0 1 1
MFR_SPECIFIC_05 [7:0] VOUT OFFSET 0 0 0 0 0 0 0 0
MFR_ID 0 1 0 1 0 1 0 0
MFR_MODEL 0 1 0 0 0 1 1 1
MFR_REVISION [3:0] 0 0 0 0
MFR_DATE 0 0 0 0 0 0 0 0

4-Phase Application

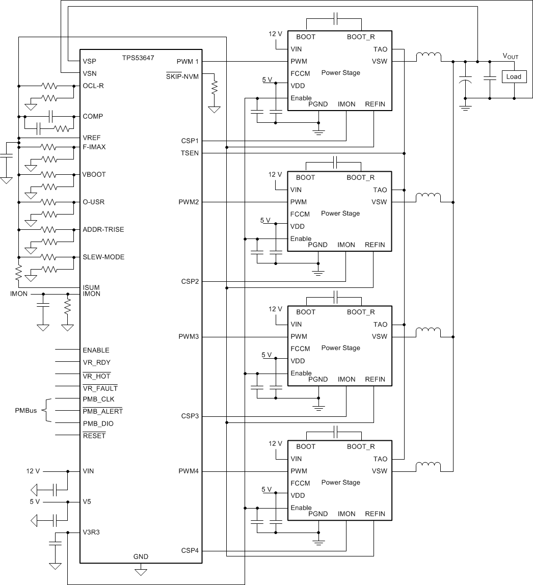
Figure 19 shows the diagram for a 4-Phase application with smart power stage (CSD95372BQ5MC) and pinstrap configurations. Figure 20 shows the diagram for a 4-Phase application with smart power stage (CSD95372BQ5MC) and NVM configurations.

TPS53647 typ_app_4ph_slusc39.gif Figure 19. 4-Phase Application with Smart Power Stage (CSD95372BQ5MC)
TPS53647 typ_app_4ph_nvm_slusc39.gif Figure 20. 4-Phase Application with Smart Power Stage (CSD95372BQ5MC) and NVM Configuration

Supported Protections and Fault Reports

The TPS53647 device supports different types of fault protections, and the warning or fault reports can be found in the corresponding PMBus registers. The TPS53647 also supports VR_FAULT to indicate catastrophic faults to the system. If the fault causes the controller to latch-off, then V5 or EN re-cycling is required to clear the latched faults. Only V5 recycling can clear PRE_OVF .

Table 6. Supported Protections and Fault Reports

FAULT NAME DESCRIPTIONS LATCH-OFF ALERT REPORT
VOLTAGE
PRE_OVF VOUT > VOVPFP Y VR_FAULT
PMB_ALERT
PMBus
OVF VOUT > VID + VOVPT5/0 or VOUT> VOVPF5 Y VR_FAULT
PMB_ALERT
PMBus
UVF VOUT < VID – VRDYL – VDROOP N PMB_ALERT PMBus
VIN_OVF VVIN > VIN_OV_FAULT_LIMIT when the controller is enabled N PMB_ALERT PMBus
VIN_UVF VVIN < VINUVLO when the controller is enabled N PMB_ALERT PMBus
CURRENT
OCF IOUT ≥ IOUT_OC_FAULT_LIMIT N PMB_ALERT PMBus
OCW IO ≥ IOUT_OC_WARN_LIMIT N PMB_ALERT PMBus
IOCF IIN ≥ IIN_OC_FAULT_LIMIT Y VR_FAULT
PMB_ALERT
PMBus
IOCW IIN ≥ IIN_OC_WARN_LIMIT N PMB_ALERT PMBus
TEMPERATURE
OTF Tsen ≥ OT_FAULT_LIMIT N VR_FAULT
PMB_ALERT
PMBus
OTW Tsen ≥ OT_WARNING_LIMIT N PMB_ALERT PMBus
TMAX_F Tsen≥ TMAX N VR_HOT
TS_VREFF TSEN pin short to VREF Y PMB_ALERT PMBus
TS_GND TSEN pin short to GND Y PMB_ALERT PMBus
TS_PS VTSEN > 2.5 V Y VR_FAULT
PMB_ALERT
PMBus

Supported PMBus Address and Commands Summary

Address Selection

The TPS53647 device has a dedicated pin (ADDR-TRISE) for determining the address for the PMBus communication. The device supports a total of 16 possible addresses. See the Electrical Characteristics table for details.

Commands Summary

The TPS53647 device supports only PMBus command sets listed in Table 7. In pinstrap mode, the default state of all the configuration registers (shaded rows in Table 5) should be detected from pinstrap settings, but users can overwrite the settings via PMBus after the power-up sequence is complete. In NVM mode, the default values can be found in the register descriptions.

Table 7. Supported PMBus Commands

CODE COMMAND NAME TYPE DESCRIPTION: PMBus Command FACTORY DEFAULT VALUE
01h OPERATION R/W Byte Turn the unit on and off in conjunction with the input from the ENABLE pin. Set the output voltage to the upper or lower MARGIN voltages. 00h
02h ON_OFF_CONFIG R/W Byte Configures the combination of CONTROL pin input and serial bus commands needed to turn the unit on and off. This includes how the unit responds when power is applied. 17h
03h CLEAR_FAULTS Send Byte Clears any faults bits that have been set if the fault is no longer present. At the same time, simultaneously clears all bits in all status registers and negates the PMB_ALERT signal output if it is asserted. NONE
10h WRITE_PROTECT R/W Byte Used to control writing to the PMBus device. Can be used to prevent unwanted writes to the device. 00h
11h STORE_DEFAULT_ALL Send Byte Store the settings to the NVM. NONE
12h RESTORE_DEFAULT_ALL Send Byte Restore the settings from the NVM. NONE
19h CAPABILITY Read Byte Provides a way for the host to determine the capabilities of the PMBus device. B0h
20h VOUT_MODE Read Byte Read-Only VOUT Mode Indicator. 21h
21h VOUT_COMMAND R/W Word Causes the device to set its output voltage to the commanded value. VBOOT
24h VOUT_MAX R/W Word Sets the upper limit on the output voltage the unit can command regardless of any other commands or combinations. Provides a safeguard against a user accidentally setting the output voltage to a possibly destructive level. 00FFh
25h VOUT_MARGIN_HIGH R/W Word Loads the unit with the voltage to which the output is to be changed when the OPERATION command is set to "Margin High." 0000h
26h VOUT_MARGIN_LOW R/W Word Loads the unit with the voltage to which the output is to be changed when the OPERATION command is set to "Margin Low." 0000h
39h IOUT_CAL_OFFSET R/W Word compensate for offset errors in READ_VOUT command. 0000h
41h VOUT_OV_FAULT_RESPONSE Read Byte Instructs the device on what action to take in response to an output overvoltage fault. 80h
45h VOUT_UV_FAULT_RESPONSE Read Byte Instructs the device on what action to take in response to an output undervoltage fault. BAh
46h IOUT_OC_FAULT_LIMIT R/W Word Sets the value of the output current, in amperes, that causes the overcurrent detector to indicate an overcurrent fault condition. 125% IMAX
47h IOUT_OC_FAULT_RESPONSE Read Byte Instructs the device on what action to take in response to an output overcurrent fault. FAh
4Ah IOUT_OC_WARN_LIMIT R/W Word Sets the value of the output current that causes an output overcurrent warning condition. IMAX
4Fh OT_FAULT_LIMIT R/W Word Sets the temperature, in degree Celsius, that causes an over-temperature fault condition. 007Dh
50h OT_FAULT_RESPONSE Read Byte Instructs the device on what action to take in response to an output over-temperature fault. F8h
51h OT_WARN_LIMIT R/W Word Sets the temperature, in degrees Celsius, that causes an over-temperature warning condition. 005Fh
55h VIN_OV_FAULT_LIMIT R/W Word Sets the input voltage, in volts, that causes an overvoltage fault condition. 000Fh
5Bh IIN_OC_FAULT_LIMIT R/W Word Sets the input current, in amperes, that causes an overcurrent fault condition. 00FFh
5Ch IIN_OC_FAULT_RESPONSE Read Byte Instructs the device on what action to take in response to an input overcurrent fault. C0h
5Dh IIN_OC_WARN_LIMIT R/W Word Sets the input current, in amperes, that causes an overcurrent warning condition. 0019h
78h STATUS_BYTE Read Byte Single byte status indicator Dependent on the Startup Condition
79h STATUS_WORD Read Word Full 2-byte status indicator Dependent on the Startup Condition
7Ah STATUS_VOUT Read Byte Output voltage fault status detail Dependent on the Startup Condition
7Bh STATUS_IOUT Read Byte Output current fault status detail Dependent on the Startup Condition
7Ch STATUS_INPUT Read Byte Input voltage and current fault status detail Dependent on the Startup Condition
7Dh STATUS_TEMPERATURE Read Byte Temperature fault status detail Dependent on the Startup Condition
7Eh STATUS_CML Read Byte Communication, memory, and logic fault status detail Dependent on the Startup Condition
80h STATUS_MFR_SPECIFIC Read Byte Manufacturer specific fault status detail Dependent on the Startup Condition
88h READ_VIN Read Word Read input voltage, in volts.
89h READ_IIN Read Word Read input current, in amperes.
8Bh READ_VOUT Read Word Read output voltage, in volts.
8Ch READ_IOUT Read Word Read output current, in amperes.
8Dh READ_TEMPERATURE_1 Read Word Read temperature, in degrees Celsius.
96h READ_POUT Read Word Read output power, in watts.
97h READ_PIN Read Word Read input power, in watts.
98h PMBUS_REVISION Read Byte PMBus Revision Information 11h
99h MFR_ID Read Block Loads the unit with the text character that contains the manufacturer's ID. 5401h
9Ah MFR_MODEL Read Block Loads the unit with the text character that contains the model number of the manufacturer. 4701h
9Bh MFR_REVISION Read Block Loads the unit with the text character that contains the revision number of the manufacturer.
9Dh MFR_DATE Read Block Loads the unit with the text character that contains the device's date of manufacture.
A4h MFR_VOUT_MIN R/W Word Sets a low limit on the output voltage that the device can command regardless of any other commands or combinations. (VID data format) 0000h
D0h MFR_SPECIFIC_00 R/W Byte Selects the threshold for the per-phase current limit. (Fixed at PMBus control) Pin strap: OCL-R pin
NVM: 08h
D1h MFR_SPECIFIC_01 R/W Byte Selects the averaging time for telemetry reporting. 50h
D4h MFR_SPECIFIC_04 Read Word Returns the actual, measured output voltage in volts.
D5h MFR_SPECIFIC_05 R/W Byte Used to trim the output voltage. NVM: 00h
D7h MFR_SPECIFIC_07 R/W Byte Additional functional bits setting. NVM: 02h
D8h MFR_SPECIFIC_08 R/W Byte Sets the droop as a percentage of the loadline. 04h
D9h MFR_SPECIFIC_09 R/W Byte Sets the threshold for OSR and USR control. Pin strap: O-USR pin
NVM: 77h
DAh MFR_SPECIFIC_10 R/W Byte Sets the maximum operating current, IMAX. Pin strap: F-IMAX pin
NVM: 78h
DBh MFR_SPECIFIC_11 R/W Byte Sets the boot voltage, VBOOT. Pin strap: VBOOT pin
NVM: 97h
DCh MFR_SPECIFIC_12 R/W Byte Sets the switching frequency and the rise time (tRISE) settings. Pin strap: F-IMAX and ADDR-TRISE pins
NVM: 20h
DDh MFR_SPECIFIC_13 R/W Byte Sets the slew rate and other operation modes. Pin strap: SLEW-MODE pin
NVM: 89h
DEh MFR_SPECIFIC_14 R/W Byte Sets the ramp amplitude in mV. Pin strap: OCL-R pin
NVM: 06h
DFh MFR_SPECIFIC_15 R/W Byte Sets the threshold for dynamic phase shedding as a percentage of the OCL. NVM: 01h
E0h MFR_SPECIFIC_16 R/W Byte Sets the threshold for the input voltage UVLO. NVM: 01h
E4h MFR_SPECIFIC_20 R/W Byte Sets the maximum number of operational phase numbers on the fly. Hardware Specific
FCh MFR_SPECIFIC_44 Read Word Returns DEVICE_CODE information 01F0h

Register Maps

PMBus Description

PMBus General

Timing and electrical characteristics of the PMBus can be found in the PMB Power Management Protocol Specification, Part 1, revision 1.1 available at http://PMBus.org. The TPS53647 device supports both the 100-kHz and 400-kHz bus timing requirements. The TPS53647 device does not stretch pulses on the PMBus when communicating with the master device.

Communication over the TPS53647 device PMBus interface can support the packet error checking (PEC) scheme if desired. If the master supplies CLK pulses for the PEC byte, PEC is used. If the CLK pulses are not present before a STOP, the PEC is not used.

The TPS53647 device supports a subset of the commands in the PMBus 1.1 specification. Most of the controller parameters can be programmed using the PMBus and stored as defaults for later use. All commands that require data input or output use the literal format. The exponent of the data words is fixed at a reasonable value for the command and altering the exponent is not supported. Direct format data input or output is not supported by the TPS53647 device. See the Supported PMBus Commands section for specific details.

The TPS53647 device also supports the SMBALERT response protocol. The SMBALERT response protocol is a mechanism by which a slave (the TPS53647 device) can alert the bus master that it wants to talk. The master processes this event and simultaneously accesses all slaves on the bus (that support the protocol) through the alert response address. Only the slave that caused the alert acknowledges this request. The host performs a modified receive byte operation to get the slave’s address. At this point, the master can use the PMBus status commands to query the slave that caused the alert. For more information on the SMBus alert response protocol, see the System Management Bus (SMBus) specification.

The TPS53647 device contains non-volatile memory that is used to store configuration settings and scale factors. The settings programmed into the device are not automatically saved into this non-volatile memory though. The STORE_DEFAULT_ALL command must be used to commit the current settings to non-volatile memory as device defaults. The settings that are capable of being stored in non-volatile memory are noted in their detailed descriptions.

PMBus Connections

The TPS53647 device can operate in either standard mode (100kbit/s) or fast mode (400kbit/s). Connection for the PMBus interface should follow the High Power DC specifications given in Section 3.1.3 of the System Management Bus (SMBus) Specification V2.0 for the 400-kHz bus speed or the Low Power DC specifications in Section 3.1.2. The complete SMBus specification is available from the SMBus website, smbus.org.

Supported Data Formats

The TPS53647 device supports both linear and VID data formats. The linear data format is used for all telemetry reporting data, and VID formatting for certain other commands. (see the Supported PMBus Commands section for more details on which command supports each data type). Examples of commands that support VID formatting include VOUT_MODE (Read-only Byte) and VOUT_COMMAND (Read/Write Word). An example of each can be seen below in Figure 21 and Figure 22.

TPS53647 pro_vout_mode_data_byte_slusaz3.gif Figure 21. VOUT_MODE Data Byte for VID Mode
TPS53647 pro_vout_command_data_byte_slusaz3.gif Figure 22. VOUT_COMMAND Data Bytes for VID Mode

The Linear Data Format is a two byte value with:

  • An 11-bit, two's complement mantissa, and
  • A 5-bit, two's complement exponent (scaling factor).

The format of the two bytes is shown in Figure 23.

TPS53647 pro_linear_data_byte_slusaz3.gif Figure 23. Linear Data Format Data Bytes

The relation between Y, N, and the real world value is as shown in Equation 6.

Equation 6. X = Y × 2N

where

  • X is the real world value
  • Y is an 11-bit, two's complement integer
  • N is a 5-bit, two's complement integer

Note that devices that use the Linear format must accept and be able to process any value of N.

PMBus Command Format

The TPS53647 device is a PMBus-compliant device. Figure 24 through Figure 35 show the major communication protocols used. For full details on the PMBus communication protocols, please visit http://pmbus.org.

TPS53647 pro_w_byte_slusaz3.gif Figure 24. Write Byte Protocol
TPS53647 pro_w_byte_pec_slusaz3.gif Figure 25. Write Byte Protocol with PEC
TPS53647 pro_r_word_slusaz3.gif Figure 26. Write Word Protocol
TPS53647 pro_w_word_pec_slusaz3.gif Figure 27. Write Word Protocol with PEC
TPS53647 pro_r_byte_slusaz3.gif Figure 28. Read Byte Protocol
TPS53647 pro_r_byte_pec_slusaz3.gif Figure 29. Read Byte Protocol with PEC
TPS53647 pro_r_word_slusaz3.gif Figure 30. Read Word Protocol
TPS53647 pro_r_word_pec_slusaz3.gif Figure 31. Read Word Protocol with PEC
TPS53647 pro_block_w_slusaz3.gif Figure 32. Block Write Protocol
TPS53647 pro_block_w_pec_slusaz3.gif Figure 33. Block Write Protocol with PEC
TPS53647 pro_block_r_slusaz3.gif Figure 34. Block Read Protocol
TPS53647 pro_block_r_pec_slusaz3.gif Figure 35. Block Read Protocol with PEC

PMBus Functionality

PMBus Address

The TPS53647 device has a dedicated pin (ADDR-TRISE) for determining the address for the PMBus communication. The device supports a total of 16 possible addresses as listed in the Electrical Characteristics table.

Pin Strap Settings

The TPS53647 device supports only PMBus command sets listed in the Electrical Characteristics table. In pinstrap mode, the default state of all the configuration registers should be detected from pin strap settings, but users can overwrite the settings via PMBus after the power-up sequence is complete. The pin strap settings can be found in the Electrical Characteristics table.

Supported PMBus Commands

The TPS53647 device supports the following commands from the PMBus 1.1 specification.

OPERATION (01h)

Format N/A
Description The OPERATION command is used to turn the device output on or off in conjunction with the input from the ENABLE pin. It is also used to set the output voltage to the upper or lower MARGIN levels.
Default 00h
Figure 36. OPERATION Register
7 6 5 4 3 2 1 0
ON_OFF SOFT_OFF OPMARGIN IIN_OC_VRHOT
R/W R-0 R/W R/W

Table 8. OPERATION Register Field Descriptions

Bit Field Type Reset NVM Description
7 ON_OFF R/W 0 The On/Off bit is used to enable the IC via PMBus. The necessary condition for this bit to be effective is that the CMD bit in the ON_OFF CONFIG register is set high. However, the CMD bit being high is not a sufficient condition to enable the IC via the On bit, as specified below:
0: (Default) The device output is not enabled via PMBus.
1: The device output is enabled if:
MMMa. The supply voltage VIN is greater than the VIN_UVLO threshold, the cmd bit is high, and
MMMb. The bit CP in the ON_OFF CONFIG register is low, or
MMMc. The bit CP is high and the ENABLE pin is asserted.
6 SOFT_OFF R 0 This bit is not supported and always set to 0 on this device.
0: No Soft off
1: Not Supported.
5-2 OPMARGIN R/W 0 If Margin Low is enabled, load the value from the VOUT_MARGIN_LOW register. If Margin High is enabled, load the value from the VOUT_MARGIN_HIGH register.
00xx: Turn off VOUT margin function
0101: Turn on VOUT margin low and ignore fault
0110: Turn on VOUT margin low and act on fault
1001: Turn on VOUT margin high and ignore fault
1010: Turn on VOUT margin high and act on fault
1-0 IIN_OC_VRHOT R/W 00 This bit sets the option of asserting VRHOT when IIN_OC_WARN_LIMIT is detected.
01: VRHOT assertion ON with IIN_OC_WARN_LIMIT detection
others: VRHOT assertion OFF with IIN_OC_WARN_LIMIT detection

ON_OFF_CONFIG (02h)

Format N/A
Description The ON_OFF_CONFIG command configures the combination of CONTROL pin input and serial bus commands needed to turn the unit on and off. This includes how the unit responds when power is applied.
Default 17h
Figure 37. ON_OFF_CONFIG Register
7 6 5 4 3 2 1 0
Reserved PU CMD CP PL SP
R-000 R-1 R/W R/W R-1 R-1

Table 9. ON_OFF_CONFIG Register Field Descriptions

Bit Field Type Reset NVM Description
7-5 Reserved R 000 Always set to 0.
4 PU R 1 This bit is not supported and always set to 1 on this device.
0: Not supported.

1: Device will act on ENABLE pin assertion and/or ON_OFF bit (OPERATION<7>).
3 CMD R/W 0 The CMD bit controls how the device responds to the OPERATION<7> bit.
0: (Default) Device ignores the ON_OFF OPERATION<7> bit.
1: Device responds to the ON_OFF OPERATION<7> bit.
2 CP R/W 1 The CP bit controls how the device responds to the ENABLE pin
0: Device ignores the ENABLE pin, and ON/OFF is controlled only by the OPERATION command
1: Device responds to the ENABLE pin.
1 PL R 1 This bit is not supported and always set to 1 on this device.
0: Not supported.
1: ENABLE pin has active high polarity.
0 SP R 1 This bit is not supported and always set to 1 on this device.
0: Not supported.
1: Turn off output as fast as possible.

CLEAR_FAULTS (03h)

Format N/A
Description Clears any faults bits that have been set. At the same time, simultaneously clears all bits in all status registers and negates the PMB_ALERT signal output if it is asserted.
The CLEAR_FAULTS command does not cause a unit that has latched off for a condition to restart. If the fault remains present when the bit is cleared, the fault bit is reset and the host notified by the usual means.
Default NONE
Figure 38. CLEAR_FAULTS Register
7 6 5 4 3 2 1 0
N/A N/A N/A N/A N/A N/A N/A N/A

Table 10. CLEAR_FAULTS Register Field Descriptions

Bit Field Type Reset NVM Description
7-0 N/A No data bytes are sent, only the command code is sent.

WRITE_PROTECT (10h)

Format N/A
Description The WRITE_PROTECT command is used to control writing to the PMBus device. The intent of this command is to provide protection against accidental changes. This command has one data byte as described below.
NOTE: Invalid data written to WRITE_PROTECT[7:5] causes the ’CML’ bit in the STATUS_BYTE and the ‘US_DATA’ bit in the STATUS_CML registers to be set. Invalid data also results in no write protection.
Default 00h
Figure 39. WRITE_PROTECT Register
7 6 5 4 3 2 1 0
bit7 bit6 bit5 Reserved
R/W R/W R/W R-0 0000

Table 11. WRITE_PROTECT Register Field Descriptions

Bit Field Type Reset NVM Description
7 bit7 R/W 0 0: (Default) See Table 12.
1: Disable all writes except for the WRITE_PROTECT command (bit5 and bit6 must be 0 to be valid).
6 bit6 R/W 0 0: (Default) See Table 12.
1: Disable all writes except for the WRITE_PROTECT and OPERATION commands (bit5 and bit7 must be 0 to be valid).
5 bit5 R/W 0 0: (Default) See Table 12.
1: Disable all writes except for the WRITE_PROTECT, OPERATION, and ON_OFF_CONFIG commands (bit6 and bit7 must be 0 to be valid).
4:0 Reserved R 0 0000 Always set to 0.

Table 12. WRITE_PROTECT Data Byte Values

Data Byte Value Action
1000 0000 Disables all writes except to the WRITE_PROTECT command.
0100 0000 Disables all writes except to the WRITE_PROTECT and OPERATION commands.
0010 0000 Disables all writes to the WRITE_PROTECT, OPERATION, ON_OFF_CONFIG and VOUT_COMMAND commands.
0000 0000 Enable writes to all commands
Others Invalid data.

STORE_DEFAULT_ALL (11h)

Format N/A
Description The STORE_DEFAULT_ALL command instructs the PMBus device to copy the entire contents of the Operating Memory to the matching locations in the non-volatile Default Store memory. Any items in the Operating Memory that do not have matching locations in the Default Store are ignored.

Following a STORE_DEFAULT_ALL command, the following registers return to the default values regardless of the values in the Operating Memory:

  • OC_FAULT_LIMIT returns to 125%×IMAX,
  • OC_WARN_LIMIT returns to IMAX,
  • VOUT_COMMAND returns to VBOOT,
  • VOUT_MAX returns to 00FFh (1.52V in VR12.0 mode and 3.04 V in VR12.5 mode)

Default NONE
Figure 40. STORE_DEFAULT_ALL Register
7 6 5 4 3 2 1 0
N/A N/A N/A N/A N/A N/A N/A N/A

Table 13. STORE_DEFAULT_ALL Register Field Descriptions

Bit Field Type Reset NVM Description
7:0 N/A No data bytes are sent, only the command code is sent.

RESTORE_DEFAULT_ALL (12h)

Format N/A
Description The RESTORE_DEFAULT_ALL command instructs the PMBus device to copy the entire contents of the non-volatile Default Store memory to the matching locations in the Operating Memory. The values in the Operating Memory are overwritten by the value retrieved from the Default Store. Any items in Default Store that do not have matching locations in the Operating Memory are ignored.
Default NONE
Figure 41. RESTORE_DEFAULT_ALL Register
7 6 5 4 3 2 1 0
N/A N/A N/A N/A N/A N/A N/A N/A

Table 14. RESTORE_DEFAULT_ALL Register Field Descriptions

Bit Field Type Reset Description
7:0 N/A No data bytes are sent, only the command code is sent.

CAPABILITY (19h)

Format N/A
Description This command provides a way for a host system to determine some key capabilities of this PMBus device.
Default B0h
Figure 42. CAPABILITY Register
7 6 5 4 3 2 1 0
PEC SPD PMBALERT Reserved
R-1 R-01 R-1 R-0000

Table 15. CAPABILITY Register Field Descriptions

Bit Field Type Reset NVM Description
7 PEC R 1 Packet Error Checking is supported.
1: Default
6:5 SPD R 01 Maximum supported bus speed is 400 kHz.
01: Default
4 PMBALERT R 1 This device does have a PMBALERT pin and does support the SMBus Alert Response Protocol.
1: Default
3:0 Reserved R 0000 Always set to 0.

VOUT_MODE (20h)

Format VID
Description The PMBus specification dictates that the data word for the VOUT_MODE command is one byte that consists of a 3-bit Mode and 5-bit parameter, as shown below.

This command is read-only. If the host sends a VOUT_MODE command for writing, the device will reject the command and declare a communication fault for invalid data and respond as described in PMBus specification II section 10.2.2.
Default 21h
Figure 43. VOUT_MODE Register
7 6 5 4 3 2 1 0
DATA_MODE DATA_PARAMETER
R-001 R

Table 16. VOUT_MODE Register Field Descriptions

Bit Field Type Reset NVM Description
7:5 DATA_MODE R 001 001: VID mode.
4:0 DATA_PARAMETER R 0 0001 00010: For VR12.5 Mode
00001: For VR12.0 Mode

VOUT_COMMAND (21h)

Format VID
Description VOUT_COMMAND causes the device to set its output voltage to the commanded value with two data bytes. These data bytes consist of a right-justified VID code with VID0 in bit 0 of the lower data byte, VID1 in bit 1 of the lower byte and so forth. The VID table mapping is determined by the selected VID protocols (VR12.0 or VR12.5) from SLEW_MODE pin or MFR_SPECIFIC_13.
Default VBOOT
Figure 44. VOUT_COMMAND Register
15 14 13 12 11 10 9 8
Reserved
R-0000 0000
7 6 5 4 3 2 1 0
VOUT
R/W

Table 17. VOUT_COMMAND Register Field Descriptions

Bit Field Type Reset NVM Description
15:8 Reserved R 0000 0000 Always set to 0.
7:0 VOUT R/W Used to set the commanded VOUT. Cannot be set to a level above the value set by VOUT_MAX.

VOUT_MAX (24h)

Format VID
Description The VOUT_MAX command sets an upper limit on the output voltage that the unit can command regardless of any other commands or combinations. The intent of this command is to provide a safeguard against a user accidentally setting the output voltage to a possibly destructive level.
The device detects that an attempt has been made to program the output to a voltage greater than the value set by the VOUT_MAX command. This will then be treated as a warning condition and not a fault condition. If an attempt is made to program the output voltage higher than the limit set by this command, the device responds as follows:
  • The commanded output voltage is set to VOUT_MAX,
  • The OTHER bit is set in the STATUS_BYTE,
  • The VOUT bit is set in the STATUS_WORD,
  • The VOUT_MAX warning bit is set in the STATUS_VOUT register, and
  • The device notifies the host (asserts PMBUS_ALERT).
The data bytes are two bytes, which are in right-justified VID format. The VID table mapping determined by the selected VID protocols (VR12.0 or VR12.5) from the SLEW_MODE pin or MFR_SPECIFIC_13.
Default 00FFh .
Figure 45. VOUT_MAX Register
15 14 13 12 11 10 9 8
Reserved
R-0000 0000
7 6 5 4 3 2 1 0
VOUT_MAX
R/W

Table 18. VOUT_MAX Register Field Descriptions

Bit Field Type Reset NVM Description
15:8 Reserved R 0000 0000 Always set to 0.
7:0 VOUT_MAX R/W 1111 1111 Used to set the maximum VOUT of the device.

VOUT_MARGIN_HIGH (25h)

Format VID
Description The VOUT_MARGIN_HIGH command loads the unit with the voltage to which the output is to be changed when the OPERATION command is set to Margin High.
The data bytes are two bytes, which are in right-justified VID format. The VID table mapping determined by the selected VID protocols from the SLEW_MODE pin or MFR_SPECIFIC_13.
Default 0000h
Figure 46. VOUT_MARGIN_HIGH Register
15 14 13 12 11 10 9 8
Reserved
R-0000 0000
7 6 5 4 3 2 1 0
VOUT_MARGIN_HIGH
R/W

Table 19. VOUT_MARGIN_HIGH Register Field Descriptions

Bit Field Type Reset NVM Description
15:8 Reserved R 0000 0000 Always set to 0.
7:0 VOUT_MARGIN_HIGH R/W 0000 0000 Used to set the value for the VOUT Margin High.

VOUT_MARGIN_LOW (26h)

Format VID
Description The VOUT_MARGIN_LOW command loads the unit with the voltage to which the output is to be changed when the OPERATION command is set to Margin Low.
The data bytes are two bytes, which are in right-justified VID format. The VID table mapping determined by the selected VID protocols from the SLEW_MODE pin or MFR_SPECIFIC_13.
Default 0000h
Figure 47. VOUT_MARGIN_LOW Register
15 14 13 12 11 10 9 8
Reserved
R-0000 0000
7 6 5 4 3 2 1 0
VOUT_MARGIN_LOW
R/W

Table 20. VOUT_MARGIN_LOW Register Field Descriptions

Bit Field Type Reset NVM Description
15:8 Reserved R 0000 0000 Always set to 0.
7:0 VOUT_MARGIN_LOW R/W 0000 0000 Used to set the value for the VOUT Margin Low.

IOUT_CAL_OFFSET (39h)

Format Linear
Description The IOUT_CAL_OFFSET command sets the value of compensation for offset errors in the READ_IOUT command, in amperes.
Default 0000h
Figure 48. IOUT_CAL_OFFSET Register
15 14 13 12 11 10 9 8
IOCAL_OFS_EXPONENT IOCAL_OFS_MANTISSA
R/W R/W
7 6 5 4 3 2 1 0
IOCAL_OFS_MANTISSA
R/W

Table 21. IOUT_CAL_OFFSET Register Field Descriptions

Bit Field Type Reset NVM Description
15:11 IOCAL_OFS_EXPONENT R/W 5-bit, two's complement exponent (scaling factor).
10:0 IOCAL_OFS_MANTISSA R/W 11-bit, two's complement mantissa.

VOUT_OV_FAULT_RESPONSE (41h)

Format N/A
Description The VOUT_OV_FAULT_RESPONSE command instructs the device on what action to take in response to an output overvoltage fault. Upon triggering the overvoltage fault, the controller is latched off, and the following actions are taken:
  • Set the VOUT_OV_FAULT bit in the STATUS_BYTE,
  • Set the VOUT bit in the STATUS_WORD,
  • Set the VOUT_OV_FAULT bit in the STATUS_VOUT register, and
  • The device notifies the host (asserts PMB_ALERT).
Default 80h
Figure 49. VOUT_OV_FAULT_RESPONSE Register
7 6 5 4 3 2 1 0
VOUT_OV_FAULT_RESPONSE
R-1000 0000

Table 22. VOUT_OV_FAULT_RESPONSE Register Field Descriptions

Bit Field Type Reset NVM Description
7:0 VOUT_OV_FAULT_RESPONSE R 1000 0000 Upon triggering the overvoltage fault, the controller will shut the device down immediately and will not attempt to restart. The output remains disabled until the fault is cleared.

VOUT_UV_FAULT_RESPONSE (45h)

Format N/A
Description The VOUT_UV_FAULT_RESPONSE instructs the device on what action to take in response to an output undervoltage fault. Upon triggering the undervotlage fault, the following actions are taken:
  • Set the OTHER bit in the STATUS_BYTE,
  • Set the VOUT bit in the STATUS_WORD,
  • Set the VOUT_UV_FAULT bit in the STATUS_VOUT register, and
  • The device notifies the host (asserts PMB_ALERT).
Default BAh
Figure 50. VOUT_UV_FAULT_RESPONSE Register
7 6 5 4 3 2 1 0
VOUT_UV_FAULT_RESPONSE
R-1011 1010

Table 23. VOUT_UV_FAULT_RESPONSE Register Field Descriptions

Bit Field Type Reset NVM Description
7:0 VOUT_UV_FAULT_RESPONSE R 1011 1010 Upon triggering the undervoltage fault, the controller will shut the device down immediately and will attempt to restart after a 22 ms delay.

IOUT_OC_FAULT_LIMIT (46h)

Format Linear
Description The IOUT_OC_FAULT_LIMIT command sets the value of the output current, in amperes, that causes an overcurrent fault condition. Upon triggering the overcurrent fault, the following actions are taken:
  • Set the IOUT_OC_FAULT bit in the STATUS_BYTE,
  • Set the IOUT bit in the STATUS_WORD,
  • Set the IOUT_OC_FAULT bit in the STATUS_IOUT register, and
  • The device notifies the host (asserts PMB_ALERT).
Default 125% IMAX
Figure 51. IOUT_OC_FAULT_LIMIT Register
15 14 13 12 11 10 9 8
OCF_LIMIT_EXPONENT OCF_LIMIT_MANTISSA
R/W R/W
7 6 5 4 3 2 1 0
OCF_LIMIT_MANTISSA
R/W

Table 24. IOUT_OC_FAULT_LIMIT Register Field Descriptions

Bit Field Type Reset NVM Description
15:11 OCF_LIMIT_EXPONENT R/W 5-bit, two's complement exponent (scaling factor).
10:0 OCF_LIMIT_MANTISSA R/W 11-bit, two's complement mantissa.

IOUT_OC_FAULT_RESPONSE (47h)

Format N/A
Description The IOUT_OC_FAULT_RESPONSE instructs the device on what action to take in response to an output overcurrent fault. Upon triggering the overcurrent fault, the controller is latched off, and the following actions are taken:
  • Set the IOUT_OC_FAULT bit in the STATUS_BYTE,
  • Set the IOUT bit in the STATUS_WORD,
  • Set the IOUT_OC_FAULT bit in the STATUS_IOUT register, and
  • The device notifies the host (asserts PMB_ALERT).
Default FAh
Figure 52. IOUT_OC_FAULT_RESPONSE Register
7 6 5 4 3 2 1 0
IOUT_OC_FAULT_RESPONSE
R-1111 1010

Table 25. IOUT_OC_FAULT_RESPONSE Register Field Descriptions

Bit Field Type Reset NVM Description
7:0 IOUT_OC_FAULT_RESPONSE R 1111 1010 Upon triggering the overcurrent fault, the controller immediately shuts down the device and attempts to restart after a 22 ms delay.

IOUT_OC_WARN_LIMIT (4Ah)

Format Linear
Description The IOUT_OC_WARN_LIMIT command sets the value of the output current, in amperes, that causes an output overcurrent warning condition. Upon triggering the overcurrent warning, the following actions are taken:
  • Set the OTHER bit in the STATUS_BYTE,
  • Set the IOUT bit in the STATUS_WORD,
  • Set the IOUT OC Warning bit in the STATUS_IOUT register, and
  • The device notifies the host (asserts PMB_ALERT).
Default IMAX
Figure 53. IOUT_OC_WARN_LIMIT Register
15 14 13 12 11 10 9 8
OCW_LIMIT_EXPONENT OCW_LIMIT_MANTISSA
R/W R/W
7 6 5 4 3 2 1 0
OCW_LIMIT_MANTISSA
R/W

Table 26. IOUT_OC_WARN_LIMIT Register Field Descriptions

Bit Field Type Reset NVM Description
15:11 OCW_LIMIT_EXPONENT R/W 5-bit, two's complement exponent (scaling factor).
10:0 OCW_LIMIT_MANTISSA R/W 11-bit, two's complement mantissa.

OT_FAULT_LIMIT (4Fh)

Format Linear
Description The OT_FAULT_LIMIT command sets the value of the temperature limit, in degrees Celsius, that causes an over-temperature fault condition. The default value is 125C°. Upon triggering the over-temperature fault, the following actions are taken:
  • Set the TEMPERATURE bit in the STATUS_BYTE,
  • Set the OT_FAULT bit in the STATUS_TEMPERATURE register, and
  • The device notifies the host (asserts PMB_ALERT and VR_FAULT).
Default 007Dh
Figure 54. OT_FAULT_LIMIT Register
15 14 13 12 11 10 9 8
OT_LIMIT_EXPONENT OT_LIMIT_MANTISSA
R/W R/W
7 6 5 4 3 2 1 0
OT_LIMIT_MANTISSA
R/W

Table 27. OT_FAULT_LIMIT Register Field Descriptions

Bit Field Type Reset NVM Description
15:11 OT_LIMIT_EXPONENT R/W 0000 0 5-bit, two's complement exponent (scaling factor).
10:0 OT_LIMIT_MANTISSA R/W 000 0111 1101 11-bit, two's complement mantissa.

OT_FAULT_RESPONSE (50h)

Format N/A
Description The OT_FAULT_RESPONSE instructs the device on what action to take in response to an over-temperature fault. Upon triggering the over-temperature fault, the controller shuts off and attempts to restart when the temperature reduces by 15C°, and the following actions are taken:
  • Set the TEMPERATURE bit in the STATUS_BYTE,
  • Set the OT_FAULT bit in the STATUS_TEMPERATURE register, and
  • The device notifies the host (asserts PMB_ALERT and VR_FAULT).
Default F8h
Figure 55. OT_FAULT_RESPONSE Register
7 6 5 4 3 2 1 0
OT_FAULT_RESPONSE
R-1111 1000

Table 28. OT_FAULT_RESPONSE Register Field Descriptions

Bit Field Type Reset NVM Description
7:0 OT_FAULT_RESPONSE R 1111 1000 Upon triggering the over-temperature fault, the device will shut down immediately (disables the output), and will restart when the temperature goes 15 degree Celsius below OT _FAULT_LIMIT.

OT_WARN_LIMIT (51h)

Format Linear
Description The OT_WARN_LIMIT command sets the temperature, in degrees Celsius, at which it should indicate an over-temperature warning condition. The default value is 95C. Upon triggering the over-temperature warning, the following actions are taken:
  • Sets the TEMPERATURE bit in the STATUS_BYTE,
  • Sets the OT Warning bit in the STATUS_TEMPERATURE register, and
  • The device notifies the host (asserts PMB_ALERT).
Default 005Fh
Figure 56. OT_WARN_LIMIT Register
15 14 13 12 11 10 9 8
OTW_WARN_EXPONENT OTW_WARN_MANTISSA
R/W R/W
7 6 5 4 3 2 1 0
OTW_WARN_MANTISSA
R/W

Table 29. OT_WARN_LIMIT Register Field Descriptions

Bit Field Type Reset NVM Description
15:11 OTW_WARN_EXPONENT R/W 0000 0 5-bit, two's complement exponent (scaling factor).
10:0 OTW_WARN_MANTISSA R/W 000 0101 1111 11-bit, two's complement mantissa.

VIN_OV_FAULT_LIMIT (55h)

Format Linear
Description The VIN_OV_FAULT_LIMIT command sets the value of the input voltage that causes an input overvoltage fault condition. The default value is 17 V in NVM mode and 14 V in pinstrap mode. Upon triggering an input voltage fault, the following actions are taken:
  • Sets the OTHER bit in the STATUS_BYTE,
  • Sets the INPUT bit in the upper byte of the STATUS_WORD,
  • Sets the VIN_OV_FAULT bit in the STATUS_INPUT register, and
  • The device notifies the host (asserts PMB_ALERT).
Default 000Fh
Figure 57. VIN_OV_FAULT_LIMIT Register
15 14 13 12 11 10 9 8
VIN_OVF_EXPONENT VIN_OVF_MANTISSA
R/W R/W
7 6 5 4 3 2 1 0
VIN_OVF_MANTISSA
R/W

Table 30. VIN_OV_FAULT_LIMIT Register Field Descriptions

Bit Field Type Reset NVM Description
15:11 VIN_OVF_EXPONENT R/W 0000 0 5-bit, two's complement exponent (scaling factor).
10:0 VIN_OVF_MANTISSA R/W 000 0001 0001 11-bit, two's complement mantissa.

After a STORE_DEFAULT_ALL command, the controller reads the last two LSB of VIN_OV_FAULT_LIMIT and convert to decimal, and then adds 14 and converts to save into the VIN_OV_FAULT_LIMIT register. For example, when the two LSB are 01b, after STORE_DEFAULT_ALL command, the VIN_OV_FAULT_LIMIT reads 000Fh (15 V).

IIN_OC_FAULT_LIMIT (5Bh)

Format Linear
Description The IIN_OC_FAULT_LIMIT command sets the value of the input current, in amperes, that the causes an input overcurrent fault condition. Upon triggering the overcurrent fault, the following actions are taken:
  • Sets the OTHER bit in the STATUS_BYTE,
  • Sets the INPUT bit in the STATUS_WORD,
  • Sets the IIN_OC_FAULT bit in the STATUS_INPUT register, and
  • The device notifies the host (asserts PMB_ALERT).
Default 00FFh
Figure 58. IIN_OC_FAULT_LIMIT Register
15 14 13 12 11 10 9 8
INOCF_LIMIT_EXPONENT INOCF_LIMIT_MANTISSA
R/W R/W
7 6 5 4 3 2 1 0
INOCF_LIMIT_MANTISSA
R/W

Table 31. IIN_OC_FAULT_LIMIT Register Field Descriptions

Bit Field Type Reset NVM Description
15:11 INOCF_LIMIT_EXPONENT R/W 0000 0 5-bit, two's complement exponent (scaling factor).
10:0 INOCF_LIMIT_MANTISSA R/W 000 1111 1111 11-bit, two's complement mantissa.

IIN_OC_FAULT_RESPONSE (5Ch)

Format N/A
Description The IIN_OC_FAULT_RESPONSE instructs the device on what action to take in response to an input overcurrent fault. Upon triggering the input overcurrent fault, the controller is latched off, and the following actions are taken:
  • Sets the OTHER bit in the STATUS_BYTE,
  • Sets the INPUT bit in the STATUS_WORD,
  • Sets the IIN_OC_FAULT bit in the STATUS_INPUT register, and
  • The device notifies the host (asserts PMB_ALERT and VR_FAULT).
Default C0h
Figure 59. IIN_OC_FAULT_RESPONSE Register
7 6 5 4 3 2 1 0
IIN_OC_FAULT_RESPONSE
R-1100 0000

Table 32. IIN_OC_FAULT_RESPONSE Register Field Descriptions

Bit Field Type Reset NVM Description
7:0 IIN_OC_FAULT_RESPONSE R 1100 0000 Upon triggering the input overcurrent fault, the device will shut down immediately (disables the output), and will not attempt to restart. The output then remains disabled until the fault is cleared.

IIN_OC_WARN_LIMIT (5Dh)

Format Linear
Description The IIN_OC_WARN_LIMIT command sets the value of the input current, in amperes, that causes the input overcurrent warning condition. The default setting is 25A. Upon triggering the overcurrent warning, the following actions are taken:
  • Sets the OTHER bit in the STATUS_BYTE,
  • Sets the INPUT bit in the STATUS_WORD,
  • Sets the IIN OC Warning bit in the STATUS_INPUT register, and
  • The device notifies the host (asserts PMB_ALERT).
Default 0019h
Figure 60. IIN_OC_WARN_LIMIT Register
15 14 13 12 11 10 9 8
INOCW_LIMIT_EXPONENT INOCW_LIMIT_MANTISSA
R/W R/W
7 6 5 4 3 2 1 0
INOCW_LIMIT_MANTISSA
R/W

Table 33. IIN_OC_WARN_LIMIT Register Field Descriptions

Bit Field Type Reset NVM Description
15:11 INOCW_LIMIT_EXPONENT R/W 0000 0 5-bit, two's complement exponent (scaling factor).
10:0 INOCW_LIMIT_MANTISSA R/W 000 0001 1001 11-bit, two's complement mantissa.

STATUS_BYTE (78h)

Format N/A
Description The STATUS_BYTE command returns a single byte of information with the a summary of critical faults. The STATUS_BYTE command is the same register as the low byte of the STATUS_WORD command. It should be noted that all faults and warnings trigger the assertion of PMB_ALERT.
Default 00h
Figure 61. STATUS_BYTE Register
7 6 5 4 3 2 1 0
BUSY OFF VOUT_OV IOUT_OC VIN_UV TEMP CML OTHER
R-0 R R R R R R R

Table 34. STATUS_BYTE Register Field Descriptions

Bit Field Type Reset NVM Description
7 BUSY R 0 Not supported and always set to 0
6 OFF R This bit is asserted if the unit is not providing power to the output, regardless of the reason, including simply not being enabled.
0: Raw status indicating the IC is providing power to VOUT.
1: Raw status indicating the IC is not providing power to VOUT.
5 VOUT_OV R Output Over-Voltage Fault Condition
0: Latched flag indicating no VOUT OV fault has occurred.
1: Latched flag indicating a VOUT OV fault occurred
4 IOUT_OC R Output Over-Current Fault Condition
0: Latched flag indicating no IOUT OC fault has occurred.
1: Latched flag indicating an IOUT OC fault has occurred.
3 VIN_UV R Input Under-Voltage Fault Condition
0: Latched flag indicating VIN is above the UVLO threshold.
1: Latched flag indicating VIN is below the UVLO threshold.
2 TEMP R Over-Temperature Fault/Warning
0: Latched flag indicating no OT fault or warning has occurred.
1: Latched flag indicating an OT fault or warning has occurred.
1 CML R Communications, Memory or Logic Fault
0: Latched flag indicating no communication, memory, or logic fault has occurred.
1: Latched flag indicating a communication, memory, or logic fault has occurred.
0 OTHER R Other Fault
This bit is used to flag faults not covered with the other bit faults. In this case, UVF or OCW faults are examples of other faults not covered by the bits [6:1] in this register.
0: No fault has occurred
1: A fault or warning not listed in bits [6:1] has occurred.

STATUS_WORD (79h)

Format N/A
Description The STATUS_WORD command returns two bytes of information with a summary of critical faults, such as over-voltage, overcurrent, over-temperature, etc. It should be noted that all faults and warnings except VIN_UV trigger the assertion of PMB_ALERT.
NOTE: The STATUS_WORD low byte is the STATUS_BYTE.
Default 0000h
Figure 62. STATUS_WORD Register
15 14 13 12 11 10 9 8
VOUT IOUT INPUT MFR PGOOD FANS OTHER UNKNOWN
R R R R R R-0 R-0 R-0
7 6 5 4 3 2 1 0
BUSY OFF VOUT_OV IOUT_OC VIN_UV TEMP CML OTHER
R-0 R R R R R R R

Table 35. STATUS_WORD Register Field Descriptions

Bit Field Type Reset NVM Description
15 VOUT R Output Voltage Fault/Warning
0: Latched flag indicating no VOUT fault or warning has occurred.
1: Latched flag indicating a VOUT fault or warning has occurred.
14 IOUT R Output Current Fault/Warning
0: Latched flag indicating no IOUT fault or warning has occurred.
1: Latched flag indicating an IOUT fault or warning has occurred.
13 INPUT R Input Voltage/Current Fault/Warning
0: Latched flag indicating no VIN or IIN fault or warning has occurred.
1: Latched flag indicating a VIN or IIN fault or warning has occurred.
12 MFR R MFR_SPECIFIC Fault
0: Latched flag indicating no MFR_SPECIFIC fault has occurred.
1: Latched flag indicating a MFR_SPECIFIC fault has occurred.
11 PGOOD R Power Good Status
0: Raw status indicating VRRDY pin is at logic high.
1: Raw status indicating VRRDY pin is at logic low.
10 FANS R 0 Not supported and always set to 0.
9 OTHER R 0 Not supported and always set to 0.
8 UNKNOWN R 0 Not supported and always set to 0.
7 BUSY R 0 See information in Table 34
6 OFF R
5 VOUT_OV R
4 IOUT_OC R
3 VIN_UV R
2 TEMP R
1 CML R
0 OTHER R

STATUS_VOUT (7Ah)

Format N/A
Description The STATUS_VOUT command returns one byte of information relating to the status of the converter's output voltage related faults.
Default 00h
Figure 63. STATUS_VOUT Register
7 6 5 4 3 2 1 0
VOUT_OVF VOUT_OVW VOUT_UVW VOUT_UVF VOUT_MAXW TON_MAX TOFF_MAX VOUT_TRACK
R R-0 R-0 R R R-0 R-0 R-0

Table 36. STATUS_VOUT Register Field Descriptions

Bit Field Type Reset NVM Description
7 VOUT_OVF R Output Over-Voltage Fault
0: Latched flag indicating no VOUT OV fault has occurred.
1: Latched flag indicating a VOUT OV fault has occurred.
6 VOUT_OVW R 0 Not supported and always set to 0.
5 VOUT_UVW R 0 Not supported and always set to 0.
4 VOUT_UVF R Output Under-Voltage Fault
0: Latched flag indicating no VOUT UV fault has occurred.
1: Latched flag indicating a VOUT UV fault has occurred.
3 VOUT_MAXW R VOUT Max Warning
0: Latched flag indicating that no VOUT Max warning has occurred
1: Latched flag indicating that an attempt has been made to set the output voltage to a value higher than allowed by the VOUT_MAX command.
2 TON_MAX R 0 Not supported and always set to 0.
1 TOFF_MAX R 0 Not supported and always set to 0.
0 VOUT_TRACK R 0 Not supported and always set to 0.

STATUS_IOUT (7Bh)

Format N/A
Description The STATUS_IOUT command returns one byte of information relating to the status of the converter's output current related faults.
Default 00h
Figure 64. STATUS_IOUT Register
7 6 5 4 3 2 1 0
IOUT_OCF IOUT_OCUVF IOUT_OCW IOUT_UCF CUR_SHAREF POW_LIMIT POUT_OPF POUT_OPW
R R-0 R R-0 R-0 R-0 R-0 R-0

Table 37. STATUS_IOUT Register Field Descriptions

Bit Field Type Reset NVM Description
7 IOUT_OCF R Output Over-Current Fault
0: Latched flag indicating no IOUT OC fault has occurred.
1: Latched flag indicating a IOUT OC fault has occurred .
6 IOUT_OCUVF R 0 Not supported and always set to 0.
5 IOUT_OCW R Output Over-Current Warning
0: Latched flag indicating no IOUT OC warning has occurred
1: Latched flag indicating a IOUT OC warning has occurred
4 IOUT_UCF R 0 Not supported and always set to 0.
3 CUR_SHAREF R 0 Not supported and always set to 0.
2 POW_LIMIT R 0 Not supported and always set to 0.
1 POUT_OPF R 0 Not supported and always set to 0.
0 POUT_OPW R 0 Not supported and always set to 0.

STATUS_INPUT (7Ch)

Format N/A
Description The STATUS_INPUT command returns one byte of information relating to the status of the converter's input voltage and current related faults.
Default 00h
Figure 65. STATUS_INPUT Register
7 6 5 4 3 2 1 0
VIN_OVF VIN_OVW VIN_UVW VIN_UVF VIN_OFF IIN_OCF IIN_OCW PIN_OPW
R R-0 R-0 R R-0 R R R-0

Table 38. STATUS_INPUT Register Field Descriptions

Bit Field Type Reset NVM Description
7 VIN_OVF R Input Over-Voltage Fault
0: Latched flag indicating no VIN OV fault has occurred.
1: Latched flag indicating a VIN OV fault has occurred.
6 VIN_OVW R 0 Not supported and always set to 0.
5 VIN_UVW R 0 Not supported and always set to 0.
4 VIN_UVF R Input Under-Voltage Fault
0: Latched flag indicating no VIN UV fault has occurred.
1: Latched flag indicating a VIN UV fault has occurred.
3 VIN_OFF R 0 Not supported and always set to 0.
2 IIN_OCF R Input Over-Current Fault
0: Latched flag indicating no IIN OC fault has occurred.
1: Latched flag indicating a IIN OC fault has occurred.
1 IIN_OCW R Input Over-Current Warning
0: Latched flag indicating no IIN OC warning has occurred.
1: Latched flag indicating a IIN OC warning has occurred.
0 PIN_OPW R 0 Not supported and always set to 0.

STATUS_TEMPERATURE (7Dh)

Format N/A
Description The STATUS_ TEMPERATURE command returns one byte of information relating to the status of the converter's temperature related faults.
Default 00h
Figure 66. STATUS_TEMPERATURE Register
7 6 5 4 3 2 1 0
OTF OTW UTW UTF Reserved
R R R-0 R-0 R-0000

Table 39. STATUS_TEMPERATURE Register Field Descriptions

Bit Field Type Reset NVM Description
7 OTF R Over-Temperature Fault
0: Latched flag indicating no temperature fault has occurred.
1: Latched flag indicating a temperature fault has occurred.
6 OTW R Over-Temperature Warning
0: Latched flag indicating no temperature warning has occurred.
1: Latched flag indicating a temperature warning has occurred.
5 UTW R 0 Not supported and always set to 0.
4 UTF R 0 Not supported and always set to 0.
3-0 Reserved R 0000 Always set to 0.

STATUS_CML (7Eh)

Format N/A
Description The STATUS_ CML command returns one byte with contents regarding communication, logic, or memory conditions.
Default 00h
Figure 67. STATUS_CML Register
7 6 5 4 3 2 1 0
US_CMD US_DATA PEC_FAIL MEM_FAULT PRO_FAULT Reserved COM_FAIL CML_OTHER
R R R R R-0 R-0 R R-0

Table 40. STATUS_CML Register Field Descriptions

Bit Field Type Reset NVM Description
7 US_CMD R Invalid or Unsupported Command Received
0: Latched flag indicating no invalid or unsupported command has received.
1: Latched flag indicating an invalid or unsupported command has received.
6 US_DATA R Invalid or Unsupported Data Received
0: Latched flag indicating no invalid or unsupported data has received.
1: Latched flag indicating an invalid or unsupported data has received.
5 PEC_FAIL R Packet Error Check Failed
0: Latched flag indicating no packet error check has failed
1: Latched flag indicating a packet error check has failed
4 MEM_FAULT R Memory Error
0: Latched flag indicating that there is no memory error.
1: Latched flag indicating that a memory error, i.e. PMBus controller is trying to write into registers when NVM memory is being programmed.
3 PRO_FAULT R 0 Not supported and always set to 0.
2 Reserved R 0 Always set to 0.
1 COM_FAIL R Other Communication Faults
0: Latched flag indicating no communication fault other than the ones listed in this table has occurred.
1: Latched flag indicating a communication fault other than the ones listed in this table has occurred.
0 CML_OTHER R 0 Not supported and always set to 0.

STATUS_MFR_SPECIFIC (80h)

Format N/A
Description The STATUS_ MFR_SPECIFIC command returns one byte containing manufacturer-specific faults or warnings.
Default 00h
Figure 68. STATUS_MFR_SPECIFIC Register
7 6 5 4 3 2 1 0
MFR_FAULT_PS MFR_PBF CUR_SH_WARN RST_VOUT VOUT_MIN PHFLT
R R R R R R

Table 41. STATUS_MFR_SPECIFIC Register Field Descriptions

Bit Field Type Reset NVM Description
7 MFR_FAULT_PS R Power State Fault
0: Latched flag indicating no fault from TI power stage has occurred.
1: Latched flag indicating a fault from TI power stage has occurred.
6 MFR_PBF R Pre-Bias Fault
0: Latched flag indicating no pre-bias fault (VOUT > 2.75V at startup) has occurred.
1: Latched flag indicating a pre-bias fault (VOUT > 2.75V at startup) has occurred.
5:3 CUR_SH_WARN R 000 not supported and alwats set to 0
2 RST_VOUT R RST_VOUT Fault
0: Latched flag indicating no RST_VOUT fault has occurred.
1: Latched flag indicating a RST_VOUT fault has occurred.
1 VOUT_MIN R VOUT_MIN Fault
0: Latched flag indicating no VOUT_MIN fault has occurred.
1: Latched flag indicating a VOUT_MIN fault has occurred.
0 PHFLT R Phase Fault
0: Latched flag indicating no phase fault (no phase pulse detected) has occurred.
1: Latched flag indicating a phase fault (no phase pulse detected) has occurred.

READ_VIN (88h)

Format Linear
Description The READ_VIN command returns the input voltage in volts. Refer to Equation 6 to get the real world value.
Default
Figure 69. READ_VIN Register
15 14 13 12 11 10 9 8
READ_VIN_EXPONENT READ_VIN_MANTISSA
R R
7 6 5 4 3 2 1 0
READ_VIN_MANTISSA
R

Table 42. READ_VIN Register Field Descriptions

Bit Field Type Reset NVM Description
15:11 READ_VIN_EXPONENT R 5-bit, two's complement exponent (scaling factor).
10:0 READ_VIN_MANTISSA R 11-bit, two's complement mantissa.

READ_IIN (89h)

Format Linear
Description The READ_IIN command returns the input current in amperes. Refer to Equation 6 to get the real world value.
Default
Figure 70. READ_IIN Register
15 14 13 12 11 10 9 8
READ_IIN_EXPONENT READ_IIN_MANTISSA
R R
7 6 5 4 3 2 1 0
READ_IIN_MANTISSA
R

Table 43. READ_IIN Register Field Descriptions

Bit Field Type Reset NVM Description
15:11 READ_IIN_EXPONENT R 5-bit, two's complement exponent (scaling factor).
10:0 READ_IIN_MANTISSA R 11-bit, two's complement mantissa.

READ_VOUT (8Bh)

Format VID
Description The READ_VOUT command returns the actual, measured output voltage.
Default

Another command, MFR_READ_VOUT (D4h), returns the measured output voltage in linear format.

Figure 71. READ_VOUT Register
15 14 13 12 11 10 9 8
READ_VOUT_VID
R
7 6 5 4 3 2 1 0
READ_VOUT_VID
R

Table 44. READ_VOUT Register Field Descriptions

Bit Field Type Reset NVM Description
15:0 READ_VOUT_VID R 16-bit, VID format

READ_IOUT (8Ch)

Format Linear
Description The READ_IOUT command returns the output current in amperes. Refer to Equation 6 to get the real world value.
Default
Figure 72. READ_IOUT Register
15 14 13 12 11 10 9 8
READ_IOUT_EXPONENT READ_IOUT_MANTISSA
R R
7 6 5 4 3 2 1 0
READ_IOUT_MANTISSA
R

Table 45. READ_IOUT Register Field Descriptions

Bit Field Type Reset NVM Description
15:11 READ_IOUT_EXPONENT R 5-bit, two's complement exponent (scaling factor).
10:0 READ_IOUT_MANTISSA R 11-bit, two's complement mantissa.

READ_TEMPERATURE_1 (8Dh)

Format Linear
Description The READ_TEMPERATURE_1 command returns the temperature in degrees Celsius. Refer to Equation 6 to get the real world value.
Default
Figure 73. READ_TEMPERATURE_1 Register
15 14 13 12 11 10 9 8
READ_TEMP_1_EXPONENT READ_TEMP_1_MANTISSA
R R
7 6 5 4 3 2 1 0
READ_TEMP_1_MANTISSA
R

Table 46. READ_TEMPERATURE_1 Register Field Descriptions

Bit Field Type Reset NVM Description
15:11 READ_TEMP_1_EXPONENT R 5-bit, two's complement exponent (scaling factor).
10:0 READ_TEMP_1_MANTISSA R 11-bit, two's complement mantissa.

READ_POUT (96h)

Format Linear
Description The READ_POUT command returns the output power in watts. Refer to Equation 6 to get the real world value.
Default
Figure 74. READ_POUT Register
15 14 13 12 11 10 9 8
READ_POUT_EXPONENT READ_POUT_MANTISSA
R R
7 6 5 4 3 2 1 0
READ_POUT_MANTISSA
R

Table 47. READ_POUT Register Field Descriptions

Bit Field Type Reset NVM Description
15:11 READ_POUT_EXPONENT R 5-bit, two's complement exponent (scaling factor).
10:0 READ_POUT_MANTISSA R 11-bit, two's complement mantissa.

READ_PIN (97h)

Format Linear
Description The READ_PIN command returns the input power in watts. Refer to READ_PIN (97h) to get the real world value.
Default
Figure 75. READ_PIN Register
15 14 13 12 11 10 9 8
READ_PIN_EXPONENT READ_PIN_MANTISSA
R R
7 6 5 4 3 2 1 0
READ_PIN_MANTISSA
R

Table 48. READ_PIN Register Register Field Descriptions

Bit Field Type Reset NVM Description
15:11 READ_PIN_EXPONENT R 5-bit, two's complement exponent (scaling factor).
10:0 READ_PIN_MANTISSA R 11-bit, two's complement mantissa.

PMBus_REVISION (98h)

Format N/A
Description The PMBus_REVISION command returns the revision of the PMBus to which the device is compliant.
Default 11h
Figure 76. PMBus_REVISION Register
7 6 5 4 3 2 1 0
PMBUS_REV
R-0001 0001

Table 49. PMBus_REVISION Register Field Descriptions

Bit Field Type Reset NVM Description
7:0 PMBUS_REV R 0001 0001 Compliant to revision 1.1 of the PMBus specification.

MFR_ID (99h)

Format N/A
Description The MFR_ID command loads the unit with the text character that contains the manufacturer's ID.
Default 5401h
Figure 77. MFR_ID Register
15 14 13 12 11 10 9 8
MFR_ID_BW
R/W
7 6 5 4 3 2 1 0
MFR_ID_HC
R-0000 0001

Table 50. MFR_ID Register Field Descriptions

Bit Field Type Reset NVM Description
15:8 MFR_ID_BW R/W Yes PMBus Block Write
7:0 MFR_ID_HC R 0000 0001 Hard Coded to 01h

MFR_MODEL (9Ah)

Format N/A
Description The MFR_MODEL command loads the unit with the text character that contains the model number of the manufacturer.
Default NVM: 4701h
Figure 78. MFR_MODEL Register
15 14 13 12 11 10 9 8
MFR_MODEL_BW
R/W
7 6 5 4 3 2 1 0
MFR_MODEL_HC
R-0000 0001

Table 51. MFR_MODEL Register Field Descriptions

Bit Field Type Reset NVM Description
15:8 MFR_MODEL_BW R/W Yes PMBus Block Write
7:0 MFR_MODEL_HC R 0000 0001 Hard Coded to 01h

MFR_REVISION (9Bh)

Format N/A
Description The MFR_REVISION command loads the unit with the text character that contains the revision number of the manufacturer. This is typically done once at the time of manufacture.
Default
Figure 79. MFR_REVISION Register
15 14 13 12 11 10 9 8
MFR_REVISION_HC1 MFR_REVISION_BW
R-0000 R/W
7 6 5 4 3 2 1 0
MFR_REVISION_HC2
R-0000 0001

Table 52. MFR_REVISION Register Field Descriptions

Bit Field Type Reset NVM Description
15:12 MFR_REVISION _HC1 R 0001 Hard Coded to 0h
11:8 MFR_REVISION R/W Yes PMBus Block Write
7:0 MFR_REVISION_HC2 R 0000 0001 Hard Coded to 01h

MFR_DATE (9Dh)

Format N/A
Description The MFR_DATE command loads the unit with the text character that identifies the device's date of manufacture. This is typically done once at the time of manufacture.
Default
Figure 80. MFR_DATE Register
15 14 13 12 11 10 9 8
MFR_DATE_BW
R/W
7 6 5 4 3 2 1 0
MFR_DATE_HC
R-0000 0001

Table 53. MFR_DATE Register Field Descriptions

Bit Field Type Reset NVM Description
15:8 MFR_DATE_BW R/W Yes PMBus Block Write
7:0 MFR_DATE_HC R 0000 0001 Hard Coded to 01h.

MFR_VOUT_MIN (A4h)

Format VID
Description The MFR_VOUT_MIN command sets an lower limit on the output voltage that the unit can command regardless of any other commands or combinations. The intent of this command is to provide a safeguard against a user accidentally setting the output voltage to a possibly non-operational level.
The device detects that an attempt has been made to program the output to a voltage lower than the value set by the MFR_VOUT_MIN command. The device treats this detection as a warning condition and not a fault condition. If an attempt is made to program the output voltage lower than the limit set by this command, the device responds as follows:
  • The commanded output voltage is set to MFR_VOUT_MIN,
  • The OTHER bit is set in the STATUS_BYTE,
  • The VOUT bit is set in the STATUS_WORD,
  • The MFR_VOUT_MIN warning bit is set in the STATUS_VOUT register, and
  • The device notifies the host (asserts PMBUS_ALERT).
The data bytes are two bytes, which are in right-justified VID format. The VID table mapping determined by the selected VID protocols (VR12.0 or VR12.5) from the SLEW_MODE pin or MFR_SPECIFIC_13.
Default 0000h
Figure 81. MFR_VOUT_MIN Register
15 14 13 12 11 10 9 8
RESERVED
R-0000 0000
7 6 5 4 3 2 1 0
MFR_VOUT_MIN
R/W

Table 54. MFR_VOUT_MIN Register Field Descriptions

Bit Field Type Reset NVM Description
15:8 RESERVED R 0000 0000 Hard coded to 00h
7:0 MFR_VOUT_MIN R/W 0000 0000 Minimum value for VID

MFR_SPECIFIC_00 (Per-Phase Overcurrent Limit) (D0h)

Format N/A
Description The MFR_SPECIFIC_00 command sets the valley-current threshold for the per-phase overcurrent limit. The settings can override the default setting form the OCL-R pin.
Default Pin strap: OCL-R pin
NVM: 08h
Figure 82. MFR_SPECIFIC_00 (Per-Phase Overcurrent Limit) Register
7 6 5 4 3 2 1 0
Reserved OCL
R-0000 R/W

Table 55. MFR_SPECIFIC_00 (Per-Phase Overcurrent Limit) Register Field Descriptions

Bit Field Type Reset NVM Description
7:4 Reserved R R-0000 Always set to 0.
3:0 OCL R/W Yes 0000: 24A
0001: 27A
0010: 30A
0011: 33A
0100: 36A
0101: 39A
0110: 42A
0111: 45A
1000: 48A
1001: 51A
1010: 54A
1011: 57A
1100: 60A
1101: 63A
1110: 66A
1111:69A

MFR_SPECIFIC_01 (Telemetry Averaging Time) (D1h)

Format
Description The MFR_SPECIFIC_01 command sets the averaging time for telemetry reporting.
Default 50h
Figure 83. MFR_SPECIFIC_01 (Telemetry Averaging Time) Register
7 6 5 4 3 2 1 0
Reserved FILTER_PIN Reserved FILTER_IV
R-0 R/W R-00 R/W

Table 56. MFR_SPECIFIC_01 (Telemetry Averaging Time) Register Field Descriptions

Bit Field Type Reset NVM Description
7 Reserved R 0 Always set to 0.
6:4 FILTER_PIN R/W 101 Averaging Time for Input Power Reporting
000: Bypass.
001: 2 ms
010: 5.5 m
011: 11.5 m
100: 19 ms
101: 50 ms
110: 100 ms
111: 225 ms
3:2 Reserved R 00 Always set to 0.
1:0 FILTER_IV R/W 00 Averaging Time for Current and Voltage Reporting
00: Bypass.
01: .5 ms
10: 1 ms
11: 2.5 ms

MFR_SPECIFIC_04 (Read VOUT) (D4h)

Format Linear
Description The MFR_SPECIFIC_04 command returns the actual, measured output voltage in volts. Refer to Equation 6 to get the real world value, where n= -9.
Default
Figure 84. MFR_SPECIFIC_04 (Read VOUT) Register
15 14 13 12 11 10 9 8
MFR_SPEC_04_MANTISSA
R
7 6 5 4 3 2 1 0
MFR_SPEC_04_MANTISSA
R

Table 57. MFR_SPECIFIC_04 (Read VOUT) Register Register Field Descriptions

Bit Field Type Reset NVM Description
15:0 MFR_SPEC_04_MANTISSA R Unsigned 16-bit mantissa with an exponent value of n=-9.

MFR_SPECIFIC_05 (VOUT Trim) (D5h)

Format Signed Two's Complement
Description The MFR_SPECIFIC_05 command is used to trim the VR output voltage in volts. LSB resolution is 5 mV/10 mV based on the selected VR12.0/VR12.5.
Default NVM: 00h
Figure 85. MFR_SPECIFIC_05 (VOUT Trim) Register
7 6 5 4 3 2 1 0
VOUT_VID_OFFSET
R/W

Table 58. MFR_SPECIFIC_05 (VOUT Trim) Register Field Descriptions

Bit Field Type Reset NVM Description
7:0 VOUT_VID_OFFSET R/W Yes Sets the VR output trim voltage.
01111111: 0.635 V in VR12.0 and 1.27V in VR12.5
01111110: 0.630 V in VR12.0 and 1.26 V in VR12.5
...........................
00000001: 0.005 V in VR12.0 and 0.01 V in VR12.5
00000000: 0 V
11111111: –0.005 V in VR12.0 and –0.01 V in VR12.5
...........................
10000001: –0.635 V in VR12.0 and –1.27 V in VR12.5
10000000: –0.640 V in VR12.0 and –1.28 V in VR12.5

MFR_SPECIFIC_07 (Additional Function Bits) (D7h)

Format N/A
Description The MFR_SPECIFIC_07 command sets the additional function bits.
Default NVM: 02h
Figure 86. MFR_SPECIFIC_07 (Additional Function Bits) Register
7 6 5 4 3 2 1 0
Reserved SLEW_FAST OSR_TRISTATE SST_TIME
R-0000 0 R/W

Table 59. MFR_SPECIFIC_07 (Additional Function Bits) Register Field Descriptions

Bit Field Type Reset NVM Description
7:3 Reserved R 000 00 Always set to 0.
2 SLEW_FAST R/W Yes Fast Slew Mode Enable/Disable
0: Default slew rate selected by MFR_SPECIFIC_13[2:0]
1: Add 1.36 mV/µs to the selected slew rate
1 OSR_TRISTATE R/W Yes Body Braking Enable/Disable
0: Enable OSR pulse truncation without body braking
1: Enable OSR pulse truncation with body braking
0 SST_TIME R/W Yes Soft Slew Rate Selection
0: soft start slew rate dependent on TRISE
1: 1/16 of the selected slew rate for soft-start

MFR_SPECIFIC_08 (Droop) (D8h)

Format N/A
Description The MFR_SPECIFIC_08 command sets the load line as percentage of the default one. For example, if slope is set as 1mohm = 100%, then 0.5mohm = 50%
Default 04h
Figure 87. MFR_SPECIFIC_08 (Droop) Register
7 6 5 4 3 2 1 0
DROOP
R/W

Table 60. MFR_SPECIFIC_08 (Droop) Register Field Descriptions

Bit Field Type Reset NVM Description
7:0 DROOP R/W 0000 0100 0000 0000: 0%
0000 0001: 25%
0000 0010: 50%
0000 0011: 75%
0000 0100: 100%
0001 0000: 80%
0010 0000: 85%
0011 0000: 90%
0100 0000: 95%
0101 0000: 105%
0110 0000: 110%
0111 0000: 115%
1000 0000: 120%
1001 0000: 125%
1010 0000: 150%
1011 0000: 175%
Others: 100%

MFR_SPECIFIC_09 (OSR/USR) (D9h)

Format N/A
Description The MFR_SPECIFIC_09 command sets the threshold for OSR and USR control. The setting can override the default setting from the O-USR pin.
Default Pin strap: O-USR pin
NVM: 77h
Figure 88. MFR_SPECIFIC_09 (OSR/USR) Register
7 6 5 4 3 2 1 0
Reserved USR Reserved OSR
R-0 R/W R-0 R/W

Table 61. MFR_SPECIFIC_09 (OSR/USR) Register Field Descriptions

Bit Field Type Reset NVM Description
7 Reserved R 0 Always set to 0.
6:4 USR R/W Yes Undershoot Reduction
000: 20 mV
001: 30 mV
010: 60 mV
011: 80 mV
100: 100 mV
101: 120 mV
110: 140 mV
111: USR off
3 Reserved R 0 Always set to 0.
2:0 OSR R/W Yes Overshoot Reduction
000: 30 mV
001: 40 mV
010: 60 mV
011: 80 mV
100: 100 mV
101: 120 mV
110: 140 mV
111: OSR off

MFR_SPECIFIC_10 (Maximum Operating Current) (DAh)

Format N/A
Description The MFR_SPECIFIC_10 command sets the maximum operating current (IMAX, unit: A) of the converter. The setting can override the default setting from the F-IMAX pin
Default Pin strap: F-IMAX pin
NVM: 78h
Figure 89. MFR_SPECIFIC_10 (Maximum Operating Current) Register
7 6 5 4 3 2 1 0
IMAX
R/W

Table 62. MFR_SPECIFIC_10 (Maximum Operating Current) Register Field Descriptions

Bit Field Type Reset NVM Description
7:0 IMAX R/W Yes Set maximum operating current.

MFR_SPECIFIC_11 (VBOOT) (DBh)

Format VID
Description The MFR_SPECIFIC_11 command sets the boot voltage in 8-bit VID format. The setting can override the default setting from the VBOOT pin.
Default Pin strap: VBOOT pin
NVM: 97h
Figure 90. MFR_SPECIFIC_11 (VBOOT) Register
7 6 5 4 3 2 1 0
VBOOT
R/W

Table 63. MFR_SPECIFIC_11 (VBOOT) Register Field Descriptions

Bit Field Type Reset NVM Description
7:0 VBOOT R/W Yes Set the boot voltage according to the selected VID table.

MFR_SPECIFIC_12 (Switching Frequency and TRISE) (DCh)

Format N/A
Description The MFR_SPECIFIC_12 command sets the switching frequency and the soft start rise slew rate. The settings can override the default setting from the F-IMAX.
Default Pin strap: F-IMAX pin
NVM: 20h
Figure 91. MFR_SPECIFIC_12 (Switching Frequency and TRISE) Register
7 6 5 4 3 2 1 0
FSW Reserved TRISE
R/W R-0 R/W

Table 64. MFR_SPECIFIC_12 (Switching Frequency and TRISE) Register Field Descriptions

Bit Field Type Reset NVM Description
7:4 FSW R/W Yes Switching Frequency
0000: 300 kHz
0001: 400 kHz
0010: 500 kHz
0011: 600 kHz
0100: 700 kHz
0101: 800 kHz
0110: 900 kHz
0111: 1000 kHz
1000: 350 kHz
1001: 450 kHz
1010: 550 kHz
1011: 650 kHz
1100: 750 kHz
1101: 850 kHz
1110: 950 kHz
1111: 1000 kHz
3:2 Reserved R 0 Always set to 0.
1:0 TRISE R/W Yes Soft start rise slew rate in terms of VOUT slew rate
00: 1
01: 1/2
10: 1/4
11: 1/8

MFR_SPECIFIC_13 (Slew Rate and Other Operation Modes) (DDh)

Format N/A
Description The MFR_SPECIFIC_13 command sets the slew rates and the operation modes. The settings can override the default setting from the SLEW-MODE pin.
Default Pin strap: SLEW-MODE pin
NVM: 89h
Figure 92. MFR_SPECIFIC_13 (Slew Rate and Other Operation Modes) Register
7 6 5 4 3 2 1 0
VR12_MODE PI_SET Reserved DPS_EN ZLL_SET SLEW
R/W R/W R/W R/W R/W R/W

Table 65. MFR_SPECIFIC_13 (Slew Rate and Other Operation Modes) Register Field Descriptions

Bit Field Type Reset NVM Description
7 VR12_MODE R/W Yes VR12 Mode
0: VR12.5.
1: VR12.0.
6 PI_SET R/W Yes Phase Interleaving
0: 4 phase interleaving individually.
1: 1/3 and 2/4 two phase interleaving
5 Reserved R/W Yes Not used, write or read has no effect
4 DPS_EN R/W Yes Dynamic Phase Shedding Enable
0: Disable dynamic phase shedding.
1: Enable dynamic phase shedding.
3 ZLL_SET R/W Yes Load Line
0: Non-zero load line
1: Zero load line
2:0 SLEW R/W Yes Slew Rate
000: 0.34 mV/µs
001: 0.68 mV/µs
010: 1.02 mV/µs
011: 1.36 mV/µs
100: 1.7 mV/µs
101: 2.04 mV/µs
110: 2.38 mV/µs
111: 2.74 mV/µs

MFR_SPECIFIC_14 (Ramp Height) (DEh)

Format N/A
Description The MFR_SPECIFIC_14 command sets the ramp amplitude for compensations. The settings can override the default setting from the OCL-R pin.
Default Pin strap: OCL-R pin
NVM: 06h
Figure 93. MFR_SPECIFIC_14 Register
7 6 5 4 3 2 1 0
Reserved RAMP
R-0000 0 R/W

Table 66. MFR_SPECIFIC_14 Register Field Descriptions

Bit Field Type Reset NVM Description
7:3 Reserved R 0 Always set to 0.
2:0 RAMP R/W Yes Ramp Amplitude
000: 20 mVPP
001: 40 mVPP
010: 60 mVPP
011: 80 mVPP
100: 100 mVPP
101: 120 mVPP
110: 150 mVPP
111: 200 mVPP

MFR_SPECIFIC_15 (Dynamic Phase Shedding Thresholds) (DFh)

Format N/A
Description The MFR_SPECIFIC_15 command sets the threshold for the dynamic phase shedding. Use 4 × overcurrent limit (OCL) as 100% load condition
Default NVM: 01h
Figure 94. MFR_SPECIFIC_15 (Dynamic Phase Shedding Thresholds) Register
7 6 5 4 3 2 1 0
Reserved DPS_TH_LOW DPS_TH_HIGH
R-0000 R/W R/W

Table 67. MFR_SPECIFIC_15 (Dynamic Phase Shedding Thresholds) Register Field Descriptions

Bit Field Type Reset NVM Description
7:4 Reserved R 0000 Always set to 0.
3 DPS_TH_LOW R/W Yes Switch from 2 Phase to 1 Phase Operation
0: Disable decreasing to 1 phase operation.
1: 10% load.
2:0 DPS_TH_HIGH R/W Yes Switch from 4 Phase to 2 Phase Operation
000: 15% load.
001: 20% load.
010: 25% load.
011: 30% load.
Others: 35% load.

MFR_SPECIFIC_16 (VIN UVLO) (E0h)

Format N/A
Description The MFR_SPECIFIC_16 command sets the threshold for the VIN Undervoltage Lockout (UVLO).
Default NVM: 01h
Figure 95. MFR_SPECIFIC_16 (VIN UVLO) Register
7 6 5 4 3 2 1 0
Reserved VIN_UVLO
R-00 0000 R/W

Table 68. MFR_SPECIFIC_16 (VIN UVLO) Register Field Descriptions

Bit Field Type Reset NVM Description
7:2 Reserved R 00 0000 Always set to 0.
1:0 VIN_UVLO R/W 01 Yes Input Voltage UVLO
00: 4.5 V
01: 7.25 V
10: 9.0 V
11: 10.3 V

MFR_SPECIFIC_20 (Maximum Operational Phase Number) (E4h)

Format N/A
Description The MFR_SPECIFIC_20 command sets the maximum operational phase numbers on-the-fly. If the maximum operational phase number is set higher than the available phase numbers specified by hardware, then the operational phase number remains unchanged, and the STAUTS_MFR_SPECIFIC<3> is set while asserting PMB_ALERT.
Default Hardware Specific
Figure 96. MFR_SPECIFIC_20 (Maximum Operational Phase Number) Register
7 6 5 4 3 2 1 0
Reserved PHASE_NUM
R-0 0000 R/W

Table 69. MFR_SPECIFIC_20 (Maximum Operational Phase Number) Register Field Descriptions

Bit Field Type Reset NVM Description
7:3 Reserved R 0 0000 Always set to 0.
2:0 PHASE_NUM R/W Phase Number
000: 1-phase operation.
001: 2-phase operation.
010: 3-phase operation.
011: 4-phase operation.
100: 5-phase operation.
101: 6-phase operation.
Others:

MFR_SPECIFIC_22 ( VOUT_UV_FAULT_threshold) (E6h)

Format N/A
Description The MFR_SPECIFIC_22 command sets the value of VOUT undervoltage threshold.

UVP threshold = VOUT_COMMAND - Load Line * Iout - VOUT_UVF_OFFSET

Default NVM: 03h
Figure 97. MFR_SPECIFIC_22 (VOUT_UV_FAULT_threshold) Register
7 6 5 4 3 2 1 0
Reserved VOUT_UVF_THRESHOLD
R-0 0000 R/W

Table 70. MFR_SPECIFIC_22 (VOUT_UV_FAULT_threshold) Register Field Descriptions

Bit Field Type Reset NVM Description
7:3 Reserved R 0 0000 Always set to 0.
2:0 VOUT_UVF_OFFSET R/W Yes VOUT UVF threshold
000: 50 mV
001: 100 mV
010: 150 mV
011: 200 mV
100: 250 mV
101: 300 mV
110: 325 mV
111: 400 mV

MFR_SPECIFIC_44 (DEVICE_CODE) (FCh)

Format
Description The MFR_SPECIFIC_44 command reads back the DEVICE_CODE information.
Default 01F0h
Figure 98. MFR_SPECIFIC_44 (DEVICE_CODE) Register
15 14 13 12 11 10 9 8
DEVICE_CODE
R-0000 0001
7 6 5 4 3 2 1 0
DEVICE_CODE
R-1111 0000

Table 71. MFR_SPECIFIC_44 (DEVICE_CODE) Register Field Descriptions

Bit Field Type Reset NVM Description
15:0 DEVICE_CODE R 0000 0001 1111 0000 Device Code