SLUSBN5B August 2013 – July 2015 TPS53515
PRODUCTION DATA.
NOTE
Information in the following applications sections is not part of the TI component specification, and TI does not warrant its accuracy or completeness. TI’s customers are responsible for determining suitability of components for their purposes. Customers should validate and test their design implementation to confirm system functionality.
The TPS53515 device is a high-efficiency, single-channel, synchronous-buck converter. The device suits low-output voltage point-of-load applications with 12-A or lower output current in computing and similar digital consumer applications.
This design example describes a D-CAP3-mode, 8-A synchronous buck converter with integrated MOSFETs. The device provides a fixed 1.2-V output at up to 8 A from a 12-V input bus.
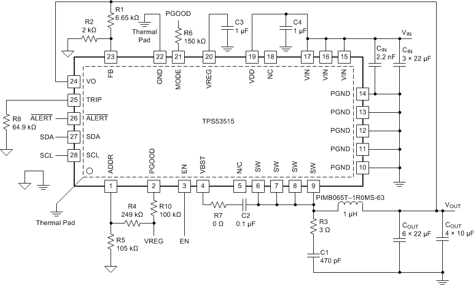
Figure 43. Application Circuit Diagram
This design uses the parameters listed in Table 5.
| PARAMETER | TEST CONDITIONS | MIN | TYP | MAX | UNIT | |
|---|---|---|---|---|---|---|
| INPUT CHARACTERISTIC | ||||||
| VIN | Voltage range | 5 | 12 | 18 | V | |
| IMAX | Maximum input current | VIN = 5 V, IOUT = 8 A | 2.5 | A | ||
| No load input current | VIN = 12 V, IOUT = 0 A with auto skip mode | 1 | mA | |||
| OUTPUT CHARACTERISTICS | ||||||
| VOUT | Output voltage | 1.2 | V | |||
| Output voltage regulation | Line regulation, 5 V ≤ VIN ≤ –14 V with FCCM |
0.2% | ||||
| Load regulation, VIN = 12 V, 0 A ≤ IOUT ≤ 8 A with FCCM |
0.5% | |||||
| VRIPPLE | Output voltage ripple | VIN = 12 V, IOUT = 8 A with FCCM | 10 | mVPP | ||
| ILOAD | Output load current | 0 | 12 | A | ||
| IOVER | Output over current | 11 | ||||
| tSS | Soft-start time | 1 | ms | |||
| SYSTEMS CHARACTERISTICS | ||||||
| fSW | Switching frequency | 1 | MHz | |||
| η | Peak efficiency | VIN = 12 V, VOUT = 1.2 V, IOUT = 4 A | 88.5% | |||
| η | Full load efficiency | VIN = 12 V, VOUT = 1.2 V, IOUT = 8 A | 86.9% | |||
| TA | Operating temperature | 25 | ºC | |||
The external components selection is a simple process using D-CAP3 mode. Select the external components using the following steps
The switching frequency is configured by the resistor divider on the RF pin. Select one of eight switching frequencies from 250 kHz to 1 MHz. Refer to Table 1 for the relationship between the switching frequency and resistor-divider configuration.
Select the operation mode using Table 4.
Determine the inductance value to set the ripple current at approximately ¼ to ½ of the maximum output current. Larger ripple current increases output ripple voltage, improves signal-to-noise ratio, and helps to stabilize operation.

The inductor requires a low DCR to achieve good efficiency. The inductor also requires enough room above peak inductor current before saturation. The peak inductor current is estimated using Equation 8.

The output capacitor selection is determined by output ripple and transient requirement. When operating in CCM, the output ripple has two components as shown in Equation 9. Equation 10 and Equation 11 define these components.



The output voltage is programmed by the voltage-divider resistors, R1 and R2, shown in Equation 12. Connect R1 between the VFB pin and the output, and connect R2 between the VFB pin and GND. The recommended R2 value is from 1 kΩ to 20 kΩ. Determine R1 using Equation 12.

Figure 44. Efficiency vs. Output Current
Figure 46. Output Voltage vs. Output Current

| ILOAD = 6 A |

| ILOAD from 0 A to 6 A | ||

| ILOAD from 0 A to 6A to 0 A | ||

| ILOAD = 6 A |
Figure 45. Output Voltage vs. Output Current
Figure 47. Switching Frequency vs. Output Current

| ILOAD = 6 A |

| ILOAD from 6A to 0 A | ||

| ILOAD = 0 A |

| Preset VOUT = 0.5 V | ||