ZHCSJ77F December   2010  – December 2018 TPS51916

PRODUCTION DATA.  

  1. 特性
  2. 应用
  3. 说明
    1.     简化应用
  4. 修订历史记录
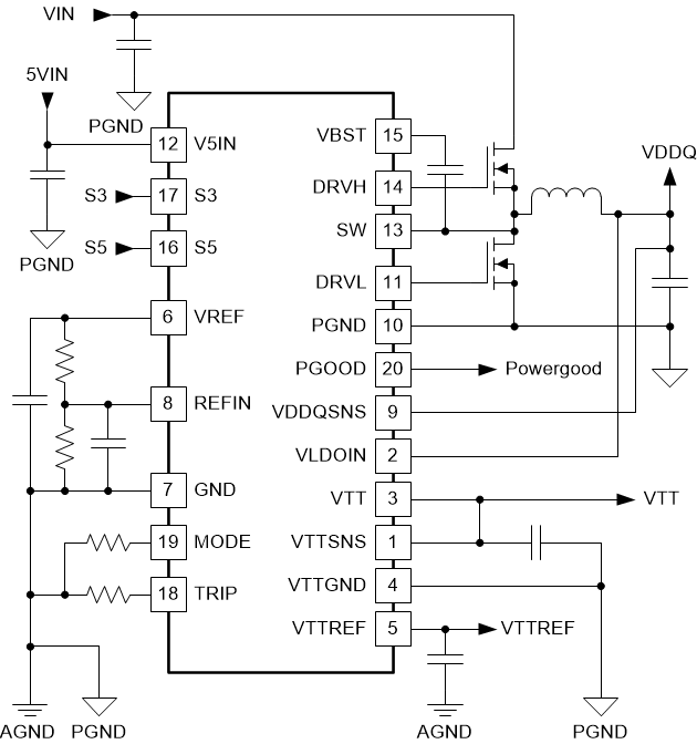
  5. Pin Configuration and Functions
    1.     Pin Functions
  6. Specifications
    1. 6.1 Absolute Maximum Ratings
    2. 6.2 ESD Ratings
    3. 6.3 Recommended Operating Conditions
    4. 6.4 Thermal Information
    5. 6.5 Electrical Characteristics
    6. 6.6 Typical Characteristics
  7. Detailed Description
    1. 7.1 Overview
    2. 7.2 Functional Block Diagram
    3. 7.3 Feature Description
      1. 7.3.1  VDDQ Switch Mode Power Supply Control
      2. 7.3.2  VREF and REFIN, VDDQ Output Voltage
      3. 7.3.3  Soft-Start and Powergood
      4. 7.3.4  Power State Control
      5. 7.3.5  Discharge Control
      6. 7.3.6  VTT and VTTREF
      7. 7.3.7  VDDQ Overvoltage and Undervoltage Protection
      8. 7.3.8  VDDQ Out-of-Bound Operation
      9. 7.3.9  VDDQ Overcurrent Protection
      10. 7.3.10 VTT Overcurrent Protection
      11. 7.3.11 V5IN Undervoltage Lockout Protection
      12. 7.3.12 Thermal Shutdown
    4. 7.4 Device Functional Modes
      1. 7.4.1 MODE Pin Configuration
      2. 7.4.2 D-CAP™ Mode
    5. 7.5 D-CAP2™ Mode Operation
  8. Application and Implementation
    1. 8.1 Application Information
      1. 8.1.1 DDR3, D-CAP™ 400-kHz Application with Tracking Discharge
        1. 8.1.1.1 Design Requirements
        2. 8.1.1.2 Detailed Design Procedure
          1. 8.1.1.2.1 1. Determine the value of R1 AND R2
          2. 8.1.1.2.2 2. Choose the inductor
          3. 8.1.1.2.3 3. Choose the OCL setting resistance, RTRIP
          4. 8.1.1.2.4 Choose the output capacitors
        3. 8.1.1.3 Application Curves
      2. 8.1.2 DDR3, DCAP-2 500-kHz Application, with Tracking Discharge
        1. 8.1.2.1 Design Requirements
        2. 8.1.2.2 Detailed Design Procedure
          1. 8.1.2.2.1 Select Mode and Switching Frequency
          2. 8.1.2.2.2 Determine output capacitance
        3. 8.1.2.3 Application Curves
  9. Power Supply Recommendations
  10. 10Layout
    1. 10.1 Layout Guidelines
    2. 10.2 Layout Example
  11. 11器件和文档支持
    1. 11.1 接收文档更新通知
    2. 11.2 社区资源
    3. 11.3 商标
    4. 11.4 静电放电警告
    5. 11.5 术语表
  12. 12机械、封装和可订购信息

封装选项

机械数据 (封装 | 引脚)
散热焊盘机械数据 (封装 | 引脚)
订购信息

说明

TPS51916 器件能够以最少总成本和最小空间为 DDR2、DDR3、DDR3L 和 DDR4 存储器系统提供完整的电源。它将同步降压稳压器控制器 (VDDQ) 与 2A 灌电流和 2A 拉电流跟踪 LDO (VTT) 以及缓冲低噪声基准 (VTTREF) 集成在一起。

该器件采用耦合了 300kHz 或 400kHz 频率的 D-CAP™ 模式,以实现易于使用且快速的瞬态响应,或采用耦合了更高的 500kHz 或 670kHz 频率的 D-CAP2™ 模式,以在无需外部补偿电路的情况下支持陶瓷输出电容器。VTTREF 跟踪 VDDQ/2 的精度优于 0.8%。能够提供 2A 灌电流和 2A 拉电流峰值电流功能的 VTT 只需 10μF 的陶瓷电容。提供专用的 LDO 电源输入。

该器件还可以提供卓越的电源性能。它支持灵活功率级控制,将 VTT 置于高阻抗状态(处于 S3)并在 S4 或 S5 状态下对 VDDQ、VTT 和 VTTREF 进行放电(软关闭)。它还提供具有低侧 MOSFET RDS(on) 检测功能的可编程 OCL、OVP、UVP、UVLO 以及热关断保护。

器件信息(1)

器件型号 封装 封装尺寸(标称值)
TPS51916 QFN (20) 3mm x 3mm
  1. 如需了解所有可用封装,请参阅数据表末尾的可订购产品附录。

简化应用

TPS51916 simp_app_fiddler3.gif

.