ZHCSCU0A January 2014 – August 2014 TPS51604-Q1
PRODUCTION DATA.
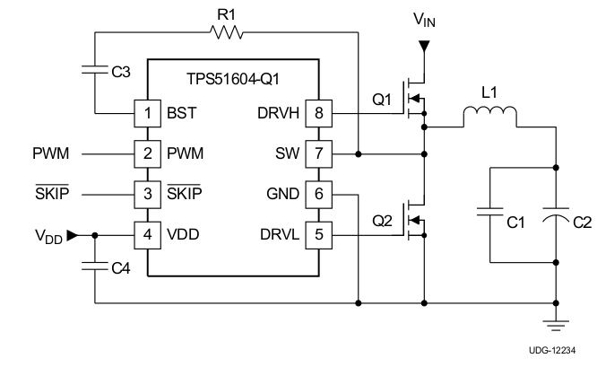
TPS51604-Q1 驱动器针对高频 CPU VCORE 应用进行了优化。 具有精简死区时间驱动和自动零交叉等高级特性,可用于在整个负载范围内优化效率。
SKIP 引脚提供立即 CCM 操作以支持输出电压的受控管理。 此外,TPS51604-Q1 还支持两种低功耗模式。 借助于三态 PWM 输入,静态电流可减少至 130µA,并支持立即响应。 当 SKIP 保持在三态时,电流可减少至 8µA(恢复切换通常需要 20µs)。 此驱动器与适当的德州仪器 (TI) 控制器配对使用,能够成为出色的高性能电源系统。
TPS51604-Q1 器件采用节省空间的耐热增强型 8 引脚 2mm x 2mm WSON 封装,工作温度范围为 -40°C 至 125°C。
| 部件号 | 封装 | 封装尺寸(标称值) |
|---|---|---|
| TPS51604-Q1 | WSON (8) | 2.00mm x 2.00mm |
