ZHCSIV9F September   2009  – October 2018 TPS386000 , TPS386040

PRODUCTION DATA.  

  1. 特性
  2. 应用
  3. 说明
    1.     Device Images
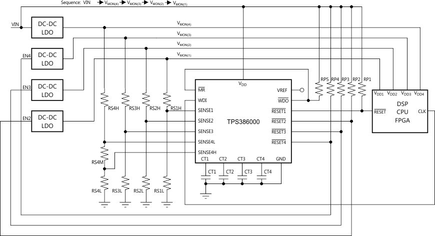
      1.      TPS386000 典型应用电路: 监控 FPGA 的电源
  4. 修订历史记录
  5. Pin Configuration and Functions
    1.     Pin Functions
  6. Specifications
    1. 6.1 Absolute Maximum Ratings
    2. 6.2 ESD Ratings
    3. 6.3 Recommended Operating Conditions
    4. 6.4 Thermal Information
    5. 6.5 Electrical Characteristics
    6. 6.6 Timing Requirements
    7. 6.7 Switching Characteristics
    8. 6.8 Typical Characteristics
  7. Parameter Measurement Information
  8. Detailed Description
    1. 8.1 Overview
    2. 8.2 Functional Block Diagrams
    3. 8.3 Feature Description
      1. 8.3.1 Voltage Monitoring
      2. 8.3.2 Manual Reset
      3. 8.3.3 Watchdog Timer
      4. 8.3.4 Reset Output
    4. 8.4 Device Functional Modes
  9. Application and Implementation
    1. 9.1 Application Information
      1. 9.1.1 Undervoltage Detection
      2. 9.1.2 Undervoltage and Overvoltage Detection
      3. 9.1.3 Sensing a Negative Voltage
      4. 9.1.4 Reset Delay Time
    2. 9.2 Typical Application
      1. 9.2.1 Design Requirements
      2. 9.2.2 Detailed Design Procedure
      3. 9.2.3 Application Curves
  10. 10Power Supply Recommendations
  11. 11Layout
    1. 11.1 Layout Guidelines
    2. 11.2 Layout Example
  12. 12器件和文档支持
    1. 12.1 器件支持
      1. 12.1.1 开发支持
        1. 12.1.1.1 评估模块
        2. 12.1.1.2 Spice 模型
      2. 12.1.2 器件命名规则
    2. 12.2 文档支持
      1. 12.2.1 相关文档
    3. 12.3 相关链接
    4. 12.4 社区资源
    5. 12.5 商标
    6. 12.6 静电放电警告
    7. 12.7 术语表
  13. 13机械、封装和可订购信息

封装选项

机械数据 (封装 | 引脚)
散热焊盘机械数据 (封装 | 引脚)
订购信息

Typical Application

Figure 35 shows a typical application circuit.

TPS386000 TPS386040 ai_typ_app_svs-4_bvs105.gifFigure 35. Typical Application Circuit