SGLS228C December   2003  – September 2015 TPS3805H33-Q1

PRODUCTION DATA.  

  1. Features
  2. Applications
  3. Description
  4. Revision History
  5. Device Comparison Table
  6. Pin Configuration and Functions
  7. Specifications
    1. 7.1 Absolute Maximum Ratings
    2. 7.2 ESD Ratings
    3. 7.3 Recommended Operating Conditions
    4. 7.4 Thermal Information
    5. 7.5 Electrical Characteristics
    6. 7.6 Timing Requirements
    7. 7.7 Switching Characteristics
    8. 7.8 Dissipation Ratings
    9. 7.9 Typical Characteristics
  8. Detailed Description
    1. 8.1 Overview
    2. 8.2 Functional Block Diagrams
    3. 8.3 Feature Description
      1. 8.3.1 VDD and SENSE Monitoring
      2. 8.3.2 Transient Immunity
    4. 8.4 Device Functional Modes
  9. Application and Implementation
    1. 9.1 Application Information
    2. 9.2 Typical Applications
      1. 9.2.1 TPS3803G15-Q1
        1. 9.2.1.1 Design Requirements
        2. 9.2.1.2 Detailed Design Procedure
        3. 9.2.1.3 Application Curves
      2. 9.2.2 TPS3803-01-Q1
        1. 9.2.2.1 Design Requirements
      3. 9.2.3 TPS3805H33-Q1
        1. 9.2.3.1 Design Requirements
  10. 10Power Supply Recommendations
  11. 11Layout
    1. 11.1 Layout Guidelines
    2. 11.2 Layout Examples
  12. 12Device and Documentation Support
    1. 12.1 Device Support
      1. 12.1.1 Device Nomenclature
    2. 12.2 Related Links
    3. 12.3 Community Resources
    4. 12.4 Trademarks
    5. 12.5 Electrostatic Discharge Caution
    6. 12.6 Glossary
  13. 13Mechanical, Packaging, and Orderable Information

封装选项

请参考 PDF 数据表获取器件具体的封装图。

机械数据 (封装 | 引脚)
  • DCK|5
散热焊盘机械数据 (封装 | 引脚)
订购信息

9 Application and Implementation

NOTE

Information in the following applications sections is not part of the TI component specification, and TI does not warrant its accuracy or completeness. TI’s customers are responsible for determining suitability of components for their purposes. Customers should validate and test their design implementation to confirm system functionality.

9.1 Application Information

The TPS380x-Q1 voltage supervisor devices are designed to assert an active-low RESET signal when VDD and/or SENSE drop below a voltage threshold VIT. The RESET signal remains low until the voltages return above their respective thresholds. The TPS3803G15-Q1 and TPS3805H33-Q1 are fixed-voltage options, while the TPS3803-01-Q1 is adjustable and can be used to monitor any voltage above 1.226 V. The TPS3803G15-Q1 and TPS3803-01-Q1 have an open-drain output, requiring an external pull-up on the RESET line.

9.2 Typical Applications

9.2.1 TPS3803G15-Q1

TPS3803-01-Q1 TPS3803G15-Q1 TPS3805H33-Q1 typ_app_sgls228.gif Figure 17. TPS3803G15 Typical Application

9.2.1.1 Design Requirements

When a single 1.5-V supply rail needs to be monitored, TPS3803G15-Q1 should be used. When a single voltage higher than 1.226 V needs to be monitored, TPS3803-01-Q1 should be used. When a 3.3-V supply and second supply above 1.226 V needs to be monitored, TPS3805H33-Q1 should be used.

9.2.1.2 Detailed Design Procedure

To monitor a single 1.5-V supply with TPS3803G15-Q1, connect the 1.5-V supply directly to VDD. The RESET output should be connected to the reset of the microcontroller with a pull-up resistor from the RESET output to VDD.

To monitor a single supply using TPS3803-01-Q1, connect the supply to VDD with a resistor divider to scale down the voltage at the SENSE pin. The resistor values must be chosen to satisfy Equation 1:

Equation 1. VIT' = (1 + R1/R2) × 1.226

where

  • VIT’ is the VDD threshold voltage.

For example, if TPS3803-01-Q1 should monitor a 2.5-V supply and the desired threshold voltage is 2.2 V, R1 and R2 values could be 24 kΩ and 30- kΩ respectively. A 1-nf to 10-nF decoupling capacitor is recommended to be placed close to the SENSE input.

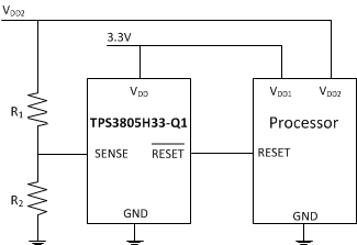
To monitor two supplies using TPS3805H33-Q1, connect the 3.3-V supply directly to VDD, and the second supply through a resistor divider to the SENSE pin. The SENSE pin should have a 1-nf to 10-nF decoupling capacitor close to the pin.

9.2.1.3 Application Curves

TPS3803-01-Q1 TPS3803G15-Q1 TPS3805H33-Q1 g_idd_vdd_h33_gls228.gif
Figure 18. TPS3805H33-Q1 Supply Current vs Supply Voltage
TPS3803-01-Q1 TPS3803G15-Q1 TPS3805H33-Q1 g_idd_vdd_01_gls228.gif
Figure 19. TPS3803-01-Q1 Supply Current vs Supply Voltage

9.2.2 TPS3803-01-Q1

TPS3803-01-Q1 TPS3803G15-Q1 TPS3805H33-Q1 typ_app2_sgls228.gif Figure 20. TPS3803-01-Q1 Typical Application

9.2.2.1 Design Requirements

Please refer to Design Requirements for this device's design requirements.

9.2.3 TPS3805H33-Q1

TPS3803-01-Q1 TPS3803G15-Q1 TPS3805H33-Q1 typ_app3_sgls228.gif Figure 21. TPS3805H33-Q1 Typical Application

9.2.3.1 Design Requirements

Please refer to Design Requirements for this device's design requirements.